124183 (689894), страница 2
Текст из файла (страница 2)
Станочные приспособления используются для установки заготовок на столе, т. е. для ориентации заготовки относительно координатных осей и для надежного закрепления ее в этом положении. Для фрезерных станков характерно широкое применение таких универсальных приспособлений, как станочные тиски, столы, делительные головки и элементарные зажимные устройства (рис. 156). В условиях серийного и массового производства применяют специальные приспособления для обработки конкретной заготовки или группы заготовок. В ряде случаев используют дополнительные устройства, расширяющие технологические возможности фрезерных станков: головки, изменяющие положение шпинделя, что позволяет работать фрезой с горизонтальной или вертикальной осью; головки, позволяющие долбить заготовку, вести копировальные работы на обычных фрезерных станках и т. п. Станочные тиски могут иметь, кроме винтовых, зажимные элементы в виде эксцентриков, пневматических камер, гидравлических цилиндров, пружин, рычагов и т. п. Различают тиски неповоротные и поворотные относительно двух взаимно перпендикулярных осей. Тиски обеспечивают надежное, быстрое закрепление заготовки при малых собственных размерах и высокой жесткости. Известны тиски с одной подвижной губкой, самоцентрирующие (с двумя подвижными губками), с "плавающими" губками и т. п. В ряде случаев применяют специальные губки, по форме зажимной поверхности для закрепления заготовок сложной формы (цилиндрических, для лопаток турбин и т. п.).
2. Выбор предельных режимов резания и электродвигателя
2.1 Размеры заготовок и инструментов
| ТИП СТАНКА | Диаметр заготовки или инструмента, мм. | |
| Dmax | Dmin | |
| Горизонтально-фрезерный со столом шириной Вс, мм. | (0,4-0,5)Вс | (0,1-0,2)Вс |
Размеры заготовок и инструментов подлежащих обработке на универсальных станках, определяются из экономичских соображений, связывая их с одной из размерных характеристик станка. В таблице 1.1 приведены ориентировочные значения предельных размеров заготовок и инструментов, которые принимаются при проектировании универсальных станков.
Расчитуем диаметр инструмента:
Dmax.=0.4*400=160мм.
Dmin =0.15*400=60мм.
Таблица 2.2 Ширина фрезерования
| ТИП СТАНКА | Расчетная ширина фрезерования, мм | |
| Вmax | Bmin | |
| Горизонтально-фрезерный со столом шириной Вс, мм. | (0.75-1.0)Dфр.мах. | (0,75-1,0)Dфр.min |
Исходя из таблицы 2.2 расчитуем ширину фрезерования:
Вмах.=0,75*160=120мм.
Вmin=0,75*60=45мм.
2.2 Выбор предельных режимов резания
2.2.1 Выбор предельных режимов резания Vmax
Наибольшая скорость резания Vmax.
Заготовка: Стальная заготовка Ġв=500МПа.
Инструмент: Цилиндрическая фреза, пластинки из твердого сплава Т15К6.
Vmax.=
;
В=45; t=2; Sz=0,17; Cv=390; qv=0.17; yv=0.28; Uv=0,05; Pv=0.1; m=0.33;T=120мин.; Z=14;
Vmax =
об/мин.
Сила резания определяется по формуле:
Сp=101; Xp=0.88; Yp= 0.75; Up=1.0; ωp=0; qp=0.87;
2.2.2 Выбор предельных режимов резания Vmin
Инструмент: Цилиндрическая фреза, быстрорежущая сталь Р18;
;
B=120; t=2,5; Sz=0.12; Cv=55; qv=0,45; Xv=0.3; Yv=0.4; Uv=0.1; Pv=0.1; m=0.33; Т=120мин.; Z=8;
об/мин;
Сила резания определяется по формуле:
Сp=68,2; Xp=0.86; Yp= 0.72; Up=1; ωp=0; qp=0,86;
Условная расчетная частота:
;
;
об/мин;
Условная расчетная частота попадает в диапазон частот данный по заданию.
2.3 Определение предварительной мощности электродвигателя главного движения
Предварительное определение мощности электродвигателя главного движения определяется по формуле:
где ŋ – КПД цепи главного движения ( ŋ = 0,7-0,85).
2.4 Выбор электродвигателя
Выбираем двигатель серии 4П, ближайший по мощности двигатель 4ПФ112S с креплением на фланце, мощностью
кВт, частотой вращения
.
;
;
;
3. Технические требования к приводу станка
Приводы металлорежущих станков предназначены для осуществления рабочих, вспомогательных и установочных перемещений инструментов и заготовки. Их делят на приводы главного движения - скорости резания и приводы подач – координатных перемещений. К каждому виду привода, с учетом служебного назначения станка ,предъявляют свои специфические требования по передаче силы, обеспечению постоянства скорости, ее изменения и настройки, точности перемещения и погрешности позиционирования узла, быстродействию, надежности, стоймости, габаритным размерам.
Важнейшим и исходными данными для проектирования привода главного движения являются диапазон регулирования частоты вращения и мощности передаваемые приводом.
В данном проекте рассматривается привод с бесступенчатым регулированием скорости. Основные достоинства приводов с бесступенчатым регулированием – повышение производительности обработки за счет точной настройки оптимальной по режимам резанием скорости, возможность плавного перемещения скорости во время работы, простота автоматизации процесса переключения скоростей. Производительность станка определяется его способностью обеспечивать обработку определенного числа деталей в единицу времени.
Для сравнительной характеристики технического уровня станков и его оборудования используют набор показателей таких как: производительность, надежность, эффективность, удобство в обслуживании.
Свойство станка обеспечивать бесперебойный выпуск годной продукции в заданном количестве в течении определенного срока службы называют надежностью станка. Надежность станка определяется долговечностью и ремонтноспособностью станка.
Точность станка предопределяет в основном точность обработанных на нем изделий. Различают геометрическую точность, кинематическую точность а также жесткость станка.
4. Кинематический расчет привода станка
4.1 Диапазоны регулирования станка
Определяем диапазоны регулирования привода:
Определяем диапазоны регулирования двигателя:
Определяем диапазоны регулирования двигателя при постоянной мощности:
Определяем диапазоны регулирования двигателя при постоянном моменте:
Определяем диапазоны регулирования шпинделя при постоянной мощности:
Для определения бесступенчатого регулирования частоты вращения шпинделя при постоянной мощности знаменатель ряда передаточных отношений передач коробки скоростей φ1 принимаем равным RдР.
Требуемое число ступеней коробки скоростей:
Принимаю Z=2
При постоянной мощности диапазон регулирования шпинделя:
.
Минимальная частота вращения при постоянной мощности:
4.2 Разработка и построение структурных сеток и графиков чисел оборотов
По заданному числу z=2 определяем возможные типы схем сложенных структур , т.к. простые множительные структуры не используем.
Общий вид типовой структуры главного привода станка на рис. 4.1
Рисунок 4.1 -Типовая структура главного привода станка.
Структурная сетка коробки скоростей приведена на рис. 4.2
Рисунок 4.2 - Структурная сетка.
График чисел оборотов приведен на рис.4.3
Рисунок 4.3-График чисел оборотов
4.3 Выбор чисел зубьев и определение действительных частот вращения
4.3.1 Подбор чисел зубьев
Для подбора чисел зубьев воспользуемся графиком чисел оборотов (рис.4.3) и значениями передаточных отношений I между звеньями коробки главного движения.
Передаточные отношения:
;
;
;
;
Подбираем числа зубьев [5,стр.121,табл.3]:
z1 = 16; z2 = 64; z3 = 30; z4 = 60; z5 = 40; z6 = 40; z7 = 16; z8 = 64; z9 = 30; z10 = 60;
4.3.2 Расчет погрешностей кинематических цепей станка
,
В результате проверки всех основных цепей можно сделать вывод, что числа зубьев колес подобраны правильно и погрешности цепей не превышают допустимую погрешность.
4.3.3 Разработка кинематической схемы привода
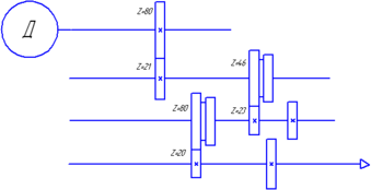
На основании графика частот вращения и найденных значений чисел зубьев составляем принципиальную кинематическую схему привода главного движения станка (рис.5.1).
Рисунок 5.1 - Кинематическая схема привода главного движения станка
5. Силовой расчет привода станка















