124165 (689880)
Текст из файла
Федеральное агентство образования РФ
Санкт-Петербургская Государственная
Лесотехническая академия
Кафедра теории механизмов, деталей машин
и подъемно-транспортных устройств.
Дисциплина:
“Детали машин и основы конструирования”
курсовой проект
-
На тему:
-
расчет и проектирование
-
привода ленточного конвейера
расчетно-пояснительная записка
Факультет МТД
Курс III группа 3
Студент Афанасьев А.В.
Санкт-Петербург
Содержание
Введение
1. Расчетная схема привода. Исходные данные
2. Определение требуемой мощности электродвигателя приводной станции конвейера
3. Определение кинематических, силовых и энергетических параметров механизмов привода
4. Расчет клиноременной передачи
5. Выбор Редуктора
6. Выбор зубчатой муфты
Список используемой литературы
Приложение А
Введение
Курсовой проект выполняется по дисциплине “Детали машин и основы конструирования” и включает кинематический расчет, проектирование и выбор основных узлов привода ленточного конвейера.
В пояснительной записке приводится последовательность кинематического расчета привода с выбором типоразмеров стандартных узлов: электродвигателя, редуктора, а также расчет дополнительной клиноременной передачи с клиновым ремнем нормального сечения.
Выходной вал редуктора соединяется с валом приводного барабана при помощи компенсирующей зубчатой муфты. Выбор зубчатой муфты осуществляется по каталогу.
Регулирование скорости конвейера в процессе работы не предусмотрено.
Курсовой проект состоит:
-
пояснительная записка
-
чертеж привода конвейера в двух проекциях.
-
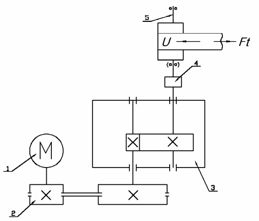
Расчетная схема привода. Исходные данные
Схема привода ленточного конвейера представлена на рисунке 1.
Рисунок 1 - Схема привода ленточного конвейера.
-
Асинхронный электродвигатель серии АИР 132 М4
-
Клиноременная передача
-
Одноступенчатый редуктор с цилиндрическими зубчатыми колесами типа ЦУ
-
Зубчатая муфта типа МЗ
-
Вал приводного барабанного конвейера
Данные по заданию на курсовой проект:
| Тяговое усилие на барабане | Ft ,кН | 3.8 |
| Скорость ленты конвейера | V, м/с | 2,1 |
| Диаметр приводного барабана | ДБ, м | 0,30 |
| Число пар полюсов электродвигателя | 2 | |
| Режим работы двигателя | легкий | |
| Срок службы привода | Zh,часов | 10 000 |
-
Определение требуемой мощности электродвигателя приводной станции конвейера
Выбор электродвигателя.
Мощность на валу приводного барабана определяется по формуле (1).
РБ = Ft ∙ V (1)
где:
| Ft =3,8 кН | тяговое усилие на барабане |
| V =2,1 м/с | скорость ленты конвейера |
Подставляя значения в формулу (1) имеем:
РБ = 3,8 ∙ 2,1 = 7,98 кВт
Значение общего КПД приводной станции конвейера определяется по формуле (2).
общ = кл.рем. ∙ ред. ∙ муф. ∙ Б (2)
где:
| кл.рем. = 0,95 | КПД клиноременной передачи |
| ред. = 0,98 | КПД редуктора |
| муфт. = 0,99 | КПД муфты |
| Б = 0,98 | КПД барабана |
Подставляя значения в формулу (2) имеем:
общ = 0,95 ∙ 0,98 ∙ 0,99 ∙ 0,98 = 0,90
Требуемая мощность электродвигателя (кВт) определяется по формуле (3).
Ртреб.эл. = РБ / общ (3)
Подставляя значения в формулу (3) имеем:
Ртреб.эл. = 7,98 / 0,90 = 8,87 кВт
Синхронная частота вращения вала электродвигателя (мин -1) определяется по формуле (4).
nc = (60 ∙ f) / р (4)
где:
| f =50Гц | частота промышленного тока |
| р =2 | число пар полюсов электродвигателя |
Подставляя значения в формулу (2) имеем:
nc = (60 ∙ 50) / 2 = 1500 мин -1
Исходя из вышеприведенных расчетов принимаем типоразмер двигателя – АИР 132 М4 (n = 1500 мин -1 ; Рдв = 11 кВт). При выборе электродвигателя учитывалось, что асинхронные двигатели самые распространенные в промышленности и могут допускать длительную перегрузку не более 5 –10 %. А также номинальная мощность электродвигателя должна быть – Рдв Ртреб.эл.
С учетом коэффициента скольжения двигателя S (%), определяем частоту вращения вала электродвигателя по формуле (5).
nэл = nc – (nc ∙ S) / 100 (5)
Подставляя значения в формулу (5) имеем:
nэл = 1500 – (1500 ∙ 3,5) / 100 = 1447,5 мин -1
-
Определение кинематических, силовых и энергетических параметров механизмов привода
Частота вращения вала приводного барабана (мин -1) определяется по формуле (6).
nБ = (60 ∙ V) / ( ∙ ДБ) (6)
где:
| V = 2,1 м/с | Скорость ленты конвейера |
| ДБ = 0,3 м | Диаметр приводного барабана |
Подставляя значения в формулу (6) имеем:
nБ = (60 ∙ 2,1) / (3,14 ∙ 0,3) = 134 мин -1
Общее передаточное отношение привода определяется по формуле (7).
Uпр = nэл / nБ (7)
Подставляя значения в формулу (7) имеем:
Uпр = 1447,5 / 134 = 10,8
Предварительно примирим передаточное отношение клиноременной передачи равным 2, тогда используя формулу (8) найдем передаточное отношение редуктора.
Uпр = Uкл.рем. ∙ Uред. (8)
Имеем:
Uред. = Uпр / Uкл.рем. = 10,8 / 2 = 5,4
Стандартное значение передаточного отношения зубчатого редуктора Uред.ст = 5,6. Уточним полученное значение передаточного отношения клиноременной передачи:
Uкл.рем.ст. = Uпр / Uред.ст. = 10,8 / 5,6 = 1,93
Определим значения мощности на каждом из валов привода конвейера.
Мощность на выходном валу электродвигателя (кВт) определяется по формуле (9).
Ртреб.эл. = Ррем1 = 8,87 кВт (9)
Мощность на входном валу редуктора (кВт) определяется по формуле (10).
Р1ред. = Р2рем. = Ртреб. ∙ кл.рем. (10)
Подставляя значения в формулу (10) имеем:
Р1ред. = Р2рем. = 8,87 ∙ 0,95 = 8,43 кВт
Мощность на выходном валу редуктора (кВт) определяется по формуле (11).
Р2ред. = Р1ред. ∙ ред. (11)
Подставляя значения в формулу (11) имеем:
Р2ред. = 8,43 ∙ 0,98 = 8,26 кВт
Мощность на валу барабана определена ранее по формуле (1) и равна:
РБ = 7,98 кВт
Определяем частоту вращения на каждом из валов редуктора.
nэл = n1рем. = 1447,5 мин -1
Частота вращения на входном валу редуктора (мин -1) определяется по формуле (12).
n1ред = n2рем. = nэл. / Uкл.рем.ст. (12)
Подставляя значения в формулу (12) имеем:
n1ред = 1447,5 / 1,93 = 750 мин -1
Частота вращения на выходном валу редуктора (мин -1) определяется по формуле (13).
n2ред. = n1ред. / Uред.ст. (13)
Подставляя значения в формулу (13) имеем:
n2ред. = 750 / 5,6 = 134мин -1
Частота вращения вала барабана равна:
nБ = n2рем. = 134мин -1
Определяем крутящие моменты на каждом из валов редуктора.
Крутящий момент (Нм) электродвигателя находится по формуле (13).
Тэл. = Т1рем = 9550 ∙ (Ртреб.эл / nэл.) (13)
Подставляя значения в формулу (13) имеем:
Тэл. = Т1рем. = 9550 ∙ (8,87 / 1447,5) = 58,52 Нм
Крутящий момент (Нм) на входном валу редуктора определяется по формуле (14).
Т1ред. = Т2рем. = Тэл. ∙ Uкл.рем.ст. ∙ кл.рем. (14)
Подставляя значения в формулу (14) имеем:
Т1ред. = 58,52∙ 1,93 ∙ 0,95 = 107,3 Нм
Крутящий момент (Нм) на входном валу редуктора определяется по формуле (15).
Т2ред. = Т1ред. ∙ Uред.ст. ∙ ред (15)
Подставляя значения в формулу (15) имеем:
Т2ред. = 107,3∙ 5,6 ∙ 0,98 = 588,86Нм
Крутящий момент (Нм) на приводном барабане определяется по формуле (16).
ТБ. = Т2ред. ∙ муф. ∙ Б (16)
Подставляя значения в формулу (16) имеем:
ТБ. = 588,82 ∙ 0,99 ∙ 0,98 = 571,31 Нм
-
Расчет клиноременной передачи.
Расчетная схема клиноременной передачи представлена на рис. 2.
Рисунок 2 - Расчетная схема клиноременной передачи.
Исходные данные для расчета:
| Т1рем. = Тэл. | = 58,52 Нм |
| Uкл.рем. | = 1,93 |
| nэл = n1рем. | = 1447,5 мин -1 |
| Б = 0,98 | КПД барабана |
Расчет проводим для клиноременной передачи нормального сечения.
Осуществим выбор сечения ремня по величине крутящего момента. Так как (50 <Трем.1 = 58,52 <150) Нм, то выбираем тип сечения ремня “В”.
Диаметр d1 (мм) меньшего (ведущего) шкива определяем по формуле (17).
d1 = kd3√ Трем.1 = (30…40) 3√ Трем.1 (17)
Подставляя значения в формулу (17) имеем:
d1 = 40 ∙ 3,89 = 155,6 мм
Принимаем стандартный диаметр шкива по ГОСТ 17383-73
d1ст. = 160 мм.
Скорость ремня (м/с) определяется по формуле (18).
U1 = ∙ d1ст. ∙ (n1рем. / 60) (18)
Подставляя значения в формулу (18) имеем:
U1 = 3,14 ∙ 0,16 ∙ (1447,5 / 60) = 12,12 м/с
Диаметр d2 (мм) большего (ведомого) шкива ременной передачи определяется по формуле (19).
d2 = d1 ∙ Uкл.рем ∙ (1 – ε) (19)
где:
ε – коэффициент упругого проскальзывания, ε = 0,01…0,02. Для расчетов принимаем значение ε равное 0,015
Подставляя значения в формулу (19) имеем:
d2 = 160 ∙ 1,93 ∙ (1 – 0,015) = 304,17 мм.
150>Характеристики
Тип файла документ
Документы такого типа открываются такими программами, как Microsoft Office Word на компьютерах Windows, Apple Pages на компьютерах Mac, Open Office - бесплатная альтернатива на различных платформах, в том числе Linux. Наиболее простым и современным решением будут Google документы, так как открываются онлайн без скачивания прямо в браузере на любой платформе. Существуют российские качественные аналоги, например от Яндекса.
Будьте внимательны на мобильных устройствах, так как там используются упрощённый функционал даже в официальном приложении от Microsoft, поэтому для просмотра скачивайте PDF-версию. А если нужно редактировать файл, то используйте оригинальный файл.
Файлы такого типа обычно разбиты на страницы, а текст может быть форматированным (жирный, курсив, выбор шрифта, таблицы и т.п.), а также в него можно добавлять изображения. Формат идеально подходит для рефератов, докладов и РПЗ курсовых проектов, которые необходимо распечатать. Кстати перед печатью также сохраняйте файл в PDF, так как принтер может начудить со шрифтами.















