124161 (689877), страница 2
Текст из файла (страница 2)
Uред. факт = Z2/ Z1
Uред. факт =132/23 = 5,74
Найдем косинус угла наклона зубьев:
Cosβ = (Z1+Z2)mn / 2 аw
Cosβ = 155∙4,0/ 2∙315= 0,9841;
Тогда:
β = 10,23˚
Считаем:
d1 = mn Z1/ cosβ
d2 = mn Z2/ cosβ
d1 = 4,0∙23/ 0,9841= 93,48 мм
d2 = 4,0∙132/0,9841= 536,52 мм
Проверка: d1 + d2 = 93,48+536,52 = 630 мм = 2 аw . Верно.
Тогда ширина колес:
b2 = ψва аw
b1 = b2 + (2..4) mn
b2 = 0,303∙315 = 95,445 ≈ 95 мм
b1 = 95 + 2∙4,0 = 103 мм ≈ 100 мм
Проверка:
b2 ∙ sinβ≥4mn
95∙sinβ≥4∙4
16,873≥16 Верно.
Определяем диаметры вершин зубьев da и впадин df зубчатых колес:
da = d + 2∙ mn
df = d – 2,5∙ mn
da1 =93 + 2∙ 4 = 101 мм
da2 = 537 + 2∙ 4 = 545 мм
df1 = 93 – 2,5∙ 4 = 83 мм
df2 = 537 – 2,5∙ 4 = 527 мм
5. Расчет валов:
5.1 Быстроходный вал.
Так как df1 = 83 мм – принимаем вал-шестерню.
Момент на ведущем валу:
Т1 = Тдв∙ Uфакт∙ ηрем.пер
Т1 = 100∙2,89∙0,94 = 271,66 Н м ≈ 270 Н∙м
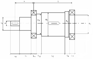
Проведем подборку диаметров составляющих вала:
d = (T1∙103/0,2[τ])1/3
d = (270∙103/0,2∙10)1/3 = 51,3 мм.
Выбираем из стандартного ряда чисел:
d = 50 мм
d1 = d1+ (4..5) мм = 55 мм
dп ≥ d2+ (4..5) мм = 60 мм
d2 = dп+ 5 мм = 65 мм
d4 = d3+ (6..10) мм = 75 мм
Проведем подборку длин составляющих вала:
L0 = (1,6..2) d = 100 мм
L1 = 20..25 мм = 25 мм
Lп ≈ 0,5 dп = 30 мм
L2 = 10..12 мм = 12 мм
L3 = b2 = 95 мм
L4 = L2 = 12 мм
L5 = L1 = 25 мм
Тогда:
L = 149 мм
а = 90 мм
Расчет зубчатой пары: (Расчет вала на прочность)
Окружная сила
Ft = 2T1∙103/d1
Ft = 2∙270∙103/55 = 9818 Н
Осевое усилие
Fa = Ft ∙ tg β
Fa = 9818 ∙ tg 10,23 = 1771 Н
Радиальная нагрузка
Fr = Ft ∙ tg α / cosβ
Fr = 1771∙tg20/cos10,23 = 655 Н
Рассчитываем число оборотов первого (быстроходного) вала редуктора:
nвед (быстроходный вал редуктора) = nдв/ Uфакт
nвед (быстроходный вал редуктора) = 1460/2,89 = 505 об/мин
Построение эпюр:
l
RbA = 0,5∙ Fr + Fa∙d1/2L
RbB = 0,5∙ Fr - Fa∙d1/2L
RbA = 0,5∙655 + 1771∙50/2∙149 = 333,44 Н
RbB = 0,5∙655 – 1771∙50/2∙149 = 321,56 Н
Проверка: RbA + RbB - Fr = 0
333,44+321,56 – 655 = 0 Верно.
М1 = RbA∙ L/2
М = RbB ∙ L/2
М1 = 333,44∙149/2∙1000 = 24,84 Н∙м
М = 321,56∙149/2∙1000 = 23,96 Н∙м
М1 = 333,44∙149/2∙1000 = 24,84 Н∙м
М = 321,56∙149/2∙1000 = 23,96 Н∙м
RГА = RГВ = 0,5∙Ft
М2 = Ft∙ L/4
RГА = RГВ = 0,5∙ 9818 = 4909 H
М2 = 9818∙149/4∙1000 = 365,72 Н∙м
Проверка: RГА + RГВ - Ft = 0
4909 + 4909 – 9818 = 0 Верно.
а
RAP = FP∙ (L + a)/L
RBP = FP∙ a/L
MP = FP∙ a
RAP = 3635∙ (149 + 90)/149 = 5831 H
RBP = 3635∙ 90/149 = 2196 H
MP = 3635∙90/1000 = 327,15 Н∙м
Рассчитаем общий момент:
MОБЩ = [(M1)2 + (M2)2]1/2
MОБЩ = [(24,84)2 + (365,72)2]1/2 = 366,56 Н∙м
Проверочный расчет ведущего вала.
Сталь 40х улучшенная.
Шестерня НВ1 = 270 НВ σв = 900н/мм2, σг =750 н/мм2
Колесо НВ2 = 240 НВ σв = 780н/мм2, σг =540 н/мм2
Коэффициент запаса для нормальных напряжений:
nσ = σ-1/(Kσp∙ σa + ψσ∙ σm),
где σ-1 – предел выносливости гладкого образца при симметричном цикле напряжений изгиба. σ-1 = 410 МПа
σa – амплитуда номинальных напряжений изгиба, σa ≈ МОБЩ/0,1dп3 = 64,1 МПа
σm – среднее значение номинального напряжения, σm = 0.
Kσp – эффективный коэффициент концентрации напряжений для детали.
БЕРЕМ ИЗ ТАБЛИЦЫ 3,5
Тогда:
nσ = 410/(3,5∙ 64,1) = 1,83
Коэффициент запаса для касательных напряжений:
nτ = τ-1/(Kτp∙ τa + ψτ∙ τm),
где τ -1 – предел выносливости гладкого образца при симметричном цикле напряжений кручения. τ -1 = 240 МПа
τa – амплитуда номинальных напряжений кручения,
τm – среднее значение номинальных напряжений, τa = τm = 1/2∙τ = 10,1
Kτp – эффективный коэффициент концентрации напряжений для детали.
БЕРЕМ ИЗ ТАБЛИЦЫ 2,5
ψτ = 0,1
Тогда:
nτ = 240/(2,5∙10,1 + 0,1∙ 10,1) = 9,21
Общий коэффициент запаса прочности на совместное действие изгиба и кручения:
n = nσ ∙ nτ /[ (nσ)2 + (nτ)2]1/2
n = 1,83∙9,21 /[1,832 + 9,212]1/2 = 1,81
Проверка соблюдения условия прочности:
nmin ≥ [n], где [n] = 1,5..3,5
1,81≥ 1,5
5.2 Тихоходный вал.
Проведем подборку диаметров составляющих вала:
Момент на тихоходном валу:
T2 = T1∙Uред∙ηред = 270∙5,6∙0,97 = 1466,64 Н∙м ≈ 1500 Н∙м
d = (T2∙103/0,2[τ])1/3 = (1500∙103/0,2∙20)1/3 = 72,1 мм.
Выбираем из стандартного ряда чисел:
d = 71 мм
d1 = d1+ (4..5) мм = 75 мм
dп ≥ d2+ (4..5) мм = 80 мм
d2 = dп+ 5 мм = 85 мм
d3 = d2+ 2 мм = 87 мм
d4 = d3+ (6..10) мм = 95 мм
Проведем подборку длин составляющих вала:
L0 = (1,6..2) d = 142 мм
L1 = 20..25 мм = 25 мм
Lп ≈ 0,5 dп = 40 мм
L2 = 10..12 мм = 12 мм
L3 = b1 = 100 мм
L4 = L2 = 12 мм
Тогда:
L = 164 мм
а = 115 мм
Окружная сила
Ft = 2T2∙103/d1 = 2∙1500∙103/71 = 40000 Н
Осевое усилие
Fa = Ft ∙ tg β = 40000 ∙ tg 10,23 = 7219 Н
Радиальная нагрузка
Fr = Ft ∙ tg α / cosβ = 40000∙tg20/cos10,23 = 14794 Н
Построение эпюр:
l
RbA = 0,5∙ Fr + Fa∙d1/2L
RbB = 0,5∙ Fr - Fa∙d1/2L
RbA = 0,5∙14794 + 7219/2∙164 = 7419 Н
RbB = 0,5∙14794 – 7219/2∙164 = 7375 Н
Проверка: RbA + RbB - Fr = 0
7419+7375 - 14794 = 0 Верно.
М1 = RbA∙ L/2
М = RbB ∙ L/2
М1 = 7419∙164/2∙1000 = 608,4 Н∙м
М = 7375∙164/2∙1000 = 604,8 Н∙м
RГА = RГВ = 0,5∙Ft
М2 = Ft∙ L/4
RГА = RГВ = 0,5∙ 40000 = 20000 H
М2 = 40000∙164/4∙1000 = 1640 Н
Проверка: RГА + RГВ - Ft = 0
20000+20000 - 40000 = 0 Верно.
а
RAM = FM∙(L+a)/L
RBM = FM∙a/L
FM = 125 (T2)1/3
FM = 125∙(1500)1/3 = 1430,9 Н
RAM = 1430,9∙(164+115)/164 = 2434,3 Н
RBM =1430,9∙ 115/164 = 1003,4 Н
Мм = FM ∙ а
Мм = 1430,9∙115/1000 = 164,6 Н
Найдем общий момент:
MОБЩ = [(M1)2 + (M2)2]1/2 + 0,5∙Мм
MОБЩ = [(608,4)2 + (1640)2]1/2 + 0,5∙164,6 = 1831,5 Н
Проверочный расчет ведомого вала.
Сталь 40х улучшенная.
Шестерня НВ1 = 270 НВ σв = 900н/мм2, σг =750 н/мм2
Колесо НВ2 = 240 НВ σв = 780н/мм2, σг =540 н/мм2
Коэффициент запаса для нормальных напряжений:
nσ = σ-1/(Kσp∙ σa + ψσ∙ σm),
где σ-1 – предел выносливости гладкого образца при симметричном цикле напряжений изгиба. σ-1 = 410 МПа
σa – амплитуда номинальных напряжений изгиба, σa ≈ МОБЩ/0,1dп3 = 1831,5/0,1∙803 =
= 35 МПа
σm – среднее значение номинального напряжения, σm = 0.
Kσp – эффективный коэффициент концентрации напряжений для детали.
БЕРЕМ ИЗ ТАБЛИЦЫ 3,0
Тогда:
nσ = 410/(3,0∙ 35,77) = 3,82
Коэффициент запаса для касательных напряжений:
nτ = τ-1/(Kτp∙ τa + ψτ∙ τm),
где τ -1 – предел выносливости гладкого образца при симметричном цикле напряжений кручения. τ -1 = 240 МПа
τa – амплитуда номинальных напряжений кручения,
τm – среднее значение номинальных напряжений, τa = τm = 1/2∙τ = 10,1
Kτp – эффективный коэффициент концентрации напряжений для детали.
БЕРЕМ ИЗ ТАБЛИЦЫ 2,3
ψτ = 0,1
Тогда:
nτ = 240/(2,3∙10,1 + 0,1∙ 10,1) = 9,9
Общий коэффициент запаса прочности на совместное действие изгиба и кручения:
n = nσ ∙ nτ /[ (nσ)2 + (nτ)2]1/2
n = 3,82∙9,9 /[3,822 + 9,92]1/2 = 3,56
Проверка соблюдения условия прочности:
nmin ≥ [n], где [n] = 1,5..3,5
3,56 ≥ 1,5
6.Выбор подшипников.
Так как у нас косозубая передача в редукторе, то следует выбрать шариковые радиальные подшипники, которые можно использовать при небольшой
(до 30%) свободной осевой нагрузке.
Выбираем шариковый радиальный однорядный подшипник №112
по ГОСТ 8338-75 для быстроходного вала.
Основные характеристики подшипника средней серии:
Наружный диаметр:
D = 130 мм;
Ширина:
b = 31 мм;
Фаска:
r = 3,5 мм
Базовая динамическая грузоподъемность:
Сr = 92,3кН;
Базовая статическая грузоподъемность:
Соr = 48 кН;
Время работы:
LH = 15000 ч.
Выбираем самую нагруженную опору:
RA = [(RГА)2+ (RbА)2]1/2
RB = [(RГB)2+ (RbB)2]1/2
RA = [49092 + 333,442]1/2 = 4920,3 Н
RB = [49092 + 321,562]1/2 = 4919,5 Н
Значит, самая нагруженная опора А.
FA/ Соr = 1771/48∙103 = 0,036 e = 0,22;
Так как FA/ RA = 1771/4920,3 = 0,36 > e = 0,22 X = 0,56; Y = 1,99
Произведем расчет нагрузки на подшипник:
Fэкв = (X∙V∙FR + Y∙FA) ∙ Kδ∙KT ,где
X – коэффициент восприятия радиальной нагрузки. X = 0,56
Y – коэффициент восприятия осевой нагрузки. Y = 1,99
V – коэффициент, учитывающий вращения кольца по отношению к нагрузке. V = 1.
Kδ – коэффициент безопасности. Kδ = 1,3
KT – температурный коэффициент. KT = 1.
Fэкв = (0,56 ∙1,99 ∙ 4920,3 + 1,99 ∙ 1771) ∙1,3∙1 =11709,7 Н
Определяем базовый расчет ресурса подшипника LH:
LH = 106∙[Cr/ Fэкв]3/60∙n1
n1 = nдв/Uрем = 1460/2,8 = 505 об/мин
LH = 106∙[92300/ 11709,7]3/60∙505 = 16163,1 ч.
Этот ресурс нас удовлетворяет, значит, оставляем этот подшипник.
Выбираем шариковый радиальный однорядный подшипник №216 по ГОСТ 8338-75 для тихоходного вала.
Основные характеристики подшипника легкой серии: Основные характеристики подшипника средней серии:
















