124133 (689849), страница 4
Текст из файла (страница 4)
(2.1.7)
где lб- длина барабана, м;
Н – расстояние между осями подъемного вала буровой лебедки и направляющего шкива кронблока, м.
Принимаем Н примерно равной высоте буровой вышки Н=45 м.
Принимаем lб=1500мм.
2.2 Расчеты на прочность
Расчеты на прочность деталей и узлов лебедки выполняются по тяговому усилию, возникающему при допускаемой нагрузке на крюке, с учетом веса подвижных частей талевого механизма, кратности оснастки и потерь на трение при подъеме.
Определяем наибольший крутящий момент Мкр на подъемном валу лебедки:
(2.2.1)
где N – номинальная приводная мощность лебедки, Вт;
ωб – угловая скорость вращения барабана, с-1.
Принимаем N = 900*103 Вт.
Угловая скорость вращения барабана определится по формуле
(2.2.2)
Зная максимальный диаметр навивки каната на барабане Dк и наибольший крутящий момент Мкр на подъемном валу лебедки можно вычислить натяжение ведущей ветви каната
(2.2.3)
2.2.1 Расчет на прочность барабана лебедки
После выбора конструкции и определения основных размеров, барабана необходим его расчет на прочность. При навивке каната в стенках бочки барабана возникают напряжения сжатия, изгиба и кручения. В связи с тем что осевой и полярный моменты сопротивления сечения барабана большие, напряжения изгиба и кручения, возникающие в стенке барабана, несущественны. Поэтому расчет проводят только по напряжениям сжатия ([1], с.309)
(2.2.1.1)
где Рв - натяжение ведущей ветви каната, Н;
s — толщина стенки бочки барабана, м;
А — коэффициент, зависящий от числа навиваемых слоев и других факторов;
[σсж]-допустимые напряжения сжатия, Па.
Принимаем по аналогии с прототипом s = 80 мм = 0,08 м.
Допустимые напряжения сжатия материала бочки барабана [σсж]=500МПа ([1], табл. 6), считая, что бочка барабана изготовлена из углеродистой стали 30.
При числе слоев навивки К=3 коэффициент А равен([1], с. 309):
(2.2.1.2)
где λ — коэффициент, зависящий от диаметра каната, модуля его упругости Ек и толщины стенки барабана
(2.2.1.3)
где Е = 2,1*105 МПа —модуль упругости стали;
Ек- модуль упругости каната, МПа.
(2.2.1.4)
где а=0,33…0,35 ([1], с.157).
Условие прочности выполняется.
2.2.2 Расчет венца цепного колеса
Рассчитаем и сконструируем ведомое цепное колесо (поз. 1 Приложение А) передачи «тихой» скорости (поз. 3 рисунок 1.4). Посредством этой передачи подъемному валу лебедки сообщаются I, II и III «тихие» скорости.
В передаче применена стандартная приводная роликовая трехрядная цепь по ГОСТ 13568.
Известны числа зубьев звездочек передачи: ведущее колесо z1 = 21, ведомое колесо z2 = 81.
Определяем передаточное число передачи
(2.2.2.1)
Определяем максимальный (на I скорости) крутящий момент на малой звездочке М1
(2.2.2.2)
Частота вращения барабана определится по формуле
Определяем коэффициент эксплуатации цепи
(2.2.2.3)
где kД - коэффициент, учитывающий динамичность передаваемой нагрузки;
kа - коэффициент, учитывающий длину цепи (межосевое расстояние);
kр - коэффициент, учитывающий способ регулировки натяжения цепи;
kн - коэффициент, учитывающий наклон передачи к горизонту;
kс - коэффициент, учитывающий качество смазки передачи и условия ее работы;
kреж - коэффициент, учитывающий режим работы передачи.
Определяем значения коэффициентов:
kД = 1,0 при равномерной нагрузке ([4], табл. 3.3.2);
kа = 0,80 ([4], табл. 3.3.3);
kр = 1,25 для нерегулируемой передачи ([4], табл. 3.3.4);
kн = 1,0 при наклоне линии центров до 600;
kс = 1,0 ([4], табл. 3.3.6);
kреж = 1,45 при круглосуточной работе ([4], табл. 3.3.8).
Определяем предварительно шаг цепи
(2.2.2.4)
где [р]-допускаемое давление в шарнирах, МПа;
m-число рядов цепи.
По ([5], табл. 5.15) принимаем [р]=20 МПа.
Принимаем по ([4], табл. 3.1.1) параметры цепи: шаг цепи tц=38,1 мм, диаметр валика d=11,10 мм, длина втулки B=148,88 мм, разрушающая сила F=381 кН.
Скорость цепи
(2.2.2.5)
Окружное усилие
(2.2.2.6)
Сила, нагружающая подъемный вал
(2.2.2.7)
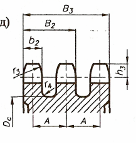
Рассчитываем профиль зубьев звездочки цепного колеса согласно ГОСТ 591-69, как профиль без смещения центров дуг впадин (рисунок 2.1).
Рисунок 2.1 Профиль зубьев без смещения центров дуг впадин.
Диаметр делительной окружности
(2.2.2.8)
Коэффициент высоты зуба по ([4], табл. 3.5.2) к=0,575.
Диаметр окружности выступов
(2.2.2.9)
Радиус впадины
(2.2.2.10)
Диаметр окружности впадин
(2.2.2.11)
Радиус сопряжения
(2.2.2.12)
Половина угла впадины
(2.2.2.13)
Угол сопряжения
(2.2.2.14)
Половина угла зуба
(2.2.2.15)
Радиус головки зуба
(2.2.2.16)
Прямой участок профиля
(2.2.2.17)
Расстояние от центра дуги впадины до центра головки зуба
(2.2.2.18)
Рассчитываем размеры зубьев и венцов цепного колеса (см. рисунок 2.2).
Рисунок 2.2. Размеры зубьев и венца.
Радиус закругления зуба
(2.2.2.19)
Расстояние от вершины зуба до линии центров дуг закруглений
(2.2.2.20)
Диаметр обода наибольший
(2.2.2.21)
Ширина зуба звездочки
(2.2.2.22)
Ширина венца многорядной звездочки
(2.2.2.23)
Остальные размеры венца назначаем конструктивно.
2.2.3 Расчет подъемного вала
Подъемный вал рассчитываем, ориентируясь на размеры вала прототипной лебедки ЛБУ-1100 ([3], с.476) по методике, приведенной в ([3], с.476-477, табл. 1П).
Чертеж вала показан на рисунке Приложения Б.
Схема нагружения подъемного вала и эпюры изгибающих и крутящих моментов см. на рис. 2.3. Величины изгибающих и крутящих моментов приняты пропорциональными величинам, приведенным на эпюрах моментов прототипного вала ([3], рис.21П) и увеличены в соответствии изменением размеров барабана и натяжения ходовой струны каната.
Материал вала по ([3], с.476)-сталь марки 34XН1М, термообработка—до твердости НВ 217—269; механические свойства: предел прочности на растяжение-сжатие σв = 780 МПа; предел прочности на кручение τв = 650МПа.
Приведем подробно расчет для сечения А-А. Проверочный расчет остальных опасных сечений вала сведем в таблицу 2.1.
Примем предварительно диаметр вала в сечении А-А dА-А=280 мм.
Определяем экваториальный момент сопротивления сечения
(2.2.3.1)
где Кх - коэффициент ослабления сечения.
По ([3], табл. III.3) Кх=1,0 как для вала с одним шпоночным пазом.
Рисунок 2.2 Схема нагружения подъемного вала и эпюры изгибающих моментов
Определяем полярный момент сопротивления сечения
(2.2.3.2)
где К0- коэффициент ослабления сечения.
По ([3], табл. III.3) К0=1,0 как для вала с одним шпоночным пазом.
Номинальные напряжения изгиба
(2.2.3.3)
Номинальные напряжения кручения
(2.2.3.4)
Запас прочности при изгибе
(2.2.3.5)
Запас прочности при кручении
(2.2.3.6)
Общий запас на статическую прочность
(2.2.3.7)
Допускаемый запас прочности найдем по ([3], табл. 2П) [S]=3,2.
Принимаем цикл напряжений изгиба симметричным, тогда амплитуда напряжений при изгибе, σа=σ=62,44 МПа, среднее напряжение σm=0.
Принимаем цикл напряжений кручения асимметричным, тогда амплитуда напряжений при кручении τа=τ/2=13,8 МПа, среднее напряжение τm=τ/2=13,8МПа.
Коэффициент концентрации напряжений при изгибе Кσ : от влияния шпоночного паза Кσ = 2,25 ([3], рис. 12П); от влияния напрессовки Кσ=6,15([3], табл. III.1). Принимаем Кσ = 6,15.
Коэффициент концентрации напряжений при кручении Кτ : от влияния шпоночного паза Кτ = 2,15 ([3], рис. 13П); от влияния напрессовки Кτ=4,42([3], табл. III.1). Принимаем Кτ = 4,42.
Коэффициент, учитывающий масштабный эффект Кd =0,52 ([3], рис. III.5).
Коэффициент, учитывающий состояние поверхности Кf=1,15 ([3], рис.III.6).
Коэффициент упрочнения при обкатке роликами Кv=2,2 ([3], табл. III.2).
Коэффициент снижения предела выносливости:
-при изгибе
(2.2.3.8)
-при кручении
(2.2.3.9)
Предел выносливости стали марки 34ХН1М по ([3], табл. III.5):
-при изгибе
(2.2.3.10)
-при кручении
(2.2.3.11)
Коэффициент эквивалентности по ([3], табл. 2П): при изгибе Кэσ=0,5; при кручении Кэτ=0,5.
Коэффициент чувствительности к асимметрии цикла по ([3], табл. III.5): при изгибе ψσ=0,1; при кручении ψτ=0,05.
Запас прочности по переменным напряжениям:
-при изгибе
(2.2.3.12)
-при кручении
(2.2.3.13)
Общий запас прочности по переменным напряжениям
(2.2.3.14)
Допускаемый запас прочности по переменным напряжениям [n]=1,6 ([3], табл. 2П).
Диаметры других участков валов назначаем конструктивно.
Таблица 2.1 Расчет опасных сечений подъемного вала.
| Параметр | Единица измерения | Обоз-начение | Способ определения | Результаты расчета для сечений вала | |||||||||||
| Д-Д | В-В | С-С | Б-Б | ||||||||||||
| 1 | 2 | 3 | 4 | 5 | 6 | 7 | 8 | ||||||||
| Диаметр сечения | 10-3м | d | 220 | 225 | 235 | 270 | |||||||||
| Коэффициенты ослабления сечения: -экваториальный -полярный | - | Кх К0 | По ([2], табл. III.3) | 1,08 1,12 | 1 1 | 1 1 | 1 1 | ||||||||
| Момент сопротивления: -экваториальный -полярный | 10-3м3 | Wи Wк | (2.2.3.1) (2.2.3.2) | 1,128 2,340 | 1,118 2,235 | 1,273 2,547 | 1,931 3,863 | ||||||||
| Изгибающий момент | кН*м | Ми | Рис 2.2 | - | - | 69,7 | 112,3 | ||||||||
| Крутящий момент | кН*м | Мк | Рис 2.2 | 119 | 119 | 119 | 82,4 | ||||||||
| Номинальные напряжения: изгиба кручения | МПа | σ τ | (2.2.3.3) (2.2.3.4) | - 50,85 | - 53,24 | 54,75 46,72 | 58,16 21,33 | ||||||||
| Запас прочности при: изгибе кручении | - | Sσ Sτ | (2.2.3.5) (2.2.3.6) | - 12,78 | - 12,21 | 14,25 13,91 | 13,41 30,47 | ||||||||
| Общий запас на статическую прочность | - | S | (2.2.3.7) | 12,78 | 12,21 | 9,95 | 12,27 | ||||||||
| Допускаемый запас прочности | - | [S] | По ([2], табл. 2П) | 3,2 | 3,2 | 3,2 | 3,2 | ||||||||
| Амплитуда напряжений при: изгибе кручении | МПа | σа τа | - 25,4 | - 26,6 | 54,75 23,4 | 58,16 10,7 | |||||||||
| Среднее напряжение при: изгибе кручении | МПа | σm τm | - 25,4 | - 26,6 | 0 23,4 | 0 10,7 | |||||||||
| Коэффициент концентрации напряжений при изгибе: шпоночный паз напрессовка | - | Кσ | ([2], рис. 12П) ([2], табл. III.1) | - - | - - | - 6,15 | - 6,15 | ||||||||
| Коэффициент концентрации напряжений при кручении: шпоночный паз напрессовка | - | Кτ | ([2], рис. 13П) ([2], табл. III.1) | 2,15 4,42 | - 4,42 | - 4,42 | - 4,42 | ||||||||
| Коэффициент, учитывающий масштабный фактор | - | Кd | ([2], рис. III.5) | 0,52 | 0,52 | 0,52 | 0,52 | ||||||||
| Коэффициент, учитывающий состояние поверхности | - | Кf | ([2], рис.III.6) | 1.15 | 1,15 | 1,15 | 1,15 | ||||||||
| Коэффициент упрочнения от обкатки роликами | - | Кv | ([2], табл. III.2) | 2,2 | 2,2 | 2,2 | 2,2 | ||||||||
| Коэффициент снижения предела выносливости: при изгибе при кручении | - | Ки Кк | (2.2.3.8) (2.2.3.9) | - 4 | - 4 | 5,5 4 | 12,1 4 | ||||||||
| Предел выносливости стали марки 34ХН1М при: изгибе кручении | МПа | σ-1 τ-1 | (2.2.3.10) (2.2.3.11) | 367 211 | 367 211 | 367 211 | 367 211 | ||||||||
| Коэффициент эквивалентности: при изгибе при кручении | - | Кэσ Кэτ | ([2], табл. 2П) | 0,5 0,5 | 0,5 0,5 | 0,5 0,5 | 0,5 0,5 | ||||||||
| Коэффициент чувствительности к асимметрии цикла при: изгибе кручении | - | ψσ ψτ | ([2], табл. III.5) | 0,1 0,05 | 0,1 0,05 | 0,1 0,05 | 0,1 0,05 | ||||||||
| Запас прочности по переменным напряжениям: при изгибе при кручении | - | nσ nτ | (2.2.3.12) (2.2.3.13) | - 4,05 | - 3,87 | 2,44 4,41 | 2,29 9,62 | ||||||||
| Общий запас прочности по переменным напряжениям | - | n | (2.2.3.14) | 4,05 | 3,87 | 2,13 | 2,23 | ||||||||
| Допускаемый запас прочности по переменным напряжениям | - | [n] | ([2], табл. 2П) | 1,6 | 1,6 | 1,6 | 1,6 | ||||||||
3. Особенности монтажа, эксплуатации и ремонта
















