124110 (689832), страница 2
Текст из файла (страница 2)
где
- скорость подачи, согласно паспорту станка (табл. 3. 1), мм/мин,
р=5мм – шаг винта поперечного винт-гайки качения,
i – передаточное число механизма подачи, которое остается между двигателем и исполнительным механизмом.
Принимаем передаточное отношение ременной передачи i=3.
Таблица 2 - Механика привода подач станка 16К20
| Характер подачи | Поперечная подача резцедержателя мм/мин | Продольная подача стола, мм/мин |
| Минимальная | 0,000662 | 0,0000619 |
| Максимальная | 0,3814 | 0,253377 |
| Ускоренная | 1900 | 3800 |
Рассчитаем передаточные числа согласно кинематической схеме механизма подач:
Определим максимальную частоту вращения двигателя, которая необходима для быстрого перемещения органов станка:
- для продольной подачи:
где m, z – модуль и число зубьев колеса в зацеплении с рейкой для продольной подачи;
no – число оборотов колеса, которое передает вращение на рейку.
- для быстрого перемещения продольной подачи:
Таблица 3 - Основные технические характеристики двигателей серии 2ПБВ
Принимаю двигатель 2ПБВ100М с параметрами [2] (табл. 3)
2. Выбор и расчет передачи винт-гайка качения
Свойства передачи. Передача винт - гайка качения обладает свойствами, позволяющими применять ее как в приводах подач без отсчета перемещений (универсальных станков, силовых столов агрегатных станков), так и в приводах подач и позиционирования станков с ЧПУ. Для передачи характерны высокий коэффициент полезного действия (0,8-0,9), небольшое различие между силами трения движения и покоя, незначительное влияние частоты вращения винта на силу трения в механизме, полное отсутствие осевого зазора. Недостатками являются высокая стоимость, пониженное демпфирование, отсутствие самоторможения.
2.1 Выбор винта
Устройство и размеры передачи. Передача состоит из винта 1 (рис. 4. 1), гайки 2, шариков 3 и устройств для возврата шариков (на рисунке не показаны). Обычно применяют передачи с наиболее технологичным полукруглым профилем резьбы. Для снижения контактных напряжений предусматривают rв=rг=(1,03. . . 1,05) r1. Предварительный натяг, повышающий точность и жесткость передачи, создают осевыми проставками между гайками, винтами, сдвоенной дифференциальной гайкой.
За номинальный размер передачи принимают диаметр d0 условного цилиндра, на котором расположены центры шариков. Размеры передачи по ГОСТ 25329 - 82 приведены в табл. 4.1.
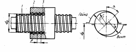
Рис. 2.1. Схема передачи винт-гайка качения.
Для заданного шага р=5мм выбираю винт с d0=32 мм.
Таблица 4 - Основные и присоединительные размеры винтов
2.2 Выбор гайки
Принимаю передачу с двумя гайками, снабженными зубчатыми венцами. В шарико-винтовой механизм входят винт 2 (рис. 4. 2), две гайки 4 и 6, комплект шариков 5, корпус 1.
Устройства для возврата шариков 3 выполнены в виде вкладышей, вставленных в три окна каждой гайки. Вкладыши соединяют два соседних витка винтовой канавки, сдвинуты друг относительно друга в осевом направлении на один ее шаг и разделяют шарики в каждой гайке на три циркулирующие группы. Для тонкого регулирования натяга гайки снабжены зубчатыми венцами на фланцах, которые входят во внутренние зубчатые венцы корпуса. На одном фланце число зубьев на единицу больше, чем на другом. Если венцы обоих фланцев вывести из корпуса, повернуть гайки в одну сторону на одинаковое число зубьев (на неравные углы) и снова соединить зубчатые венцы, можно благодаря небольшому осевому сближению профилей резьбы гаек создать заданный натяг.
В этом механизме, как и в других с возвратом шариков через вкладыши, рабочее число шариков в одном витке
расчетное число шариков в одном витке
где
= 0,7. . . 0,8 - коэффициент, учитывающий погрешности изготовления резьбы винтового механизма.
Рис. 2.2. Передача с двумя гайками, снабженными зубчатыми венцами.
2 3 Способы смазывания шарико-винтового механизма и защиты от загрязнений
Для смазывания шарико-винтового механизма применяют жидкий или пластичный смазочный материал. Масло типа индустриального подводится к корпусу, в котором установлены гайки. Используется смазывание следующих видов: капельное, порционное, циркуляционное, масляным туманом. Пластичный смазочный материал типа солидола применяется, когда при использовании жидкого возникают затруднения; в небольшом объеме его закладывают в винтовые канавки гайки. Эффективны масла с противозадирными присадками, особенно в связи с тем, что в каналах возврата имеет место трение скольжения.
Для предохранения винтов от загрязнения применяют защитные устройства в совокупности с устройствами уплотнения и очистки. Защитные телескопические трубки с уплотнениями, имея значительные габариты, могут быть использованы только при увеличении длины винта. Гармоникообразные меха хорошо защищают винт и не занимают много места. Короткие винты могут быть защищены стальными лентами, свернутыми в спираль,
Хорошо очищает винт охватывающая его фетровая или войлочная втулка с резьбой по внутренней поверхности (рис. 4. 3 a), однако при изнашивании она хуже выполняет свои функции. При использовании втулки из нейлона возникает меньшая сила трения в контакте с винтом и втулка меньше шаржируется твердыми частицами.
Скребки-щетки, предназначенные для очистки винта (рис. 4. 3 б, в), следует устанавливать так, чтобы их можно было заменять без разборки узла в целом.
Резьбовые кольца из синтетического материала, жестко соединенные с гайкой, уплотняют шарико-винтовой механизм у противоположных ее торцов и хорошо очищают винт, однако эти свойства ухудшаются при износе колец. В устройстве, изображенном на рис. 4. 4 а), у каждого торца гайки помещено по два кольца (рис. 4. 4 б, в), изготовленных из фторопласта и имеющих на внутренней поверхности винтовой профиль (рис. 4. 4 г). Кольцо 3, называемое неподвижным, с помощью упора 1, входящего в имеющийся на нем паз, удерживается от поворота относительно гайки 4. Кольцо 2 увлекается вращающимся винтом передачи до тех пор, пока оно не войдет в контакт с неподвижным кольцом. Благодаря этому у торца гайки, где винт ввинчивается в нее, возникает контакт с натягом между винтовыми профилями колец и винта. При изменении направления его вращения такой же контакт возникает у противоположного торца гайки. Износ колец не влияет на качество работы устройства. Для отвода загрязнений в кольцах предусмотрены наклонные пазы.
Рис. 2.3. Устройства для предохранения шарико-винтового механизма от загрязнения.
2.4 Расчет передачи винт-гайка качения
Исходные данные и цель расчета. Передача винт - гайка качения выходит из строя в результате усталости поверхностных слоев шариков, гайки и винта, потери устойчивости винта, износа элементов передачи и снижения точности. Возможными причинами выхода ее из строя являются: слишком большая нагрузка на винт, низкая расчетная долговечность, значительный относительный перекос винта и гайки, неудовлетворительная защита от загрязнений. Цель расчета передачи состоит в определении номинального диаметра винта d0 и в подборе по каталогу такой передачи, которая удовлетворяла бы всем требованиям к работоспособности.
Исходные данные для расчета передачи - длина винта, его наибольшая расчетная длина, способ установки винта на опорах, ряд значений осевой нагрузки на передачу, ряд частот вращения винта (гайки). Крутящий момент на ходовом винте, Н*м:
,
где М - крутящий момент на валу двигателя;
- КПД цепи от двигателя к винту;
i - передаточное отношение этой цепи.
Окружная сила на радиусе резьбы, Н:
,
Осевая сила, действующая на винт, Н:
где
- угол подъема резьбы;
Рис. 2.5. Основные размеры передачи ВГК с двумя гайками в круглом корпусе.
Таблица 5 - Основные размеры (мм) передачи ВГК
| d0 | p | D | D1 | D2 | d | d1 | d2 | L1 | b | b1 |
| 32 | 5 | 60 | 95 | 75 | 14 | 9 | 5,8 | 80 | 16 | 8 |
р=arctgf - угол трения (f-коэффициент трения качения, f=(57. . . 85) ×10-5).
,
Н
Предельно допустимая нормальная статическая нагрузка на один шарик. Эту нагрузку (Н) определяют по зависимости:















