124109 (689831), страница 3
Текст из файла (страница 3)
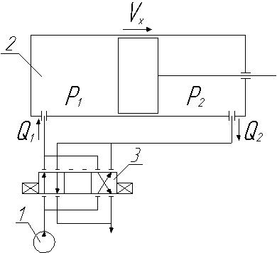
р1= рпит=0,4МПа.
Примем установившееся значение скорости движения поршня Vx равным 0,3 м/с. Значение давления в полости р2 при этом будет 0,35 МПа.
Требуемые расход также можно найти по формуле:
, (2.2)
где Sц – площадь цилиндра, м3;
Ратм – атмосферное давление, 0,1 МПа.
Площадь цилиндра Sц определяется по формуле:
. (2.3)
Из формул 2.2 и 2.3 получим выражение для расчета условной площади дросселя Sдр:
, (2.4)
.
Рисунок 10 – Принципиальная схема управления пневмоцилиндром
2.3 Разработка математической модели механики пневмопривода
Математической моделью механики пневмопривода является дифференциальное уравнение, составленное по принципу Даламбера:
, (2.5)
где m - масса подвижной части, 50 кг;
Кж.тр. – коэффициент жидкостного трения поршня о цилиндр, (Н·м)/(м·с-1);
Sп – площадь поршня, 0,015м2;
Р1, Р2 – давление в левой и правой полостях соответственно, МПа;
Fс.тр. – сила сухого трения в уплотнениях пневмоцилиндра, Н;
Fтех. – технологическая сила – сила трения подвижной части привода о стальную поверхность, Н.
Коэффициент жидкостного трения поршня о цилиндр Кж.тр определяется по формуле:
, (2.6)
где
.
.
Сила сухого трения в уплотнениях пневмоцилиндра Fс.тр определяется по формуле:
, (2.7)
где dшт – диаметр штока, м;
.
Диаметр штока принимаем равным 20% от диаметра поршня:
.
По формуле 2.7 получаем:
.
Сила трения подвижной части привода о стальную поверхность Fтех. находим из выражения:
, (2.8)
где k – кэффициент трения стали о стальную поверхность, 0,1;
m - масса подвижной части, 50 кг.
Находим Fтех.:
.
Пусть
, тогда уравнение 2.5 примет вид:
. (2.9)
Преобразовав по Лапласу выражение 2.9 имеем:
.
Получаем передаточную функцию механики привода W(s):
. (2.10)
Структурная схема S-модели механики пневмопривода изображена на рисунке 11.
Рисунок11 – S-модель механики пневмопривода
2.4 Разработка математической модели состояния воздуха в полостях пневмоцилиндра
Математическая модель состояния воздуха описывается адиабатой:
. (2.11)
где р – давление в полости, МПа;
V – объем полости, м3.
Принимаем произведение
пропорциональным массе воздуха в полости:
. (2.12)
Для определения пропорциональности k берем 1м3 воздуха при атмосферном давлении. Тогда выражение 2.12 примет вид:
.
Следовательно:
.
Для разработки математической модели необходимо рассмотреть состояние воздуха в левой и правой полости.
| Левая полость | Правая полость |
|
где V01 – начальный объем полости, 1,6956·10-4м3. |
где V02 – начальный объем полости, 24,6898·10-4м3. |
| С учетом уравнения массового расхода
масса воздуха определяется по формуле: | |
|
|
|
На рисунках 12, 13 приведены S-модели состояния воздуха в левой и правой области соответственно.
Рисунок 12 – S-модель состояния воздуха в левой полости пневмопривода
Рисунок 13 – S-модель состояния воздуха в правой полости пневмопривода
2.5 Разработка математической модели аэромеханики пневмопривода
Математическая модель аэромеханики пневмопривода выражается уравнениями гидродинамики для двух полостей. Выражение 2.13 определяет массовый расход Qm1 воздуха в левой полости, выражение 2.14 – массовый расход Qm2 в правой полости.
. (2.13)
. (2.14)
Из выражений 2.13, 2.14 видно, что входной величиной для моделей аэромеханики воздуха в полостях пневмоцилиндра является давление в соответствующих областях, а выходной – массовый расход в соответствующих областях.
На рисунках 14, 15 приведены S-модели аэромеханики соответственно для левой и правой полости.
Рисунок 14 – S-модель аэромеханики в левой полости пневмопривода
Рисунок 15– S-модель аэромеханики в правой полости пневмопривода
2.6 Разработка схемы модели пневмопривода в приложении Simulink
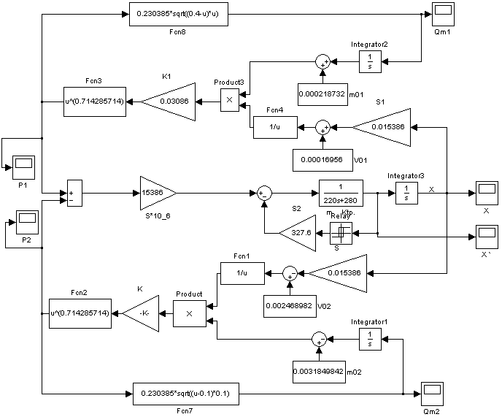
Рассчитанные в пунктах 2.3, 2.4 и 2.5 данной работы модели для получения общей математической модели пневмопривода следует собрать в одну систему. При разработке модели всего привода пользуемся приложением Simulink пакета программ MATLAB.
На рисунке 23 приведена общая схема S-модели пневмопривода.
Рисунок 16 - Общая схема S-модели пневмопривода
2.7 Результаты моделирования и идентификация математической модели пневмопривода для САУ
Результаты моделирования представим в виде графиков.
На рисунке 17 приведен график зависимости перемещения поршня цилиндра от времени до достижения им крайнего правого положения (x=h=200мм).
На рисунке 18 показано изменение скорости поршня пневмоцилиндра за время движения к крайнему правому положению.
На рисунках 19, 20 отображена зависимость изменения величины давления воздуха соответственно в левой и правой полостях пневмоцилиндра.
На рисунках 21, 22 представлены графики расхода воздуха в левой и правой полостях цилиндра соответственно.
Рисунок 17 - График зависимости перемещения поршня от времени
Рисунок 18 - Изменение скорости поршня пневмоцилиндра
Рисунок 19- Зависимость изменения величины давления в левой полости
Рисунок20 - Зависимость изменения величины давления в правой полости
Рисунок 21 - График расхода воздуха в левой полости
Рисунок22 - График расхода воздуха в правой полости
Идентификацию пневмоцилиндра как объекта регулирования проводим по графику перемещения поршня.
Передаточную функцию цилиндра принимаем:
, (2.15)
Подбираем параметры Коб и Тоб так, чтобы полученная функция наиболее точно совпадала с графиком перемещения поршня, полученным при разработке математической модели пневмоцилиндра. Воспользуемся возможностью приложения Simulink создания подсистем для уменьшения визуального представления математической модели цилиндра. На рисунке 23 представлена S-модель идентификации математической модели пневмопривода для САУ.
Рисунок 23 - S-модель идентификации ММ пневмопривода
Окончательно передаточная функция цилиндра принимает вид:
.
На рисунке 24 показаны два графика математических моделей, рассчитанной и принятой в результате идентификации.
На рисунке 25 приведен график невязки двух рассматриваемых моделей. Из него следует, что полученная в результате идентификации модель может быть принята как передаточная функция объекта, так как разница между принятой и рассчитанной моделями не превышает 5% от максимального значение перемещения поршня x
.
Рисунок 24 – Графики рассчитанной и принятой математических моделей
Рисунок 25 - график невязки двух рассматриваемых моделей
Для осуществления автоматического управления рассматриваемым пневмоприводом необходимо определить параметры датчиков, которые будут использованы в системе.
Для САУ пневмопривода требуются два датчика: перемещения и скорости, с коэффициентами усиления сигнала Кx и Кx` соответственно. Для их определения примем все управляющие аналоговые сигналы равными в диапазоне от –1 до +1В.
Коэффициент усиления датчика перемещения Кx определим по формуле:
, (2.16)
.
, (2.17)
.
Заключение
В результате выполнения данной работы была проведена разработка электромеханического привода главного движения станка 1П756ДМ и пневматического привода переключения скоростей шпинделя станка 1740РФ3, были получены математические модели вышеперечисленных систем как объектов управления САУ, рассчитаны параметры датчиков, необходимых для осуществления автоматизированного управления.
Список использованных источников
-
Металлорежущие станки /Под ред.В.Э.Пуша. --М.: Машинострое-ние, 1985.-468с.
-
Коловский М.З. Динамика машин .- Л.: Машиностроение, 1989.- 288с.
-
Решетов Д.Н., Портман В.Т. Точность металлорежущих станков.-М.: Машиностроение, 1986.-386с.
-
Ривин Е.И. Динамика приводов станков. - М.: Машиностроение, 1966.- 203 с.
-
Программа дисциплины и методические указания к выполнению курсовой работы по дисциплине "Технические средства автоматизации" для студентов специальности 2102 - Автоматизация технологических процессов и производств для студентов очной и заочной формы обучения/Кубан. гос. технол. ун-т. Сост.: Ю.Е. Кичкарь, Краснодар, 2005. - 47 с.
.
.















