177794 (689805), страница 2
Текст из файла (страница 2)
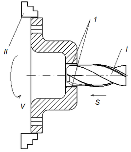
I – трёхкулачковый патрон; II– спиральное сверло; 1 – отверстие Ø20
-
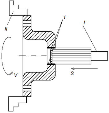
Зенкерование отверстия Ø20
Для повышения точности и уменьшения шероховатости внутренней поверхности проводят операцию зенкерования.
I – зенкер; II – трёхкулачковый патрон;
1 – зенкерование отверстия.
-
Развёртывание отверстия Ø20
Для достижения точности Ø20+0,025 применяют развёртывание – окончательную обработку цилиндрического отверстия.
I – трёхкулачковый патрон; II – развёртка; 1 – развёртываемая поверхность.
-
Обработка заготовки на вертикально-сверлильном станке 2С132
Для получения отверстий под нарезание резьбы М8 воспользуемся вертикально-сверлильном станке. Для закрепления заготовки на станке будем использовать прижимные планки.
I – сверло спиральное; II – прижимные планки; 1 – сквозное отверстие Ø6,70.
-
Нарезание резьбы М8
Нарезку резьбы проведём на вертикально-сверлильном станке. Рабочим инструментом в данном случае будет метчик. Деталь закрепляется на рабочем столе с помощью прижимных планок
I – метчик для нарезки резьбы М8; II – прижимные планки; 1 – нарезание резьбы сквозного отверстия.
-
Обработка заготовки на фрезерном станке 6К81Г
Для получения лыски заготовку фрезеруют одноугловой фрезой на горизонтально-фрезерных станках. Для получения шероховатости Ra 1,25 применяют чистовое фрезерование
I – фреза; II – прижимные планки; 1 – фрезерование лыски.
-
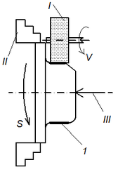
Обработка заготовки на круглошлифовальном станке
I – шлифовальный круг; II – трёхкулачковый патрон; III – центр; 1 – шлифуемая поверхность.
-
Контроль размеров детали
Средства контроля выбираются в зависимости от типа производства. Так для еденичного типа характерны универсальные средства: штангенциркуль, микрометр и др. Для массового типа применяют специальные средства: калибр-пробка и калибр-скоба. В серийном производстве в зависимости от процента контроля могут применяться как те, так и другие мерительные средства.
Для данной детали контролю подлежит внешняя цилиндрическая поверхность Ø60, сквозной отверстие Ø20 и биение поверхности цилиндрической поверхности Ø60 относительно поверхности отверстия Ø20.
Исходя из исходно заданной партии 2000 штук, в качестве контроля размеров будем применять: резьбовую калибр-пробку, калибр-пробку, калибр-скобу и биениеметр.
I – микрометрический щуп; II – индикатор; III – стойка индикатора; IV – вращающийся стол; V – основание; 1 – деталь.
Заключение
В данном курсовом проекте были рассмотрены несколько способов получения заготовок и найден наиболее эффективный – способ холодной листовой штамповки. Разработан технологический процесс обработки заготовки. Должным вниманием был охвачен контроль качества детали, проводимый резьбовой калибр-пробкой, калибр-пробкой, биениеметром и калибр-скобой, так как партия изготовления деталей 2000 штук.
Литература
-
Дальский А.М. Технология конструкционных материалов / Дальский А.М, Арутюнова И.А. и др. Москва, 1990 - 570 с.
-
Технология обработки материалов: сборник заданий к курсовой работе./ А.В. Щурова. - Челябинск: ЮУрГУ, 2007.
-
Поляков Ю.Л. Листовая штамповка легированных сплавов. – М.: Машиностроение, 1980. – 96 с.
-
Мещерин В.Т. Листовая штамповка. Атлас схем. Учебное пособие для вузов. М.: Машиностроение. 1975.
-
Козловский Н.С. Основы стандартизации, допуски, посадки и технические измерения. / Н.С. Козловский, А.Н. Виноградов. – М.: Машиностроение. 1982. – 284 с.















