124044 (689776)
Текст из файла
ГОУ ВПО
Якутский государственный университет им М.К.Аммосова
Инженерно-технический факультет
Кафедра ПСМиК
Пояснительная записка
К курсовому проекту по дисциплине:
Теплотехника и теплотехническое оборудование предприятий строительной индустрии
На тему:
Разработка тепловой установки для ТВО бетона
Выполнила:Ст.гр.ПСМиК-06
Решетова Е.А.
Проверил:Турунтаев Г.Г.
Якутск,2009г.
Содержание
Введение
1 Устройство и принцип работы автоклава
2 ТВО бетона при избыточном, по сравнению с атмосферным, давлением. Автоклав
3 Технологический расчет
4 Теплотехнический расчет
5 Расчет подачи пара(теплоносителя)
6 Технико-экономические показатели
7 Автоматизация тепловой обработки изделий
8 Охрана труда и техника безопасности
Использованная литература
Введение
Железобетонные конструкции являются базой современной строительной индустрии. Их применяют: в промышленном, гражданском и сельскохозяйственном строительстве -для зданий различного назначения; в транспортном строительстве- для метрополитенов, мостов ,туннелей: в энергетическом- для гидроэлектростанций, атомных реакторов, и т.д.Такое широкое распространение в строительстве железобетон получил вследствие многих его положительных свойств: долговечности, огнестойкости, стойкости против атмосферных воздействий, высокой сопротивляемости статическим и динамическим нагрузкам и др.
Эффективность применения бетона в современном строительстве в значительной мере определяется темпами производства железобетонных изделий. Ускорение твердения бетона приобретает особое значение при изготовлении изделий в заводских условиях, так как благодаря сокращению сроков изготовления достигается максимальное использование производственных площадей, повышение оборачиваемости форм и другого дорогостоящего оборудования. Решающим средством ускорения твердения бетона в условиях заводской технологии производства является тепловая обработка.
Процесс тепловой обработки занимает 70-80% времени всего цикла изготовления.
На заводах сборного железобетона применяются различные установки ускоренного твердения бетона. Повышение эффективности работы этих установок является важнейшим мероприятием по увеличению выпуска продукции.
Немаловажное значение имеет также сокращение удельных расходов тепла на тепловую обработку бетона. Большие удельные расходы тепла вызывают на многих предприятиях перебои в работе, особенно в зимнее время.
В связи с этим приобретают большое значение исследование теплотехнических характеристик установок для тепловой обработки изделий.
Тепловая обработка оценивается по прочности достигнутой ко времени ее окончания в процентах от прочности того же бетона в 28-суточном возрасте нормального твердения. Эффективность такой обработки зависит от выбора исходных материалов и состава бетона, а также от принятого режима обработки.
1 Устройство и принцип работы автоклава
Тепловлажностная обработка изделий под давлением выше атмосферного осуществляется в автоклавах. Эти установки(тупиковые с одной крышкой или проходные с двумя) представляют собой герметично закрывающиеся стальные сосуды цилиндрической формы диаметром 2,2-3,6 м и длиной 15-30 м.
Автоклав устанавливают на опорах позволяющих ему удлинятся при нагревании. Пар подеется через штуцер к перфорированной трубе, размещенной внутри автоклава. конденсат удаляют через спускной клапан. Внутри автоклава проложен рельсовый путь, а который вкатывают вагонетки с пропариваемыми изделиями.
Во избежание больших тепловых потерь в окружающую среду все внешние поверхности автоклава покрывают тепловой изоляцией, что способствует интенсификации самого технологического процесса и, кроме того, является одним из важнейших мероприятий по охране труда.
Следует иметь ввиду, что температура, создаваемая в автоклаве, зависит не от общего давления в нем, а только от парциального давления пара, поэтому присутствие воздуха в автоклав является вредным. При уменьшении температуры насыщения воздух обычно отсасывают путем вакуумирования.
Особенность тепловой обработки в автоклавах- сохранение воды в жидкой фазе при давлении насыщенного пара 0,9-1,3 МПа и температуре около 160-180оС. Это создает благоприятные условия как для значительного ускорения твердения, так и для образования новых фаз и соединений в бетоне.
Основная составляющая цементирующего вещества, определяющая прочность, гидросиликаты и, в меньшей степени, гидроалюминаты и гидроферриты кальция. В зависимости от технологических факторов составы этих соединений могут меняться.
Для предотвращения деструктивных процессов на ранней стадии твердения бетона применяют режимы с быстрым подъемом температуры до 1-2 ч., которые обеспечивают создание избыточного давления паровоздушной среды (0,03-0,05МПа) в автоклаве в начальный период запаривания, когда происходит обжатие бетона паровоздушной средой, что предотвращает развитие в нем деструктивных процессов в начальной стадии твердения.
Избыточное давление создается либо подачей пара в герметически закрытый авоклав, либо подачей пара при открытых вентилях для выпуска воздуха и конденсата. При создании избыточного давления посредством подачи пара вв герметически закрытый автоклав из-за снижения температуры запаривания на 5-7 оС по сравнению с отсутствующей температурой среды чистого насыщенного пара максимальное давление в автоклаве при изотермической выдержке увеличивает на 0,1-0,25 МПа. Избыточное давление посредством подачи пара при открытых вентилях для выпуска воздуха и конденсата создается через 10-15 мин после продувки автоклава.
Для предотвращения осадки бетонной смеси за счет создания избыточного давления на ранней стадии твердения пластическая прочность бетона перед запариванием должна быть не менее 0,35 МПа.
Продолжительность изотермической выдержки назначают с учетом времени, необходимого для полного прогрева изделия, и для взаимодействия вяжущего с кремнеземистым компонентом, обеспечивающим максимальную прочность изделия по всему сечению.
Продолжительность третей стадии запаривания устанавливают в зависимости от толщины изделий, вида и плотности бетона.
2 ТВО бетона при избыточном по сравнению с атмосферным, давлением. Автоклав
Исследования показали, что избыточное давление в период твердения бетона оказывает большое влияние на его строение и прочность. Прочность бетона, прогреваемого в формах под давлением 0,25 МПа, выше, чем в закрытых формах в 1,5 раза.
Механическое обжатие бетона 0,005-0,01 МПа позволяет сократить цикл ТВО и увеличить прочность ,даже жесткие металлические формы способны противостоять температурные и влажностные расширения бетона, улучшая его механические показатели, поэтому наблюдается тенденция использования избыточного давления в период ТВО ,не только для получения силикатных и легких бетонов, но и для ТВО тяжелого бетона.
Если любой бетон поместить в герметичную установку, и провести ТВО паром, то в нем, как и при ТВО в установках с атмосферным давлением, будет идти процессы тепло- и массо- обмена.
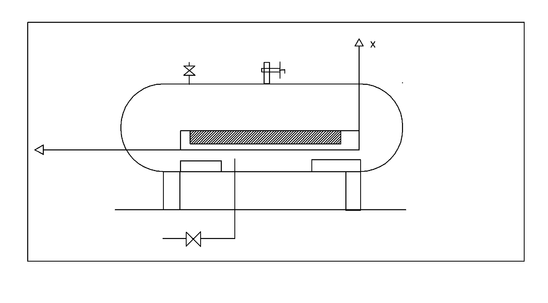
Возьмем полностью герметичную установку 1,поместим в нее изделие 2 в стальной форме.
Рис 1.Система герметичной установки автоклава
Установим оборудование подачи пара 3,систему отвода конденсата 4,систему вакуумирования 5,вентиль на системе 6,и предохранительный клапан 7,защищающий2 установку от развития в ней сверхдопустимого давления.
В такую установку можно, закрывая вентиль на системе отбора воздуха, подать пар по системе 3 необходимое избыточное давление 1-1,2 МПа, тогда пар будет поступать в установку в которой уже находится воздух ,общее давление Ру начнет возрастать. В любой момент она будет складываться из парциального давления пара Р’п и парциального давления воздуха Рв’,в соответствии с ростом давления в установке будет увеличиваться и температура ,т.к. температура пара внутри установки для данного случая представляет собой функцию его парциального давления tп=f(Р’п).Пар конденсируется на материале ,отдает теплоту материалу ,нагревая открытую поверхность и создает пленку конденсата ,одновременно нагревается и форма.
Рассмотрим этот процесс на неограниченной пластине с координатами Х и Y.
Поверхность материала будет нагреваться несколько больше чем днище формы и температурное поле в пластине распространится по неравнобочной гиперболе, если его отложить на оси У в выбранном масштабе. Из-за неравномерности температурного поля ∆Т1 и ∆Т2 вызывающие частные потоки массы qmt1 и qmt2 в следствии термообработки.
Материал увлажняется под действием частного потока массы qmt1 от пленки конденсата ,толщиной δ ,а у днища формы влага передвигается к центру изделия за счет частного потока массы qmt2 , в результате поле влагосодержания U принимает характер восходящей параболы из-за образовавшегося градиента влагосодержания ∆U возникает частный поток массы qmv.
Если рассмотреть поле температур и влагосодержания по сечению пластины и сравнить с процессом нагрева в открытой форме, помещенной в установку с атмосферным давлением, то можно заметить их идентичность .Однако ,в силу увеличения разности температур в установке, с давлением 1-1,2 МПа, свежезагруженной материалов и паро-воздушкой смесью, перепады температур и влагосодержания значительно выше. Следовательно в изделии, вследствие увеличения периодов температур и влагосодержания при температурном расширении слоев и при набухании слоев из-за увеличения перепада влагосодержания возникает идентичное по форме, но значительно большее напряженное состояние. Однако, в рассмотренной установке на открытую поверхность бетона действует избыточное давление, которое вместе со стенками и днищем формы ,обжимает бетон в процессе нагрева и позволяет получить лучшую структуру и повысить качество изделий.
Рис 2.Схема распределения темпартур,влагосодержания и давления для периода нагрева в установке с избыточным давлением по сравнению с атмосферным
1-материал,2-днище формы,3-пленка конденсата толщиной δ
U,T,P-кривые распределения влагосодержания,температур и давления соответственно
∆U,∆T,∆P-направление векторов градиентов
qmt,qmv,qmp-частные потоки массы
Рассмотрим воздействие избыточного давления, образующегося внутри материала ,на внутренний тепло- и массо-обмен. По указанной ранее причине в материале возникает избыточное давление ,пропорциональное температуре материала в каждой точке поперечного сечения. Если при атмосферном давлении в установке, это давление на поверхности релаксировалось,т о в данном случае с поверхности на материал и через неплотности в днище будет действовать значительно большее избыточное давление чем внутри материала, поэтому релаксации не будет, а скорее наоборот, давление в материале будет несколько выше чем в процессе нагрева ,поэтому считается что кривая Р будет аналогом кривой Т, соответственно ∆Р1 и ∆Р2 обуславливают возникновение частных потоков массы qmp1 и qmp2 направленных к центру изделий.
Сравнивая сумму частных потоков массы можно отметить, что в установке работающей с избыточным давлением у днища формы бетон должен характеризоваться меньшим влагосодержанием, чем в установке работающей при атмосферном давлении.
Обработанный бетон при избыточном давлении имеет лучшую структуру и более высокие прочностные показатели.
Избыточное давление компенсирует нарушения структуры, возникающие из-за большой неравномерности влагосодержания.
Для повышения температуры и коэффициента теплоотдачи к материалу в установке, работающей на избыточном давлении, применяют вакуумирование или продувку. и тот и другой методы рассчитаны на удаление воздуха и получения среды чистого пара.В этом случае достигается более высокая температура и больший коэффициент теплоотдачи к материалу при одном и том же давлении.
Процесс вакуумирования выглядит так: после загрузки, установку герметизируют и включают вакуум-насос, вакуумирует воздух до достижения 70-75% полного вакуума в течении 10-15 мин.При этом кроме воздуха из установки, удаляется и часть воздуха из бетона, что позволяет получать изделия с более плотной структурой, подача пара с парциальным давлением, позволяет обжать бетон, и также улучшить его прочностные показатели.
Продувка установки выглядит так: после загрузки установку не герметизируют, оставляют открытой дверь или гидравлический затвор,
Начинают подавать пар, который смешивается с воздухом, образуя паро-воздушную смесь. Свежие порции пара постепенно вытесняют ее и температура в определенный момент при атмосферном давлении достигает 100оС.После этого установку полностью герметизируют, подача пара продолжается и достигает заданного значения.
Продувка позволяет увеличить температуру больше чем вакуумирование, т .к. из установки удаляется весь воздух, однако, длится она 1-2 ч при нагреве до 100оС именно тогда когда бетон нуждается в обжатии.
Во время изотермической выдержки, вследствие уравнивания температурного поля и поля влагосодержания, происходит ослабление напряженного состояния при охлаждении из автоклава сбрасывается пар, давление падает температура снижается. Понижение температуры приводит к охлаждению материала, сопровождающегося испарением влаги.
В материале возникают перепады ∆Т и ∆U,а по мере приближения давления к атмосферном возникает ∆Р.Эти градиенты вызывают частные потоки массы, направленные к поверхности аналогичны процессу в камере, где ТВО ведется насыщенным паром.
Характеристики
Тип файла документ
Документы такого типа открываются такими программами, как Microsoft Office Word на компьютерах Windows, Apple Pages на компьютерах Mac, Open Office - бесплатная альтернатива на различных платформах, в том числе Linux. Наиболее простым и современным решением будут Google документы, так как открываются онлайн без скачивания прямо в браузере на любой платформе. Существуют российские качественные аналоги, например от Яндекса.
Будьте внимательны на мобильных устройствах, так как там используются упрощённый функционал даже в официальном приложении от Microsoft, поэтому для просмотра скачивайте PDF-версию. А если нужно редактировать файл, то используйте оригинальный файл.
Файлы такого типа обычно разбиты на страницы, а текст может быть форматированным (жирный, курсив, выбор шрифта, таблицы и т.п.), а также в него можно добавлять изображения. Формат идеально подходит для рефератов, докладов и РПЗ курсовых проектов, которые необходимо распечатать. Кстати перед печатью также сохраняйте файл в PDF, так как принтер может начудить со шрифтами.















