123934 (689721), страница 3
Текст из файла (страница 3)
θвх – кут «входу» різальної кромки в різанні;
θвих – кут «виходу» різальної кромки в різанні.
Тоді довжина контакту,чи умовно глибину фрезерування визначаємо за формулою
[13]
Рахуючи,що в основі процесу різання різними інструментами покладені одні й ті ж закономірності, можна поширити деякі дослідні дані по циліндричному фрезеруванні на процес зубофрезерування і вивести якісні показники, які б характеризували завантаження різних точок вершинних різальних кромок черв`ячних фрез.
Завантаження рахуємо рівномірним в тому випадку,якщо в кожній точці вершинної різальної кромки зношення Δ будуть одинакові,тобто якщо для кожної точки кромки зберігається умова Δ = сonst.
Ця умова зв’язує параметри v,t,a,і в першому приближенні записується так:
[14]
де
;
τ – час роботи фрези.
Показники степенів в рівнянні (14)
,
,
при відомих механічних характеристиках оброблюваного матеріалу приймаються рівними відповідним емпіричним коефіцієнтам для випадку циліндричного фрезерування.
Оцінка конічних і стандартних циліндричних фрез і їх порівняння проводиться по двом узагальненим критеріям:
-
коефіцієнту підвищення стійкості;
-
коефіцієнту нерівномірності завантаження.
Коефіцієнтом нерівномірності завантаження в досліджуваній точці різальної кромки фрези названо відношення
[15]
де
- знос у випадковій точці вершинної різальної кромки при заданому часу роботи;
- Максимальне зношення при тому ж часі роботи.
Черв’ячна зуборізна фреза,у якої коефіцієнт φ,визначений для різних точок вершинної різальної кромки,ближче до одиниці,більше раціонально завантажена.
Відношення максимального зносу досліджуваної фрези до максимального зносу стандартної циліндричної фрези при однаковому режимі роботи названим коефіцієнтом підвищення стійкості
[16]
де
- максимальне зношення для стандартного інструменту;
- максимальне зношення для нової конструкції.
3.3 Проведення розрахунків
На основі отриманих залежностей для визначення елементів режиму різання проводився розрахунок завантаження різних точок вершинних різальних кромок, розташованих в зоні контакту з матеріалом заготовки,конічних і стандартних циліндричних черв`ячних фрез. При цьому вибирались наступні значення параметрів: модуль фрез m = 3.5 мм; кут встановлення ψ = 3°20΄;число зубців оброблюваного колеса zk = 120;кути нахилу початкового конусу конічних фрез ε = 10° і ε = 20°.
На рис.3.2 графічно зображені результати розрахунків.
3.4 Аналіз отриманих результатів
Для вибраних вихідних параметрів маємо:
-
при використанні конічних фрез пере розподілення завантаження за рахунок зміни елементів режиму різання(товщина зрізу, довжина контакту, і головне зміна швидкості різання), що призводить до більш рівномірного зношення конічних фрез в порівнянні зі звичайними;
-
для конічної фрези при ε = 10° коефіцієнт підвищення стійкості k = 1.56,а при ε = 20° k = 1,6;
-
збільшення кута нахилу початкового конусу призводить до збільшення довжини активної частинки вершиннях різальних кромок.
Аналіз завантаження циліндричних і конічних фрез при обробці зубчастих коліс з відносно невеликим числом зубців (zk = 40) показав, що в цьому випадку конічні фрези не забезпечують надто великої стійкості.
Щоб провірити правильність запропонованої методики оцінка ефективності нових конструкцій зуборізних фрез,проводилось експериментальне дослідження. Досліди по визначенні зношення проводились при нарізанні прямозубих зубчастих коліс m = 3,5мм з числом зубців zk = 120 з хромонікелевої сталі 40ХН стандартними циліндричними зуборізними фрезами по ГОСТ 9324-60 і експериментальними конічними фрезами з кутом ε = 10° з зустрічним напрямком подачі. Результати експерименту на рис.4.3. На графіку видно, що конічні черв’ячні фрези дійсно мають більш рівномірне завантаження по довжині вершинних різальних кромок і більш високу стійкість в порівнянні зі стандартними циліндричними(коефіцієнт кореляції r = 0,83).Це підтвердження підтверджує правильність виконаних розрахунків.
Таким чином, дякуючи моделюванню можна аналітично розрахувати завантаження порівнюваних інструментів при різних значеннях вихідних параметрів (D – діаметр інструмента;m – модуль; zk – число зубців оброблюваного колеса; і – число заходів фрези і т.д.) і визначити область ефективного використання визначеної конструкції черв’ячної фрези.
Рис.3.2.Теоретичні графіки завантаження черв´ячних фрез,отриманих при моделюванні: 1 – циліндрична фреза; 2 – конічна фреза (ε = 10º); 3 – конічна фреза (ε = 20º)
Рис.3.3. Експерементальні графики завантаження фрез:
-
конічна фреза; 2 - циліндрична фреза.
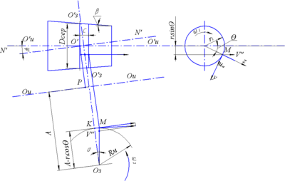
Рис.3.4. Розрахункова модель дослідження завантаження зуборізальної фрези.
Список використаної літератури
-
Основы научных исследований / Чкалова О.Н.; Киев «Вища Школа» 1978 р.120 ст.;
-
Родин П.Р.Металлорежущие инструменты. Киев, Вища школа, 1974;
-
Иноземцев Г.Г. Проектирование металлорежущих инструментов. – М.: Машиностроение, 1984. - 272 с.















