123842 (689650), страница 2
Текст из файла (страница 2)
м/с
Найдем силу тяги:
| | (3.8.) |
где Т
– момент ведущей звездочки;
D
– диаметр делительной окружности ведущей звездочки, мм.
Давление в шарнире цепи:
| (3.9.) |
где К – коэффициент монтажа и эксплуатации;
F – проекция опорной поверхности шарнира, мм,
105,8мм
Допустимое давление в шарнире цепи [P] =
Условия прочности выполняется
28,8 < 35
Предварительное межосевое расстояние
| а = (30 – 50) t, | (3.10.) |
где t – шаг цепи, мм
а = 30 19,05 = 571,5 мм
Определим число звеньев
| | (3.11.) |
где а – межосевое расстояние, мм;
Z
– число зубьев ведущей звездочки;
Z
– число зубьев ведомой звездочки;
t – шаг цепи, мм
Найдем длину цепи:
| L = j t, | (3.12) |
где j – число звеньев;
t – шаг цепи, мм.
L = 102 19,05 = 1943,1 мм
Натяжение цепи от собственного веса
| | (3.13.) |
где Кf– коэффициент угла наклона линии
qт – масса одного метра центра, т / м;
а – межосевое расстояние, мм
Ff = 9,81 1,5 1,5 571,5 = 12,60 Н
Натяжение цепи от центробежной силы
| | (3.14.) |
где qT– масса одного метра цепи, т / м;
V – скорость цепи, м / с.
Проверим запас прочности цепи
| | (3.15.) |
где Fраз – разрушающая нагрузка. Н;
Ft – сила тяги. Н;
Ff – сила, действующая от массы цепи, Н;
FV – сила, действующая от центробежных сил, Н;
Кg – коэффициент динамической нагрузки, К = 1,0
Допустимый запас прочности для данной цепи [n] = 7,2
7,2 < 11,5
Условие запаса прочности выполняется, значит, выбранная нами цепь соответствует требованиям прочности.
4. ВЫБОР И РАСЧЕТ ПОДШИПНИКОВ
Расчет подшипников ведет по определению долговечности подшипников в миллионах оборотов
| L = (С Ккач / Ррасч), | (4.1) |
где С – динамическая грузоподъемность, Н;
Ккач. – коэффициент зависящий от класса точности подшипника,
Ккач.=1
Ррасч. – производственная нагрузка, Н;
т – показатель степени, для шарикоподшипников, т = 3
| Р = (Х V Fr + Уfa) Kб KT, | (4.2) |
где Fr; Fa – радиальная и осевая нагрузка, Н;
КT – температурный коэффициент, Кт = 1;
Кб – коэффициент безопасности, Кб = 1,3;
V – коэффициент вращения, внутреннего кольца, V = 1$
Х;У – коэффициенты радиальной и осевой нагрузок.
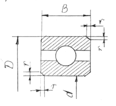
Выбираем шарикоподшипники радиальные специфические однорядные № 205 ГОСТ 8338 – 75
d = 25 мм; D = 52 мм; B = 15 мм; r = 1,5 мм; C = 14 кН; Со = 6,9 кН;
т = 0,12 т.
Рассчитаем приведенную нагрузку.
Определим отношение Fa и сравним ее
VFr
Fa = 485 = 0,46 > e = 0,42
VFr 11047
при Fa > e
VFr х = 0,65; у = 2,33
Ррасч. = (0,65 1 1047 + 2,33 485) 1,3 1 = 2354 Н
Определим долговечность подшипника
L = (C Kкач.) = (14000 1) = 210 млн.об.
Расч. 2354
Рис.3. Шарикоподшипник радиальный специфический однорядный
ЗАКЛЮЧЕНИЕ
Производство высококачественных колбасных изделий – это комплексная задача. Ее решение зависит от совершенствования комплексной и безотходной технологии переработки сельскохозяйственного сырья, дальнейшей автоматизации и механизации сельского хозяйства и перерабатывающих отраслей, снижение сырьевых энергетических и трудовых затрат, повышение трудовой производственной дисциплины, профессионального роста кадров, что особенно важно в условиях хозяйственного расчета и самофинансирования.
Спроектирована новая конструкция «Рольганг», для облегчения ручного труда. Проведены расчеты: расчет роликового конвейера, расчет цепной передачи, расчет подшипников. Выполнены сборочные чертежи и деталировка.
При внедрении рольганга уменьшается объем ручного труда и увеличивается коэффициент механизации при производстве вареных колбас.
ЛИТЕРАТУРА
1. Рогов Н.А. Технология и оборудование колбасного производства. – М.: Агропромиздат, 1989.
2. Черновский С. А., Ицкович Г. М., Боков К. Н. и др. Курсовое проектирование деталей машин. – М.: Машиностроение, 1979.
3. Кузьмин А. В., Марон Ф. Л. Справочник по расчетам механизмов подъемно-транспортных машин. – Минск, Высшая школа, 1983.
4. Котляр Л. И., Основы монтажа, эксплуатации и ремонта технологического оборудования. – М.: Колос, 1981.
5. Анурьев В. И. Справочник конструктора-машиностроителя. В трех томах. Т.1, т.2, т.3. – М.: Машиностроение, 1982.
6. Красников В. В. Подъемно-транспортные машины. – М.: Колос, 1973.
12
















