123825 (689638), страница 3
Текст из файла (страница 3)
- средняя хорда элерона;
- скоростной напор (взят из расчетов для шасси).
Мощность для привода элеронов определяем по следующей формуле:
, где
- потребная угловая скорость.
.
-
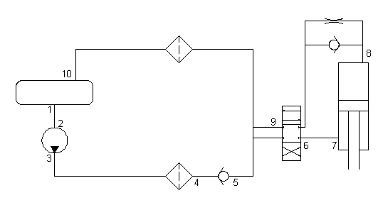
Гидравлический расчет подсистемы уборки – выпуска шасси
Для расчета воспользуемся гидравлической схемой подсистемы уборки – выпуска шасси, представленной на рисунке 7.
Рис. 7. Гидравлическая схема уборки – выпуска передней стойки шасси.
Исходные данные для расчета:
-
Давление подачи
; -
Время уборки (выпуска) шасси на 900=12с;
-
Давление наддува бака
; -
Механический КПД насоса
; -
Объемный КПД насоса
; -
Длины трубопроводов
| L1-2 | L3-4 | L4-5 | L5-6 | L6-7 | L8-9 | L9-10 |
| 0.75м | 0.75м | 0.5м | 19м | 2м | 2м | 21м |
Расчет:
Определим эффективные площади поршней со стороны штоковых полостей цилиндров:
, где
- усилие, действующее вдоль штока гидроцилиндра;
- эффективное давление в цилиндре с учетом потерь;
.
Диаметр штока силового цилиндра равен 50% поршня
.
Учитывая, что
получим:
Объем гидроцилиндра
, где F-площадь поршня,
- ход штока:
Подачу насоса можно определить по формуле:
, где
- расход жидкости через дроссельный пакет на холостом ходе;
.
Потребная мощность для привода насоса:
.
Определим диаметры трубопровода по участкам и скорости движения жидкости в них:
, где
V- средняя скорость жидкости на выбранном участке.
Линия всасывания: V=1.5м/с;
Линия нагнетания: V=6м/с;
Линия слива: V=2м/с.
Участок 1-2:
V=1.5м/с
- округлим до 14мм,
тогда скорость:
.
Участок 3-4-5-6-7:
V=6м/с
- округляем до 6мм,
тогда скорость:
.
Участок 8-9-10:
V=2м/с
- округляем до 12мм,
тогда скорость:
.
Определяем потери (гидравлические и местные):
Потери на трение по длине трубопровода:
, где
- длина участка трубопровода;
- коэффициент потери на трение по длине;
- плотность жидкости для АМГ-10;
- кинематическая вязкость и плотность АМГ-10.
Местные потери определяются по формуле:
, где
- коэффициент местного сопротивления.
Коэффициент потери на трение характеризуется режимом течения, то есть
при
и
при
, где
.
Участок 1-2:
- ламинарный режим,
;
Участок 3-4:
- турбулентный режим,
;
, где
-потери на обратном клапане,
;
Участок 4-5:
, где
- потери на фильтре,
.
Участок 5-6:
, где
- потери на электрокране,
Участок 6-7:
Участок 8-9:
-ламинарный режим,
, где
- потери на электрокране,
.
Участок 9-10:
, где
- потери на фильтре,
.
Суммарные гидравлические потери:
следовательно, давление, создаваемое насосом (
), достаточное для работы системы.
Мощность, требуемая на преодоление
:
Суммарная мощность, потребляемая гидроприводом для уборки (выпуска) стойки шасси:
.
-
Литература
-
Сабельников В.И. "Рабочие материалы для курсового и дипломного проектирования по курсу ЭСЛА", Н. 1994.
-
Матвеенко, Зверев "Проектирование гидрогазовых систем ЛА", М., 1979.
-
Самолет Ил-86. "Конструкция и техническое обслуживание"
-
"Гидрогазовые системы" – методические указания к выполнению курсовой работы. Новосибирск. НЭТИ.
-
Конспект лекций по дисциплине "Энергетические системы Летательных Аппаратов".
-
Башта Т.М. "Гидравлические приводы летательных аппаратов". М: Машиностроение, 1995 г.
-
"Системы механического оборудования летательных аппаратов" Новосибирск, НЭТИ, 1988 г.















