123806 (689627), страница 5
Текст из файла (страница 5)
Размеры крышек под подшипники редуктора принимаем в зависимости от размеров подшипников, согласно рекомендаций с. 14.1, [1].
Другие необходимые геометрические размеры принимаем конструктивно, на основе рекомендаций с. 140-143, [1].
Для расчетов промежуточного вала из компоновочного чертежа прямым измерением определяем расстояние между точками приложения сил: l1 = 108мм, l2 = 184мм и l3 = 156мм.
После согласования параметров редуктора, проверочных расчетов валов и подшипников качения, чертим общий вид 143, [1].проверочный расчет шпонок на срез. Результаты вносим в таблицу 8.3.
Таблица 8.3
Результаты проверочного расчета шпонок на срез
| Номер вала и название шпонки | | [σсм] |
| 2– шпонка под ведомый шкив клиноременной передачи | | 80 |
| 2- шпонка под шестерню цилиндрической передачи I ступени | | |
| 3 – шпонка под колесо цилиндрической передачи I ступени | | |
| 3 – шпонка под шестерню цилиндрической передачи II ступени | | |
| 4 – шпонка под колесо цилиндрической передачи II ступени | | |
| 4 – шпонка под зубчатую муфту | |
Условия прочности на деформации смятия и срез выполняются.
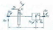
Порядок построения сил выполняем в следующей последовательности:
- вычерчиваем кинематическую схему привода;
- обозначаем опоры валов латинскими буквами А, В, С, D, E, F, обозначаем точки приложения сил К1, К2, К3, К4, приводим пространственную систему координат X, Y, Z к которой осуществляется привязка действующих сил;
- выполняем построения схемы сил в точках их приложения, способность и долговечность
9. Расчёт промежуточного вала редуктора на статическую способность и долговечность
9.1 Расчет вала на несущую способность
Силы, действующие на вал во время работы редуктора:
- силы, действующие на цилиндрическую шестерню II ступени: окружная сила Ftш = 20470 Н, Радиальная сила Frш =7928 Н; Осевая сила Faш =7450 Н.
- силы, действующие на цилиндрическое колесо I ступени Ftk = 8651 Н; радиальная сила Frk = 3349 Н; осевая сила Fак = 3139 Н.
Вычерчиваем расчетную схему вала (рис.9.1) и определяем размеры между опорами и точками приложения сил (расстояние определяем по первой эскизной компоновке редуктора измерением, допустив, что силы приложенные по середине колеса и шестерни): l1 = 108 мм, l2 = 184 мм, l3 = 156 мм.
Находим реакции в опорах от сил в вертикальной и горизонтальной плоскости:
- в вертикальной х0у
ΣМF(D) =0.
.
RDX = RCX –Frш +Frk = 7262 - 7928 + 3349 = 2683 Н
- в горизонтальной zOx
ΣМF(D) =0
ΣМF(D) = - Ftш ∙(l1+l2)+ Ftk ∙l1+ Rc z (l1 + l2 +l3 ) = 0
RDZ = - Rc z + Ftш + Ftk = - 11256 + 20470 – 8651 = 562Н
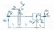
Выполняем построения эпюр моментов изгиба в вертикальной и горизонтальной плоскостях, суммарного крутящего момента и изгиба.
Момент изгиба в вертикальной плоскости:
в m.K3: МК3 = RDX · l1 = 2683 · 0,108 = 290 Нм;
в m.K4: МК4 = RCX · l3 = 7262 · 0,156 = 1132,8 Нм;
Момент изгиба в горизонтальной плоскости
в m.K4: МК4 = RDz · l1 = 562 · 0,108 = 61Нм;
Суммарный момент изгиба определяется по формуле:
в m.K3:
в m.K4:
Определяем приведенный (эквивалентный) момент в опасном сечении.
Исходя из анализа построенных эпюр моментов опасное сечение вала находится на шестерне цилиндрической передачи II ступени (точка К4).
Значение эквивалентного момента в m.K4:
.
– коэффициент, табл. 5.3., [1] для материала вала
– сталь 40. [σ1], σ0 - допустимые напряжения для материала вала соответственно при симметричном и при пульсирующем циклах нагрузки, табл. 5.3., [1].
Определяем диаметр вала в опасном сечении:
Полученный диаметр округляем до ближайшего большего значения из стандартного ряда Rа 40 ГОСТ 6636-69. С учетом шпоночного паза принимаем d32 = 75мм.
Диаметр вала в этом сечении, принятый в условном расчете
d32 = 75,0мм, т.е. условие выполняется.
9.2 Расчет вала на прочность
Для опасного сечения быстроходного вала, который имеет конструктивный концентратор напряжений – переход от меньшего диаметра к большему (между участками под подшипник и шестерню), определяем характеристики напряжений, [1], с.173- 185.
- границы выносливости:
для напряжений изгиба при симметричном цикле:
σ-1 = 043σВ =0,43 · 800 = 344 МПа, σm = 0 МПа;
для напряжений кручения при пульсирующем цикле:
τ-1 = 0,58 σ-1 = 0,58 · 344 = 199,52 МПа; τm = τа =2,79 МПа;
-амплитуды напряжений:
при симметричном цикле:
где МЗj – суммарный момент изгиба в m. К4, Нм,
Рис. 11 .1.
Зj – осевой момент в сечении опор j – того участка вала. Для сечения в m. К4, м3.
где d – диаметр вала под подшипник,
при пульсирующем цикле:
где W кj – полярный момент сечения опор j – того участка вала. Для сечения под шпонку, м3.
Выбираем коэффициенты:
- эффективные коэффициенты конструкционных напряжений при изгибе - Кσ = 1,75, при кручении - Кτ =1,50, табл. 5.11, [1].
- масштабные коэффициенты, учитывающие снижения границы выносливости с увеличением размеров вала: при изгибе - έσ = 0,745; при кручении- έr = 0,745, табл. 5.16, [1].
- коэффициенты учитывающие свойства материалов до асимметрии цикла напряжений:
при изгибе – ψσ =0,02 + 2·10-4 · 800 = 0,18 МПа;
при кручении - ψτ =0,5ψσ = 0,5· 0,18 = 0,09 МПа.
Определяем коэффициент запаса прочности опасного сечения:
где Ѕσ и Ѕτ – коэффициенты запаса прочности при действии изгиба и кручения.
[Ѕ] –допустимое значение коэффициенты запаса прочности. Для редукторных валов [Ѕ] ≥2,5…3,0, с.185, [1].
,
,
Условие выполняется.
10. Расчет подшипников качения
Исходные данные для расчета:
Диаметры вала под подшипники – 70 мм
Реакции в опорах: Rсх = 7262 Н, RDX =2683Н,
RCZ=11256, ROZ=562H
Осевые силы: Fфш = 7450 Н, Fок = 3139Н.
Угловая скорость: ω3 =18,3 рад/с.
Pис. 12.1
10.1 Определение реакции в опорах
Определяем результативную радиальную реакцию в каждой опоре вала (для схемы нагрузки):
,
где Rпх = Rnz – радиальные реакции в опоре, в горизонтальной и вертикальной плоскостях.
Индекс «п»- опора.
;
.
Выбираем роликовые однорядные подшипники №7314 с такими основными параметрами:
d = 70 мм, D = 150 мм, B = 35 мм.
C = 168 кН – динамическая грузоподъемность;
С0 = 137 кН – статическая грузоподъемность;
е = 1,5tga =1,5 tg140 = 0,37.
Результирующая осевая сила:
Fa = Fаш Fак = 7450 –3139= 1713 Н.
Определяем по соотношению
коэффициент осевой нагрузки.
Определяем составляющие осевых реакций Sп в подшипниках от радиальных реакций Rrn:для радиально-упорных шариковых подшипников:
- для опоры А:
SC=eRrC=0.37∙13395=4956H;
для опоры В:
SD=eRrD=0.37∙2741=1014.0H.
Определение осевых реакций Rап подшипников.
Осевые реакции определяем исходя из схемы размещения подшипников, принимаем схему – «в распор»:
Рис.10.2.
-в т. D
ΣF=-SC+Fa+SD=-4956+4311+1014=369H>0.
тогда
RaD=Fa+SC=4311+4956=9267H
-в т. С
ΣF=-SD-Fa+SC=-1014-4311+4956=-369H.>0
тогда
RaC=SC=4956H.
10.2 Определение коэффициентов
V-коэффициент оборота кольца, V=1,0 (вращается внутреннее кольцо);
реакции подшипников:
- для опоры С
- для опоры D
10.3 Определение эквивалентной нагрузки
Pen=(X∙V∙Rrn+Y∙Ran)∙KσKT :
- опора С: РеС=(1∙1∙13395+0∙4956)∙1,3∙1,0=17413,5Н;
- опора D: PeD=(0.4∙1∙2741+1.88∙9267)∙1.3∙1.0=24074H.
10.4 Определяем долговечность подшипников
,
где пi- частота вращения i-того вала, об/мин,
.
р=10/3- для роликовых подшипников.
Опора С:
ч,
Опора D:
ч,
Срок работы привода Lh=1∙104ч подшипники (опора С и опора D) обеспечивают.
10.5 Выбор муфты
Расчётный крутящий момент, который передаёт муфта в данном приводе определяется по формуле:
Мmax=KPMн=1,5∙6682=10023Нм,
где KP = 1,5 – коэффициент, который учитывает условия эксплуатации установки, принимаем по табл. 7.1. , [1].
Мн – номинальный крутящий момент на валу.
Выбираем зубчатую муфту МЗ 6, табл. 17.6.,[9] с такими параметрами:
М=11800 Нм, dв = 105 мм, nmax=2500 об/мин.
Геометрические размеры муфты, см. рис. 12.2.
B = 50 мм, D=320 мм, D1=230 мм, D2=140 мм, L=255 мм.
Размеры зацепления зубчатой муфты:
m =4,0 мм, z=48, b=30 мм.
Муфты зубчатые используют для соединения валов, которые передают большие крутящие моменты, где точное установление валов невозможно или возникают значительные осложнения. Зубчатые муфты отличаются компактностью и высокой выносливостью нагрузок.
Компенсирующая способность муфты достигается созданием зазоров между зубьями и приданием бочкообразной формы зубьям.
10.6 Проверочный расчёт зубчатой муфты
Рис. 10.5.
11. Выбор и проверочный расчёт опор скольжения
В качестве опор конвейера принимаем подшипники скольжения, разъёмные с двумя болтами по ГОСТ 11607-65 с чугунными вкладышами с СЧ 18 для которого определяем допустимые значения параметров:
,
, табл. 9.1, [8].
Конструктивные размеры корпуса выбранного подшипника определяем согласно С.594, [8] в зависимости от диаметра вала:
dВ=110 мм, d1=32 мм, B=130 мм, b=110 мм, H=200 мм, h=110 мм, h1= 40 мм, L=370 мм, A=310 мм,















