123768 (689604), страница 3
Текст из файла (страница 3)
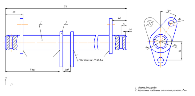
Рисунок 3– Базирование изделия «Вал запора заднего борта»
2.2.Расчет элементов узла приспособления
Для фиксации деталей в приспособлении используется рычажной прижим.
Рисунок 4– Кинематическая схема рычажного прижима
Расчет усилия прижима:
Pp*l2 = Pз*l1; Pз = Pp*l2/l1; [5] стр. 14 (30)
где, Pp–усилия, прикладываемые к рукоятке, Н;
Рз–усилия прижима, Н;
l1, l2–плечи прижима, мм;
Принятые числовые значения символов:
Pp=150Н;
l1=35 мм;
l2=70 мм;
Решение:
Pз=150*70/35=300Н=0,3кН;
2.3 Описание работы спроектированного узла приспособления
Последовательность работы на сборочно–сварочном приспособлении
1. По упорам и прижимам приспособления разместить вал запора заднего борта (поз 1)
–1 шт под установку кронштейнов вала запора (поз 2)
–4 шт, выдерживая размеры согласно эскизу.
2. Установить по упорам приспособления на вал запора заднего борта (п 1)
–кронштейны вала запора (поз 2)
– 4 шт, выставив отверстия на валу по отношению отверстий в кронштейнах, согласно эскизу.
3. Прихватить и приварить детали согласно эскизу швом Т1–Δ 4 по замкнутому контуру.
3 Организационная часть
3.1 Мероприятия по защите окружающей среды
Наиболее эффективной формой защиты природной среды от выбросов промышленных предприятий является разработка и внедрение безотходных и малоотходных технологических процессов во всех отраслях промышленности.
Безотходная технология – это активная форма защиты окружающей среды от вредного воздействия, которая представляет собой комплекс мероприятий в технологических процессах от обработки сырья до использования готовой продукции, в результате чего сокращается до минимума количества вредных выбросов.
К пассивным методам защиты относят устройства и системы окружающей среды, которые применяют для очистки вентиляционных и технологических выбросов от вредных примесей; рассеяния их в атмосфере; очистки сточных вод; глушения шума уменьшением уровней инфразвука, ультразвука и вибраций на путях их распространения; экранирования источников энергетического загрязнения окружающей среды; захоронения, ликвидации и обезвреживания токсичных и радиоактивных отходов.
Можно выделить два основных направления по обеспечению чистоты атмосферы от загрязнений: сокращения количества выбросов вредных веществ и их обезвреживание. Первое направление включает применение прогрессивных технологических схем, второе– использование сорбционных методов с утилизацией извлекаемых компонентов, а в отдельных случаях –их сжиганием.
Широко применяются газо–, пыле– и туманоулавливающие аппараты и системы. Очистка сточных вод от механических примесей осуществляется процеживанием, отстаиванием, фильтрованием, отделением механических частиц в поле действия центробежных сил; от маслосодержащих примесей отстаиванием, обработкой в гидроциклонах, флотацией, фильтрованием, обработкой специальными реагентами.
Для очистки сточных вод от металлов и их солей применяют следующие методы: реагентные, ионнобменные, сорбционные, электрохимические, биохимические.
Основными направлениями ликвидации и переработки твердых отходов являются вывоз и захоронения на полигонах, сжигание, складирование и хранение на территории промышленного предприятия до появления новой технологии переработки их в полезные продукты.
Первичная обработка металлоотходов подвергают высокотемпературному нагреву без доступа воздуха (гидролиз), в результате которого из отходов пластмасс в смеси с другими отходами получаются ценные продукты: пирокарбон, горючий газ и жидкая смола. Для защиты окружающей среды от шума и вибраций, используют те же методы, что и в производственных условиях.
Для уменьшения шума в окружающей среде применяют экраны, кожухи, глушители, окна с повышенными звукоизолирующими свойствами, зеленые насаждения между источниками шума и жилой застройкой. Важная роль в деле охраны окружающей среды отводится организационным мероприятиям и архитектурно-планировочным решениям: выведение промышленных предприятий из крупных городов и сооружение новых в малонаселенных районах с малоприродными для сельского хозяйства землями с обязательным учетом топографии местности и розы ветров; рациональная планировка городской застройки , которая обеспечивала бы оптимальные экологические условия для человека и растений; установление санитарно-защитных зон вокруг предприятий.
3.2 Охрана окружающей среды на предприятии
Способы защиты окружающей среды – ряд политических, социально-экономических, правовых воспитательных и образовательных мер.
В настоящее время на многих предприятиях созданы системы внедрения безопасных в экологическом отношении технологических процессов.
Для эффективной реализации этих задач необходимо, чтобы каждый специалист и руководитель любого профиля имел глубокие знания по охране окружающей среды, знали природоохранительное законодательство, умело использовали их в повседневной деятельности. В настоящее время разработаны меры по защите окружающей среды:
а) регулярный технический осмотр автотранспорта;
б) проверка транспорта на содержание углекислого газа в выхлопных газах;
в) предотвращение испарения при сливоналивных операциях в системах автомобилей;
г) предотвращение работ на второстепенном производстве, загрязняющем атмосферу;
д) бесперебойная работа очистных сооружений;
е) усиление контроля за качеством работ пыле-очистных систем;
ж) уменьшение движения транспорта по территории предприятия и цехов.
Также в целях повышения качества защиты окружающей среды разработаны три режима загрязнения атмосферного воздуха:
-
– Сокращение выбросов на 15–20%
-
– Сокращение выбросов на 20–40%
-
– Сокращение выбросов на 40–60%
3.3 Утилизация промышленных отходов
Для уменьшения засорения производственных площадей и окружающей среды отходами производства ежегодно разрабатываются мероприятия по их утилизации;
а) мусор после уборки территории предприятия или города, вывозится на свалку;
б) металлоотходы подвергаются прессованию и отправляются на переплав;
в) отработанные жидкости, масла из автотранспортных цехов собираются в специальный контейнер и подвергаются дальнейшей переработке;
г) сточные воды предприятий проходят фильтрацию или физика – химическую очистку;
д) при наличии или выработке вредных газов на предприятии имеются фильтрационные системы для их очитки;
е) для очистки пыли применяются пыле – очистные системы.
Отходами производства являются остатки сырья, материалов, химических соединений, образование при производстве продукции или выполнения работ и утрачивании полностью или частично исходные потребительские свойства, вторичными материальными ресурсами , которые в настоящее время могут вторично использоваться в народном хозяйстве.
Охрана природы, водных ресурсов, а также для утилизации содержащихся отходов ценных веществ и компонентов в моровой практике ведется разработка и широкое внедрение различных технологий механизированного обезвреживания и переработке отходов. Выбор метода обезвреживания и переработке отходов для конкретного города определяется необходимостью, в первую очередь, оптимального решения, проблем охраны природной среды и здоровья населения с учетом экономической эффективности, рационального использования земельных ресурсов.
В процессе производства образуются твердые промышленные отходы в виде лома, стружки, шлаков, окалины золы пыли и мусора. Чтобы эти отходы не попадали в почву и атмосферу их подвергают переработке и используют вторично.
Важное значение практически во всех отраслях промышленности имеет решение проблемы улучшения качественных характеристик потребляемых материальных ресурсов , их комплексной переработки, т.к. снижения уровня материальных издержек в целом по промышленности на 1% приводит к снижению общих издержек производства больше, чем на 0,7%. Все то свидетельствует об определяющем воздействии материальных издержек на уровень себестоимости продукции.
Одним из наиболее важных путей рационального использования материальных ресурсов является их комплексная переработка. При этом исключительное место отводится вопросам сбора, хранения и переработки производственных отходов, содержащих определенное количество как полезных. Так и вредных для окружающей среды веществ.
Наиболее большое распространение у нас получили складирование на полигоне, сжигание, переплавка, биотермическое компостирование.
Заключение
В выполненном курсовом рассмотрели анализ технических требований, описали характеристики и оценку свариваемости основного материала, рассчитали режимы сварки, нормы времени на сварочные операции и нормы расхода вспомогательных материалов, произвели выбор электротехнического оборудования.
В конструкторском разделе произвели проектирование узла сборочно-сварочного приспособления, расчет элементов узла приспособления, и описали работу спроектированного узла приспособления.
В организационном разделе описали мероприятия по защите окружающей среды, охране окружающей среды на предприятиях и утилизации промышленных отходов.
При этом разработан комплект технологической документации, в которой подробной форме рассмотрели технологический процесс на сборку-сварку изделия « Вал запора заднего борта».
Список литературы
-
Гитлевич А.Д., Этингоф Л.А. «Механизация и автоматизация сварочного производства»– М.Машиностроение, 1979 г.
-
Думов С.И. «Технология электрической сварки плавлением» –Л: Машиностроение,1987 г.
-
Куркин С.А., Хохов В.М., Рыбачук А.М. Атлас: «Технология, механизация и автоматизация производства сварных конструкций»–М.Машиностроение, 1989г.
-
Козьяков А.Ф., Морозова Л.Л. «Охрана труда в машиностроении»–М. Машиностроение. 1990г.
-
Рыморов К.С. «Механизация и автоматизация сварочного производства»–М: Машиностроение, 1990 г.
-
СТ–НМТ–97. Стандарт техникума
-
Сорокин В.Г., Волосникова А.В., Вяткин С.А. «Марочник сталей и сплавов»– М: Машиностроение, 1989 г.
-
Общемашиностроительные укрупненные нормативы для дуговой сварки в среде защитных газов. Москва. Экономика ,1989 г.
Дубл | | | | | | Изм | лист | № докум | Подп | Дата | |||||||||||||||||||||
| Взам. | Изм | Лист | № докум | Подп | Дата | | | | | | |||||||||||||||||||||
| Подп. | |||||||||||||||||||||||||||||||
| 37.172.02 90.30 338 | 1 | 1 | |||||||||||||||||||||||||||||
| Разработал | Фардиев | | | НМТ | КП.ПСК.СП-061.Ф338.КТД | | 37.172.30.190.30.338 | ||||||||||||||||||||||||
| Проверил | Туйкова | | | ||||||||||||||||||||||||||||
| Вал запора заднего борта | А | ||||||||||||||||||||||||||||||
| Н контр | Туйкова | | | ||||||||||||||||||||||||||||
| С | НПП | Обозначение ДСЕ | Наименование ДСЕ | КП | |||||||||||||||||||||||||||
| Т | Опер | Обозначение ТО | Кол. | Наименование ТО | |||||||||||||||||||||||||||
| Т01 | 005 | ННП-Э-205-У1 | 1 | Щиток ГОСТ 12.4.035-78 | | ||||||||||||||||||||||||||
| 02 | 1 | Приспособление | |||||||||||||||||||||||||||||
03 | 1 | Плоскогубцы ГОСТ5547-93 | |||||||||||||||||||||||||||||
| 04 | Р1Н2Д | 1 | Рулетка ГОСТ 7502-98 | ||||||||||||||||||||||||||||
05 | 1 | Чертилка цеховая | |||||||||||||||||||||||||||||
| 06 | |||||||||||||||||||||||||||||||
07 | 010 | 1 | Зубило слесарное ГОСТ 7211-86 | ||||||||||||||||||||||||||||
| 08 | ОД2-72-В1 | 1 | Очки защитные ГОСТ Р 12.4.013-97. | ||||||||||||||||||||||||||||
| 09 | 010/005 | 1 | Молоток слесарный ГОСТ 2310-77 | ||||||||||||||||||||||||||||
11 | |||||||||||||||||||||||||||||||
12 | 015 | Р1Н2Д | 1 | Рулетка ГОСТ 7502-98 | |||||||||||||||||||||||||||
| 13 | 0890-6030 | 1 | Шаблон для замера катета швов | ||||||||||||||||||||||||||||
14 | 1 | Угломер ГОСТ 3749-77 | |||||||||||||||||||||||||||||
Дубл | | | | | | Изм | лист | № докум | Подп | Дата | |||||||||||||||||||||||
| Взам. | | Лист | № докум | Подп | Дата | | | | | | |||||||||||||||||||||||
| Подп. | |||||||||||||||||||||||||||||||||
| 37.172.02 90.30 338. | |||||||||||||||||||||||||||||||||
| Разработал | Фардиев | | | НМТ | КП ПСК СП-061 Ф-338 КТД | | 37.172.20.190.30.338 | ||||||||||||||||||||||||||
| Проверил | Туйкова | | | | |||||||||||||||||||||||||||||
| Вал запора заднего борта | А | ||||||||||||||||||||||||||||||||
| Н контр | Туйкова | | | | |||||||||||||||||||||||||||||
Дубл | | | | | | Изм | лист | № докум | Подп | Дата | ||||||||||||||||||||||||||||||||||||||||||||||||
| Взам. | Изм | Лист | № докум | Подп | Дата | | | | | | ||||||||||||||||||||||||||||||||||||||||||||||||
| Подп. | ||||||||||||||||||||||||||||||||||||||||||||||||||||||||||
| 37.172.02 90.30 338. | 1 | 1 | ||||||||||||||||||||||||||||||||||||||||||||||||||||||||
| Разработал | Фардиев | | | НМТ | КП.ПСК.СП061.Ф-338.КТД. | | 37.172.30.190.30.338 | |||||||||||||||||||||||||||||||||||||||||||||||||||
| Проверил | Туйкова | | | |||||||||||||||||||||||||||||||||||||||||||||||||||||||
| Вал запора заднего борта | ||||||||||||||||||||||||||||||||||||||||||||||||||||||||||
| Н контр | Туйкова | | | |||||||||||||||||||||||||||||||||||||||||||||||||||||||
| к/м | цех | Уч | РМ | Опер | поз | Наименование | Обозначение | опп | ев | ен | кн | Нрасх | ||||||||||||||||||||||||||||||||||||||||||||||
| я | Раз.п | Общ.п | Кг | |||||||||||||||||||||||||||||||||||||||||||||||||||||||
| 01 | 005 | 1 | Вал запора заднего борта | КП. ПСК.СП061. Ф-338ЧИ 00.01. | Шт | 1 | 8.4 | |||||||||||||||||||||||||||||||||||||||||||||||||||
02 | Лист Б-ПН-O ГОСТ 19903-74 20 ГОСТ 13663-86 | . | ||||||||||||||||||||||||||||||||||||||||||||||||||||||||
| 03 | 005 | 2 | Кронштейн вала запора | КП. ПСК.СП061. Ф-338ЧИ 00.02 | Шт | 2 | 0.4 | |||||||||||||||||||||||||||||||||||||||||||||||||||
04 | Лист 4 ГОСТ ГОСТ 19772-72 20 ГОСТ 13663-86 | |||||||||||||||||||||||||||||||||||||||||||||||||||||||||
| изм | лист | №докум | подп | дата | изм | лист | №докум | подп | дата | изм | лист | №докум | подп | дата | ||||||||||||||||||||||||||||||||||||||||||||
| КК | Комплектовочная карта | |||||||||||||||||||||||||||||||||||||||||||||||||||||||||
| Изм. | Лист | № докум. | Подпись | Дата | ||||||||||||||||||||||||||||||||||||||||||||||||||||||
| Дубл. | ||||||||||||||||||||||||||||||||||||||||||||||||||||||||||
| Взам. | Изм. | Лист | № докум. | Подпись | Дата | |||||||||||||||||||||||||||||||||||||||||||||||||||||
| Подл. | ||||||||||||||||||||||||||||||||||||||||||||||||||||||||||
| | 37.172.02.190.30.338 | | ||||||||||||||||||||||||||||||||||||||||||||||||||||||||
| Разработал | Фардиев | НМТ | КП.ПСК.Ф-338.СП061.КТД. | 37.172.10.190.30.338 | ||||||||||||||||||||||||||||||||||||||||||||||||||||||
| Проверил | Туйкова | |||||||||||||||||||||||||||||||||||||||||||||||||||||||||
А | Цех | Уч. | РМ | Опер. | Код, наименование операции | Обозначение документа | ||||||||||||||||||||||||||||||||||||||||||||||||||||
Б | Код, наименование оборудования | СМ | Проф. | Р | УТ | КР | КОИД | ЕН | ОП | Кшт | Тпз | Тшт | ||||||||||||||||||||||||||||||||||||||||||||||
к/м | Наименование детали, сб. единицы или материала | Обозначение, код | ОПП | ЕВ | ЕН | КИ | Н.расх | |||||||||||||||||||||||||||||||||||||||||||||||||||
А01 | | | | | | | | | | | | | | | | | ||||||||||||||||||||||||||||||||||||||||||
| 015 Контрольная ИОТ 37.172.960-2003; 2,43 | ||||||||||||||||||||||||||||||||||||||||||||||||||||||||||
Б02 | | | | | | | | | | | | | | | | | ||||||||||||||||||||||||||||||||||||||||||
| | ||||||||||||||||||||||||||||||||||||||||||||||||||||||||||
03 | | | | | | | | | | | | | | | | | ||||||||||||||||||||||||||||||||||||||||||
О04 | | | | | | | | | | | | | | | | | ||||||||||||||||||||||||||||||||||||||||||
| 1. Проверить качество сборки, сварки, зачистки внешним осмотром 100% 0 ,55 | ||||||||||||||||||||||||||||||||||||||||||||||||||||||||||
05 | | | | | | | | | | | | | | | | | ||||||||||||||||||||||||||||||||||||||||||
| Не допускаются без исправления трещины, прожоги, непровары, подрезы, сетка пор | ||||||||||||||||||||||||||||||||||||||||||||||||||||||||||
06 | | | | | | | | | | | | | | | | | ||||||||||||||||||||||||||||||||||||||||||
| Допускаются единичные поры, но не более 4 пор на 100 мм шва | ||||||||||||||||||||||||||||||||||||||||||||||||||||||||||
О07 | | | | | | | | | | | | | | | | | ||||||||||||||||||||||||||||||||||||||||||
| 2. Проверить размеры сварных швов: 50% 0,5 | ||||||||||||||||||||||||||||||||||||||||||||||||||||||||||
Т08 | | | | | | | | | | | | | | | | | ||||||||||||||||||||||||||||||||||||||||||
| шаблон для замера катета швов 0890-6030; | ||||||||||||||||||||||||||||||||||||||||||||||||||||||||||
















