123421 (689469), страница 2
Текст из файла (страница 2)
Проверенные пары: 15
Исключенные пары: 0
Объекты изменились после последнего 6
Пары изменились после последнего зап15
Всего пересечений: ****** 4 ******
Общее число истинных пересечений 0
Всего условных пересечений: 0
Всего пересечений касания: 4
Общее число пересечений вложенности 0
Всего новых пересечений: 4
Новые настоящие пересечения 0
Новые условные пересечения 0
Новые касания 4
Новые пересечения вложенности: 0
Полное время анализа: 0:00:00
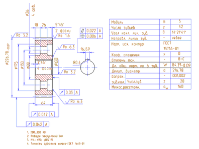
Эскиз детали диск с использованием допусков на позиционные размеры.
Задание №4
Для гладкого цилиндрического соединения DH=130 мм, работающего при температуре t=180 0C, пронормировать по точности диаметральные размеры втулки и вала при нормальной температуре, если при эксплуатационной температуре посадка характеризуется следующими параметрами: зазор 0,05
50% ; гильза- чугун; поршень – алюминий.
В результате расчёта получаем следующую посадку:
Требуемая точность не является достижимой. Достижимая точность по IT5, поэтому требуемая точность соединения будет обеспечиваться селективной сборкой. Для получения равных размерных групп верхнее предельное отклонение отверстия увеличиваем на 1мкм (таб.1). В данном примере число размерных групп превышает нормальное количество, поэтому рекомендуется сократить число размерных групп, которое не должно превышать 3-5.
Эскизы размерных групп гладкого цилиндрического соединения изображены на (рис.8), поршня и отверстия на (рис.9а,б).
Таблица 1.
| Размерная группа | Диаметры отверстия, мм | Диаметры вала, мм | ||
| min | max | min | max | |
| 1 | 130,000 | 130,002 | 129,846 | 129,848 |
| 2 | 130,002 | 130,004 | 129,848 | 129,850 |
| 3 | 130,004 | 130,006 | 129,850 | 129,852 |
| 4 | 130,006 | 130,008 | 129,852 | 129,854 |
| 5 | 130,008 | 130,010 | 129,854 | 129,856 |
| 6 | 130,010 | 130,012 | 129,856 | 129,858 |
| 7 | 130,012 | 130,014 | 129,858 | 129,860 |
| 8 | 130,014 | 130,016 | 129,860 | 129,862 |
| 9 | 130,016 | 130,018 | 129,862 | 129,864 |
| 10 | 130,018 | 130,02 | 129,864 | 129,866 |
Задание №5
1) По ГОСТ 333-59 выбираем роликоподшипники конические. d=45мм, D=85мм, Tmax=21мм, C1=16, r =0,8мм.
Выбрать посадку циркуляционного нагруженного внутреннего кольца роликоподшипника конического № 7209 класса точности 0 на вращающийся сплошной вал. Радиальная реакция опоры R=3000 kH. Нагрузка ударная, перегрузка 200%. Осевой нагрузки нет.
Из таблицы по найденному значению интенсивности нагрузки выбираем соответствующие поля допусков. Поле допуска вала k6, поле допуска отверстия Н7 (местное нагружение кольца табл.4.89 ГОСТ 512-73).
2) Подбираем посадки шпонок. По ГОСТ 23360-78 выбираем основные размеры шпонок: для диаметра 38 мм Шпонка
ГОСТ 23360-78.
для диаметра 60 мм Шпонка
ГОСТ 23360-78.
Предельные отклонения по ширине b ГОСТ 26360-78:
Паз- N9
Ширина шпонки- h9
Ширина паза на валу- P9
Ширина паза во втулке- D10
3) Выявить размерную цепь.
Δtв =80°-20°=60°С
αв =12·10-6 1/град
Δlв= Δtв · αв · lв=60°·100·12·10-6=72 мкм
Δtк =40°-20°=20°С
αк =9·10-6 1/град
Δlк= Δtк · αк · lк=20°·227·9·10-6=41 мкм
Δlв- Δlк=72-41=31мкм
Smin=e0+31=40+31=71мкм
Δ не должен превышать 1 мм.
В результате вычисления мы получили интервал значений, в которых находится значение Δ, но с целью экономической целесообразности данный интервал принимаем равным от 0,1 до 0,9 мм.
ТΔ=Δmax – Δmin =0,9-0,1=0,8 мм
ТАi =TΔ/n=0,8-(2-0,120)/7=0,08 мм
Вычисляем размер регулировочного элемента А8 , а сборку будем осуществлять пригонкой.
Δmin= (А1-0,08)-(( А2 +0,08/2)+ А3 +А4 +А5 + А6+ А7 +А8+ (А9+0,08/2))=(279- -0,08) –((26-0,04)+67+21+5+105+ А8 +(20+0,04))
Отсюда, А8=25,74 мм.
Δmin=0,1 мм
Δmax 0,9 мм
При рассчитанных размерах, образуется размерная цепь обеспечивающая осевой зазор в подшипниковом узле Δ= Δmin … Δmax . Сборка обеспечивается по методу полной взаимозаменяемости. Расчет размерной цепи осуществлялся по методу равных допусков.
Results after 5012 simulations.
Last
Measurement Nominal Minimum Maximum Variation Stability Change
------------------ ---------- ---------- ---------- ---------- --------- ------
Measurement 1 0.4500 0.4500 0.6200 0.1000 High 12
Measurement 2 0.4500 0.4500 0.6200 0.1000 High 12
Графическое изображение размерной цепи рис.10.
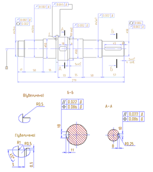
Эскиз вала рис.11.
Эскиз зубчатого колеса рис.12.
Задание №6
Выполнить эскизы прямобочного шлицевого соединения, пронормировать по точности для всех трёх методов центрирования. Расшифровать обозначения.
По ГОСТ 1139-80 выбираем прямобочное шлицевое соединение для диаметра 38мм. Выбираем прямобочное шлицевое соединение для средней серии.
Обозначение прямобочного шлицевого соединения при центрировании по:
-
внутреннему диаметру: d-8*32 H7/e8*38H12/a11*6D9/f8 (исполнение С)
-
наружнему диаметру: D-8*32 *38H8/h7*6F10/h9 (исполнение В)
-
по ширине: b-8*32 *38H12/a11*6D9/h8 (исполнение В)
Эскизы прямобочного шлицевого соединения рис.13.
Задание №7
Выполнить эскизы эвольвентного шлицевого вала, пронормировать по точности для всех трёх методов центрирования. Расшифровать обозначения.
По ГОСТ 6033-80 выбираем эвольвентный шлицевый вал для диаметра 38мм.
Обозначение эвольвентного шлицевого вала при центрировании по:
1) внутреннему диаметру: i 38*1,25* 7H/6g*9H/9h
2) наружнему диаметру и посадкой 7H/6g, с посадкой по нецентрирующим поверхностям зубьев 9H/9h: 38*g6*1,25* 9h
3)по боковой поверхности зубьев и посадкой 9H/9g : 38*1,25* 9g
Эскизы эвольвентного шлицевого вала рис.14.
Список литературы
-
Нормирование точности в машиностроении: Учеб. для машиностроит. спец. Вузов./Под ред. Ю.М. Соломенцева.-2-е изд., испр. и доп.-М.: Высш. шк.; Издательский центр «Академия», 2001.-335 с.: ил.
-
Детали машин. Проектирование: Справочное учебно-методическое пособие / Л.В. Курмаз, А.Т. Скойбеда. – 2-е изд., испр.: М.: Высш. шк.,2005. – 309 с.: ил.
3. Допуски и посадки. Справочник. В 2-х ч. Ч. 2/Под ред. В.Д. Мягкова. 5- е изд., перераб. и доп. Л.: Машиностроение. Ленингр. отд-ние. 1978-с. 545-1032, ил.















