123157 (689380), страница 2
Текст из файла (страница 2)
Принимаем 116 заготовок из данной длины проката. Остаток длины (некратность) определяется в зависимости от принятой длины проката:
1. Из проката длиной 4 м:
LНК4=Lпр–Lо.т.–Lзаж–LзX4=4000–7,8–20–5766=210,2 мм (3.8)
Или
ПНК4=(LНК100)/Lпр=210,2100/4000=5,25%
2. Из проката длиной 7 м:
LНК7=Lпр–Lо.т.–Lзаж–LзX7=7000–7,8–20–57116=360,2 мм (3.9)
Или
ПНК7=(LНК100)/Lпр=360,2100/7000=5,14%
Из расчётов на некратность следует, что прокат длиной 7 м для изготовления заготовок более экономичен, чем прокат длиной 4 м.
Потери материала на зажим при обрезке по отношению к длине проката составят:
Пзаж=(Lзаж100)/Lпр=20100/7000=0,285% (3.10)
Потери материала на длину торцового обрезка проката в процентном отношении к длине проката составят:
По.т.=Lо.т.100/Lпр=7,8100/7000=0,11% (3.11)
Общие потери к длине выбранного проката:
Пп.о.=Пнк+По.т.+Пзаж=5,14+0,11+0,285=5,535% (3.12)
Расход материала на одну деталь с учётом всех технологических неизбежных потерь определяем по формуле:
Gз.п.=Gз(100+Пп.о.)/100=0,245 (100+5,535)/100=0,258 кг (3.13)
Коэффициент использования материала:
Ки.м.=Gд/Gз.п.=0,099/0,258=0,38 (3.14)
Gд=Vд=0,0078512,55=0,099 кг (3.15)
Vд=Dд12Lд1/4 + Dд22Lд2/4=12,55 см2 (3.16)
Стоимость заготовки из проката:
Сз.п.=СмGз.п. – (Gз.п.–Gд)(Сотх/1000), (3.17)
где
См – цена 1 кг материала заготовки, руб.;
Сотх – цена 1 т отходов материала, руб.
См=14720/1000=2,94 руб./кг
Сотх=3320/1000=0,66 руб./кг
Сз.п.=2,940,258 – (0,258–0,099) 0,66=0,758–0,1590,66=0,65 руб.
2) Заготовка изготовлена методом горячей объёмной штамповки на горизонтально-ковочной машине (ГКМ).
Степень сложности – С1. Точность изготовления поковки – класс I, группа стали – М1.
Припуски на номинальные размеры детали назначают по таблице. Припуски на обработку заготовок, изготавливаемых горячей объёмной штамповкой, зависят от массы, класса точности, группы стали, степени сложности и шероховатости заготовки. На основании принятых припусков на размеры детали определяем расчётные размеры заготовки:
D1=Dн+2z=10+21,5=13 мм (3.18)
D2=Dн+2z=20+21,2=22,4 мм (3.19)
L1=Lд+2z=20+2,4=22,4 мм (3.20)
L2=Lд+2z=35+2,4=37,4 мм
Допуски на размеры заготовки:
Ø13
; Ø22,4
; 22,4
; 37,4
Разрабатываем эскиз на штампованную заготовку:
Рис. 3.1
Для определения объёма штампованной заготовки условно разбиваем фигуру заготовки на отдельные простые элементы и проставляем на них размеры с учётом плюсовых допусков:
Рис. 3.2
Определяем объём отдельных элементов заготовки:
V1=D12L1/4=3,141,3722,31/4=3,403 см3 (3.21)
V2=D22L2/4=3,142,3123,81/4=15,959 см3 (3.22)
Общий объём заготовки:
Vобщ=V1+V2=3,403+15,959=19,362 см3 (3.23)
Масса штампованной заготовки:
Gз.ш.=Vобщ=0,0078519,362=0,152 кг (3.24)
Принимая неизбежные технологические потери (угар, облой и т.д.) при горячей объёмной штамповке равными 10%, определяем расход материала на одну деталь:
Gз.п.=Gз.ш.(100+Пш)/100=0,152(100+10)/100=0,167 кг (3.25)
Коэффициент использования материала на штампованную заготовку:
Ки.м.=Gд/Gз.п.=0,135/0,167=0,81 (3.26)
Стоимость штампованной заготовки:
Сз.ш.=(СМGз.п.) – (Gз.п.–Gд)(Сотх/1000) (3.27)
где
СМ – цена 1 кг материала заготовки, руб.;
Сотх – цена 1 т отходов материала, руб.
СМ=63820/1000=12,76 руб./кг
Сотх=3320/1000=0,66 руб./кг
Сз.ш.=12,760,167 – (0,167–0,135)0,66=2,131–0,021=2,11 руб.
Годовая экономия материала от выбранного варианта изготовления заготовки:
Эм=(G’з.п.–G» з.п.)N=(0,258–0,167)80000=7280 кг (3.28)
Экономический эффект (выбранного вида) изготовления заготовки:
Э=(Сз.ш.–Сз.п.)N=(2,11–0,68)80000=114400 руб. (3.29)
Технико-экономические расчёты показывают, что заготовка, полученная методом горячей объёмной штамповки на горизонтально-ковочной машине, более экономична по использованию материала, чем заготовка из проката, однако по себестоимости штампования заготовка дороже, поэтому принимаем заготовку из горячекатаного круглого проката обычной точности.
5. Технологический процесс изготовления детали «Хвостовик»
Технологический процесс – это часть производственного процесса, содержащая действия по изменению и последующему определению состояния предмета производства. Технологический процесс непосредственно связан с изменением размеров, формы и свойств материала обрабатываемой заготовки, выполняемым в определенной последовательности. Чертеж детали «Хвостовик», которую необходимо получить в результате проведения технологического процесса, представлен на рисунке 3.3, а внешний вид детали – на рисунке 3.4.
Она представляет собой широко распространенную в машиностроении деталь типа ступенчатого вала. Анализ рабочего чертежа детали позволяет сделать следующие заключения:
-
основными конструкторскими базами являются ось детали и торец, от которых заданы размеры;
-
в массовом и крупносерийном производстве заготовки получают методами штамповки или из круглого проката.
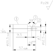
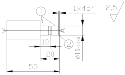
Рис. 3.3.
Рис. 3.4
На основании проведенных ниже расчетов в качестве заготовки выбрана заготовка из горячекатаного круглого проката обычной точности 21+0,4-0,5.
В настоящее время разработаны типовые технологические процессы механической обработки валов на основе разновидности их в разных типах производства. Используя отдельные элементы операций типового технологического процесса, составляем технологический процесс изготовления детали «Хвостовик».
| № перехода | Наименование операции и содержание перехода | Эскиз механической обработки | Режущий и измерительный инструмент | ||||
| 1 2 3 4 5 6 7 | 005 Револьверная Подача прутка до упора Точить поверхность 1 в размер 20,5-0,21 на длине 57-0,25 Точить поверхность 2 в размер 17,5-0,18 на длине 20+0,21 Точить поверхность 2 в размер 15-0,18 на длине 20+0,21 Точить поверхность 2 в размер 12,5-0,18 на длине 20+0,21 Точить канавку 3Отрезка в размер 57-0,25 | Резец 1 проходной прямой с пластиной из Т15К6 по ГОСТ 18869–73 =45 Резец 2 проходной упорный с пластиной из Т15К6 по ГОСТ 18879–73 =90 Резец 3 проходной упорный с пластиной из Т15К6 по ГОСТ 18879–73 =90 Резец 4 проходной упорный с пластиной из Т15К6 по ГОСТ 18879–73 =90 Резец 5 специальный с пластиной из Т5К10 по ГОСТ 18879–73 =90 Резец 6 отрезной с пластиной из Т5К10 по ГОСТ 18884–73 ширина 3 ммШтангенциркуль | |||||
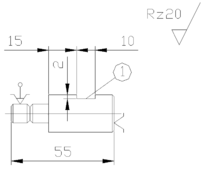
| 1 2 3 4 5 6 | 010 Фрезерно-центровальная Установить и закрепить заготовку Фрезеровать поверхность 1 Центровать поверхность 1 Переустановить и закрепить заготовку Фрезеровать поверхность 2 Центровать поверхность 2 | | |||||
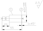
| 1 2 3 | 015 Токарная I-я Установить и закрепить заготовку Точить поверхность 1 в размер 11-0,043 с подрезкой торца в размер 20 Точить фаску 2 | Резец проходной упорный с пластиной из Р18 по ГОСТ 18879–73 =90 Резец проходной прямой с пластиной из Т15К6 по ГОСТ 18869–73 =45 Штангенциркуль Скоба односторонняя предельная | |||||
| 1 2 3 | 020 Токарная II-я Установить и закрепить заготовку Точить поверхность 1 в размер 20-0,02-0,072 Точить фаску 2 | Резец проходной прямой с пластиной из Р18 по ГОСТ 18869–73 =45 Штангенциркуль Скоба односторонняя предельная | |||||
| 1 2 | 025 Фрезерная Установить и закрепить заготовку Фрезеровать поверхность 1 | Фреза дисковая пазовая из быстрорежущей стали Р6М5 по ГОСТ 3964–69 Штангенциркуль | |||||
| 030 Контроль промежуточный | Штангенциркуль микрометр | ||||||
| 035 Термическая обработка HRC 40…45 | Закалочная ванна | ||||||
| 1 2 3 | 040 Шлифовальная Установить и закрепить заготовку Шлифовать поверхность 1 в размер 10,3-0,043 Шлифовать поверхность 1 в размер 10+0,024+0,015 | Шлифовальный круг 24А40ПС25К по ГОСТ 2424–83 Контрольная индикаторная скоба | |||||
| 045 Контроль окончательный | Штангенциркуль Микрометр Контрольная индикаторная скоба | ||||||
6. Определение припусков расчётно-аналитическим методом
Исходные данные: деталь «хвостовик», изготовлена из материала: сталь 45 ГОСТ1050–74. В качестве заготовки выбираем горячекатаный прокат обычной плотности ГОСТ 2590–71.
Рассматриваем припуски на наружный диаметр хвостовика Ø20
. Определяем квалитет точности заданного размера по таблице [1, с. 192]. В результате находим квалитет 9. Составляем маршрут обработки данной поверхности, руководствуясь таблицей [1, с. 181].
1. Заготовка – пруток обычной точности.
















