123017 (689338), страница 5
Текст из файла (страница 5)
Отсюда
d1=40·
Найдем диаметр ведомого шкива:
d2=u · d1(1-ξ) (20)
ξ - коэффициент упругого скольжения (0,01..0,02)
d2 = 2,8 · 232,26(1 - 0,02) = 637,32 мм
Значение диаметра шкивов выбираем из стандартного ряда:
d1 = 250мм, d2 = 710мм
Межосевое расстояние предварительно вычисляем по формуле:
а = 0,55 · (d1 + d2) + h; (21)
h - высота ремня, мм
а = 0,55 · (250+710)+13,5=541,5 мм
Длина ремня
L = 2·541.5+3.14(250+710)/2+(710-250)2/4·541.5=2687.89 мм
Длину клиновых ремней уточняют по стандартному ряду: L=2800
Затем пересчитывают межосевое расстояние по формуле:
Угол обхвата ремнем меньшего шкива:
α1=180° - 57(d2 - d1)/а (24)
α2=180° - 57(710 - 250)/602,5=136,48°
Для клиноременной передачи α1≥90°. С уменьшением угла обхвата снижается тяговая способность передачи.
Усилие в ремне. Окружное усилие, Н
Ft=2T/d
где Т - передаваемая мощность, Вт.
V=3.14·250·732/60·103=9.577<25 м/с
Найдем предварительное натяжение ремня F0, необходимое для создания силы трения между ремнем и ремнями; а также натяжение ведущей ветви F1 и ведомой ветви F2 по формулам:
где е – основание натурального логарифма;
f - коэффициент трения ремня по шкиву;
Сила натяжения в ремне создают нагрузки на валы. Равнодействующая этих сил:
Напряжения в ремне. В ведущей ветви ремня возникает наибольшее напряжение растяжения:
σ1=F1/A
σ1=3067.8/230=13.34 Н/мм
Наибольшее напряжение изгибы возникает на ведущей шкивы:
σu=Eδ/d1,(30)
где Е - модуль упругости материала ремня: для резинотканевых ремней Е = 200...350 МПа
δ/d1 - относительная удлинение ремня: для плоскоременных передач δ/d1=1/100…1/250.
σu=300·1/40=7,5 Мпа.
σмак=7,5+13,34=20,84 МПа
Найдем коэффициент тяги, который показывает, какая часть предварительного натяжения ремня F0 реализуется для передачи полезной нагрузки Fт:
φ=1566,2/2·2284,7=0,34
Расчет клиноременных передач. Основные параметры клиновых кордошнуровых ремней – формулу и размеры поперечного сечения, длину определяют в соответствии с ГОСТ 1284.1-89. Сечение ремня выбирают в зависимости от передаваемого момента. В приводах с/х машин используют ремни сечений А,В,С,Д .В нашем случае –это С. Проектный расчет передачи ведет по допустимой мощности, передаваемой одним ремнем:
Рр=р0·Сα·Сu·Cl·Cp; (32)
Р0 - допустимая мощность , кВт, передаваемая одним ремнем при u=1,
Сu - коэффициент, учитывающий передаточное число;
Cl - коэффициент, учитывающий длину ремня;
Сα - коэффициент, учитывающий угол обхвата,
Cp - коэффициент, учитывающий режим и характер работы.
Коэффициент, учитывающий длину ремня:
Cl=
L0 - базовая длина клинового ремня:
Cl=
=0,86
Рр=6,02·0,868·1,14·0,96·0,8=4,57 кВт.
Передаточное число ремней в передаче:
где Р - передаваемая мощность, кВт
-коэффициент, учитывающий неравномерность распределения нагрузки между ремнями.
Значение коэффициента
принимают в зависимости от предварительного числа ремней, из следующих соотношений:
z1 1 2..3 4…6
1 0,95 0,9
Предварительное число ремней:
z1 =Р/Рр (35)
z1 =15/4,57=3,3
z≥
=3,64
рекомендуется принимать z≤6, поскольку из-за погрешностей изготовления длины ремней разная и нагрузка между ними распределяется неравномерно.
Расчет на долговечность. Основная причина усталостного разрушения ремня - циклически изменяющиеся напряжения, существенно зависящие от базового числа циклов изменения напряжений Nоц и фактического числа пробегов ремня за время эксплуатации:
Nоц=3600·а Т0·λ, (36)
где а - число шкивов,
Т0 - наработка ремня, ч
λ - частота циклов изменения напряжений, равная частоте пробегов ремня в секунду.
Наработка ремня, ч
Т0=(
)m·
; (37)
где
-предел выносливости, соответствующий базовому числу циклов изменения напряжения;
m-опытный показатель;
=1;
=2.
При периодически изменяющихся нагрузках от 0 до номинального значения.
=1,5
=2,1
Т0=(
)8·
Nоц=3600·2·0,4·
=9850,6
Шкивы ременных передач. Конструкция шкива зависит от его размеров, материала и типа передачи. Шкивы изготавливают из чугуна, стали, легких сплавов и пластмасс. Основные размеры шкивов – диаметр и ширину обода рассчитывают, остальные размеры определяют по рекомендациям ГОСТ 17383-73 для плоских ремней и ГОСТ 20889-88 для клиновых ремней нормальных сечений. [16]
Ширина шкива клиноременной поликлиновой:
М=(n-1)l+2f; (38)
n - число канавок на шкиве.
М=(4-1)·25,5+2·17=110,5мм
Толщина обода чугунных шкивов клиновых передач: δ = (1,1…1,3)h ;
δ = (1,1..1,3)·1,43=17,16 мм. (39)
4. Охрана труда и экологическая безопасность проектных решений
Проектируемый гомогенизатор полностью отвечает требованиям ОСТ-27-00-216-75, ГОСТ 12.3.002 – 75 и ГОСТ 12.2.048-80. Гомогенизатор со всех сторон заключен в кожух, что полностью исключает производственный травматизм при его эксплуатации. Машина снабжена системой автоматического отключения при изменении какого- либо технологического параметра. Перед пуском гомогенизатора следует проверить наличие и уровень масла в масляной ванне, исправность манометра. Затем пускают воду на охлаждение плунжеров. Давление в нагнетательной камере гомогенизатора не должно превышать предела, установленного паспортом (красная черта на манометре указывает предельно допустимое рабочее давление). Гомогенизатор останавливают, если стрелка манометра делает резкие скачки или показывает давление выше допустимого уровня. До полной остановки гомогенизатора запрещается вскрывать головку, уплотнять сальники плунжеров и производить какой-либо ремонт машины или коммуникаций.
При техническом обслуживании и ремонте следует пользоваться специальным инструментом и приспособлениями. Запрещается использование случайных подручных средств.
По электробезопасности гомогенизатор К5-ОГА-10М полностью отвечает требованиям ГОСТ 12.2.007-75. Защитный кожух машины полностью исключает поражение человека электрическим током. При переходе на металлические части гомогенизатора предусмотрено зануление и автоматическое отключение машины. Наше время характеризуется тем, что практически каждый человек связан с использованием электрической энергии. Кроме этого опасность поражения электрическим током среди прочих опасностей отличается тем, что человек не может обнаружить без специальных приборов напряжение на расстоянии. Оно обнаруживается только тогда, когда человек касается токоведущих частей. Поэтому большое значение приобретают вопросы защиты обслуживающего персонала от поражения электрическим током. Для обеспечения электробезопасности на предприятиях мясной и молочной промышленности используют следующие технические способы и средства защиты:
- защитное заземление;
- зануление;
- применение малых напряжений;
- контроль изоляции обмоток;
- средства индивидуальной защиты;
- предохранительные приспособления.
Гомогенизатор является относительно безвредной с точки зрения охраны труда, машиной. В нем не используется такие потенциальные опасные вещества, как газ, пар и т.д. , не происходит выброса в атмосферу каких-либо вредных веществ. Возможность аварии при нарушении правил пуска оборудования. При пуске холодного оборудования гомогенизатора клапан должен быть открыт и давление гомогенизации должно быть равно 0. В противном случае при пуске жидкости в гомогенизатор возможно возникновение гидравлического удара, в этом случае могут быть разрушены нагнетательные клапаны гомогенизатора. Плунжерный насос должен иметь предохранительный клапан, рассчитанный на максимальное давление и манометр регистрирующий давление гомогенизации. Кроме того проектируемый гомогенизатор управляется дистанционно, в нем предусмотрен ряд автоматических блокировок в случае нарушения какого-либо технологического параметра (давление продукта, давление масла, изменение силы тока в питающей сети). Интерес представляет лишь шум, создаваемый трущимися частями машины и движущейся жидкости. [18]
4.1 Производственная санитария
Производственная санитария включает в себя: оздоровление воздушной среды и нормализацию параметров микроклимата рабочей зоне, защиту работающих от шума, вибрации, обеспечение требуемых нормативов естественного и искусственного освещения, поддержание в соответствии с санитарными требованиями территории предприятия, основных производственных и вспомогательных помещений.
4.2 Шум
Расчет уровня звукового давления создаваемого гомогенизатором при работе.
Исходные данные:
Цех: аппаратный 24246 м
Шумовая характеристика гомогенизатора по частотам
| Среднегеометрические частоты, Гц. | 63 | 125 | 250 | 500 | 1000 | 2000 | 4000 | 8000 |
| Уровень звуковой мощности Lр, Дб. | 91 | 91 | 84 | 88 | 93 | 86 | 78 | 82 |
Уровень звукового давления L сравниваем с ГОСТ 12.1.003-83 "ГОСТ. Шум. Общие требования". Допустимые уровни звукового давления приведены в сводной таблице (см. ниже).
Уровень звукового давления в середине помещения.
где Lр – уровень звуковой мощности от источника шума, Дб;
r – расстояние от источника шума до середины помещения, м;
В – постоянная помещения, м3.
r = 3 м;
В = V/18,
V = 24246 = 3456 м3 – объём помещения;
- частотный множитель.
Значение коэффициента по частотам
| Частота, Гц. | 63 | 125 | 250 | 500 | 1000 | 2000 | 4000 | 8000 |
| | 0,5 | 0,5 | 0,55 | 0,7 | 1 | 1,6 | 3,0 | 6,0 |
Результаты расчетов уровня звукового давления сводим в таблицу (см. ниже).
Полученные результаты не превышают предельно-допускаемые значения уровня звукового давления.
| Среднегеометрические частоты, Гц. | 63 | 125 | 250 | 500 | 1000 | 2000 | 4000 | 8000 |
| Уровень звукового давления L, Дб. | 81 | 81 | 74 | 77 | 82 | 74 | 66 | 70 |
| Допускаемые уровни звукового давления, Дб. ГОСТ 12.1.003-83"ССБТ" | 99 | 92 | 86 | 83 | 80 | 78 | 76 | 74 |
Электродвигатели, гомогенизаторы и пусковая аппаратура должны быть тщательно заземлены; необходимо систематически проверять состояние заземляющих устройств. Во время эксплуатации у приводов должны быть защитные кожухи. Запрещается проводить ремонт, смазку, чистку и мойку на ходу машины. Исправность предохранительного клапана и его регулирование на максимально допустимое рабочее давление надо обязательно проверять каждый раз перед работой. Рабочее давление в нагнетательной камеры регулируют штурвалом гомогенизирующей головки. Оно не должно превышать паспортного значения.
У пусковой кнопки электродвигателя привода гомогенизатора обязательно должна быть вывешена табличка с надписью "Перед включением электродвигателя пусти воду на охлаждение плунжеров". Останавливать машину только после разжатия до отказа пружины гомогенизирующей головки. При несоблюдении этого требования диафрагмы манометров выходит из строя. После работы блок цилиндра промывают на ходу машины, пропуская через него сначала теплую, затем горячую воду до тех пор, пока вода не будет выходить чистой. Затем разбирают гомогенизирующую часть и хорошо промывают в горячей воде, сушат и собирают блок.
4.3 Охрана окружающей среды
Окружающая среда является неотъемлемой составной частью жизнедеятельности человека, как с точки зрения прогресса, так и вредных его последствий. Неблагоприятное изменение таких дефицитных ресурсов планеты, как воздух, вода, плодородные почвы, природные источники питания достигли угрожающего уровня.
Государственная охрана санитарного надзора и охраны природной среды должны осуществлять постоянный контроль за соблюдением действующих предельно допустимых концентраций вредных выбросов со стороны предприятия.
Производство молочной промышленности может иметь разнообразные источники загрязнения атмосферы: выброса систем вентиляции, газообразные выбросы от технологического оборудования, выбросы автотранспорта и другое. Основными источниками загрязнения является производство сухого молока и молочных продуктов (сушильные установки, огневое калориферы); жестянобаночный цех (лужение, траление, пайка); производство казеина (дробилки, казеиносушилки); отделение мойки тары и оборудования; производство мороженого (печь для выпечки вафель); сыродельный (парафинеры, коптилки колбасного сыра) и другие.
Выбросы в атмосферу предприятием молочной промышленности можно разделить на следующие группы:
-
Выбросы, образующиеся при производстве энергии и в результате использования транспортных средств;
-
Выбросы, сопутствующие основным технологическим процессам;
-
Выбросы вспомогательных цехов и производств.
На предприятии источниками являются сыродельный цех (парафинирование сыра), а также транспортные средства (транспортирующие сырье и готовую продукцию) и собственная котельная.
Для уменьшения загазованности воздуха площади свободные от построек благоустроены и озеленены, причем породы деревьев выбраны хвойные, обладающие ярко выраженной способностью к газопоглощению и пыле задержанию. Кроме поглощения вредных газов и паров зеленые насаждения снижают уровень шума, а также насыщают воздух кислорода. Для функционирования котельной выбрано наиболее экологически чистое топливо – газ. При сжигании топлива в состав выбросов входят только окись углерода и окиси азота, тогда как при использовании твердого топлива и мазута в выбросах присутствуют также твердые частицы (зола, сажа) и сернистый ангидрид.
Предприятия молочной промышленности расходуют чистую воду, которая в процессе её использования загрязняется различными примесями, в том числе и органическими. Органические вещества являются хорошей питательной средой для различного рода бактерий. Поэтому для поддержания хорошего санитарного состояния помещений и территорий предприятие отбросы и сточные воды немедленно удаляются с предприятия, а также через систему канализации за пределы населенного пункта. В зависимости от происхождения, вида и качественной характеристики сточные воды предприятий молочной промышленности можно подразделить на производственные (промышленные), хозяйственно – фекальные и ливневые (атмосферные) сточные воды. По степени загрязнения сточные воды подразделяют на загрязненные, условно-чистые воды образуются в результате производственных операций и загрязнена обычно составляющие молоко (молочный жир, белок).
На предприятии при мойке оборудования и производственных помещений используются моющие средства, частично растворяющие эти вещества. Сточные воды предприятия поступают в городскую канализацию и только после предварительной очистки (механической, биологической), попадают в водоемы. Качество, безопасность пищевой продукции и способность её удовлетворять физиологические потребности человека определяются соответствием ее гигиеническим нормативам, установленным санитарными правилами и нормами. Требования, которыми должны соответствовать органолептические свойства пищевой продукции, устанавливаются в нормативной и технической документации на её производство. Безопасность продовольственного сырья и пищевых продуктов в эпидемическом и радиационном отношение, а также по содержанию химических загрязнителей определяется их соответствием гигиеническим нормативам.
Гигиенические нормативы включают потенциально опасные химические соединения и биологические объекты, присутствие которых в пищевой продукции не должно превышать допустимый уровней их содержания в заданной массе (объем) исследуемой продукции. В продовольственном сырье и пищевых продуктов регламентируется содержание основных химических загрязнителей, представляющих опасность для здоровья человека. Гигиенические требования к допустимому уровню содержания токсичных элементов предъявляются ко всем видам продовольственного сырья и пищевых продуктов. Во всех видах продовольственного сырья и пищевых продуктов нормируется как глобальные загрязнители пестициды – генсахлорцикоиогексан (α-, β-, γ- изомеры) и ДДТ и его метаболиты. В продуктах животного происхождения нормализуются остаточные количества антибиотиков, применяемых в животноводстве для целей откорма, лечение и профилактики заболеваний скота. В молоке и молочных продуктах контролируются как допущенные к применению в сельском хозяйстве кормовые антибиотики – пенициллин, стрептоцин, антибиотики тетрациклиновой группы, левомицитин. С целью ограничения внутреннего облучения установлены гигиенические нормативы содержания радионуклидов. Радиационная безопасность пищевой продукции определяется её соответствием допустимым уровнем удельной активности радионуклеидов цезий – 737 и стронций – 90. Гигиенические нормы качества и безопасности, которые должны соответствовать все пищевые продукты и продовольственное сырье, приведены (приложении П). По этим показателям ежемесячно испытание продукции проводят сотрудники лаборатории Областной СЭС. Санитарно – гигиенической оценке подлежат пищевые продукты и продовольственное сырье животного происхождения после ветеринарно–санитарной экспертизы, проводимой государственной ветеринарной службой в соответствии с действующими ветеринарной –санитарными правилами и при обязательном наличии документов, выданных органами Госветслужбы. [20]
5. Технико-экономическая оценка проекта
Экономическая эффективность определяется путем сравнения общих и частных показателей вариантов проектных решений. Основным из общих показателей являются затраты труда, стоимость продукции, приведенные затраты, коэффициенты экономической эффективности капитальных вложений, срок окупаемости.
Рассчитываем стоимость материала, необходимого для производства деталей См, руб.
Где,
- средняя стоимость 1 кг материала из которого изготавливают детали, руб.(=30 руб.)
- масса изготавливаемых деталей, кг (=37кг)
См= 30◦37=1110 руб.
Фонд оплаты труда рабочих изготавливающих детали Фо, руб.
Где, Ту-трудоемкость установки детали, чел/ч(=28 чел/ч)
СЧо- средняя оплата труда рабочих машиностроительного завода, руб(=37 руб)
Фо=28◦37=1036 руб.
Отчисления в фонд 31% от фонда оплаты труда рабочих изготавливающих детали Оф, руб.
Оф=1036◦0,31=321 руб.
Затраты на производство модернизированной машины Зм , руб.
Зм= Сс+ См+ Оф+ Фо=490 000+1110+1036+321=492467 руб.
Торговая цена модернизированной машины Цм, руб рассчитывается по формуле:
Цм=зм+ТН,
Где, ТН –торговая наценка, руб (=54345 руб.)
Цм= 492467+54345=546812 руб.
Расчеты капительных затрат по внедрению модернизированной машины. Покупка модернизированной машины Цм=546812 руб.
Монтаж модернизированной машины принимается в размере 5% от стоимости машины:
Мм=Цм◦0,05
Мм=546812◦0,05=27340 руб.
Доставка модернизированной машины к месту работ рассчитывается и принимается 2% от стоимости машины:
Дм=Цм◦0,02;
Дм=546812◦0,02=1096 руб.
Всего капитальных затрат по модернизации машины КЗ2 , руб,:
КЗ2= Цм+ Дм+ Мм;
КЗ2=546812+1096+27340=575248 руб.
Критерием сравнительной экономической эффективности является минимум приведенных затрат (З). Приведенные затраты по каждому варианту представляют собой сумму текущих затрат (себестоимости) и капитальных вложений, приведенных к одинаковой размерности в соответствии с нормативом эффективности. Наиболее экономичен вариант новой техники, которому соответствуют наименьшие приведенные затраты при одинаковом объеме выполняемой полезной работы. [21]
З = С + Ен К min,
С - себестоимость прибора;
C1 =490000руб. - себестоимость базовой СУ
C2 = 575248 руб. - себестоимость проектируемой СУ
К - удельные капитальные вложения в производственные фонды (определяются как нормированная величина),
K = 0,9 C,
К1= 441000 руб.,
К2=517723руб.;
Eн - нормативный коэффициент эффективности капитальных вложений,
Ен = 0,17.
Имеем:
З1 = 490000+ 0,17441000 = 564970 руб.,
З2 = 575248 + 0,17517723 = 663260руб.
Минимальная оптовая цена базовой и проектируемой СУ:
Цм = Снт (1 + Рс ),
где Рс - коэффициент рентабельности изделия, отражающий отношение прибыли к себестоимости продукции (Рс = 0,130,2 ),
Тогда:
Цм1 = 490000 (1 + 0,15 ) = 563500 руб.;
Цм2 = 575248 (1 + 0,15 ) = 661535 руб.
Расчет сравнительной экономической эффективности проведем по формуле:
где З1 ,З2 - приведенные затраты на изготовление базового и проектируемого прибора;
В1, В2 - производительность (мощность) базового и проектируемого прибора;
В связи с уменьшением количества, брака вызванным применением проектируемой СУ, производительности базовой и проектируемой СУ соотносятся как:
В2 / В1 = 1,2
Р1 ,Р2 - доля амортизационных отчислений на реновацию (полное восстановление) базового и нового прибора;
где Тс - срок службы машины;
Р1 = 1/2 = 0,5;
P2 = 1/10 = 0,1
ЭрБ’, ЭрН - эксплуатационные расходы по базовому устройству на сопоставимый объем работы (сопоставимую мощность) и новому прибору;
где Эрб - годовые эксплуатационные расходы по базовому прибору;
При расчете годовых эксплуатационных расходов учитываются только те издержки по эксплуатации, которые претерпевают изменения при сопоставлении со сравниваемым устройством:
Эр = А + Рт + Эн ,
где А - амортизация техники, исчисляемая исходя из срока службы (Тс):
А = Цм / Тс;
А1 = 490000 / 2 = 245000 руб.
А2 = 575248 / 10 =57524 руб.
Рт - расходы на текущий ремонт техники, исчисляемые по нормативу в проценте к ее стоимости:
Рт = Цм Нр / 100,
где Нр - норматив расхода средств на ремонт в проценте к оптовой цене (37%);
Рт1 = 490000 5 / 100 = 24500 руб.
Рт2 = 575248 5 / 100 = 28762 руб.
Эн - расходы на электроэнергию:
Эн = Мт Тч Сэ ,
где Мт - потребляемая мощность, кВт;
Тч - время работы техники за год, ч;
Сэ - стоимость одного кВт-ч энергии;
Сэ = 2,3 руб.
Тогда:
Эн1 = 12000 3,0 2,3 = 82800 руб.
Эн2 = 10000 2,5 2,3 = 57500 руб.
Откуда:
Эрн = Эр2 = 1725 + 862,5 + 1875 = 317192руб.;
Эрб = Эр1 = 5750 + 575 + 2250 = 125530 руб. ,
следовательно:
ЭрБ’ = 125530 1,2 = 416760 руб.
К1’, К2’ - сопутствующие капитальные вложения для эксплуатации базового прибора на сопоставимый объем работы (сопоставимую мощность) нового прибора
Величины К1, К2 могут приниматься укрупненно
К1,2= 0,05 31,2;
Имеем:
К1 = 0,05 564970 = 28248руб.;
К2 = 0,05 663260 = 33163 руб.;
Тогда:
К’1 = 28248 1,2 = 33897руб.
- среднегодовой выпуск нового прибора,
где N - потребность народного хозяйства в проектируемом приборе;
N = 20000 шт.
Тп- период производства.
Тп = 10 лет,
Откуда сравнительная экономическая эффективность проектируемой СУ составляет:
Срок окупаемости капительных вложений То, год:
Удельная материалоемкость модернизированной машины Му2:
Где, σм- масса машины (=0,553 т.)
Удельная материалоемкость старой машины Му=0,38
Анализируя полученные результаты, мы видим, что при незначительном уменьшении массы и удельной материалоемкости машины, сумма капитальных вложений достаточна существенна. Это говорит о том, что стоимость и изготовление деталей модернизируемого узла гомогенизатора высокая. [19]
Заключение
В ходе выполнения данного курсового проекта были решены следующие задачи:
Во-первых, это закрепление знаний, полученных за время изучения теоретического материала, а также применение этих знаний при решении данной технической задачи, а именно усовершенствование гомогенизатора клапанного типа, как следствие приобретение начальных навыков проектирования.
Во-вторых, ознакомление с технологией производства пастеризованного молока с соблюдением необходимых режимов и параметров, а также проведение необходимых технологического, энергетического, кинематического, экономического расчетов.
В-третьих, в результате выполнения данного курсового проекта, мы ознакомились с основными особенностями гомогенизаторов.
Список используемой литературы
-
Г.Н. Крусь., А.М. Шалыгина., З.В. Волокитина. " Методы исследования молока и молочных продуктов".М.: "Коло сС", 2002 г.
-
Г.Н. Крусь., А.Г. Храмцов., З.В. Волокитина., С.В. Карпычев. "Технология молока и молочных продуктов".М.:"КолосС", 2004г.
-
С.А. Бредихин., Ю.В. Космодемьянский., В.Н. Юрин. "Технология и техника переработки молока".М.: "КолосС", 2003г.
-
С.Т. Антипов., И.Т. Кретов., А.Н. Остриков., В.А. Панфилов., О.А. Ураков. "Машины и аппараты пищевых производств". М.: "Высшая школа", 2001.
-
П.Ф. Дьяченко. "Технология молока и молочных продуктов". М.: "Высшая школа", 2000 г.
-
Н.И. Томбаев. "Справочник по оборудованию предприятий молочной промышленности", М.: "Пищевая промышленность" 1972 г.
-
Л.И. Степанова. "Справочник технолога молочного производства. Технология и рецептура. Цельномолочные продукты.". СПб.: "ГИОРД" 2004 г.
-
Е.И. Березин., Т.В. Ковалева. "Машины и оборудование для цехов и предприятий малой мощности по переработке с/х. сырья", М.: "Пищпром" 1974 г.
-
Сборник технологических инструкций по производству сливочного и топленого масла.
-
А.Г. Храмцов., Э.Ф.Кравченко., С.С.Петровский. "Сборник технологических по производству сливочного и топленого масла" М.: "Легкая и пищевая промышленность", 1981 г.
-
В.П. Соколовский., Г.Г. Вольсон. "Пищевая и лечебная ценность молока и молочных продуктов", М.: "Пищевая промышленность", 1988 г.
-
В.М. Кузюр, "Методические указания по выполнению курсовой работы по дисциплине "Технология хранениия и переработки сельскохозяйсвенной продукции.""
-
И.Б. Гисин., В.И. Сирик. "Технология молока и молочных продуктов", М.: "Пищевая промышленность", 1973 г.
-
"Инструкция по микробиологическому контролю на предприятиях молочной промышленности" М.: "Пищевая промышленность", 1988 г.
-
Сурков В.Д. Технологическое оборудование предприятий молочной промышленности / В.Д. Сурков, И.Н. Липатов, Н.В. Барановский. – 2‑е изд., перераб. и доп. – М.: Пищевая промышленность, 1970. – 552с.
-
Принципы синтеза технологических схем: учебное пособие по выполнению технологической системы в дипломных и курсовых проектах / К.Ф. Красильникова, Э.И. Уютова, Ю.В .Попов, В.А. Навроцкий; ВолгГТУ. – Волгоград: РПК "Политехник", 2001. – 107с.
-
. Галат Б.Ф.Справочник по технологии молока / Б.Ф. Галат, Н.И. Машкин, Л.Г. Козага. – 2-е изд., перераб. и доп. – К.: Урожай, 1990. – 192с.
-
Афонина О.А., Иванов С.П. Методические указания по выполнению раздела “Охрана труда” в дипломных работах.
-
Алешина О.Н. Конспект лекций по курсу “Экономика производства и организация планирования.”
-
Крылов В.А., Яров В.Н. Методические указания к дипломному проектированию по курсу “Охрана труда”.
-
Бормотова В.А. Методические указания по выполнению организационно-экономической части дипломных проектов.
-
Патент РФ от 12.02.2000 "Гомогенизирующая головка", патентообладатель Воронежская Государственная Академия
ПРИЛОЖЕНИЕ
Прайс лист на запасные части к гомогенизатору А1-ОГ2М (-2,5; А1-ОГМ)
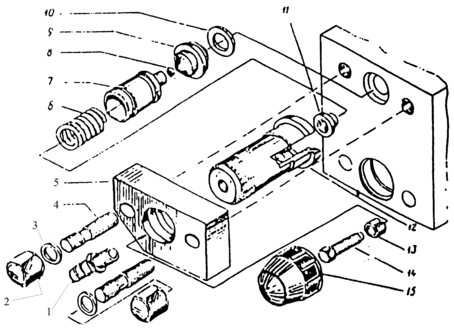
Кривошипно-шатунный механизм А1-ОГ2М (-2,5):
| Рисунок | Обозначение | Наименование | Цена с НДС, тенге |
| 1 | А1-ОГМ 01.039М | Гайка | |
| 2 | А1-ОГМ 01.038М | Винт | |
| 3 | А1-ОГМ 01.037М | Крышка | |
| 4 | А1-ОГМ 01.041М | Прокладка | |
| 5 | А1-ОГМ 01.036М | Диск | |
| 6 | А1-ОГМ 01.700М | Штуцер | |
| 7 | 1.1х25х42-1 | Манжета | |
| 8 | М6х12.56.016 | Винт | |
| 9 | 7522 | Подшипник | |
| 10 | 4х40.019 | Шплинт | |
| 11 | М20.6Н.6.016 | Гайка | |
| 12 | А1-ОГМ 01.007 | Крышка | |
| 14, 16 | А23.01-14.001 АН1 | Вкладыш (Ø 130) | |
| 17 | А1-ОГ2М 01.008 | Коленвал А1-ОГ2М | |
| А1-ОГ2М-2.5 01.006 | Коленвал А1-ОГ2М-2.5 | ||
| 18 | А1-ОГМ 01.002М | Прокладка | |
| 19 | А1-ОГМ 01.014М | Кольцо упорное | |
| 20 | 1.1-90х120-1 | Манжета | |
| 21 | М12х40.56.029 | Болт | |
| 22 | 12.65Г.029 | Шайба | |
| 23 | А1-ОГМ 01.001М | Крышка | |
| 24 | А1-ОГМ 01.033М | Болт шатунный | |
| 25 | А1-ОГМ 01.800СБ | Шатун | |
| 26 | А1-ОГМ 01.503М | Втулка | |
| 27 | М8х12 | Винт | |
| 28 | М6х16 | Винт | |
| 29 | А1-ОГМ 01.053М | Ползун | |
| 30 | А1-ОГМ 01.025М | Кольцо опорное | |
| 31 | А1-ОГ2М 01.006 | Сальник | |
| 32 | М8х20.56.029 | Болт | |
| 33 | 8.65Г.029 | Шайба | |
| 34 | М8х20 | Болт | |
| 35 | А1-ОГМ 01.013М | Крышка | |
| 36 | А1-ОГМ 01.026М | Крышка | |
| 37 | А1-ОГМ 01.011М | Палец | |
| 38 | А1-ОГМ 01.032М | Втулка | |
| 39 | 12.65Г.029 | Шайба | |
| 40 | М12х40.56.029 | Болт | |
| 41 | 01.001 | Кривошипно-шатунный механизм | |
| 42 | 01.000сб | ″―″ | |
| 43 | Корпус | 01.027 |
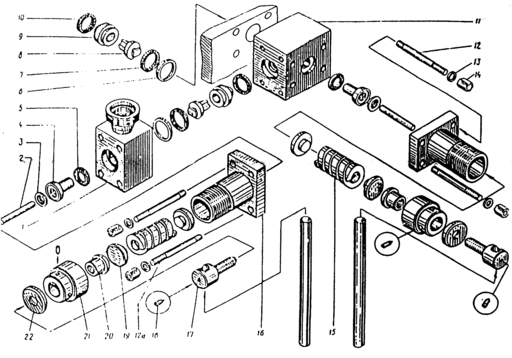
Блок плунжерный А1-ОГ2М (-2,5):
| Рисунок | Обозначение | Наименование | Цена с НДС, тенге |
| 1 | К5-ОГА-1.2 02.022 | Болт | |
| 2 | К5-ОГА-1.2 02.029-01 | Шайба | |
| 3 | К5-ОГА-1.2 02.400 | Штуцер | |
| 4 | К5-ОГА-1.2 02.013 | Прокладка | |
| 5 | А1-ОГ2М 02.001 | Блок | |
| 6 | А1-ОГМ 02.019М | Плунжер А1-ОГ2М | |
| А1-ОГ2М 2.5 02.001 | Плунжер А1-ОГ2М-2.5 | ||
| 7 | К5-ОГА-1.2 02.012 | Кольцо | |
| 8 | А1-ОГМ 02.006М | Кольцо опорное | |
| 9 | А1-ОГМ 04.028А | Манжета | |
| 10 | А1-ОГМ 02.007М | Кольцо нажимное | |
| 11, 25 | К5-ОГА-1.25 02.029 | Шайба | |
| 12 | А1-ОГМ 02.004М | Болт | |
| 13 | А1-ОГМ 02.200М | Ключ | |
| 14 | А1-ОГМ 02.009М | Гайка | |
| 15 | А1-ОГ2М 02.002 | Крышка | |
| 16 | К5-ОГА-1.2 02.027 | Шпилька | |
| 17 | К5-ОГА-1.2 02.012 | Кольцо | |
| 18 | К5-ОГА-1.2 02.009 | Прокладка | |
| 19 | К5-ОГА-1.2 02.005 | Седло клапана | |
| 20 | К5-ОГА-1.2 02.006 | Втулка | |
| 21 | К5-ОГА-1.2 02.007 | Клапан | |
| 22 | К5-ОГА-1.2 02.032 | Пружина | |
| 23 | К5-ОГА-1.2 02.031 | Крышка | |
| 24 | К5-ОГА-1.2 02.300 | Гайка | |
| 26 | К5-ОГА-1.2 02.200 | Фланец | |
| 27 | А1-ОГМ 02.018М | Крышка | |
| 28 | А1-ОГМ 02.100МАСБ | Фильтр | |
| 29 | К5-ОГА-1.2 02.028 | Прокладка | |
| 30 | К5-ОГА-1.2 02.014 | Крышка | |
| 31 | К5-ОГА-1.2 02.029-02 | Шайба | |
| 32 | К5-ОГА-1.2 02.021 | Болт | |
| 33 | 02.000сб | Плунжерный блок |
Установочные размеры головки: Межцентровые расстояния отверстий 84 и 47 мм, Диаметр четырёх отверстий 14 мм.
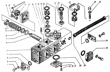
Головка гомогенизирующая А1-ОГ2М (-2,5; А1-ОГМ):
| Рисунок | Обозначение | Наименование | Цена с НДС, тенге |
| 1 | А1-ОГМ 05.800МАСБ | Корпус | |
| 2 | К5-ОГА-1.2 05.008 | Толкатель | |
| 3 | А1-ОГМ 05.045М | Воротник | |
| 4 | А1-ОГМ 05.034М | Втулка | |
| 5 | К5-ОГА-1.2 05.012 | Прокладка | |
| 6 | А1-ОГМ 05.054МА | Кольцо | |
| 7 | А1-ОГМ 05.066МА-01 | Прокладка | |
| 8 | А1-ОГМ 05.053МА | Клапан | |
| 9 | А1-ОГМ 05.052МА | Седло клапана | |
| 10 | А1-ОГМ 05.066МА | Прокладка | |
| 11 | А1-ОГМ 05.051МА | Корпус | |
| 12 | А1-ОГМ 05.064МА-01 | Шпилька | |
| 12а | А1-ОГМ 05.064МА | Шпилька | |
| 13 | К5-ОГА-1.2 02.029-02 | Шайба | |
| 14 | А1-ОГМ 05.900МА | Гайка | |
| 15 | А1-ОГМ 05.069МА | Пружина | |
| 16 | А1-ОГМ 05.068МА | Стакан | |
| 17 | А1-ОГМ 05.062МА | Винт | |
| 18 | К5-ОГА-1.2 05.024 | Винт | |
| 19 | А1-ОГМ 05.056МА | Пята | |
| 20 | К5-ОГА-1.2 05.003 | Втулка | |
| 21 | А1-ОГМ 05.071МА | Гайка | |
| 22 | А1-ОГМ 05.061МА | Контргайка | |
| 23 | 05.005 | Седло клапана (гидр.) | |
| 24 | 05.006 | Втулка (гидр.) | |
| 25 | А1-ОГМ 05.000 | Головка гомогенизирующая (ручное управление) | |
| 26 | А1-ОГМ | Ремкомплект головки | |
| 27 | А1-ОГ2М | ″―″ |
Клапан предохранительный А1-ОГ2М (-2,5; А1-ОГМ):
| Рисунок | Обозначение | Наименование | Цена с НДС, тенге |
| 1 | К5-ОГА-1.2 07.026 | Штуцер | - |
| 2 | К5-ОГА-1.2 05.100СБ | Гайка | - |
| 3 | К5-ОГА-1.2 02.029-01 | Шайба | - |
| 4 | К5-ОГА-1.2 07.024 | Шпилька | - |
| 5 | К5-ОГА-1.2 07.014 | Фланец | - |
| 6 | А1-ОГМ 07.004М | Пружина | - |
| 7 | К5-ОГА-1.2 07.032А | Клапан | - |
| 8 | К5-ОГА-1.2 07.031А | Вставка | - |
| 9 | К5-ОГА-1.2 07.029А | Седло | - |
| 10 | К5-ОГА-1.2 05.012 | Прокладка | - |
| 11 | К5-ОГА-1.2 07.015 | Пята | - |
| 12 | К5-ОГА-1.2 07.021 | Стакан | - |
| 13 | К5-ОГА-1.2 07.025 | Гайка | - |
| 14 | К5-ОГА-1.2 07.019 | Винт | - |
| 15 | К5-ОГА-1.2 07.023 | Колпак | - |
Манометрическая головка
| Рисунок | Обозначение | Наименование | Цена с НДС, тенге |
| 1 | МТИ-160 (МП4У-400) | Манометр | |
| 2 | МТП-3М 60х60 | Манометр | |
| 3 | МТП-3М 60х6 | Манометр | |
| 4 | 5322 | Исполнительный элемент разделителя мембранного | |
| 5 | А1-ОГМ 06.000 | Манометрическая головка в сборе |
Прайс лист на гомогенизаторы
| Марка | Производительность | Примечание | Цена с НДС |
| К5-ОГ2А-500 | 500 л/час | Нерж. обшивка | 280 000 |
| К5-ОГ2А-1.25 | 1250 л/час | Нерж. обшивка | 440 000 |
| ГМ-1.25/20 | 1250 л/час | Нерж. обшивка | 470 000 |
| А1-ОГМ-2.5 | 2500 л/час | Нерж. обшивка | 490 000 |
| А1-ОГМ-5 | 5000 л/час | Нерж. обшивка | 550 000 |
| А1-ОГМ-10 | 10000 л/час | Нерж. обшивка | 1050 000 |
| М6-ОГА | 760-1520 кг/час | Нерж. обшивка | 330 000 |
ГОМОГЕНИЗАТОРЫ. ДИСПЕРГАТОРЫ
| Марка | Производительность | Примечание | Цена с НДС |
| П8-ОРД-1,5 | 1500 л/час | Договорная | |
| П8-ОРД-10М | 10000 л/час | Договорная | |
| П8-ОРД-10М-02 | 10000 л/час | Договорная | |
| П8-ОДС | 10000 л/час | Договорная |
МАСЛООБРАЗОВАТЕЛИ
| Марка | Производительность | Примечание | Цена с НДС |
| П8-ОС-2Т(мини) | от 150 до 300 кг/час | Договорная | |
| Т1-ОМ-2Т | до 700 кг/час | Договорная | |
| Я7-ОМ-3Т | до 800 кг/час | Договорная | |
| Я7-ОМ-3Т-М | до 900 кг/час | Договорная | |
| Р3-ОУА | до 1000 кг/час | Договорная | |
| Р3-ОУА-М | до 1800 кг/час | Договорная | |
| Р3-ОУА-2М | до 3000 кг/час | Договорная |
ОБОРУДОВАНИЕ ДЛЯ ВАКУУМНОЙ ОБРАБОТКИ МОЛОКА
| Марка | Производительность | Габаритные размеры, мм | Цена с НДС |
| Дезодорационная установки | |||
| П8-ОДУ-З-5 | 3000-5000 л/час | 2000 / 1000 / 3000 | Договорная |
| П8-ОДУ-З-10 | 6000-10000 л/час | 2460 / 1000 / 4100 | Договорная |
| Деаэрационная установки | |||
| П8-ОДУ-А5 | 3000-5000 л/час | 2000 / 1000 / 3000 | Договорная |
| П8-ОДУ-А10 | 6000-10000 л/час | 2460 / 1000 / 4100 | Договорная |
| Марка | Объем дозирования | Примечание | Цена с НДС |
| Фасовочно-упаковочные автоматы | |||
| М6-АР1С | 50 гр. | 460 000 | |
| М6-АР2С | 100 гр. | 460 000 | |
| М6-АР2Т | 125 / 250 гр. | 460 000 | |
| АРМ | 200 / 250 гр. | 450 000 | |
| АРМ-01 | 100 гр. | 450 000 | |
| АРМ-02 | 100 гр. | 450 000 | |
| АР1М | 250 гр. | 450 000 | |
| Разливочные автоматы | |||
| АО-111 | 0.25, 0.5, 1.0 л | Вертикальный | 245 000 |
| М6-ОРЗ-Е | 0.25, 0.5, 1.0 л | Вертикальный | 220 000 |
| Дарус-ПАК | 0.25, 0.5, 1.0 л | 45 пак/мин, с фотометкой | 380 000 |
| Банкоукладчики | |||
| МБУ-7М | произв-ть 200 шт./мин | Полуавтомат | Договорная |
| МБУ-9М | произв-ть 200 шт./мин | Полуавтомат | Договорная |
ФАСОВОЧНОЕ ОБОРУДОВАНИЕ
| Название | Примечание | Цена с НДС |
| Маслобойка | Договорная | |
| Пресс-тележка с винтовым прессом для творога | Полезная емкость от 200 л | Договорная |
| Ванна сыродельная открытого типа | Полезная емкость 1000 л | Договорная |
| Машина термоусадочная марки АТ 001 | Произ-сть: не менее 300 пак/ч | Договорная |
| Сыроизготовитель открытого типа | Полезная емкость 10000 л | Договорная |
| Пресс туннельного типа для прессования сыра | Нерж. каркас | Договорная |
| Формовочный аппарат емкостью 5, 10 и 25 м3 | Толщины пласта, мм: 65-240 | Договорная |
| Фризер мягкого мороженного "Фризер 30" | Договорная | |
| Воздухоотделитель | Договорная | |
| Счетчик молока ультразвуковой | Договорная | |
| Счетчик молока вихревой | Договорная | |
| Станция приемки и учета молока | 6300/ 10000/ 25000 л/час | от 185000 до 300 000 |
















