122851 (689262)
Текст из файла
МИНИСТЕРСТВО СЕЛЬСКОГО ХОЗЯЙСТВА И ПРОДОВОЛЬСТВИЯ РЕСПУБЛИКИ БЕЛАРУСЬ
БЕЛАРУССКИЙ ГОСУДАРСТВЕННЫЙ АГРАРНЫЙ ТЕХНИЧЕСКИЙ УНИВЕРСИТЕТ
Кафедра автоматизированных систем управления производством
КУРСОВАЯ РАБОТА
по “Основам автоматики”
Анализ системы автоматического регулирования разрежения в топке
Студента гр……. .22 зптк
Руководитель _____________
МИНСК 2008
Содержание
Введение
1. Характеристика объекта управления, описание устройства и работы САР, составление её функциональной схемы, принцип автоматического управления и вид схемы
2. Составление структурной схемы
3. Определение закона регулирования системы
4. Определение передаточных функций системы по управляющему воздействиям и для ошибок по этим воздействиям
5. Анализ устойчивости системы. Определение устойчивости запасов
5.1 Анализ устойчивости по критерию Гурвица
5.2 Анализ устойчивости по критерию Найквиста
5.3 Определение запасов устойчивости
6. Анализ зависимости статической ошибки системы от изменения управляющего воздействия на систему
7. Совместный анализ изменения управляемой величины объекта управления и системы от возмущающего воздействия в статике. Определение статической ошибки системы по возмущающему воздействию
8. Оценка качества управления по переходным функциям
8.1 Отклонения регулируемой величины от своего установившегося значения характеризуется следующими величинами, показаниями
8.2 Быстродействие системы оценивается временем регулирования
8.3 Колебательность переходного процесса
9. Общие вопросы по работе
Литература
Введение
Цель работы: закрепление базовых знаний по курсу "Основы автоматики" на примере проведения анализа системы автоматического регулирования разрежения в топке.
Задание:
Дать краткую характеристику объекта управления, описать устройство и работу системы, составить её функциональную схему. Сделать вывод о принципе автоматического управления, и виде системы.
Составить структурную схему системы.
Определить закон регулирования системы.
Определить пересадочные функции системы по управляющему (задающему), возмущающему воздействиям и для ошибок по этим воздействиям.
Выполнить анализ устойчивости системы по критериям Гурвица и Найквиста. Определить запасы устойчивости.
Проанализировать зависимость статической ошибки системы от изменения управляющего (задающего) воздействия на систему. Сделать вывод о характере этой зависимости.
Провести совместный анализ изменения управляемой (регулируемой) величины объекта управления и системы от возмущающего воздействия в статике. Дать их сравнительную оценку. Определить статическую ошибку системы по возмущающему воздействию.
Оценить качество управления по переходным функциям.
Сделать общие выводы по работе.
Таблица 1 - исходные данные.
| Вар. | Сх. | К1 | К2 | Т1, с | кд | Тд, с | ку | кдв | кр | кв | кп | Тдв, с |
| 28 | 4 | 2 | 0,4 | 3 | 0,1 | 0,3 | 60 | 0,08 | 0,1 | 20 | 0,2 | 0,5 |
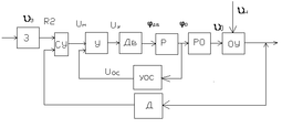
1. Характеристика объекта управления, описание устройства и работы САР, составление её функциональной схемы, принцип автоматического управления и вид схемы
Объектом управления является котёл. Регулируемой величиной разрежения воздуха внутри топки. Целью управления является поддержание нормального топочного режима на постоянном заданном уровне с помощью поворотных заслонок, что позволяет регулировать разрежение за счёт производительности дымососа. Основное возмущающее воздействие - применение расхода воздуха в топке.
Датчиком разрежения является дифтягометр, соединённый с верхней частью топки. Устройство сравнения выполнено на дифференциальном усилителе. Задатчик - потенциометр - формирует сигнализацию.
Управляющим воздействием на ОУ является производительность. Основное возмущающее воздействие изменения давления воздуха в топке Рт от расчётного. Дополнительным возмущающим воздействием может быть изменение потенциометра. Устройство сравнения выполнено на дифференциальном усилителе. ДУ выполняет функции сравнения, вычитание выходных сигналов (Uоз - Uос - Uз ) и усиление их разности. На вход усилителя поступает напряжение Uз и образный сигнал дифтягометра Uд, и сигнал с дифференциального устройства. Uос входной сигнал для электродвигателя - напряжение Uу, а входной сигнал - угол поворота вала электродвигателя φдв. Входной сигнал для редуктора φдв, выходной сигнал φр - поворота заслонки.
Устройство местной обряжной связи (УОС) выполнен в виде дифференциального преобразователя, выполнен в виде автотрансформатора, угол поворота вала двигателя φдв преобразуется в напряжение Uос, подвижный контакт жёстко связан с валом редуктора.
Регулирующий орган - заслонки, входной сигнал - это угол поворота вала редуктора φр.
Система работает: в установившемся режиме при равенстве разряжения в топке Рт заданному разрежению, сигнал на датчик не подается. При изменении разряжения, например при отсутствии большого количества воздуха в топку, датчик срабатывает, шток датчика связан с сердечником автотрансформатора, сердечник перемещается и изменяется напряжение датчика. Напряжение Uд являющееся сигналом возникшей ошибки системы, усиливается ДУ, и подаётся на обмотку возбуждения электродвигателя. Двигатель через редуктор открывает или закрывает заслонки дымососа, тем самым изменяется отток дымовых газов. Если разрежение выше заданного, то заслонка приоткрывается, а если ниже то закрывается. Одновременно вал электродвигателя изменяет положение сердечника, вследствие чего выходное напряжение Uос автотрансформатора подаётся на ДУ, где вычитается из напряжения Uд датчика. Усилитель усиливает разность напряжений Uд и Uос, за счёт местной отработанной связи обеспечивает пропорциональную зависимость между напряжением Uд и углом поворота вала электродвигателя φдв. Поэтому изменение угла поворота заслонки в дымососе пропорционально величине отклонения разряжения. В результате разрежение в топке возвращается к заданному режиму.
При непрерывном изменении разрежения процесс регулирования идет непрерывно. Если разрежения устанавливается, то через некоторое время система придет в новое установившееся положение.
В системе реализован принцип управления по отклонению.
Система является стабилизирующей.
2. Составление структурной схемы
1) Для составления структурной схемы получим передаточные функции всех элементов системы.
Уравнение объекта управления:
Т1* (dPт/dt) + Рт=к1*Qд - к2Qв;
где Рт, Па - разрежение в топке;
Qд, м3/с - производительность дымососа;
Qв, м3/с - расход воздуха в топку;
Изображение Лапласа.
Т 1*Р* Рт (р) + Рт (р) = к1 * Qд (р) - к2 * Qв (р);
Так как к звену приложено несколько воздействий, то составляем передаточные функции отдельно по каждому воздействию.
При этом остальные воздействия полагают равным нулю. Согласно принципу суперпозиции изменение выходной величины такого звена равно сумме изменений выходных величин по каждому воздействию.
В нашем случае передаточная функция топки котла по управляющему воздействию Qд.
Wy (р) = Рт (р) / Qд (р) = к1/ (Т1*Р + 1);
Рт (р) * (Т1*Р + 1) = к1 * Qд (р);
Wf (р) = Рт (р) / Qв (р) = - (к2/ (Т1*Р + 1)) –
передаточная функция по возмущающему воздействию Qв.
Аналогичным образом получили передаточные функции остальных элементов системы.
2) Датчик: дифтягометр с автотрансформатором Д:
Тд (dUM/dt) + UM = кд Рт;
Тд *Р*UM (р) + UM (р) = кд * Рт (р);
UM (р) (Тд * Р + 1) = кд * Рт (р);
Wд = UM (р) / Рт (р) = кд/ (Тд * Р + 1);
где UM, В - амплитуда выходного напряжения преобразуется.
3) Задатчик (3):
U3 = к3 * Рт3;
U3 (р) = к3 * Рт3 (р);
W3 (р) = V3 (р) / Рт3 (р) = к3;
Рт3, Па - задающее значение разрежения.
4) Дифференциальный усилитель:
Uy = ку (Uз - Uос - Uд);
ДУ состоит из двух звеньев. Первое звено осуществляет вычитание напряжений Uос и Uд из напряжения Uз.
ΔU = (Uз - Uд - Uос);
Второе звено усиливает разность ΔU.
Uy = ку * ΔU;
Uy (р) = ку * ΔU (р);
Wy (р) = Uy (р) / ΔU (р) = ку;
5) Устройство местной обряжной связи УОС.
Uос = к * n * φдв;
φдв град. - угол поворота выходного вала двигателя.
Uос (р) = к * n * φдв (р);
Wn (р) = Uос (р) / φдв (р) = кn;
В устройство УОС входит дифференциальный трансформатор с преобразователем угла поворота.
6) Двигатель постоянного тока с якорным управлением.
Тдв * (d2 φдв/ dt2) + (d2 φдв/ dt) = кдв * Uy;
Тдв * р2 * φдв (р) + р * φдв (р) = кдв * Uy (р);
Wy (р) = φдв (р) / Uy (р) = кдв/ р * (Тдв * Р + 1);
где Uy, В - напряжение управления.
φдв град. - угол поворота выходного вала двигателя.
7) Регулирующий орган дымососа (3) - заслонки.
Qд = кв * φр;
Qд (р) = кв * φр (р);
φр - угол порота дроссельных заслонок
Qд, м3/с - производительность дымососа.
8) Редуктор (р).
φр = кр * φдв;
φр (р) = кр * φдв (р);
Wр = φр (р) / φдв (р) = кр;
где φр, φдв - входной и выходной углы поворота.
Задатчик (з) системы является безинерциальным. Его коэффициент передачи должен быть равен коэффициенту передачи кд датчика. Поскольку заданное Рз и Рд - действительные разряжения должны вычитаться в одном масштабе. Поэтому кд = кз можно перенести за систему управления СУ и
считать, что из данного разрежения Рт непосредственно вычитают Рд и формируют сигнал ошибки "е". Преобразованная таким образом структурная схема САР разряжения в топке котла показана на рис.4.
3. Определение закона регулирования системы
Для определения закона регулирования рассматриваемой системы автоматического регулирования разрежения в топке котла найдем передаточную функцию, определяющую взаимосвязь Qв на объект и ошибки "е":
Подставим в найденное выражение численное значение коэффициентов и получим:
При последовательном соединении звеньев их передаточные функции перемножаются, поэтому:
Окончательно для безинерциального регулятора получаем:
Характеристики
Тип файла документ
Документы такого типа открываются такими программами, как Microsoft Office Word на компьютерах Windows, Apple Pages на компьютерах Mac, Open Office - бесплатная альтернатива на различных платформах, в том числе Linux. Наиболее простым и современным решением будут Google документы, так как открываются онлайн без скачивания прямо в браузере на любой платформе. Существуют российские качественные аналоги, например от Яндекса.
Будьте внимательны на мобильных устройствах, так как там используются упрощённый функционал даже в официальном приложении от Microsoft, поэтому для просмотра скачивайте PDF-версию. А если нужно редактировать файл, то используйте оригинальный файл.
Файлы такого типа обычно разбиты на страницы, а текст может быть форматированным (жирный, курсив, выбор шрифта, таблицы и т.п.), а также в него можно добавлять изображения. Формат идеально подходит для рефератов, докладов и РПЗ курсовых проектов, которые необходимо распечатать. Кстати перед печатью также сохраняйте файл в PDF, так как принтер может начудить со шрифтами.















