122833 (689253)
Текст из файла
ВВЕДЕНИЕ
Хлеб, хлебобулочные и макаронные изделия - пищевые продукты, выпекаемые из теста, приготовленного из муки с добавлением воды, дрожжей, соли, иногда сахара, жиров, солода, патоки, молока, пряностей (анис, тмин и пр.). Содержит до 56% углеводов (в основном крахмал), 5-8% белков, минеральные вещества, аминокислоты, витамины (главным образом группы В). Энергетическая ценность 100 г от 1,1 до 1,4 МДж (347 ккал).
Эти продукты весьма полезны людям: они питательны, хорошо усваиваются организмом, содержат все необходимые для человека витамины (В1, В2, С, А, Д и Е). Как показали научные исследования, они калорийны, содержат повышенное количество сухого вещества, жира, белков и минеральных солей.
Для автоматического отмеривания (дозирования) заданной массы или объема твердых сыпучих, а также вязко-пластичных материалов, в том числе и теста применяются различные виды дозаторов.
Дозаторы обеспечивают выдачу дозы одного или нескольких продуктов (одно- и многокомпонентные дозаторы) одному или разным потребителям (одно- и многоканальные дозаторы); изменяют количество компонентов в заданном соотношении с изменяющимся количеством других дозируемых компонентов (дозаторы соотношения); дозируют вещества в заданной временной или логической последовательности (программные дозаторы).
Блок управления каждого дозаторы - автоматический регулятор. Наибольшая эффективность использования дозаторов достигается, если регулятором или его основой служат микро-ЭВМ или мини-ЭВМ, позволяющие компенсировать влияние внешних возмущающих воздействий (например, параметров технологического режима процесса), вести дозирование по заданной программе, удобно представлять информацию оператору и передавать результаты дозирования (например, общий объем прошедшего продукта) на дозаторы уровня управления.
АНАЛИЗ ДОЗИРУЮЩЕГО ОБОРУДОВАНИЯ
Рассмотрим некоторые виды дозаторов.
Объемные дозаторы. Применяют для дозирования газов, жидкостей, паст, реже твердых сыпучих материалов. Дозы от долей см³ до сотен (тысяч для газов) м³, производительность от менее чем см³/ч до тысяч м³/ч (для газов десятков тысяч), погрешность от 0,5 до 10-20%. Эти дозаторы просты по конструкции, достаточно надежны. Недостатки: зависимость объема дозы от температуры и давления (особенно для газов), значительная погрешность при дозировании пенящихся материалов.
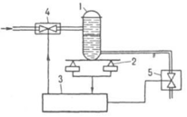
Дозаторы дискретного действия в простейшем случае состоят из одной калиброванной емкости, снабженной датчиком уровня, двух клапанов на входе в емкость и выходе из нее (для повышения точности и производительности дозаторы могут иметь несколько разных по объему емкостей) и блока управления - двухпозиционного автоматического регулятора. Погрешность до 1,5%. Наименьшие погрешность и габариты имеют дозаторы дискретного действия (рис.1) на основе объемных счетчиков продукта (роторы - лопастные, с овальными шестернями, винтовые). Угол поворота ротора, соответствующий объему прошедшего продукта, преобразуется в сигнал, поступающий в блок управления, который вычисляет общий объем прошедшего продукта, сравнивает его с заданием и формирует сигнал на прекращение подачи продукта.
Объемный дозатор дискретного действия на основе счетчика жидкости работает следующим образом (рис.1). Для повышения точности дозирования при достижении 90-95% дозы вентиль 4 закрывают, а расход продукта уменьшают в 4-5 раз с помощью вентиля 5. Для стабилизации или программного изменения расхода блок управления определяет и устанавливает требуемый расход посредством вентиля 6. Дозы от 1 дм³ до десятков м³, погрешность 0,5-1,5%.
Для надежной работы таких дозаторов дозируемую среду тщательно очищают от твердых и газообразных примесей, не допускают кристаллизацию или полимеризацию продуктов в полостях счетчиков, для вращения ротора создают достаточный перепад давлений между входом и выходом дозаторы.
При дозировании в емкости (реакторы), работающие под давлением, равным или превышающем давление среды на входе в дозаторы, а также для дозирования вязких и пастообразных продуктов применяют дозаторы на основе насосов вытеснения (поршневых, плунжерных, шестеренчатых, диафрагменных). При равенстве задания и фактической дозы блок управления отключает насос, перекрывая поток продукта, показывает и регистрирует величину дозы. Диапазон последней от 1 см³ до сотен дм³, минимальная погрешность 1-3%, давление продукта на выходе дозатора до сотен кПа.
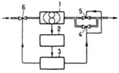
В дозаторах малой производительности (единицы см³/ч) продукт вытесняется с помощью газа или инертной жидкости (рис. 2). При открытом вентиле 4 и закрытом вентиле 5 в случае опускания сосуда 2 емкость 1 заполняется дозируемым продуктом. Для выдачи дозы закрывается вентиль 4 и открывается вентиль 5. При этом сосуд 2 поднимается, что обеспечивает вытеснение части продукта из емкости 1.
Дозаторы непрерывного действия состоят из расходомера (например, индукционного), регулятора и запорного органа (вентиль, задвижка), блока управления и информации. Заданный расход обеспечивается благодаря изменению гидравлического сопротивления регулятора по сигналу от блока управления, в котором определяется также общий объем прошедшего продукта. Запорный орган прекращает его подачу при достижении заданного объема. Дозы от 1 см³ до тысяч м³, точность поддержания расхода в пределах от 1,5- до 2-кратной точности расходомера. Наряду с этими дозаторами на основе расходомеров используют дозаторы в виде емкости с дозируемым продуктом, на выходе которой установлено постоянное гидравлическое сопротивление (диафрагма, спираль, лента, капилляр и т. п.). Стабильность расхода достигается поддержанием уровня или соответствующего давления в емкости.
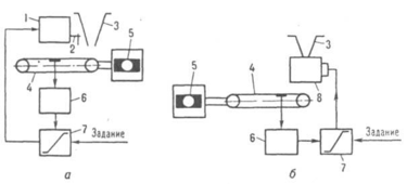
Весовые дозаторы. Применяют для дозирования твердых сыпучих материалов, реже - жидкостей. Дозы от нескольких грамм до сотен килограмм, производительность от сотен до десятков т/ч, погрешность дозирования от 0,1 до 0,5%. Из дозаторов дискретного действия наиболее распространены в промышленности такие, в которых загружаемая емкость установлена на силоизмерительных преобразователях - тензометрических или платформенных весах. Сигнал от преобразователя 2 (рис. 3) поступает в блок управления 3, с помощью которого автоматически взвешивается емкость 1 и формируется команда для управления устройствами загрузки 4 и выгрузки 5. В открытых емкостях с жидкостями массу продукта при дозировании определяют по пропорциональной ей высоте слоя жидкости. Достоинство таких дозаторов - компактность датчиков давления; недостаток - необходимость предварительной градуировки (определение зависимости гидростатического давления от веса продукта в емкости).
В дозаторах непрерывного действия регулируется скорость потока материала или площадь поперечного сечения его слоя. Схема одного из таких дозаторы представлена на рис. 4, а. Дозируемый материал поступает на силоизмерительный транспортер. Вес материала на ленте, пропорциональный производительности дозаторы, измеряется силоизмерительным преобразователем и сравнивается в регуляторе с сигналом задания. В результате устройство 7 вырабатывает корректирующий сигнал, регулирующий высоту слоя материала на ленте.
На рис. 4, б показана схема дозатора с регулируемой скоростью потока материала. Дозируемый материал поступает на силоизмерительный транспортер через питатель. Сигналы задания и расхода подаются в регулятор, который вырабатывает корректирующий сигнал на привод питателя, увеличивая или уменьшая скорость потока материала. Регулирование потока материала можно осуществлять также изменением скорости движения самого весоизмерительного транспортера.
Рис. 1. Объемный дозатор дискретного действия на основе счетчика жидкости: 1- счетчик; 2 -датчик; 3- блок управления; 4-6- вентили.
Рис. 2. Объемный микродозатор на основе вытеснения дозы: 1-емкость; 2- напорный сосуд; 3 -привод; 4,5 -вентили; 6- блок управления.
Рис. 3. Весовой дозатор дискретного действия: 1- емкость; 2 - силоизмерительный преобразователь; 3 - блок управления; 4, 5 - устройства загрузки и выгрузки.
Рис. 4. Весовые дозаторы непрерывного действия с регулированием высоты слоя материала на ленте (а) и скорости потока материала (б): 1 - привод; 2 - заслонка; 3 - бункер; 4, 6 - силоизмерительные транспортер и преобразователь; 5 - электродвигатель; 7 - регулятор; 8 - питатель.
ОПИСАНИ КОНСТРУКЦИИ ДОЗАТОРА ДОЗАТОР ДЛЯ ВЯЗКО-ПЛАСТИЧНЫХ ПРОДУКТОВ
Технические данные:
Диапазон регулировки дозы5-20 мл
Погрешность дозированияне более 3%
Производительностьдо 30 доз/мин
Давление сжатого воздуха6-8 атм
Расход сжатого воздуха13 л/мин
Материал изготовления деталей, контактирующих с продуктомнержавеющая сталь
Дозатор объёмно-поршневой пневматический предназначен для дозирования жидкостей, эмульсий, суспензий, растворов, неабразивных продуктов (вода, спирт, соус, уксус, кетчуп, сметана, тесто, растительное масло и другие схожие по консистенции продукты). Применяется дозатор в пищевой и химической промышленности.
Корпус дозатора:
1) Представляет собой высокоточную металлическую конструкцию, покрытую устойчивой эпоксидной эмалью, стойкой к химическим и механическим воздействиям (возможно изготовление из нержавеющей стали);
2)Обеспечивает стабильную работу на всем протяжении службы.
Гибкая вставка:
Гибкая вставка рекомендуется к применению при фасовке жидкостей: масло, вода, спирт, и соответственно все остальные жидкие среды не коррозирующие нержавеющую сталь, а также при фасовке вязко-пластичных продуктов.
Труба для подачи продукта:
Изготавливается под тару, которая используется для загрузки продукта, при этом учитывают все особенности и подбирают оптимальное решение, учитывая внутренний диаметр горлышка и высоту тары.
Блок регулировки дозы:
1) Обеспечивает плавную регулировку;
2) Позволяет задавать относительно шкалы требуемую величину дозы.
Привод обеспечивает:
1) Более плавной регулировки производительности;
2) Простоты и надежности при эксплуатации.
Режим работы: автоматический
РАСЧЕТЫ
1. Определим производительность дозатора [5]:
Q = 47D²tknρ = 47×0,04²×0,9×0,04×0,9×0,5×900 = 1,1 кг/ч,
где D - диаметр шнека, D = 0,04 м;
t = (0,8…1,0)D;
k = 0,8…1,0;
n – частота вращения, n = 0,33…0,66 об/с;
ρ – плотность дозируемого материала, ρ = 900 кг/м³.
Определим мощность дозатора [5]:
N = N(1) +N(2),
где N(1) – потребляемая мощность, N(1) = 0,8 кВт;
N(2) – мощность на преодоление силы трения в подшипнике.
2. Определим мощность на преодоление силы трения в подшипнике [5]:
N(2) = 0,05 kGDn = 0,05*0,8*10*0,02*0,5 = 0,004 кВт,
где k - коэффициент трения, k = 0,75…0,8;
G - сила тяжести, G = 10 кг;
D - диаметр цапфы, D = 0,02 м;
n - частота вращения, n = 0,5 об/с.
Тогда общая мощность равна:
N = 0,8 + 0,004= 0,804 кВт.
ПРОЧНОСТНЫЕ РАСЧЕТЫ
1. Определение толщины стенки корпуса дозатора [4]
S =
=
= 0,0034 м = 3,4 мм.,
где Dn – наружный диаметр корпуса дозатора, Dn = 0,15 м;
m – запас устойчивости, m = 4,6;
Е – модуль упругости, Е = 200 ГПа;
Е - модуль упругости материала корпуса при температуре 20°С, Е = 210 ГПа;
L – длина корпуса дозатора, L = 1 м.;
С – прибавка на коррозию, С = 0,002…0,004 м.
2. Расчет болта с шестигранной головкой на напряжение растяжения [4].
При вращении болта под действием момента, создаваемого усилием на рукоятке ключа, болт получает затяжку. Стержень болта растягивается усилием затяжки и скручивается моментом Мр в резьбе. Поэтому расчет необходимо вести по приведенному напряжению (оно примерно на 80 % больше напряжения растяжения).
Рисунок 1 – Схема сил, действующих на болт
,
= 1,8
= 35 МПа <=150 МПа
где Q - расчетная осевая нагрузка, Н;
d - внутренний диаметр резьбы болта, мм;
[
]- допускаемое напряжение растяжения, МПа.
Далее можно определить коэффициент запаса прочности по формуле:
,
n =
= 4,3.
3. Расчет вала на прочность [1,2,3]
Общий коэффициент запаса прочности
S =
/
.
Коэффициент запаса прочности по нормальным напряжениям
=
/
Коэффициент запаса прочности по касательным напряжениям
=
/
Вычислим значения
и
в зависимости от предела прочности
по эмпирическим формулам:
= 0,35
+ (70…120)МПа,
= 0,58
,
где
- предел прочности стали,
и
- эффективные коэффициенты концентрации напряжений при изгибе и кручении,
и
- масштабные факторы для нормальных и касательных напряжений,
- коэффициент, учитывающий влияние шероховатости,
- амплитуда циклов нормальных напряжений,
- амплитуда циклов нормальных напряжений,
и
- коэффициенты.
= 0,35×700 + 100 = 245 МПа,
= 0,58×700 = 406 МПа,
=
= 1,8,
=
= 2,32,
S =
= 1,44.
Определим номинальные напряжения изгиба и кручения:
=
,
Wн =
( 1- 1,54
),
где а – диаметр поперечного отверстия, м.
=
,
Wкн =
( 1-
).
Wн =
( 1- 1,54
) =
(1- 1,54
) = 6,6×
м³,
=
=
= 10,6 МПа,
Wкн =
( 1-
) =
(1-
) = 1,4×
м³,
=
=
= 42,85МПа.
4. Расчет вала на изгиб и кручение.[1,2]:
Проведем расчета кругового вала кругового поперечного сечения на совместное действие изгиба и кручения (рис. 1).
Примем следующий порядок расчета.
1. Разлагаем все внешние силы на составляющие P1x, P2x,..., Pnx и P1y, P2y,..., Pny.
2. Строим эпюры изгибающих моментов My и My от этих групп сил.
У кругового поперечного сечения все центральные оси главные, поэтому косого изгиба у вала вообще не может быть, следовательно, нет смысла в каждом сечении иметь два изгибающих момента Mx, и My а целесообразно их заменить результирующим (суммарным) изгибающим моментом (рис. 2).
3. Строим эпюра крутящего момента Мz.
Наибольшие напряжения изгиба возникают в точках k и k’, наиболее удаленных от нейтральной оси (рис. 3), где Wизг — момент сопротивления при изгибе.
В этих же точках имеют место и наибольшие касательные напряжения кручения, где Wр— момент сопротивления при кручении.
Имеем
Учитывая, что Wр=2 Wизг, для эквивалентных напряжений получаем
,
=
= 92 Н м
где М экв— эквивалентный момент .
Тогда условие прочности для вала будет иметь вид
,
σ экв =
= 66×
Н
Рис.1. Расчетная схема изогнутого и скрученного вала
Рис.2. Формирование результирующего изгибающего момента
Рис.3. Напряженное состояние вала: а) эпюры напряжений б) распределение напряжений
ЗАКЛЮЧЕНИЕ
Рассмотренный дозатор обладает высокими технологическими, энергетическими и прочностными характеристиками.
Кроме того, в этом дозаторе используются высококачественные комплектующие. При изготовлении производится подбор химически стойких материалов контактирующих с фасуемым продуктом, что обеспечивает высокие показатели точности. Для удобства эксплуатации в нем предусматривается плавная регулировка производительности.
Список используемой литературы
1. Голубев А. И. Современные уплотнения вращающихся валов. - М.: Машгиз, 1991. – 324 с.
2. Данилевский В. В. Справочник техника машиностроителя. - М.: Высшая школа, 1962. – 489 с.
3. Детали машин. Атлас конструкций. Под ред. доктора техн. наук проф. Д. Н. Решетова. - М.: Машгиз, 1963. - 56 с.
4. Затворы, дозаторы и питатели (Чертежи общих видов). М.: ГОСИНТИ, 1962. – 38 с.
5. Курочкин А. А. и другие. Дипломное проектирование по механизации переработки сельскохозяйственной продукции. – М.: КолоС, 2006. – 424 с.
Характеристики
Тип файла документ
Документы такого типа открываются такими программами, как Microsoft Office Word на компьютерах Windows, Apple Pages на компьютерах Mac, Open Office - бесплатная альтернатива на различных платформах, в том числе Linux. Наиболее простым и современным решением будут Google документы, так как открываются онлайн без скачивания прямо в браузере на любой платформе. Существуют российские качественные аналоги, например от Яндекса.
Будьте внимательны на мобильных устройствах, так как там используются упрощённый функционал даже в официальном приложении от Microsoft, поэтому для просмотра скачивайте PDF-версию. А если нужно редактировать файл, то используйте оригинальный файл.
Файлы такого типа обычно разбиты на страницы, а текст может быть форматированным (жирный, курсив, выбор шрифта, таблицы и т.п.), а также в него можно добавлять изображения. Формат идеально подходит для рефератов, докладов и РПЗ курсовых проектов, которые необходимо распечатать. Кстати перед печатью также сохраняйте файл в PDF, так как принтер может начудить со шрифтами.
















