122805 (689240), страница 3
Текст из файла (страница 3)
Програмний стіл вирівнює цеглина, компонує за заданою програмою і передає на групуючий стіл великий.
Групуючий стіл великий приймає цеглину з програмного столу і подає на потрійне захват грейфера, призначення якого в знятті рядів цеглини і укладанні на пічні вагонетки в певному порядку.
Пічні вагонетки подаються під садник-автомат з певним кроком за допомогою штовхаючого пристрою.
Завантажені вагонетки транспортують візком маневрового пристрою. Вагонетка переміщається до кінця маневрового шляху і укочується на електролафет КМ.-10В. Є 2 маневрових шляхи від садчика-автомата №1 і №2. Шлях №1 68 м., і шлях №2 120 м. Далі гідроштовхачем печі вагонетка знімається з електролафета і переміщається в піч..
Будова садчика-автомата.
Рис.3. Будова садчика-автомата
Висушені вироби, скомплектовані двома групами по 2 ряди, подаються по рольгангу (поз.1) від розвантажувача. При опусканні рольганга виробу виявляються на ланцюгах конвеєра (поз.2), звідки вони проміжним конвеєром (поз.3) передаються на той, що програмується (поз.4) і далі на комплектуючі (поз.5) конвеєри. Натяжний вал останнього кінематично пов'язаний з датчиком імпульсів ЛІР-158. Між програмуючим і комплектуючим конвеєрами розташований нерухомий склиз, над яким встановлений підйомний упор (поз.6). Число рядів виробів перед комплектуючим конвеєром автоматично підтримується в заданих межах.
Випалювання цегли.
Випалювання цеглини проводиться в тунельній печі з плоским зведенням і верхнім розташуванням пальників.
Таблиця 4. Технічна характеристика тунельної печі.
| № п/п | Найменування показників | Розмірність | Величина |
| 1 | 2 | 3 | 4 |
| 1 2 3 4 5 6 7 8 9 10 11 12 13 14 15 16 | Номінальна проектна продуктивність Добова продуктивність Годинна продуктивність Довжина обпалювального каналу Ширина обпалювального каналу Мінімальний термін випалення Довжина технологічних зон: Підготовки Випалення Охолоджування Кількість вагонеток, що пропускаються піччю: У годину У добу Кількість вагонеток в печі Річний фонд робочого часу Інтервал проштовхування вагонеток Габаритні розміри вагонеток: Ширина Довжина Висота (зна вагонетці Місткість 1 пакету Місткість 1 вагонетки Одноразова місткість печі Робочий тиск газу | млн.шт млн.шт. млн.шт. м м| год. м м м| шт шт шт год. хв. м м м шт. шт. шт. кгс/см.кв. | 30,0 92720 3863 125,0 3,5 58 47 39 39 0,8 20 48 8760 72 3,58 2,6 1,6 6 784 4704 0,5 |
Наявні дві тунельні печі.
Як паливо використовується природний газ (метан).
Головною особливістю печі є перекриття обпалювального каналу плоским підвісним зведенням, виконаним з жаротривкого бетону з вмонтованими живильниками для подачі палива в спеціальні ввідні отвори, розташовані по верху всієї зони випалення.
Введення вагонеток у форкамеру і переміщення їх в печі проводиться за допомогою гідроштовхача. Швидкість просування вагонеток 0,94 м/хв. На початку печі встановлені ворота типу гільйотини.
Видалення димових газів з печі проводиться димососом С-111. Димосос відбирає димові гази через 10 отворів, розташованих на початку пічного каналу (1-5 позицій). Отвори об'єднані в центральний колектор металевим каналом. Відпрацьовані гази по димарю викидаються в атмосферу. Температура димових газів 60С, що відходять. Отвори в каналах мають клапани для ручного регулювання. На всмоктуючому фланці димового вентилятора встановлений клапан для загального регулювання розрядки усередині печі так, щоб воно перед першою групою пальників складало 5-7 кгс/м.кв. (5-7 мм.в.ст.)
Для охолоджування ходової частини обпалювальних вагонеток і обслуговування по всій довжині печі виконаний канал підвагонетки. Температура в каналі підвагонетки не повинна перевищувати 50С.
У зоні попереднього нагріву печі встановлено три пари вентиляторів рециркуляції димових газів для створення рівномірного температурного середовища по перетину каналу печі. Димові гази з ділянок з нижчою температурою засмоктуються через отвори на рівні череня і прямують через отвори в стелі вертикально вниз на ділянки з вищою температурою в простір між пакетами з продукцією.
Температура в зоні підготовки, де установлені вентилятори рециркуляції не перевищує 350С. Кожен ланцюг рециркуляції забезпечений задвижками забору холодного повітря з цеху, які дозволяють проводити регулювання температури.
На першій позиції встановлений вентилятор низькотемпературної рециркуляції (протитиску), що відбирає частину димових газів, що приходять на димосос і що подає їх в канал печі протипотіком по відношенню до основного газового потоку.
У зоні випалення печі, в зведенні, вмонтовані пальники. Є також додаткові звідні отвори, що дозволяють переміщати зону випалення по довжині печі. Установка для подачі газоподібного палива складається з 7 груп газових пальників примусового змішування по 14 пальників в кожній групі. На кожній групі пальників встановлений датчик температури (термопара) в робочому каналі печі. Для подачі повітря до пальників на зведенні печі встановлено 7 вентиляторів системи «вулкан» з повітреводами і арматурою. Для горіння використовується повітря з цеху, але можливе використання гарячого повітря з міжзвідного простору (температура не вище 150-160С).
Вентиляційна система рекуперативного повітря складається з вентилятора ВНСН-16,5, всмоктуючого повітревода, який відбирає повітря з п'яти точок зони охолоджування і з двох точок міжзвідного простору. Кожен всмоктуючий насос забезпечений шибером ручного налаштування по кількості засмоктуваного повітря. Після вентилятора змонтований повітревод для відведення гарячого повітря до камер змішувачів генераторних груп. Температура рекуперативного повітря 180-250 С.
У зоні охолоджування печі встановлено дві пари вентиляторів рециркуляції. Вони служать для повнішого і рівномірного охолоджування обпаленої продукції. Повітря з ділянки з нижчою температурою засмоктується через отвори на рівні череня канал і через отвори в зведенні печі поступає вертикально вниз на ділянки з вищою температурою в простір між пакетами з продукцією.
Вентиляційна система для охолоджування продукції складається з 2-х вентиляторів ВСН-8, пов'язаних з повітреводом, що подає повітря через зведення і стіни. Повітря забирається з цеху або аварійного каналу в зоні охолоджування (або з обох місць одночасно). Регулювання кількості засмоктуваного повітря проводиться з таким розрахунком, щоб температура продукції, що виходить, з печі не перевищувала 50С.
Під час роботи печі контролюється температура по всій довжині робочого каналу, температура в міжзвідному просторі, температура в каналі підвагонетки.
По довжині печі з цеглою відбуваються наступні процеси:
Зона підготовки – підсушила сирцю і нагріваючи його до температури 500-540С.
Зона випалення – випалення цеглини при температурі 900-980С.
Зона гартування і охолоджування – гарт і охолоджування обпаленої продукції до 50С.
Регулювання температури повітря в каналі вагонетки здійснюється за допомогою вентиляторів Ц-4-70 №8, встановленими зовні цеху по 1 штуці на піч. Вентилятори подають холодне повітря в шахту, сполучену з піччю підземним каналом.
Для попередження виходу з ладу плит підвісної стелі і металевих балок на печі встановлені пари вентиляторів:
Вентиляційне устаткування встановлене на вібропідставах.
Обпалена продукція, що виходить з печі, виставляється лафетом КМ.-10 і штовхачем на запасний шлях і розвантажується козловим краном ККТ-5 вантажопідйомністю 5 тонн. Проліт крана 16 метрів, висота підйому 7,1 м. Пакети за допомогою контейнера виставляються на майданчик, де проводиться розбраковувана і укладання на піддони.
Розвантаження готової продукції.
На майданчику готової продукції ведеться контроль службою ОТК. З декількох місць вибираються зразки, за наслідками випробувань яких визначається приймання партії. За партію вважається кількість цеглини, що випускається, за добу. На кожну партію виписується паспорт встановленого зразка, що містить:
-
найменування підприємства;
-
дату випуску паспорта;
-
дату випуску виробів;
-
кількість виробів в партії;
-
вид виробів;
-
марку;
-
водопоглинання;
-
межа міцності при стиску і згині;
-
морозостійкість;
-
питому ефективність природних радіонуклідів;
-
теплопровідність виробів;
-
масу виробів;
-
підпис лаборанта-контролера і печатка.
Таблиця 6. Коротка характеристика технологічного устаткування
| № п/п | Найменування устаткування | Тип (марка) | К-ть | Технічна Характеристика |
| 1 | 2 | 3 | 4 | 5 |
| 1 2 3 4 5 6 7 8 9 10 11 12 13 14 15 16 17 18 19 20 21 | Бульдозер Одноковшовий екскаватор Вантажний автомобіль Розпушувач Живильник стрічковий Конвеєр стрічковий Глиномішалка Бігуни Конвеєр стрічковий Конвеєр стрічковий Вальці грубого помелу Конвеєр стрічковий Конвеєр стрічковий Розстельний міст Багатоковшовий екскаватор Конвеєр стрічковий Живильник ящичний Конвеєр стрічковий Вальці тонкого помолу Фільтр-змішувач Прес шнековий | Т-130 (ДЗ-27С) ЕО-1252 ЕО-5111 Камаз 5511 СМ-1031М КМ.-21 СМК-126 КМ.-25 МГФ-1000 ЛТГС-650 ЛТГС-700 БМК- 11-25/40 ЛТГС-800 КМ.-22 МГФ-36 ГДФ-302 ПВШ-500 | 2 1 1 2 2 2 4 2 2 2 2 2 1 1 2 2 1 2 4 2 2 2 | Потужність двигуна 240 к.с. Потужність двигуна 240 к.с., прод.80м.куб/год об'єм ковша 1,5 м.куб. потужність двигуна 160 л.с., произв.60м.куб/год об'єм ковша 1,25 м.куб. Потужність двигуна 270 к.с., місткість кузова 14т. Продуктивність 35 м.куб/год, навантаження 30 м.куб/год, потужність ел/двигуна 11 кВт, 1000 об/хв. Продуктивність 35 м.куб/год, навантаження 25 м.куб/год, потужність ел/двигуна 7,5 кВт, 1500 об/хв. Продуктивність 35 м.куб/год, навантаження 25 м.куб/год, потужність ел/двигуна 5 кВт, 1500 об/хв. Продуктивність 35 м.куб/год, навантаження 25 м.куб/год, потужність ел/двигуна 40 кВт, 1500 об/хв. Продуктивність 30-40 м.куб/год, навантаження 25 м.куб/год (70%), потужність ел/двигуна 55 кВт, 1500 об/хв. Ширина стрічки 1600 мм., продуктивність 55 м.куб/год, навантаження 25 м.куб/год, потужність ел/двигуна 5 кВт, 1500 об/хв. Ширина стрічки 650 мм., продуктивність 40 м.куб/год, навантаження 25 м.куб/год, ел/двигуна 5 кВт, 1500 об/хв. 30м.куб/год, нагруз.м.куб/год, ел/двигуна 75 кВт, 1000 об/хв, діам. валків 1000 мм., ширина 800 мм., робочий зазор між валками 5-7 мм продуктивність 30 м.куб/год, навантаження 25 м.куб/год, ел/двигуна 5,5 кВт, 1500 об/хв. продуктивність 30 м.куб/годас, навантаження 25 м.куб/год ел/двигуна 5,5 кВт, 1500 об/хв. Продуктивність 40 м.куб/год, швидкість пересування моста 0,12 м/с, швидкість руху людини 8 м./хв. Продуктивність 35 м.куб/год, кут нахилу стріли до 45 град. Продуктивність 35 м.куб/год, навантаження 20 м.куб/год, ел/двигуна 7,5 кВт, 1500 об/хв. продуктивність 25 м.куб/хв, навантаження 20 м.куб/год, ел/двигун 7,5 кВт, 1500 об/хв., швидкість стрічки 0,95 м/хв продуктивність 30 м.куб/год, навантаження 20 м.куб/годас, ел/двигун 5,5 кВт, 1500 об/хв. продуктивність 36 м.куб/год, навантаження 20 м.куб/год, ел/двигун 75,45 кВт, частота об. валків 320/280 об/хв., діам. валків 1000, зазор між валяннями 2-4 мм. продуктивність 30 м.куб/год, навантаження 20 м.куб/год, ел/двигун 93 кВт, 1500 об/хв., частота обертання лопаток 24 об/хв продуктивність 10000 шт.умов.цегл./год, навантаження 7600, сумарна потужність ел/двигунів 177 кВт, 1500 об/хв., діам|. шнеків 500 мм., розрядка в камері 680-700 мм.рт.ст(0,91-0,94 кг/см.кв.) |
Специфікація засобів вимірювання
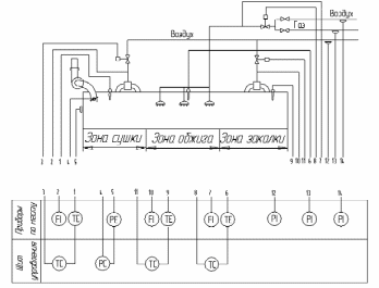
Зобразимо функціональну схему автоматичної системи регулювання:
Рис.4 функціональна схема АСР.
















