122804 (689239), страница 3
Текст из файла (страница 3)
Потенційними споживачами нової розробки будуть ферми з безприв’язним утриманням корів та доїнням в доїльних залах. Вирішенням проблеми оновлення устаткування доїльних залів для автоматизації процесу доїння займаються лише зарубіжні організації. Заслужену популярність у досвідчених тваринників різних країн мають ефективні засоби контролю молочної продуктивності фірм "Вестфалія Ландтехнік" (Німеччина), “Альфа Лаваль Агрі” (Швеція), Гаскон Мелотт (Нідерланди), "Три-Тест Дистриб'ютора Лтд" (Нова Зеландія), "Бебсон Браз. Ко" (США), "Леммер-Фулвуд" (Великобританія), "Манус" (Нідерланди), "Імпульса АГ" (Німеччина) та інших спеціалізованих компаній, що займаються автоматизацією контролю й управління технологічними процесами на молочних фермах. Однак, як було сказано вище, вони не можуть складати конкуренції для нової розробки, оскільки мають недосяжні для українського фермера ціни.
3. Розробка структурних схем
3.1 Розробка структурної схеми автоматизованої системи вимірювання удоїв та управління доїльними апаратами
Для вирішення поставлених задач розробимо структурну схему автоматизованої системи вимірювання удоїв і управління доїльними апаратами. Ця структурна схема наведена у графічній частині та на рисунку 3.1.
Рисунок 3.1 - Структурна схема автоматизованої системи вимірювання удоїв і управління доїльними апаратами
Система складається з шістнадцяти блоків доїння та лічильника загального удою. Всі ці прилади розташовуються в доїльному залі, який розрахований на шістнадцять місць. Біля кожного доїльного апарата розташовують блок доїння, який керує його роботою та вимірює удій. Лічильник загального удою приймає інформацію від всіх шістнадцяти блоків доїння, підсумовує удій та виводить його на індикацію.
Структурна схема складається з чотирьох основних блоків:
Б N - блок доїння (N - порядковий номер блоку);
ЛЗУ - лічильник загального удою;
БЖС - блок живлення системи;
БЖЛЗ - блок живлення лінії зв’язку.
Блок доїння призначений для збору, накопичення, збереження й індикації інформації про удій, автоматичного доїння і додоювання корів, передачі інформації про удій на лічильник загального удою (ЛЗУ).
Лічильник загального удою призначений для збору, накопичення, зберігання та індикації інформації про удій при машинному доїнні. Він забезпечує сумування результатів про удій від блоків доїння та індикацію інформації про сумарний удій всієї доїльної установки.
Блок живлення системи забезпечує живлення лічильника загального удою та блоку доїння.
Блок живлення лінії зв’язку забезпечує живлення лінії зв’язку. Між лінією зв’язку, по якій передаються дані від блоків доїння до лічильника загального удою та всією системою для підвищення завадостійкості бажано забезпечити відсутність електричного зв’язку. Тому для живлення всієї системи та лінії зв’язку виділяються окремі джерела живлення. Розв’язання лінії зв’язку та інших блоків буде здійснюватись оптичним шляхом.
3.2 Розробка структурної схеми блоку доїння
С
труктурна схема блоку доїння наведена на рисунку 3.2.
Рисунок 3.2 - Структурна схема блоку доїння
Структурна схема блоку доїння складається з наступних блоків:
MCU - мікроконтролер;
HG - трьохрозрядний світлодіодний індикатор;
ST - стабілізатор напруги живлення;
ОП - оптрон;
КД - ковшовий давач;
СУЕМ - система управління електроклапаном “масаж”;
СУЕЗ - система управління електроклапаном “зняття”;
ЕМ - електроклапан “масаж”;
ЕЗ - електроклапан “зняття".
В блоці доїння центральну функцію виконує мікроконтролер MCU. Він керує індикацією HG, підраховує імпульси від ковшового давача КД, здійснює керування електроклапанами ЕМ та ЕЗ в залежності від інтенсивності молоковіддачі, забезпечує передачу інформації про величину удою до лічильника загального удою через оптрон.
3.3 Розробка структурної схеми лічильника загального удою
Структурна схема лічильника загального удою наведена на рисунку 3.3.
Рисунок 3.3 - Структурна схема лічильника загального удою.
Лічильник загального удою здійснює підрахунок імпульсів, які поступають від блоків доїння. Кожен блок доїння формує один імпульс при спрацьовуванні ковшового давача, що еквівалентно збільшенню удою на 100 грам. Імпульси від всіх блоків доїння поступають на лічильник загального удою, який збільшує свої показання на одиницю після появи кожного десятого імпульса. Таким чином дискретність показань Лічильника загального удою складає 1 кілограм. Імпульси від блоку доїння поступають до лічильника загального удою через оптрон ОП. Живлення лінії передачі даних здійснюється від окремого стабілізованого джерела живлення. Стабілізацію напруги здійснює стабілізатор ST2. Живлення мікроконтролера та інших вузлів лічильника загального удою здійснюється від іншого джерела живлення, стабілізацію напруги якого здійснює стабілізатор ST1.
4. Розробка принципових схем
4.1 Розробка принципової схеми блока доїння
Принципова схема блока доїння наведена в графічній частині.
Центральним блоком блоку доїння є мікроконтролер. В якості мікроконтролера обираємо AVR мікроконтролер AT90S8515. Ця мікросхема має наступні характеристики:
тактова частота до 8 МГц;
8 КБ внутрішньої флеш-пам’яті з можливістю 1000-разового перепрограмування;
512 байт пам’яті даних з можливістю 100000-разового перепрограмування;
1 8-бітовий таймер-лічильник з подільником частоти;
1 16-бітовий таймер-лічильник з подільником частоти;
1 аналоговий компаратор;
програмований синхронно-асинхронний приймач-передавач;
струм споживання - 3 мА;
32 програмовані лінії введення-виведення;
напруга живлення -4-6 В;
вбудований сторожовий таймер.
Для виведення на індикацію обираємо світлодіодні семисегментні індикатори з низьким енергоспоживанням фірми KINGBRIGHT BA56-12EWA, які мають наступні електричні характеристики:
номінальний струм - 10 мА;
яскравість 2200 - 9000 мкКд;
колір - червоний;
довжина хвилі - 625 нм;
схема увімкнення світлодіодів - з загальним анодом.
Для живлення мікроконтролера необхідно використовувати стабілізовану напругу. Тому потрібно використати інтегральний стабілізатор напруги, який забезпечить стабілізоване живлення.
Для цієї мети можна використати інтегральний стабілізатор напруги фірми MOTOROLA MC7805CТ. Цей інтегральний стабілізатор має наступні електричні характеристики:
вхідна напруга від 7.2 В до 35 В;
вихідна напруга 5 В;
максимальний струм навантаження - 1.5 А;
трьохвивідний корпус.
Вхідний конденсатор цієї мікросхеми необхідний для того, щоб виключити можливість самозбудження. До виходу мікросхеми необхідно паралельно підключити два конденсатори - електролітичний та керамічний. Електролітичний - для згладжування низькочастотних пульсація, керамічний - високочастотних.
Для надійного запуску мікроконтролера необхідно використати мікросхему генератора сигналу “Скидання". Обираємо мікросхему КР1172СП42, яка має наступні технічні характеристики:
напруга живлення - 5-20 В;
напруга спрацьовування - 4.2 В;
струм споживання - 5 мкА;
тип корпусу ТО-92.
Для керування світлодіодними індикаторами використовуємо транзисторні каскади по схемі з загальним емітером на транзисторах КТ3107.
4.2 Розробка принципової схеми лічильника загального удою
Принципова схема лічильника загального удою наведена в графічній частині.
Для вимірювання загального удою та виведення його на індикацію обираємо AVR мікроконтролер AT90S2313. Ця мікросхема має наступні характеристики:
тактова частота до 10 МГц;
2 КБ внутрішньої флеш-пам’яті з можливістю 1000-разового перепрограмування;
128 байт пам’яті даних з можливістю 100000-разового перепрограмування;
1 8-бітовий таймер-лічильник;
1 16-бітовий таймер-лічильник;
1 аналоговий компаратор;
вбудований синхронно-асинхронний приймач-передавач;
струм споживання - 2.8 мА;
15 програмованих ліній введення-виведення;
напруга живлення - 4-6 В;
вбудований сторожовий таймер.
Обираємо світлодіодні семисегментні індикатори фірми KINGBRIGHT CA56-12SRWA, які мають наступні електричні характеристики:
номінальний струм - 10 мА
яскравість при номінальному струмі - 5600-21000 мкКд
колір - червоний
довжина хвилі - 660 нм
схема увімкнення світлодіодів - з загальним анодом
Для живлення мікроконтролера та лінії зв’язку використовують окремі джерела живлення, тому використовуються два стабілізатора напруги, характеристики яких наведено вище.
Для захисту приладу підключення живлення відбувається через діодний міст, тобто полярність підключення живлення не має значення.
5. Електричні розрахунки
5.1 Розрахунок тактового генератора мікроконтролера
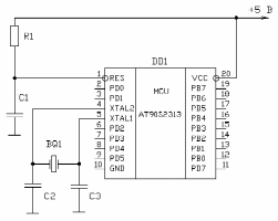
Робота мікроконтролера AT90S2313 тактується генератором тактової частоти з кварцевою стабілізацією. Сам генератор знаходиться в корпусі мікросхеми, зовні встановлюється кварцевий резонатор та конденсатори. Для підключення кварцевого резонатора призначені входи мікроконтролера XTAL1 та XTAL2.
Схема підключення мікроконтролера AT90S2313 наведена на рисунку 5.1.
Рисунок 5.1 - Схема підключення мікроконтролера
RC-коло побудоване на R1 і С1 призначене для формування сигналу скидання. BQ1 - кварцевий резонатор, призначений для тактування генератора.
Обираємо кварцевий резонатор з частотою 3.6864 МГц і ємністю 2 пФ.
Значення ємності конденсаторів С2 і С3 обираємо виходячи із співвідношення:
С > 10CBQ (5.1)
де CBQ - ємність кварцевого резонатора.
Обираємо конденсатори ємністю 39 пФ.
5.2 Розрахунок кола скидання мікроконтролера
Для запуску мікроконтролера необхідно, щоб напротязі 1 мс після включення живлення напруга на вході RESET була рівня логічної одиниці. Для цього, як правило, використовують RC-кола (R1 та С1 на рис.5.1).
При ввімкненні напруги живлення напруга на вході RESET при використанні RC-кола на рис.5.1 змінюється за експоненційним законом, який визначається виразом:
, (5.2)
де
- напруга живлення;
- постійна часу RС - кола;
t - поточний час.
Напруга, яка сприймається мікроконтролером як рівень логічного нуля дорівнює 0.3
. Підставивши це значення в рівняння (5.2) і вирішивши отримане рівняння відносно t отримуємо:
. (5.3)
Обираємо значення опору R1 1 кОм, значення t повинно бути не менше 1 мс, виходячи з цього, знчення ємності С1 можна вибрати користуючись виразом:
(мкФ). (5.4)
Обираємо ємність к50-35 4.7 мкФ х 16 В.
6. Розрахунок похибки вімірювання загального удою
Похибка вимірювання загального удою складається з наступних складових:
складова, зумовлена похибкою тарування ковшового давача
складова похибки, зумовлена накладенням імпульсів від різних приладів
складова похибки визначення удою, зумовлена перешкодами в лінії передачі даних
складова похибки визначення удою, зумовлена "залипанням" і "деренчанням" геркона ковшового давача
складова похибки визначення удою, зумовлена накопиченням молока на стінках трубопроводу
Остання складова похибки дуже мала в порівнянні з іншими складовими. Тому в подальших розрахунках враховувати її не має сенсу. У деяких випадках також можливе багаторазове замикання геркона ("деренчання" геркона) при перекиданні ковшового давача, що приводить до перевищення показань лічильника про кількість удою.
Можливий також випадок, коли геркон не замкнеться при перекиданні ковшового давача ("залипання" геркона), що приводить до зменшення показань про кількість удою. Місце виникнення цієї складової легко визначається обслуговуючим персоналом і усувається шляхом зміни положення геркона або його заміни, тому надалі не будемо враховувати цю складову.
Складова, зумовлена похибкою тарування ковшового давача, має нормальний закон розподілу з нульовим математичним сподіванням. Закон розподілу цієї похибки визначається виразом:
(7.1)
де
- абсолютна похибка тарування ковшового давача;
- середньоквадратичне відхилення похибки тарування ковшового давача (у подальших розрахунках приймемо, що
змінюється в межах від 0 до 5 г, що відповідає середньоквадратичному значенню похибки визначення удою від 0 до 5%).
При інтенсивному доїнні частота спрацьовування геркона ковшового давача не перевищує одного разу в дві секунди. З цього випливає, що частота інформаційних імпульсів на виході кожного з пристроїв не перевищує 0.5 Гц, а їх шпаруватість не менша 2000. При використанні шістнадцяти паралельно підключених пристроїв частота інформаційних імпульсів на вході лічильника загального удою не перевищує 8 Гц, тобто восьми імпульсів у секунду.
Для дослідження цієї складової будемо розглядати тільки накладення двох імпульсів, тому що імовірність накладення трьох і більш імпульсів мала, внаслідок їх високої шпаруватості.
Розглянемо інтервал часу, тривалістю 1с. За цей час на вхід лічильника загального удою надійде не більш восьми імпульсів. Тому як тривалість імпульсу складає 1 мс, то імовірність його появи в довільний момент часу на інтервалі тривалістю 1 с складає ри=0.001. Тоді імовірність збігу двох незалежних імпульсів у на інтервалі часу 1 с при роботі шістнадцяти приладів складає:















