122803 (689238), страница 4
Текст из файла (страница 4)
В реальных САУ с подчиненным регулированием параметров величина Тμ лежит в пределах 0,004-0,01 с.
Д
ля нашей системы выберем Тμ = 0,007 с.
Рис.10 . Структурная схема контура регулирования тока якоря.
При синтезе регулятора тока влияние ЭДС якоря не учитывается. Передаточная функция регулятора тока находится по условию настройки контура на модульный оптимум:
,
где
Получаем передаточную функцию ПИ-регулятора. Параметры регулятора тока находятся по следующим формулам:
Тi1 = Tэ = 0,04 с;
При выборе данной передаточной функции регулятора тока замкнутый контур тока будет описываться передаточной функцией фильтра Баттерворта II порядка:
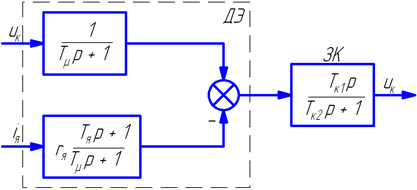
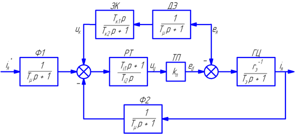
Влияние ЭДС якоря приводит к появлению статической ошибки по току, что ухудшает качество системы. Для компенсации данного влияния вводится положительная обратная связь по ЭДС якоря. Структурная схема контура тока с компенсацией ЭДС представлена на рис. 11. При выносе фильтра из контура он должен оказаться в цепи задания на ток (Ф1), в цепи обратной связи по току (Ф2) и в цепи обратной связи по ЭДС, где его удобно объединить с датчиком ЭДС. Таким образом, датчик ЭДС имеет небольшую инерционность, что является необходимым, т.к. безынерционный датчик ЭДС реализовать невозможно.
Рис.11.Структурная схема контура тока с компенсацией ЭДС.
Компенсирующий сигнал Uк подается на вход регулятора тока, а не непосредственно в точку действия ЭДС якоря (между звеньями ТП и ГЦ). Поэтому влияние звеньев регулятора тока и преобразователя на прохождение компенсирующего сигнала необходимо устранить. Это достигается за счет включения в цепь обратной связи по ЭДС звена компенсации. Передаточная функция звена компенсации определяется по формуле:
, где
В результате компенсации ЭДС статическая ошибка по току устраняется.
ЭДС якоря двигателя недоступна для прямого измерения. Косвенный датчик ЭДС якоря использует сигналы тока и напряжения якоря. Связь меж-ду током, напряжением и ЭДС якоря следует из уравнения электрического равновесия для якорной цепи. В области изображений по Лапласу это уравнение имеет вид:
Реализовать датчик ЭДС в полном соответствии с данным уравнением невозможно, т.к. требуется идеальное форсирующее звено. Поэтому внесем в датчик инерционное звено с постоянной времени Тµ. В результате уравнение датчика ЭДС принимает вид:
5.2 Реализация датчика ЭДС
ЭДС якоря двигателя, в отличие от тока якоря и скорости, недоступна для прямого измерения. Датчик косвенного измерения ЭДС якоря использует сигналы датчика тока якоря и датчика напряжения на якоре двигателя. Связь между током якоря, напряжением якоря и ЭДС якоря устанавливает уравнение электрического состояния равновесия в якорной цепи. В операторном виде оно имеет вид:
, где
В результате компенсации ЭДС статическая ошибка по току устраняется.
ЭДС якоря двигателя недоступна для прямого измерения. Косвенный датчик ЭДС якоря использует сигналы тока и напряжения якоря. Связь между током, напряжением и ЭДС якоря следует из уравнения электрического равновесия для якорной цепи. В области изображений по Лапласу это уравнение имеет вид:
Реализовать датчик ЭДС в полном соответствии с данным уравнением невозможно, т.к. требуется идеальное форсирующее звено. Поэтому внесем в датчик инерционное звено с постоянной времени Тµ. В результате уравнение датчика ЭДС принимает вид:
Данному уравнению соответствует структурная схема датчика ЭДС структурная схема датчика ЭДС, показанная на рис12. Также показано звено компенсации.
Рис. 12. Структурная схема датчика ЭДС и звена компенсации.
5.3 Конструктивный расчет датчика эдс и звена компенсаци
В аналоговых системах автоматического управления электроприводами реализация регуляторов и других преобразователей сигналов осуществляется на базе операционных усилителей.
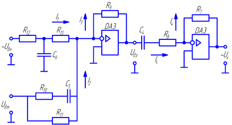
Принципиальная схема датчика ЭДС и звена компенсации показана на рис. 13. Фильтр в канале напряжения реализуется на элементах R12, R13, С6. Форсирующее звено в канале тока реализуется на элементах R10, R11, С5. Операционный усилитель DA3 предназначен для суммирования сигналов в датчике ЭДС, что осуществляется путем суммирования токов I1 и I2. Звено компенсации выполнено на операционном усилителе DA2. Элементы входной цепи и цепи обратной связи усилителя DA2 R8, R7, С4 обеспечивают реализацию свойств реального дифференцирующего звена.
Рис.13 . Принципиальная схема датчика ЭДС и звена компенсации
На рис. 14. представлена структурная схема для абсолютных величин токов и напряжений, которая соответствует принципиальной схеме, показанной на рис,13. При ее составлении было принято, что сопротивления R12 и R13 одинаковы.
Рис.14. Структурная схема датчика ЭДС и звена компенсации для абсолютных величин
От структурной схемы для абсолютных величин перейдем к структурной схеме для относительных величин (рис.15). На данной схеме показаны относительные коэффициенты датчиков напряжения и тока. При переходе от абсолютных величин к относительным величинам в передаточных функциях входных цепей операционных усилителей появляется сопротивление Rбр. В передаточных функциях цепей обратной связи операционных усилителей появляются обратные величины 1/Rбр.
Рис.15. Структурная схема датчика ЭДС и звена компенсации для относительных величин
Сопоставляя структурные схемы, получим соотношения между параметрами математической модели датчика ЭДС и звена компенсации в относительных единицах и параметрами элементов принципиальной схемы. Необходимые коэффициенты передачи обеспечиваются при выполнении условий:
=
=1,
,
,
Требуемые значения постоянных времени обеспечиваются при:
0,5R12C6=R10C5= Tµ ,
(R10+R11)С5= Tµ ,
RбрС4= TК1 ,
R8С4= TК2.
Из записанных соотношений выразим и рассчитаем параметры элементов принципиальной схемы (сопротивления и ёмкости).
R12 = R13 =
= 20000
0,745/2 = 7,45 кОм;
R11 =
= 20000
0,396/0,067 = 118,21 кОм;
R9 = R7 = Rбр = 20 кОм;
C6 =
=0,007/(0,5
7450 )=1,88
10-6Ф = 1,88 мкФ;
C5 =
= (0,08-0,007)/118210 =6,17
10-7Ф= 0,62 мкФ;
R10 =
= 0,007/6,17
10-7=11345,21Ом = 11,35 кОм;
C4 =
= 0,11/20000=0,0000055 Ф= 5,5 мкФ;
R8 =
= 0,04/0,0000055 = 7272,73 Ом= 7,27 кОм.
6. Конструктивный расчет регулятора тока
На рис.16. показана принципиальная схема регулятора тока и его входных цепей. Регулятор тока выполнен на операционном усилителе DA1. Последовательное включение в цепь обратной связи усилителя DA1 сопротивления R1 и емкости С1 обеспечивает пропорционально-интегральный тип регулятора. На входе усилителя DA1 суммируются три сигнала, приходящие по каналам задания на ток, обратной связи по току и по каналу компенсации ЭДС, путем суммирования токов I1, I2 и I3. В цепи задания на ток и в цепи обратной связи по току установлены фильтры на элементах R2, Rз, С2 и R4, R5, Сз соответственно. Нелинейный элемент НЭ1 реализуется на стабилитронах VD1 и VD2.
.
Рис.16. Принципиальная схема регулятора тока и его входных цепей
На рис.17. представлена структурная схема для абсолютных величин токов и напряжений, которая соответствует принципиальной схеме, показанной на рис.16. При составлении структурной схемы предполагалось, что сопротивления R2 и R3, а также R4 и R5 одинаковы. От структурной схемы для абсолютных величин перейдем к структурной схеме для относительных величин (рис.18 ).
Рис.17. Структурная схема регулятора тока и его входных цепей для абсолютных величин
Рис.18. Структурная схема регулятора тока и его входных цепей для относительных величин
Сопоставляя структурные схемы (см. рис.11 и 18), получим соотношения между параметрами математической модели регулирующей части контура тока в относительных единицах и параметрами принципиальной схемы.
Для обеспечения единичных коэффициентов передачи в каналах задания тока, обратной связи по току и компенсации ЭДС должны выполняться условия
Требуемые значения постоянных времени обеспечиваются при выполнении условий:
0,5R2C2=0,5R4C3=Tµ
RбрC1=Ti2
R1C1=Ti1
Из записанных соотношений выразим и рассчитаем параметры элементов принципиальной схемы (сопротивления и ёмкости).
R6 = Rбр = 20 кОм;
R2 = R3 = 0,5Rбр = 10 кОм;
R4= R5 =
=20*0,396/2= 3,96 кОм;
С2 =
= 0,007/(0,5*10000) = 0,0000014 Ф=1,4 мкФ;
С3 =
= 0,007/(0,5*3960) = 3,54 мкФ;
С1 =
= 0,146/20000 = 0,0000073 Ф= 7,3 мкФ;
R1 =
= 0,04/0,0000073 = 5479,45 = 5,5 кОм.
7. Расчет регулирующей части контура скорости
7.1 Расчет параметров математической модели контура скорости
Рассмотрим структуру и выполним расчет параметров модели контура скорости, используя систему относительных единиц. Структурная схема контура регулирования скорости представлена на рис.19. Контур регулирования тока якоря при его настройке на модульный оптимум рассматриваем как одно звено с передаточной функцией (10). Контур скорости включает в себя звено регулятора скорости (PC), звено контура тока якоря (КТ), звено умножения на поток и звено механической части привода (МЧ). Обратная связь по скорости при рассмотрении относительных величин принимается единичной. На объект управления действует возмущающее воздействие — момент статического сопротивления, создаваемый нагрузкой на валу двигателя.















