122802 (689237)
Текст из файла
Введение
Бурный технический прогресс в области электротехники и электроники, наблюдающийся в последние годы, привел к существенным изменениям в теории и практике электрического привода. Эти изменения прежде всего касаются создания новой элементной базы и технических средств автоматизации, быстрого расширения областей и объемов применения регулируемого электропривода, который преимущественно реализуется в виде тиристорного и транзисторного электропривода постоянного и переменного тока. В последнее время все больший интерес и развитие получает управляемый синхронный привод, являющийся самым перспективным видом электропривода по многим важным показателям. Существенные изменения произошли также в развитии автоматических систем управления электроприводами. Эти системы характеризуются преимущественным использованием принципов подчиненного регулирования, расширением практического применения адаптивного управления, развитием работ по векторным принципам управления электроприводами с двигателями переменного тока, применением аналоговых и цифроаналоговых систем управления на базе интегральных микросхем. Все шире используются управляющие вычислительные машины различных уровней, развиваются работы про прямому цифровому управлению электроприводами.
Целью данного курсового проекта является разработка электропривода для механизма передвижения тележки, выбор оптимальной системы управления с учетом технико-экономических показателей, а также проверка выбранной системы на отработку заданных перемещений.
1. Определение режимов работы механизма
-
Выбор основных параметров
1.1.1 Определение режимов работы крана
Режим работы крюковых опорных двух балочных кранов регламентированы ГОСТ 25711–83 (грузоподъемность 5–50 т) и ГОСТ 24378–80 (гост на технические условия).
По ГОСТ 25546–82 режим работы для кранов, управляемых из кабины относится к группе 5К-7К [2].
Данный режим характеризуется следующими особенностями; постоянная работа с грузами, близкими по массе к номинальным, с высокими скоростями, большим числом включений, высокой продолжительностью включения ПВ.
Такой режим характерен для механизмов технологических кранов, цехов и складов на заводах с крупносерийным производством, кранов литейных цехов и механизмы подъема строительных кранов.
При интенсивном использовании общее число циклов работы крана за срок его службы составляет 500000..1000000, что соответствует классу использования С6 согласно [1], табл. 1.2.6.
При постоянной работе крана с грузом относительно большой массы, приближающейся к номинальной класс нагружения соответствует Q4 [1], табл. 1.2.7.
Группа режима работы крана определяется по известным классу использования и классу нагружения крана. По таблице 1.2.8 [1] выбираем группу режима 7К.
1.1.2 Определение режимов работы механизма
Привод передвижения монорельсового подвесного транспортного робота. Схема кинематическая.
Рис. 1
Для передачи вращающегося момента с вала двигателя на редуктор
служит упругая втулочно-пальцевая муфта с тормозным шкивом (МУВП-250) 1 (т. 2, табл.V.2.41, с. 308).
Тихоходный вал редуктора передает вращающийся момент на ходовые колеса через зубчатую муфту.
Редуктор конический
Скорость передвижения тележки: Vmax=2 м/с
Диаметр ходового колеса (для грузоподъемности 1т):
Dk=0,2 м, 2(табл. 12.17, с. 204), чему соответствует диаметр цапфы:
dц=0,05 м, 1 (т. 2, табл.V.2.43, с. 314).
h=0.04 м – толщина колеса
Произведем расчет статического момента двигателя
МСТДВ=
,
где: kp - коэффициент, учитывающий трение о реборды (kp=2), 6
(табл. П-6, с. 349);
Gmax – максимальный вес груза;
– коэффициент трения скольжения (=0,02), 6 (табл. П-4);
f – коэффициент трения качения (f=0.4*10-3), 6 (табл. П-5);
м – КПД механизма.
Gmax=mmax*g=900*9,81=8829 H;
КПД механизма:
м=МУВП*ЗУБ.М*р=0 , 99*0,99*0,96=0,93,
где МУВП=ЗУБ.М=0,99; р=0,96 1 (т. 2, табл.V.1.70, с. 237).
МСТДВ=
=3,287 H*м;
Примем скорость двигателя равной 104,72 рад/с, так как в этом случае мы получаем самые маленькие массогабаритные показатели на единицу мощности.
Принимаем ближайшее число из ряда стандартных передаточных чисел редуктора
Рассчитаем допустимое ускорение при пуске, при котором не будет проскальзывания колеса:
коэффициент запаса сцепления при работе без ветровой нагрузки.
коэффициент сцепления приводных колес с рельсом для закрытых помещений
– минимальная нагрузка на приводное колесо
Предварительно выберем асинхронный двигатель с короткозамкнутым ротором АИМ 80 А6 с условиями эксплуатации У5, со следующими параметрами:
P2=0,75кВт
W=1000 об/мин
η=72,1%
cosφ=0.74
sном=7%
Iп/Iном=4,5
Мп/Mном=1,8
Мmin/Мном=1,2
Мmax/Мном=2
Jдв=0,0034 кг*м2
Определим приведенный к валу двигателя момент инерции механизма:
Jпр.мех=
Суммарный момент инерции будет определяться как
Рассчитаем момент инерции колеса
Теперь посчитаем допустимое угловое ускорение при котором не будет проскальзывания колеса
1.2 Расчет нагрузочных характеристик и выбор двигателя
Рассчитаем скорость дотягивания, при которой будет обеспечиваться нужная ошибка позиционирования 0,005 м
С запасам принимаем скорость дотягивания на 35% равной 0,05 м/с
Зададимся временем дотягивания Т=1с и линейным ускорением
Определим параметры рабочего цикла при прохождении 1-ого участка без остановки (S=4 м):
Характеристики рабочего цикла.
Рассчитаем параметры рабочего цикла
;
;
Выбираем время движения со скоростью дотягивания
;
;
выразим Vx1, до которой разгонится механизм
;
;
Далее произведем расчет для случаев когда механизм успевает выйти на максимальную скорость VMAX=2 м/с
При S2=8 м
;
;
Аналогично посчитаем параметры рабочего цикла при S3=12 м, S4 =16 м и S5=20 м
При S3=12 м
;
;
;
При S4=16 м
;
;
При S5=20 м
;
;
Выбор электродвигателя производится из условий эксплуатации и требований, предъявляемых к системе.
Так как в данном электроприводе нагрузка на валу двигателя меняется в достаточно широких пределах, произведём выбор электродвигателя по эквивалентному моменту.
Для разных случаев посчитаем Мекв и выберем наихудший режим
принимая tОСТ=19с
-
Когда делаем 5 остановок (1+1+1+1+1)
Аналогично посчитаем Мекв для других случаев
-
Когда делаем 3 маленьких и одну большую остановку (1+1+1+2)
3) Когда делаем 2 маленьких и одну большую остановку (1+1+3)
4) Когда делаем 1 маленьких и одну большую остановку (1+4)
5) Делаем одну большую остановку (5)
6) Делаем одну маленькую и две больших (1+2+2)
7) делаем две остановки (3+2)
Максимальный эквивалентный момент будет при 7 случае.
Рис. 7 случай
Выбираем более мощный двигатель с запасом по мощности
АИМ 80 В6
-
номинальная мощность
-
частота вращения
-
номинальная величина скольжения
-
номинальное напряжение сети
-
коэффициент полезного действия
-
коэффициент активной мощности
-
перегрузочная способность
-
кратность пускового момента
-
кратность пускового тока
-
момент инерции ротора:
– исполнение двигателя: IP44
– условие эксплуатации У5
Определим номинальный момент двигателя:
Т.к. номинальный момент нашего двигателя удовлетворяет условию Мном>Мэкв, то он нам подходит.
Произведем расчет статических характеристик электропривода и выполним проверку двигателя по нагреву.
Выберем из таблицы аналогичный по высоте оси вращения и числу пар полюсов двигатель серии 4А и возьмем относительные значения его сопротивлений.
Пересчитаем параметры обмоток асинхронного двигателя из относительных единиц в абсолютные:
Электрическая мощность, забираемая из сети в номинальном режиме:
(11)
Номинальный ток одной фазы:
(12)
Полное сопротивление одной фазы:
(13)
Умножим на Zн все параметры схемы замещения:
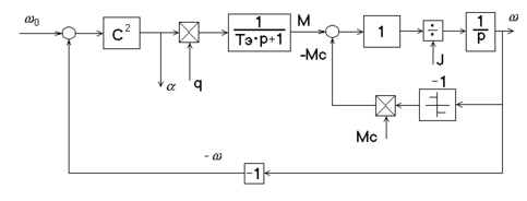
Для расчета статических механических характеристик воспользуемся уточненной формулой Клосса:
Закон управления будет заключаться в том, чтобы критический момент оставался постоянным Мк=23,65Н*м
Параметры рабочих режимов для случая 7 сведены в таблицу 1
Таблица 1
| i | 1 | 2 | 3 | 4 | 5 | 6 |
| ωдв, рад/с | 104,72 | 2,65 | 0 | 104,72 | 2,65 | 0 |
| Мс, Н·м | 3,28 | 3,28 | 3,28 | 3,28 | 3,28 | 3,28 |
Будем считать, что для формирования необходимых нам статических характеристик система управления электроприводом реализует закон управления
,
При этом можно записать:
Характеристики
Тип файла документ
Документы такого типа открываются такими программами, как Microsoft Office Word на компьютерах Windows, Apple Pages на компьютерах Mac, Open Office - бесплатная альтернатива на различных платформах, в том числе Linux. Наиболее простым и современным решением будут Google документы, так как открываются онлайн без скачивания прямо в браузере на любой платформе. Существуют российские качественные аналоги, например от Яндекса.
Будьте внимательны на мобильных устройствах, так как там используются упрощённый функционал даже в официальном приложении от Microsoft, поэтому для просмотра скачивайте PDF-версию. А если нужно редактировать файл, то используйте оригинальный файл.
Файлы такого типа обычно разбиты на страницы, а текст может быть форматированным (жирный, курсив, выбор шрифта, таблицы и т.п.), а также в него можно добавлять изображения. Формат идеально подходит для рефератов, докладов и РПЗ курсовых проектов, которые необходимо распечатать. Кстати перед печатью также сохраняйте файл в PDF, так как принтер может начудить со шрифтами.














