122638 (689203), страница 2
Текст из файла (страница 2)
Рис.10 ЛЧХ первого канала
Добавляем коррекцию к уже имеющейся системе, и, для получения переходного процесса, смоделируем её в программе Matlab.
На рис.11 показан переходной процесс для первого канала исследуемой системы.
Рис. 11 Реакция на единичный скачок первого канала
Было установлено:
;
.
Таким образом, можно сказать, что скорректированная система удовлетворяет всем предъявленным требованиям по качеству и быстродействию.
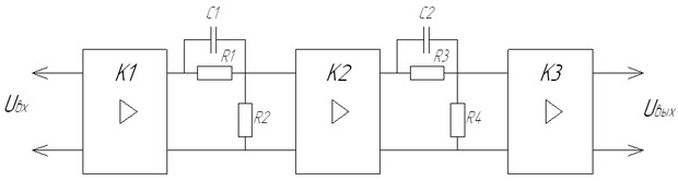
Рассчитаем корректирующие звенья для первого канала. По виду передаточной функции коррекции определяем, что нам потребуется две одинаковых дифференцирующих цепочки. Также необходимо включить последовательно с ними некоторое количество усилителей, коэффициент усиления которых мы найдём позднее.
Схема пассивного дифференцирующего звена показана на рис.12.
Рис.12 Схема пассивного дифференцирующего звена
, (
),
где,
- коэффициент передачи дифференцирующего звена.
;
.
Пусть
, тогда
,
,
;
,
;
.
Рассчитаем дополнительный коэффициент усиления, требуемый для сигнала, ослабленного дифференцирующим звеном
.
Рассчитаем общий коэффициент усиления рассчитанного регулятора
.
На рис. 13 показана схемная реализация рассчитанного регулятора.
Рис. 13 Схема регулятора
Распределим полученный коэффициент усиления по усилителям. Первый усилитель включён по вычитающей схеме, и также будет усиливать сигнал. Второй усилитель включён как повторитель, он нужен только для ослабления влияния второго дифференцирующего звена на первый, это достигается благодаря огромному входному сопротивлению операционных усилителей, на основе которых построены усилители. Третий усилитель представляет собой мощный операционный усилитель с высоким выходным током, достаточным для пуска двигателя.
Распределим вычисленный коэффициент усиления регулятора по двум усилителям
.
3.2 Составление структурной схемы второго канала, синтез регулятора.
Применим преобразование Лапласа к полученному уравнению Лагранжа
.
.
Структурная схема канала 2 показана на рис. 14.
Рис. 14 Структурная схема второго канала
На схеме обозначены:
;
;
;
;
;
;
.
Подставляем найденные значения в структурную схему.
На рис.15 представлена блок-схема второго канала.
Рис.15 Блок-схема второго канала
На рис. 16 представлена упрощённая блок-схема второго канала.
Рис.16 Упрощённая блок-схема второго канала
Ещё более упростим систему, записав единое уравнение для части системы, замкнутой обратной связью с коэффициентом 8,56. Для этого запишем передаточную функцию
по
(
по
).
Уравнение разомкнутой системы
.
;
Уравнение замкнутой системы:
.
Рис.17 Упрощённая блок-схема второго канала
Запишем окончательную передаточную функцию разомкнутой системы.
;
;
;
;
.
Так как
, то имеем колебательное звено. Учитывая что
, можно пользоваться асимптотической ЛАЧХ колебательного звена.
Находим сопрягающую частоту
.
На рис. 18 представлены ЛЧХ нескорректированного второго канала.
Рис. 18 ЛЧХ нескорректированного второго канала
По ЛЧХ видно что нескорректированная система второго канала устойчива, но предъявленные к систем требования по качеству не выполняются. Кривая ЛАЧХ нескорректированной системы пересекает ось абсцисс на очень низкой частоте, вследствие чего система имеет очень высокое время регулирования. Путём моделирования нескорректированной системы в среде Matlab было установлено, что время регулирования больше 4 секунд.
Как и в случае с первым каналом, рассчитаем корректирующие звенья методом синтеза последовательной коррекции.
Построенная асимптотическая ЛАЧХ находится в приложении к пояснительной записке.
Ниже представлена вычисленная передаточная функция коррекции
.
На рис. 19 показаны ЛЧХ скорректированного второго канала.
Рис.19 ЛЧХ второго канала
На рис.20 показан переходной процесс для второго канала исследуемой системы.
Рис. 20 Реакция на единичный скачок второго канала
Было установлено:
;
.
Таким образом, можно сказать, что скорректированная система удовлетворяет всем предъявленным требованиям по качеству и быстродействию.
Рассчитаем корректирующие цепья для второго канала. Как и случае с первым каналом нам потребуется два одинаковых дифференцирующих звена и усилители.
Схема пассивного дифференцирующего звена показана на рис.12.
,
;
.
Пусть
, тогда
,
,
;
,
;
.
Рассчитаем дополнительный коэффициент усиления, требуемый для сигнала, ослабленного дифференцирующим звеном
.
Рассчитаем общий коэффициент усиления рассчитанного регулятора
.
Схемная реализация рассчитанного регулятора для второго канала будет такой же и как для первого канала и показана на рис. 13.
Распределим вычисленный коэффициент усиления регулятора по двум усилителям
.
4. Выбор датчиков
В качестве датчика для первого канала был выбран потенциометрический датчик угла Megatron MP20. Датчик показан на рис. 21.
Рис. 21 MP20
Параметры:
Технология – проволока;
Электрический угол поворота - 320
;
Диапазон сопротивлений – 1 кОм – 50 кОм;
Допуск на сопротивление -
;
Допуск на линейность -
;
Мощность – 0,8 Вт;
Диаметр корпуса - 22 мм;
Максимальный вращающий момент – 0,3
.
В качестве датчика для второго канала был выбран потенциометрический датчик угла Megatron AL1703/1903. Датчик показан на рис. 22.
Рис. 22 AL1703/1903
Параметры:
Технология – проволока;
Диапазон сопротивлений – 10 кОм – 100 кОм;
Допуск на сопротивление -
;
Допуск на линейность -
;
Число оборотов – 3.
5. Выбор элементов
5.1 Выбор операционных усилителей
Для построения усилителей, с обозначенными на рис.13 коэффициентами усиления К1, К2 были выбраны сдвоенные операционные усилители 140УД20А. они предназначены для использования в различных узлах радиоэлектронной аппаратуры – активных фильтрах, сумматорах, интеграторах и т.п. Использование сдвоенных ОУ позволяет экономить место на плате и облегчает разводку печатных проводников платы.
Основные параметры ИМС 140УД20А представлены в таблице 2.
Таблица 2.
| Напряжение питания, В | |
| Входной ток, нА | <200 |
| Усиление по напряжению, | 50000 |
| Максимальное напряжение на выходе, В | |
| Входное сопротивление, Мом | >0,4 |
| Максимальный выходной ток, мА | 8 |
| Минимальное сопротивление нагрузки, кОм | >2 |
Для построения выходных усилителей были использованы мощные сдвоенные операционные усилители OPA2544T фирмы “Texas Instruments”. Первый операционный усилитель усиливает сигнал для первого канала, а второй – для второго. При использовании этих ОУ отпадает необходимость в построении усилителей мощности на основе мощных транзисторов, следовательно, уменьшаются габариты проектируемой платы.
Основные параметры OPA2544T представлены в таблице 3.
Таблице 3.
| Напряжение питания, | |
| Входной ток, пА | 50max |
| Усиление по напряжению, дб | 103 |
| Максимальное напряжение на выходе, В | |
| Максимальный выходной ток, А | 2 |
| Минимальное сопротивление нагрузки, Ом | 10 |
| Рабочая температура, | |
5.2 Выбор резисторов
Выбор резисторов производится из рядов по следующим параметрам:
По номиналу;
По мощности;
По допуску (разбросу номиналов).
Первый ОУ в обоих каналах включён по вычитающей схеме, показанной на рис. 23.
Рис. 23 Вычитающая схема включения ОУ
При этом должны выполняться следующие соотношения номиналов резисторов
;
.
При этом напряжение на выходе
.
Схема электрическая принципиальная показана в конструкторской части курсового проекта.
В соответствии с найденными коэффициентами усиления, были выбраны следующие номиналы сопротивлений резисторов:
;
;
;
;
;
;
;
.
Рассчитаем требуемые мощности этих резисторов
;
;
;
;
;
;
;
.
Рассчитаем мощности резисторов корректирующих звеньев.
;
;
.
Марки выбранных резисторов, их номиналы и пр. показаны в таблице 4.
Таблица 4.
| Тип | Номинал | Рассеиваемая мощность | Допуск | Ряд | |
| R1 | С2-33Н | 1910 | 0,125 | ±2% | Е96 |
| R2 | С2-33Н | 3090 | 0,125 | ±2% | Е96 |
| R3 | С2-33Н | 200000 | 0,125 | ±5% | Е24 |
| R4 | С2-33Н | 200000 | 0,125 | ±5% | Е24 |
| R5 | С2-33Н | 1910 | 0,125 | ±2% | Е96 |
| R6 | С2-33Н | 200000 | 0,125 | ±5% | Е24 |
| R7 | СП3-38б | 15000 | 0,125 | ±20% | Е6 |
| R8 | С2-33Н | 3090 | 0,125 | ±2% | Е96 |
| R9 | С2-33Н | 200000 | 0,125 | ±5% | Е24 |
| R10 | СП3-38б | 15000 | 0,125 | ±20% | Е6 |
| R11 | С2-33Н | 20500 | 0,125 | ±2% | Е96 |
| R12 | С2-33Н | 23700 | 0,125 | ±2% | Е96 |
| R13 | С2-33Н | 2200 | 0,125 | ±5% | Е24 |
| R14 | С2-33Н | 2200 | 0,125 | ±5% | Е24 |
| R15 | СП3-38б | 15000 | 0,125 | ±20% | Е6 |
| R16 | СП3-38б | 15000 | 0,125 | ±20% | Е6 |
| R17 | С2-33Н | 20500 | 0,125 | ±2% | Е96 |
| R18 | С2-33Н | 23700 | 0,125 | ±2% | Е96 |
| R19 | С2-33Н | 2200 | 0,125 | ±5% | Е24 |
| R20 | С2-33Н | 2200 | 0,125 | ±5% | Е24 |
| R21 | С2-33Н | 105000 | 0,125 | ±2% | Е96 |
| R22 | С2-33Н | 1000 | 0,125 | ±5% | Е24 |
| R23 | С2-33Н | 64900 | 0,125 | ±2% | Е96 |
| R24 | С2-33Н | 1000 | 0,125 | ±5% | Е24 |
5.3 Выбор прочих элементов
200>














