109137 (689189), страница 4
Текст из файла (страница 4)
отключение преобразователей (источников) сигналов.
Возможность ограничения сигналов малой амплитуды основывается на нелинейных свойствах полупроводниковых элементов, главным образом диодов. В схеме ограничителя малых амплитуд используются два встречно-включенных диода (диодный мост), имеющих вольт-амперную характеристику (зависимость значения протекающего по диоду электрического тока от приложенного к нему напряжения), показанную на рис. 1. Такие диоды имеют сопротивление для токов малой амплитуды - сотни кОм, а для токов большой амплитуды (полезных сигналов) - единицы Ом и менее, что исключает прохождение опасных сигналов малой амплитуды в телефонную линию и практически не оказывает влияние на прохождение через диоды полезных сигналов. В схемах защиты, как правило, устанавливаются диоды с напряжением открытия 0,1- 0,2 В.
Диодные ограничители включаются последовательно в линию звонка (рис. 2а) или непосредственно в каждую из телефонных линий (рис. 2б).
Рис. 1. Вольт-амперная характеристика диодов, используемых в схемах ограничителей малых амплитуд
а)
б)
Рис. 2. Установка диодных ограничителей в линии электрозвонка (а) и телефонной линии (б)
К простейшим изделиям, в которых реализован метод ограничения сигналов малой амплитуды, является устройство защиты аналоговых двухпроводных телефонных аппаратов (ТА) “Корунд” [2, 4]. Диодные ограничители устройства обеспечивают подавление низкочастотных сигналов малой амплитуды (Uc ? 50 мВ) на частоте 1 кГц в сторону абонентской линии (АТС) более чем на 60 дБ. При ведении телефонных переговоров устройство практически не влияет на качество разговора (затухание речевых сигналов менее 2 дБ).
Устройство защиты “Корунд” имеет небольшие размеры (40х13х10 мм) и устанавливается внутри евророзеток и безобрывных розеток типа РТШ-4.
Метод фильтрации высокочастотных сигналов используется главным образом для защиты телефонных аппаратов от “высокочастотного навязывания”.
Простейшим фильтром является конденсатор С, устанавливаемый в звонковую цепь телефонных аппаратов с электромеханическим звонком (рис. 2а) и в микрофонную цепь всех аппаратов (рис. 3) [1]. Емкость конденсаторов выбирается такой величины, чтобы зашунтировать сигнал высокой частоты, подаваемый в линию и не оказывать существенного влияния на качество телефонных разговоров. Обычно для установки в звонковую цепь используются конденсаторы емкостью 1 мкФ, а для установки в микрофонную цепь - емкостью 0,01 мкФ [1].
Более сложное фильтрующее устройство представляет собой многозвенный LC-фильтр нижних частот (рис. 4) [1].
Рис. 3. Установка конденсатора С в микрофонную цепь
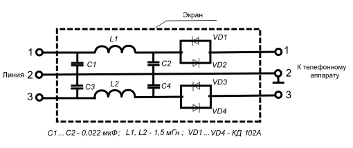
Рис. 4. Схема устройства защиты двухпроводной линии “Гранит-8”
Для защиты телефонных аппаратов от утечки информации по акустоэлектрическим каналам, как правило, используются устройства, сочетающие в себе фильтр нижних частот и ограничитель малых сигналов. К таким устройствам относятся: устройства типа “Гранит-8” и др.
Устройство защиты “Гранит-8” предназначено для обеспечения защиты речевой информации от утечки по акустоэлектрическим каналам через двухпроводные линии открытых телефонных сетей, сетей радиотрансляции, систем директорской, диспетчерской связи и рассчитано на круглосуточную работу в автоматическом режиме под непрерывной нагрузкой в линиях с сопротивлением 600 Ом ±10%.
Принципиальная схема устройства защиты “Гранит-8” представлена на рис. 4 [1]. Устройство представляет собой четырехполюсник, состоящий из двух П-образных индуктивно-емкостных звеньев и двух диодных мостов [3].
Диодный мост схемы является входом изделия и предназначен для подавления низкочастотных сигналов малой амплитуды, возникающих в телефонном аппарате при акустоэлектрических преобразованиях (вносимое затухание в полосе частот речевых сигналов 0,3 - 4 кГц при уровне входного сигнала Uc ? 100 мВ в сторону абонентской линии (АТС) не менее 60 дБ) [3].
Выходным звеном четырехполюсника является П-образный LC-фильтр нижних частот. Фильтр предназначен для подавления высокочастотных сигналов, подаваемых в линию аппаратурой “высокочастотного навязывания” (вносимое затухание на частоте 100 кГц при уровне входного сигнала Uc= 5 В в сторону телефонного аппарата не менее 10 дБ) [3].
В диапазоне частот от 150 Гц до 10 кГц затухание речевых сигналов (Uc = 5 В) не превышает 3 дБ и поэтому не оказывает существенного влияния на качество связи.
Конструктивно устройство может быть выполнено в различных вариантах. На фото 1 представлено изделие “Гранит-8”, выполненное в металлическом корпусе, в котором под крышкой корпуса закреплена печатная плата изделия. На фото 2 представлен внешний вид устройства защиты “Гранит-VIII”, в котором все элементы схемы защищены электростатическим экраном.
а) - вид сверху;
б) – вид со снятой крышкой
Фото 1. Внешний вид устройства защиты “Гранит-8”
а) - вид сверху;
б) – вид со снятой крышкой
Фото 2. Внешний вид устройства защиты “Гранит-VIII”
Устройство подключается в разрыв телефонной линии при помощи клемм, расположенных на печатной плате. Крайние клеммы (фото 2) предназначены для подключения телефонных проводов, а центральные – для подключения заземления.
При установке устройства крайне важно правильно его подключить к телефонной линии: к клеммам “вход” подключаются телефонный провод, идущий от телефонного аппарата, а к клеммам “выход” – телефонная линия, идущая к АТС. При неправильном подключении устройства, оно не обеспечивает защиту телефонного аппарата от утечки информации по активному акустоэлектрическому каналу (при использовании для перехвата информации метода “высокочастотного навязывания”).
Отключение преобразователей (источников) сигналов от линии при положенной трубке телефонного аппарата является наиболее эффективным методом защиты информации.
Самый простой способ реализации этого метода защиты заключается в установке в корпусе телефонного аппарата или телефонной линии специального ручного переключателя. Более удобным в эксплуатации является установка в телефонной линии специального устройства защиты, автоматически (без участия оператора) отключающего телефонный аппарат от линии при положенной телефонной трубке.
К типовым устройствам, реализующим данный метод защиты, относится устройство защиты двухпроводных телефонных линий связи “Барьер-М1”. В его состав входят [5]:
электронный коммутатор;
схема анализа состояния телефонного аппарата, наличия вызывных сигналов и управления коммутатором;
схема защиты телефонного аппарата от воздействия высоковольтных импульсов.
Устройство работает в следующих режимах: дежурном, передачи сигналов вызова и рабочем. В дежурном режиме (при положенной телефонной трубке) телефонный аппарат отключен от линии, и устройство находится в режиме анализа положения телефонной трубки и наличия сигналов вызова. При этом сопротивление развязки между телефонным аппаратом и линией АТС составляет не менее 20 МОм. Напряжение на выходе устройства в дежурном приеме составляет 5 - 7 В [5].
При получении сигналов вызова устройство переходит в режим передачи сигналов вызова, при котором через электронный коммутатор телефонный аппарат подключается к линии. Подключение осуществляется только на время действия сигналов вызова.
При поднятии телефонной трубки устройство переходит в рабочий режим и телефонный аппарат подключается к линии. Переход устройства из дежурного в рабочий режим осуществляется при токе в телефонной линии не менее 5 мА [5].
Изделие устанавливается в разрыв телефонной линии, как правило, при выходе ее из выделенного (защищаемого) помещения или в распределительном щитке (кроссе), находящемся в пределах контролируемой зоны.
Электропитание устройства осуществляется от телефонной линии при токе потребления в дежурном режиме не более 0,3 мА [5].
Устройство “Барьер-М1” обеспечивает защиту телефонного аппарата не только от утечки информации по акустоэлектрическому каналу, но также и его защиту от воздействия высоковольтных импульсов (напряжением до 1 000 В и длительностью до 100 мкс) [5].
Устройство защиты МП-8 “Сигма-РА” также реализует метод защиты информации, основанный на отключении преобразователей (источников) сигналов от линии, и предназначено для непрерывной круглосуточной работы [4].
Принцип действия устройства основан на механическом отключении телефонного аппарата от подходящей телефонной линии аналоговой АТС в режиме “ожидания” (при положенной телефонной трубке). При снятии абонентом телефонной трубки с рычагов происходит подключение контактов телефонного аппарата к телефонной линии, что обеспечивает ведение двустороннего разговора.
Сигнал “вызов” (звонок) поступает из телефонной линии в специальную автономную схему устройства через оптоэлектронную развязку. Это обеспечивает одностороннюю передачу сигналов от телефонной линии и абсолютно исключает любую утечку информации из помещения через телефонную линию (при положенной телефонной трубке в режиме ожидания вызова входное сопротивление устройства со стороны АТС стремится к бесконечности (R ® ?)).
Конструктивно устройство выполнено в виде отдельного блока, который коротким кабелем (до 15 см) подключается к телефонному аппарату, а длинным (~ 1,5 м) – к евророзетке. Устройство имеет автономный источник питания (микробатарейку 12 В, которая устанавливается внутри блока). Для контроля за состоянием работоспособности батарейки используется специальный индикатор [4].
Для защиты телефонных аппаратов цифровых АТС используется устройство защиты МП-7 “Гвард” [4]. При положенной на рычаг телефонной трубке устройство отключает от линии не только микрофон и телефон телефонной трубки, но также микрофон и динамик громкоговорящей связи (ГГС), что исключает возможность прослушивания разговоров в помещении внутренним абонентом АТС при использовании им функции акустического контроля помещения (часто называемой “полицейским режимом”), реализуемого на всех цифровых мини-АТС.
Активные методы защиты от утечки информации по акустоэлектрическому каналу предусматривают подачу в линию при положенной телефонной трубке маскирующего сигнала (наиболее часто ? типа “белого шума”) речевого диапазона частот (как правило, основная мощность помехи сосредоточена в диапазоне частот стандартного телефонного канала: 300 - 3 400 Гц). При снятии трубки телефонного аппарата подача в линию шумового сигнала прекращается. К устройствам, реализующим активные методы защиты, относится генератор шума “Гранит-12”.
Наиболее часто используются устройства защиты комбинированного типа, реализующие одновременно несколько методов защиты. К таким устройствам относятся, например, устройства защиты МП-1А и МП-1Ц [4].
Устройства защиты МП-1А и МП-1Ц предназначены для защиты телефонных аппаратов абонентских линий аналоговых и цифровых АТС соответственно в режиме ожидания вызова от утечки информации по пассивному и активному акустоэлектрическим каналам. В них одновременно используются как пассивные, так и активные методы защиты.
Устройства содержат генератор шума, нелинейные цепи и узел подавления сигналов малого уровня. Они отличаются малыми габаритами (размеры 32х15х13 мм) и низкой потребляемой мощностью по сравнению с ближайшими прототипами типа “Гранит-8,11,12”, что позволяет размещать их внутри телефонных розеток [2, 4].
Вносимое затухание в сторону абонентской линии (АТС) в полосе речевых частот для сигналов малого уровня составляет для МП-1А не менее 68 дБ, а для МП-1Ц - не менее 43 дБ. При этом ток потребления составляет не менее 0,42 А [4]. В режиме ожидания вызова в телефонную линию подается шумовой сигнал амплитудой не менее 32 мВ в диапазонах 0,02 – 30 кГц для МП-1А и 0,02 – 300 кГц - для МП-1Ц [4]. Акустическая чувствительность устройств составляет не более 0,1 мкВ/Па.
Для защиты приемников городской ретрансляционной сети, громкоговорителей системы оповещения используются устройства защиты МП-2 и МП-5 [4].
Устройство защиты МП-2 предназначено для защиты информации от утечки по трансляционной сети при акустическом воздействии на трехпрограммный приемник. Устройство содержит генератор шума, узел контроля и реле, с помощью которого обеспечивается введение шумового сигнала в цепь трансляции, а также отключение приемника от трансляционной сети при пропадании напряжения питания. Контроль наличия шумового сигнала осуществляется с помощью светодиода, который гаснет при пропадании шумового сигнала.
Устройство МП-2 имеет габаритные размеры изделия 51х56 х13 мм и массу не более 70 г [4].
Устройство защиты МП-5 (аналог “Гранит-9”) предназначено для защиты громкоговорителей системы оповещения или однопрограммных приемников от утечки речевой информации через них по акустоэлектрическим каналам.
Устройство МП-5 содержит: узел подключения громкоговорителя к линии, который срабатывает при приеме информационного сообщения, анализатор поступающего на вход сигнала и узел управления.
При отсутствии сигналов оповещения (или сигналов трансляции) громкоговоритель отключается от линии с помощью контактов реле. При поступлении сигнала оповещения громкоговоритель подключается к линии (время срабатывания изделия при поступлении информационного сигнала составляет не более 5,0 мс). Время удержания подключенного состояния громкоговорителя на время пауз составляет от 1 до 9 с. При этих параметрах устройство МП-5 не влияет на качество сообщения [4].















