108945 (689176), страница 3
Текст из файла (страница 3)
Для практического использования электретов важное значение имеет значение электретной разности потенциалов (ЭРП) или поверхностного потенциала.
Рассмотрим электрет в виде бесконечно протяженной пленки, одна сторона которой покрыта металлическим слоем, а другая равномерно заряжена по поверхности с поверхностной плотностью заряда σ. Толщину пленки обозначим буквой s
Рис. 7. Электрет с поверхностным, зарядом
Так как внутри электрета имеется электрическое поле, то между его противоположными сторонами имеется разность потенциалов. Ее легко найти, используя связь напряженности и разности потенциалов.
В данном случае, поскольку электрет заряжен только по поверхности, поле внутри него будет однородным. Его силовые линии будут направлены перпендикулярно к поверхности пленки. Тогда- ЭРП будет находиться по формуле, хорошо знакомой даже школьникам:
V=Еs, (2)
где .E- напряженность поля внутри плёнки.
а) б)
Рис. 8. Электрет с объемным зарядом: а - схема электрета в разрезе; б - график распределения объемного заряда
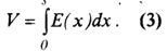
Если электрет имеет пространственный (объемный) заряд, плотность р(х) которого зависит только от одной координаты х (см. рис. 8), то электрическое поле внутри не будет однородным, так как напряженность будет зависеть от х. В этом случае выражение для ЭРП имеет вид:
Получение электретов с заданным значением поверхностного потенциала
Метод электризации диэлектрических пленок в коронном разряде стал наиболее распространенным на практике. Он отличается простотой и доступностью, возможностью получения электретов с заданным значением поверхностной плотности заряда или поверхностного потенциала.
Для электризации с помощью коронного разряда поместим пластину или пленку диэлектрика на металлический плоский электрод (рис. 9). Этот электрод может быть заранее нанесен на поверхность пленки в заводских или лабораторных условиях методом вакуумного распыления алюминия, золота и др. металлов.
Рис.9 Электризация в коронном разряде: 1 - диэлектрическая пленка, 2 - металлический электрод;3 -игла, 4- источник высокого напряжения
На некотором расстоянии от поверхности пленки помещают заостренный электрод в виде иглы или тонкой проволоки, натянутой параллельно поверхности образца. Обычно применяют игольчатый электрод. Между электродами прикладывается разность потенциалов в несколько тысяч вольт. Электрическое поле вблизи иглы является сильно неоднородным и может достигать значений, при которых начинается электрический пробой воздуха (около 33 кВ/см при нормальных условиях) Развивается коронный разряд, в цепи появляется ток, который в воздухе обусловлен в основном движением положительных и отрицательных ионов.
Допустим, что игла соединена с отрицательным полюсом источника высокого напряжения. Тогда образующиеся в воздухе ионы положительного знака будут притягиваться к игле, а отрицательные отталкиваться. Возникает поток отрицательных ионов, направленный к диэлектрику. Попадая на поверхность диэлектрика, ионы разряжаются, отдавая свой заряд поверхностным ловушкам, либо оседают на поверхности образца. В любом случае поверхность диэлектрика приобретает отрицательный поверхностный заряд. Исследования показывают, что глубина проникновения захваченного заряда при электризации в коронном разряде не превышает 1 мкм.
Недостаток схемы, приведенной на рис 9, в том, что поверхностный потенциал в процессе электризации не контролируется. Он будет расти по мере роста плотности осажденного неравновесного заряда, причем его величина может достигнуть значений, при которых наступает пробой данного диэлектрика. В технических приложениях электретов важно знать величину поверхностного потенциала. В полимерных пленках толщиной 10-25 мкм, используемых в электретных преобразователях, она, как правило, должна быть в пределах 50-300 В.
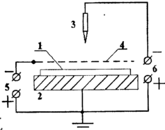
Решить проблему позволяет конструкция, названная на Западе «коронным триодом» или коротроном, которая сейчас используется повсеместно в лабораторных и производственных установках.
Рис 10 Устройство коротрона- I - электризуемый диэлектрик, 2 - нижний электрод. 3 - игла, 4 - сетка, 5 - источник постоянного напряжения сетки, 6 - источник высокого напряжения
Металлизированная с одной стороны пленка помещается металлизированной стороной на заземленный электрод-подставку. Игла располагается на расстоянии нескольких миллиметров над свободной поверхностью диэлектрика и соединена с источником высокого напряжения. Полярность на игле зависит от необходимого знака заряда электрета. Между иглой и образцом рас положена металлическая сетка. На сетку подают от вспомогательного источника постоянного тока 5 относительно «земли» потенциал, равный необходимому поверхностному потенциалу электрета и совпадающий по знаку с полярностью иглы, и включают источник высокого напряжения.
Поток ионов коронного разряда устремляется сквозь сетку к образцу. По мере зарядки, потенциал поверхности электрета относительно «земли» повышается. Пока он ниже потенциала сетки, ионы продолжают достигать поверхности диэлектрика, обеспечивая дальнейший его рост. Но как только потенциалы поверхности и сетки сравняются, электрическое поле между сеткой и электретом исчезнет. Ионы не будут двигаться к поверхности диэлектрика, а все будут разряжаться на сетке прибора.
Таким образом, применение сетки позволяет зарядить электрет до нужного значения поверхностного потенциала. Чтобы зарядить пленку зарядом другого знака, достаточно поменять местами полюса источников тока.
Рис 11 Зарядка с помощью «жидкостного контакта»: 1 электретная пленка; 2 - металлический электрод; 3 - ткань или войлок, смоченные жидкостью; 4 - источник постоянного напряжения
Управляемую электризацию можно осуществить и другим способом - методом «жидкостного контакта». В этих целях пленка помещается на плоский металлический электрод, а в качестве заряжающего электрода используется металлический электрод, покрытый слоем войлока, материей, промокательной бумагой. Перед зарядкой материя или войлок смачиваются дистиллированной водой или этиловым спиртом, и электрод ставится на свободную поверхность пленки. Включается источник постоянного напряжения, на выходе которого устанавливают нужную величину разности потенциалов. Затем, не выключая напряжения, отрывают электрод от поверхности диэлектрика. Поверхность оказывается заряженной, причем поверхностный потенциал почти всегда совпадает со значением напряжения, приложенного при электризации
Механизм явлений, происходящих при такой электризации ясен не до конца. Возможно, что заряд переносится за счет микроразрядов, возникающих при отрыве влажного электрода от диэлектрика. Стабильность электретов, заряженных таким методом, иногда уступает стабильности заряда короноэлектретов. В технических целях он практически не используется, но в условия физкабинета может быть с успехом использован.
Электрические поля электретов
Электрические поля электрета с поверхностным зарядом
Электреты, в зависимости от характера внедренного заряда, наличия или отсутствия электродов, могут создавать электростатические поля как
внутри диэлектрика, так и в окружающем пространстве.
Если взять тонкую пленку полимерного диэлектрика, продольные размеры которой значительно превышают толщину, то ее можно считать «бесконечно протяженной». Именно для таких пленок в дальнейшем будут проводиться расчеты полей, токов релаксации и др. параметров электретов.
Зарядим поверхность пленки одним знаком заряда. Заряды захватятся поверхностными ловушками и будут удерживаться на них длительное время (рис. 12).
Рис. 12. Моноэлектрет без электродов создает в пространстве электрическое поле
Такой электрет создает в пространстве однородное электрическое поле. В вакууме вне диэлектрика оно будет определяться выражением:
а внутри пленки:
где σ- поверхностная плотность заряда, ε - диэлектрическая проницаемость пленки, ε0- электрическая постоянная (8.85*
Ф/м).
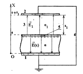
Рис. 13. Конфигурация для расчета электрических полей внутри и вне электрета: I - нижний напылённый электрод, 2 верхний электрод, 3 - диэлектрический зазор, 4 - внешняя закорачивающая цепь, 5 - поверхностный заряд
Для практических и научных целей наиболее интересен случай расчета полей, когда электрет с одним напыленным металлическим электродом помещен на некотором расстоянии от второго металлического электрода, причем оба электрода соединены проводником - коротко замкнуты (рис. 13). Такая конфигурация характерна для установок, измеряющих параметры электрета, а также для всех типов электроакустических преобразователей - микрофонов, телефонов и др. Она же позволяет рассмотреть как предельные случаи свободный электрет и электрет с плотно прилегающими или напыленными обеими электродами.
Рассмотрим сначала простейший случай, доступный даже школьникам старших классов, когда поверхность полимерной пленки однородно заряжена - поверхностная плотность заряда одинакова во всех точках поверхности и равна ст. На практике такой случай бывает при электризации в коронном разряде.
Введем обозначения: s - толщина пленки, ε - диэлектрическая проницаемость пленки, s1- толщина зазора между электретом и верхним электродом 2, ε1- диэлектрическая проницаемость вещества в зазоре, Е - напряженность электрического поля внутри пленки, D - электрическая индукция в пленке, Е1 - напряженность электрического поля в зазоре. D1, - индукция электрического поля в зазоре, V - разность потенциалов между нижним электродом и поверхностью электрета (электретная разность потенциалов или поверхностный потенциал электрета), V1 - разность потенциалов в зазоре между поверхностью электрета и верхним электродом.
Поля в зазоре и в пленке, очевидно, будут однородными. Поэтому для их определения достаточно записать два уравнения: условие для нормальной проекции вектора электрической индукции на границе раздела диэлектриков, на которой имеется слой избыточного заряда:
D1-D=σ (6)
и условие короткого замыкания электродов 1 и 2:
V1+V=0 (7)
Переходя в уравнениях (6) и (7) к напряженностям, получаем систему двух уравнений относительно неизвестных полей Е и Е1:
ε1ε0Е1-εε0Е=σ (8)
sE+s1E1=0 (9)
Решая систему, после несложных преобразований получим:
(10)
(11)
В предельном случае, когда электрод 2 удаляют на бесконечность от поверхности электрета, получается т.н. «свободный» электрет. Из 'формулы (11) видно, что поле в зазоре при этом исчезает, а в электрете становится равным:
(12)
Последнее выражение полностью совпадает с полем плоского бесконечно протяженного конденсатора с диэлектриком. В этом нет ничего удивительного, так как и в электрете и в конденсаторе имеются два противоположных по знаку параллельных слоя зарядов, одинаковых по величине. Их электрические поля по принципу суперпозиции складываются, внутри векторы напряженности полей слоев сонаправлены. а вне - противоположно направлены и компенсируют друг друга. Итак, свободный электрет бесконечной протяженности не создает в пространстве электрического поля. Однако для реальных электретов (как и плоских конденсаторов) этот вывод может быть использован с известной осторожностью, так как у них имеются края заряженной области, вблизи которых поле неоднородно и силовые линии выходят наружу. Кроме того, при зарядке могут возникнуть неоднородности в распределении поверхностного заряда по площади электрета, что также приведет к выходу силовых линий из электрета в окружающее пространство.
В этом можно убедиться, поставив простейший эксперимент. Надо положить заряженный электрет на лабораторном столе и подождать несколько дней. Оседающая из воздуха пыль, которая притягивается к местам выхода силовых линий, «проявит» рельеф поверхностного заряда. В центре образца поверхность остается чистой или менее запыленной, чем по краям, где видны резкие полосы осажденной пыли. Опыт, разумеется, можно ускорить, искусственно распыляя пыль над поверхностью электрета
Электрические поля электрета с пространственным зарядом
Теперь рассмотрим более сложный случай, когда в электрете имеется объемный заряд с плотностью ρ(х) (см. рис 8), а на поверхности пленки (при х=s) поверхностный заряд отсутствует (σ=0). Поле внутри электрета теперь не будет однородным. В этом легко убедиться, воспользовавшись уравнением Максвелла для вектора индукции электростатического поля:
















