29007-1 (689162), страница 2
Текст из файла (страница 2)
gбэ=16,810-3 Ом-1
gi=13,310-3 Ом-1
Cэ=100 пФ
Ск=5,1 пФ
Рисунок 2.5 - Эквивалентная схема Джиаколетто
2). Однонаправленная модель [3]
Lвх=Lэ+Lб=0,2+1=1,2 нГн
Rвх=rб=1,07 Ом
Rвых=Ri=gi –1=75,2
Свых=Ск=5,1 пФ
G12ном=(fmax/fтек)2=(3060/200)2=15,32=234,09
Рисунок 2.6 - Однонаправленная модель
2.3.4. Расчет цепей питания и термостабилизации
1). Эмиттерная термостабилизация [4]
Найдём мощность, рассеиваемую на Rэ:
Рабочая точка: Iк0=0,11 А
Uкэ0=7 В
Для эффективной термостабилизации падение напряжения на Rэ должно быть порядка 3-5В. Возьмём Uэ=3В. Тогда мощность, рассеиваемая на Rэ определяемая выражением (2.16), равна:
PRэ=Iк0Uэ=0,113=0,33 Вт. (2.16)
Рисунок 2.7 - Схема оконечного каскада с эмиттерной термостабилизацией
Найдём необходимое Еп для данной схемы:
Еп=URэ+ Uкэ0+ URк=3+7+0=10 В. (2.17)
Рассчитаем Rэ, Rб1, Rб2:
Ом, (2.18)
мА, (2.19)
ток базового делителя:
Iд=10Iб=9,73 мА, (2.20)
Ом, (2.21)
Ом. (2.22)
Найдём Lк, исходя из условий, что на нижней частоте полосы пропускания её сопротивление много больше сопротивления нагрузки. В нашем случае:
мкГн. (2.23)
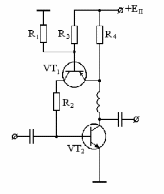
2). Активная коллекторная термостабилизация [4]
Рисунок 2.8 – Схема активной коллекторной стабилизации
Напряжение UR4 выбирается из условия:
В.
Возьмём UR4=1,5 В.
Рассчитаем мощность, рассеиваемую на R4:
PR4=UR4IК02=1,50,11=0,165 Вт. (2.24)
Найдём ЕП:
ЕП=Uкэ 02+UR4=7+1,5=8,5 В, (2.25)
где Uкэ 02 – напряжение в рабочей точке второго транзистора.
Ом (2.26)
Первый транзистор выбирается исходя из условия, что статический коэффициент передачи тока базы 01=50100.
Примем 01=75.
Ток базы второго транзистора находится по формуле (2.19):
мА.
В. (2.27)
кОм. (2.28)
В соответствии с формулой (2.19):
А.
Ток базового делителя первого транзистора рассчитывается поформуле (2.20):
Iд1=10Iб1=1019,510-6=0,195 мА.
кОм. (2.29)
кОм. (2.30)
Так как усилитель маломощный, то возьмём эмиттерную термостабилизацию.
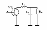
2.3.5. Расчёт выходной корректирующей цепи
Рисунок 2.9 - Выходная корректирующая цепь
Нормировка элементов производится по формулам (2.31):
, (2.31)
где Rнор и wнор – сопротивление и частота, относительно которых производится нормировка,
L, C, R – значения нормируемых элементов
Lн, Cн, Rн – нормированные значения.
Нормируем Свых (относительно Rн и wв) в соответствии с (2.31)
СвыхН=СвыхRнwв=5,110-12502200106=0,32
В таблице 7.1 [4] находим нормированные значения L1 и С1, соответствующие найденному СвыхН. Ближайшее значение СвыхН=0,285, ему соответствуют:
С1Н=0,3
L1Н=0,547
=1,002.
Денормирование элементов производится по следующим формулам:
(2.32)
По (2.32) разнормируем С1Н и L1Н :
нГн,
пФ.
Найдём ощущаемое сопротивление транзистора:
Rощ=Rн/=50/1,002=49,9 Ом (2.33)
2.3.6. Расчёт межкаскадной корректирующей цепи
Чтобы обеспечить подъём АЧХ, воспользуемся межкаскадной корректирующей цепью четвертого порядка [5].
Схема каскада по переменному току приведена на рисунке 3.9.
Рисунок 2.10 - Каскад с межкаскадной корректирующей цепью четвёртого порядка.
По заданию необходимо осуществить подъём АЧХ на 5 дБ.
Так как неравномерность АЧХ всего устройства составляет 1,5дБ, а число каскадов равно трём, то на каждый каскад приходится неравномерность АЧХ=0,5дБ.
Нормированные значения элементов корректирующей цепи взяты из таблицы 9.1, исходя из заданных частотных искажений [5].
Так как транзистор биполярный, то его входная ёмкость Свх=
Рассчитаем нормированное значение выходной ёмкости первого транзистора (Свых1) по формуле (2.31).
Здесь нормируем относительно выходного сопротивления промежуточного (первого) транзистора и верхней частоты.
Свых1Н=Свых1Rвых12fв=5,110-1275,22200106=0,482
Найдём элементы коррекции с учетом Свых1Н:
(2.34)
(2.35)
(2.36)
(2.37)
(2.38)
(2.39)
Разнормируем элементы коррекции в соответствии с (2.32):
нГн
Ом
пФ
пФ
нГн.
Найдём коэффициент усиления выходного каскада:
(2.40)
где Rвх.н – входное сопротивление оконечного транзистора, нормированное относительно выходного сопротивления предоконечного транзистора,
Gном12 – коэффициент усиления транзистора, находится по формуле (2.41)
, (2.41)
fмах – максимальная частота транзистора,
fв – верхняя частота заданной полосы пропускания.
Подставим в формулу (2.40), и получим:
раз = 16,3дБ.
2.4. Выбор входного транзистора
Транзистор входного каскада должен иметь такую же полосу частот, но, так как выходной каскад даёт достаточно высокий коэффициент усиления, то коэффициент усиления входного транзистора можно взять поменьше, чем у транзистора выходного и предоконечного каскадов [1].
Электрические параметры транзистора 2Т911А:
Коэффициент усиления по мощности при Uкэ=28В, Тк40С, на частоте f=1,8ГГц при Рвых=0,8Вт:
Gном1,2=2
Статический коэффициент передачи тока в схеме с ОЭ при Uкэ=5В, Iэ=200мА (типовое значение):
=40
Граничная частота коэффициента передачи тока в схеме с ОЭ при Uкэ=12В, Iк=200мА:
fТ=3060МГц
Ёмкость коллекторного перехода при Uкб=28В:
СUкэ=4пФ
Постоянная времени цепи ОС на ВЧ при Uкб=10В, Iэ=30мА, f=5МГц:
с=25пФ
Предельные эксплуатационные данные транзистора 2Т911А:
Средняя рассеиваемая мощность в динамическом режиме
Рк=3Вт
По всем параметрам нам подходит транзистор 2Т911А.
Подставив в формулу (2.41) справочные значения коэффициента усиления и верхней частоты транзистора, найдём максимальную частоту:
,
где fвТР – граничная частота транзистора.
Таким образом fмах=
1,8109=2,5 ГГц
Подставив в формулу (2.41) найденное значение максимальной частоты и верхнюю частоту заданной полосы, найдём усиление:
Найдём выходное сопротивление транзистора (Rвых):
Uкб=55 В, Iк=400 мА
Ом.
2.5. Расчёт предоконечного каскада
2.5.1. Расчёт рабочей точки
В данном каскаде используем транзистор КТ939, то есть такой же, как и в выходном каскаде.
Чтобы для всего усилительного каскада использовалось одно и тоже питание, рабочая точка для этого транзистора имеет такое же напряжение, но ток меньше, чем у выходного каскада в ‘коэффициент усиления конечного каскада’ раз.
Uкэ0=7 В,
мА.
Таким образом рабочая точка: Iк0=16,7 мА
Uкэ0=7 В
Эквивалентные схемы транзистора представлены в пункте 2.3.3.
2.5.2. Эмиттерная термостабилизация
Возьмём напряжение на эмиттере Uэ=3 В.
Мощность, рассеиваемая на Rэ находится по формуле (2.16):
PRэ=16,7
3=50,1 мВт.
Еп для данной схемы находится по формуле (2.17):
Еп=3+7+0=10 В.
Рассчитаем Rэ, Rб1, Rб2 в соответствии с формулами (2.18)-(2.22)
Ом,
мА,
ток базового делителя: Iд=10Iб=1,48 мА,
Ом,
Ом.
Схема каскада с эмиттерной термостабилизацией приведена на рисунке 2.7.
Найдём Lк, исходя из условий, что на нижней частоте полосы пропускания её сопротивление много больше сопротивления нагрузки для данного транзистора. В нашем случае:
нГн.
2.5.3. Расчёт элементов ВЧ коррекции и коэффициента усиления
По таблице [5] найдём коэффициенты, соответствующие нулевому подъёму АЧХ и неравномерности 0,5дБ
Рассчитаем нормированное значение выходной ёмкости первого транзистора (Свых1) по формулам (2.31).
Здесь нормируем относительно выходного сопротивления входного транзистора (Rвых1) и верхней частоты.
Свых1Н=Свых1Rвых12fв=5,110-12137,52200106=0,88
По формулам (2.34)-(2.39) найдём элементы коррекции:
В соответствии с (2.32) разнормируем элементы коррекции:
нГн
Ом
пФ
пФ
нГн.
Найдём коэффициент усиления предоконечного каскада по формуле (2.40), где Rвх.н – входное сопротивление предоконечного транзистора, нормированное относительно выходного сопротивления входного транзистора:
2.6. Расчёт входного каскада
2.6.1. Расчёт рабочей точки
Рабочая точка для этого транзистора имеет такое же напряжение, но ток меньше, чем у предоконечного каскада в ‘коэффициент усиления предоконечного каскада’ раз.
Uкэ0=7 В,
мА.
Таким образом рабочая точка: Iк0=2,7 мА
Uкэ0=7 В
2.6.2. Однонаправленная модель входного транзистора
а). Сначала найдём Сu кэ , чтобы найти Rб.
Так как в справочнике Сu кэ найдена при напряжении 28 В, а нам необходима при 10 В, то, используя формулу (2.8), получим:
Ф.
Теперь найдём Rб по формуле (2.9):
Ом.
Rвх=rб=1,5 Ом.
б). Найдём Rвых по формуле (2.15).
Uкб=55 В, Iк=400 мА
Ом.
в). Индуктивность входа
Lб=0,5 нГн, Lэ=0,55 нГн
Lвх= Lб+ Lэ=0,5+0,55=1,05 нГн
г). По формуле (2.8) рассчитаем выходную ёмкость
Ф.
















