28610-1 (689160), страница 3
Текст из файла (страница 3)
4. Ёмкость коллекторного перехода при
В
пФ;
5. Индуктивность вывода базы
нГн;
6. Индуктивность вывода эмиттера
нГн.
Предельные эксплуатационные данные:
1. Постоянное напряжение коллектор-эмиттер
В;
2. Постоянный ток коллектора
А;
3.4.3 Расчёт эквивалентной схемы транзистора
Так как при расчётах схема Джокалетто не используется, то достаточно будет расчитать однонаправленную модель на ВЧ. Эквивалентная схема замещения транзистора имеет тот же вид, что и схема, представленная на рисунке 3.3.6. Расчёт её элементов производится по формулам, приведённым в пункте 3.3.3.
нГн;
пФ;
Ом
Ом;
3.4.4 Расчёт цепи термостабилизации
Как было сказано в пункте 3.3.4.2., для данного усилителя предпочтительней выбрать во всех каскадах активную коллекторную термостабилизацию. Принципиальная схема её представлена на рисунке 3.3.8. Расчёт производится аналогично расчёту выходного каскада. Отличием является лишь то, что коллекторный ток
будет иметь другое значение.
В качестве VT1 возьмём транзистор КТ361А так как требуется меньшее рассеивание энергии чем в выходном каскаде. H21 транзистора КТ 361, используемое в ниже приведённых формулах равно H21=50. Выбираем падение напряжения на резисторе
из условия
(пусть
В), тогда
. В результате получаем следующие значения:
Ом;
А;
В;
А;
А;
Ом;
кОм.
Ом
На этом расчёт термостабилизации закончен.
3.4.5. Расчёт межкаскадной КЦ
Расчёт межкаскадной корректирующей цепи, расположенной между вторым и первым каскадом производится аналогично расчёту приведённому в пункте 3.3.5.2. Принципиальная схема МКЦ представлена на рисунке 3.4.1
Рисунок 3.4.1. Межкаскадная корректирующая цепь третьего порядка
В качестве входного транзистора возьмём КТ 930А. Его параметры, необходимые для расчёта имеют следующие значения:
Далее подставляя параметры транзисторов: VT 1 и VT 2 в соответствующие формулы получим следующие значения:
,
,
=
- нормированные значения
,
,
.
;
;
;
получим:
Отсюда найдем нормированные значения
,
, и
:
где
;
;
;
.
При расчете получим:
и в результате:
Рассчитаем дополнительные параметры:
где S210- коэффициент передачи предоконечного каскада.
Найдем истинные значения остальных элементов по формулам:
,
,
,
На этом расчёт предоконечного каскада закончен и можно приступить к входному каскаду.
3.5 Рассчёт входного каскада по постоянному току
3.5.1 Выбор рабочей точки
Выбор рабочей точки входного каскада производится анологично предыдущим каскадам, то есть Uко берётся тем же самым а Iко в коэффициент усиления раз предоконечного каскада вместе с МКЦ( S210) меньше. Тогда координаты рабочей точки примут следующие значения: Uк0= 15 В; Iко=0.8/3.131=0.26 А.
3.5.2 Выбор транзистора
Выбор транзистора был осуществлён при расчёте МКЦ, его название КТ 930А. Его основные технические характеристики приведены в пункте 3.4.2.
3.5.3 Расчёт цепи термостабилизации
Для входного каскада также выбрана активная коллекторная термостабилизация, и расчёт производится в соответствии с методикой расписанной в пункте 3.3.4.1.
В качестве VT1 возьмём тот же транзистор КТ361А.
Ом;
А;
В;
А;
А;
Ом;
кОм.
Ом
На этом расчёт термостабилизации закончен.
3.5.4 Расчёт входной КЦ
Принципиальная схема входной корректирующей цепи представлена на рисунке 3.5.1.
Рисунок 3.5.1 Схема входной корректирующей цепи
Методика расчёта входной корректирующей цепи аналогична методике расчёта МКЦ, о которой написано в пункте . Здесь Rвых есть выходное сопротивлние генератора, а Cвых его ёмкость. Подставим эти значения в соответствующие формулы и получим исходные параметры цепи:
,
=
- нормированные значения
,
,
.
Подставим исходные параметры и в результате получим:
Зная это, рассчитаем следующие коэффициенты:
;
;
;
получим:
Отсюда найдем нормированные значения
,
, и
:
где
;
;
;
.
При расчете получим:
и в результате:
Рассчитаем дополнительные параметры:
где S210- коэффициент передачи оконечного каскада.
Найдем истинные значения остальных элементов по формулам:
,
,
,
На этом расчёт водного каскада закончен.
3.6 Расчёт разделительных и блокировочных ёмкостей
В данном усилителе имеются три блокировочные ёмкости, которые стоят в цепях коллекторной стабилизации, и необходимы для того чтобы термостабилизация не влияла на режим работы усилителя по переменному току. Блокировочные ёмкости С4, С9, С14 рассчитываются из условия, что их сопротивление на нижней частоте в десять раз меньше сопротивления R2 в цепи коллекторной стабилизации (рисунок 3.3.8). То есть:
1/WнCбл=R2/10
отсюда
, (3.6.1)
Для расчёта блокировочной ёмкости, стоящей в выходном каскаде, R2=200Ом тогда:
Для расчёта блокировочной ёмкости, стоящей в предоконечном каскаде, R2=456Ом тогда:
Для расчёта блокировочной ёмкости, стоящей во входном каскаде, R2=1400Ом тогда:
Так же в усилителе имеются три конденсатора фильтра : С5, С10, С15,. которые стоят паралельно R4(рисунок 3.3.8) по переменному току. Их роль не пропустить переменную составляющую на источник питания. Их рассчёт производится аналогично блокировочным емкостям, разница лишь в том что в формуле (3.6.1) вместо R2 ставится R4. Исходя из этого, получим следующие значения:
При расчёте ёмкости, стоящей в выходном каскаде(С14), R4=0.6Ом тогда:
При расчёте ёмкости, стоящей в предоконечном каскаде(С9), R4=1.25Ом тогда:
При расчёте ёмкости, стоящей во входном каскаде(С4), R2=3.85Ом тогда:
Дроссель в коллекторной цепи выходного каскада ставится для того, чтобы выход транзистора по переменному току не был заземлен. Его величина выбирается исходя из условия:
. (3.6.2)
мкГн.
В данном устлителе имеется четыре разделительных конденсатора, которые препятствуют прохождению постоянной составляющей от одного каскада к другому. Нижняя граничная частота усилителя определяется влиянием разделительных и блокировочных емкостей Эти конденсаторы вносят искажения на низких частотах, а так как искажения усилителя по заданию не доложны превышать 2 дБ, то каждый конденсатор должен вносить искажения не более 0.5 дБ. Номинал разделительных емкостей можно определить из соотношения [2]:
; (3.6.3)
Где R1 иR2 эквивалентные сопротивления, находящиеся по обеим сторонам конденсатора;Yн-заданная неравномерность АЧХ на НЧ, измеряемая в разах.
В нашем случае Yн=0.5 дБ или 1.01 в разах.
При расчёте Ср, разделяющего нагрузку и выходной каскад R1и R2 соответственно равны R1=R2=8Ом тогда:
При расчёте Ср, разделяющего выходной и предоконечный каскад каскад R1и R2 соответственно равны R1=8Ом, R2=390Ом тогда:
При расчёте Ср, разделяющего предоконечный и входной каскад R1и R2 соответственно равны R1=8 Ом, R2=360Ом тогда:
При расчёте Ср, разделяющего входной каскад и источник сигнала R1и R2 соответственно равны R1=75Ом, R2=680Ом тогда:
4. Заключение
В результате проделанной работы был рассчитан усилитель который имеет следующие технические характеристики:
1. Рабочая полоса частот: 49-100 МГц
2. Линейные искажения
в области нижних частот не более 2 дБ
в области верхних частот не более 2 дБ
3. Коэффициент усиления 18 дБ
4. Мощность выходного сигнала Pвых=10 Вт
5. Питание однополярное, Eп=16 В
Усилитель рассчитан на нагрузку Rн=75 Ом и работает от генератора с выходным сопротивлением Rг=75 Ом.
Усилитель имеет запас по усилению 3дБ, что позволяет усилителю работать с коэффициентом усиления не ниже заданного при изменении параметров элементов в результате старения.
Литература
-
Проектирование радиопередающих устройств./ Под ред. О.В. Алексеева. - М.: радио и связь, 1987.-392с.
-
Красько А.С., Проектирование усилительных устройств, методические указания. - Томск: ТУСУР, 1990г-23с.
-
Полупроводниковые приборы: транзисторы. Справочник / Под ред. Горюнов Н.Н. - 2-е изд. М.: Энергоатомиздат, 1985.-903с.
-
Титов А.А., Бабан Л.И., Черкашин М.В. Расчет межкаскадной согласующей цепи транзисторного полосового усилителя мощности/ Электронная техника СЕР, СВЧ - техника. - 2000. - вып. 1-475с.
-
Титов А.А. Расчет корректирующих цепей широкополосных усилительных каскадов на биполярных транзисторах - http://referat.ru/download/ref-2764.zip
-
Цыкин Г.С. Усилительные устройства.-М.: Связь, 1971.-367с.
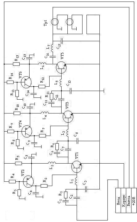
| РТФ КП 468740.001 ПЗ | ||||||||||||||||||||||
| Лит | Масса | Масштаб | ||||||||||||||||||||
| Изм | Лист | Nдокум. | Подп. | Дата | ||||||||||||||||||
| Выполнил | Галимов | УCИЛИТЕЛЬ | ||||||||||||||||||||
| Проверил | Титов | МОЩНОСТИ | ||||||||||||||||||||
| Лист | Листов | |||||||||||||||||||||
| ТУСУР РТФ | ||||||||||||||||||||||
| Принципиальная | Кафедра РЗИ | |||||||||||||||||||||
| Схема | гр. 148-3 | |||||||||||||||||||||
| Поз. Обозна- Чение | Наименование | Кол. | Примечание | |||||||||||||||||||
| Транзисторы | ||||||||||||||||||||||
| VT1 | КТ930А | 1 | ||||||||||||||||||||
| VT2 | КТ361 | 1 | ||||||||||||||||||||
| VT3 | КТ930А | 1 | ||||||||||||||||||||
| VT4 | КТ361 | 1 | ||||||||||||||||||||
| VT5 | КТ930Б | 1 | ||||||||||||||||||||
| VT6 | КТ814 | 1 | ||||||||||||||||||||
| Конденсаторы | ||||||||||||||||||||||
| С1 | КД-2-47пФ 5 ОЖО.460.203 ТУ | 1 | ||||||||||||||||||||
| С6 | КД-2-80пФ 5 ОЖО.460.203 ТУ | 1 | ||||||||||||||||||||
| С11 | КД-2-70пФ 5 ОЖО.460.203 ТУ | 1 | ||||||||||||||||||||
| С16 | КД-2-145пФ 5 ОЖО.460.203 ТУ | 1 | ||||||||||||||||||||
| С2 | КД-2-30пФ 5 ОЖО.460.203 ТУ | 1 | ||||||||||||||||||||
| С3 | КД-2-48пФ 5 ОЖО.460.203 ТУ | 1 | ||||||||||||||||||||
| С4 | КД-2-27пФ 5 ОЖО.460.203 ТУ | 1 | ||||||||||||||||||||
| С5 | КД-2-8нФ 5 ОЖО.460.203 ТУ | 1 | ||||||||||||||||||||
| С9, | КД-2-70пФ 5 ОЖО.460.203 ТУ | 1 | ||||||||||||||||||||
| С10 | КД-2-0.027мкФ 5 ОЖО.460.203 ТУ | 1 | ||||||||||||||||||||
| С14 | КД-2-150пФ 5 ОЖО.460.203 ТУ | 1 | ||||||||||||||||||||
| С15 | КД-2-0.47мкФ 5 ОЖО.460.203 ТУ | 1 | ||||||||||||||||||||
| С7 | КД-2-390пФ 5 ОЖО.460.203 ТУ | 1 | ||||||||||||||||||||
| С8 | КД-2-130пФ 5 ОЖО.460.203 ТУ | 1 | ||||||||||||||||||||
| С12 | КД-2-330пФ 5 ОЖО.460.203 ТУ | 1 | ||||||||||||||||||||
| С13 | КД-2-150пФ 5 ОЖО.460.203 ТУ | 1 | ||||||||||||||||||||
| С17 | КД-2-150пФ 5 ОЖО.460.203 ТУ | 1 | ||||||||||||||||||||
| Катушки индуктивности | ||||||||||||||||||||||
| L1 | Индуктивность 62нГн 5 | 1 | ||||||||||||||||||||
| L2, L4, L6 | Индуктивность 20мкГн 5 | 3 | ||||||||||||||||||||
| РТФ КП 468740.001 ПЗ | ||||||||||||||||||||||
| Лит | Масса | Масштаб | ||||||||||||||||||||
| Изм | Лист | Nдокум. | Подп. | Дата | ||||||||||||||||||
| Выполнил | Галимов | УСИЛИТЕЛЬ | ||||||||||||||||||||
| Провер. | Титов | МОЩНОСТИ | ||||||||||||||||||||
| Лист | Листов | |||||||||||||||||||||
| ТУСУР РТФ | ||||||||||||||||||||||
| Перечень элементов | Кафедра РЗИ | |||||||||||||||||||||
| гр. 148-3 | ||||||||||||||||||||||















