25363 (686815), страница 2
Текст из файла (страница 2)
Поглощение бурового раствора
Таблица 4
| Индекс стр. подразделения | Интервал, м | Максимальная интенсивность поглощения, м3/ч | Имеется ли потеря циркуляции | Условия возникновения | ||||
| от (верх) | до (низ) | |||||||
| Q-P2-3 | 0 | 450 | 5 | нет | Увеличение проектной плотности промывочной жидкости | |||
| K1-2 pk | 930 | 1500 | 2 | нет | ||||
Газонефтевододопроявления
Таблица 5
| Индекс стр. подразделения | Интервал, м | Вид проявляемого флюида | Условия возникновения | Характер проявления | ||||
| от (верх) | до (низ) | |||||||
| 1 | 2 | 3 | 4 | 5 | 6 | |||
| K1-2 pk | 930 | 1720 | Вода | Снижение противодавл на пласт | Увелич. водоотдачи | |||
| K1 | 1750 | 2650 | Вода | Несобл. Параметров Раствора | Увелич. водоотдачи | |||
| J3 vs | 2690 | 2725 | Нефть | Несобл. Параметров Раствора | Перелив на устье | |||
| J3 vs | 2725 | 2730 | вода | Несобл. Параметров Раствора | Перелив на устье | |||
Прихватоопасные зоны
Таблица 6
| Индекс стр. подразделения | Интервал, м | Вид прихвата | Наличие ограничений на оставление ин-та без движения или промывки | Условия возникновения | |
| от (верх) | до (низ) | ||||
| Р2 | 0 | 400 | От обвала неустойчивых пород и заклинки инструмента | да | Несаблюдение режима промывки, недостаточная очистка скважины от выбуренной породы, несоблюдение параметров раствора |
| K2 br | 790 | 910 | От разбухания опоковидных глин, обвала стенок скважины, заклинки бурового инструмента | да | Разбухание опоковидных глин, обвал стенок скважины |
| K1 | 930 | 2250 | От сальнико- образования, желобообразования | да | Несоблюдение параметров раствора |
| K1 | 1720 | 2650 | От перепада давления в системе | да | Несоблюдение режимов промывки параметров бурового раствора |
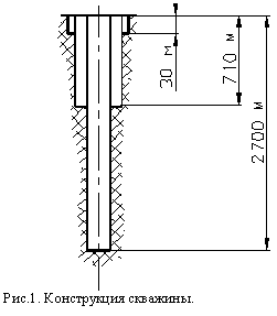
1.4 Конструкция скважины
Таблица 7
Конструкция скважины
| N колонны в порядке спуска | Название колонны | Интервал по вертикали, м | Номинальный диаметр ствола скважины (долота), в интервале, мм | ||
| от (верх) | до (низ) | ||||
| 1 | направление | 0 | 30 | 490,0 | |
| 2 | кондуктор | 0 | 710 | 295,3 | |
| 3 | эксплуатационная | 0 | 2700 | 215,9 | |
Таблица 8
Применяемые промывочные растворы по интервалам (по ГТН)
| Вид | Интервал,м | Плотность, г/см3 | ПФ,см/30мин | УВ,сек |
| Глинистый | 0-700 | 1,16 – 1,18 | 8 - 6 | 30 – 35 |
| Глинистый | 700-1100 | 1,05 – 1,08 | 8 - 10 | 18 – 20 |
| Глинистый | 1100-2050 | 1,08 – 1,12 | 6 - 8 | 20 – 23 |
| Глинистый | 2050-2250 | 1,12 – 1,14 | 6 - 4 | 23 – 25 |
| Глинистый | 2250-2700 | 1,12 | 4 | 24 – 25 |
-
Применяемое оборудование в циркуляционной системе
На данном предприятии используется типовая схема очитки бурового раствора. В нее входят:
-
две емкости по 100 м3, запасная и основная;
-
глиномешалка, для внедрения реагентов в буровой раствор в процессе бурения;
-
два вибросита со сменными сетками;
-
илоотделители и пескоотделители;
-
лопастные перемешиватели, применяемые для предупреждения осаждения на дно емкости дисперсной фазы.
1.6 Нормы расхода буровых растворов по интервалам бурения (расчетные)
Таблица 9
Расход бурового раствора по интервалам бурения
| Интервал, м Расход, м3/с | 0-30 | 30-710 | 710-2700 |
| Для выноса шлама | 0,037 | 0,0146 | 0,0146 |
| Для нормальной работы ЗД | 0,036 | 0,036 | 0,0143 |
| Для очистки забоя | 0,024 | 0,0168 | 0,0128 |
| Выбранный | 0,037 | 0,036 | 0,0146 |
2 Выбор растворов по интервалам бурения скважин
2.1 Анализ используемых в УБР буровых растворов
Для бурения скважин предусмотрено использование экологически малоопасных рецептур бурового раствора на основе отечественных реагентов КМЦ-600, САЙПАН, ГИПАН, НТФ, ТПФН, КССБ. Химические реагенты и их приготовление для обработки бурового раствора.
-
КМЦ применяется для регулирования фильтрационных свойств бурового раствора.
Приготовление водного раствора КМЦ на буровой производится в глиномешалках или гидромешалках. Глиномешалка МГ2-4 заполняется на 2/3 водой, загружается расчетное количество реагента, перемешивается в течении 10 мин. Приготовление раствора КМЦ осуществляется из расчета не более 200 кг на глиномешалку.
-
КССБ принимается для снижения вязкости пресных растворов, вызывает пенообразование. При использовании КССБ необходимо применять пеногаситель.
-
Гипан применяется для снижения показателя фильтрации пресных и слабоминерализованных буровых растворов, вызывает раннее загустевание пресных растворов.
Гипан не требует специального приготовления, но для более равномерной обработки бурового раствора рекомендуется производить двадцатикратное разбавление водой товарного гипана.
-
НТФ- применяется для снижения вязкости, структурных характеристик глинистого раствора в процессе бурения, регулирования фильтрационных свойств. Не требует специального приготовления, может добавляться в сухом виде под перемешиватели.
-
Бентонит, модифицированный метасом и кальцинированной содой, применяется для заготовки и обновления объема глинистых буровых растворов при снижении удельного веса.
-
Кальцинированная сода применяется для обработки раствора после разбуривания цементного стакана в башмаке кондуктора, а также в качестве понизителя вязкости.
-
Графит серебристый применяется как профилактическая смазочная добавка к буровому раствору.
-
ФК-2000- смазывающая добавка многофункционального действия, экологически чистая. Состоит из ПАВ на основе растительных масел. Совместима со всеми химическими реагентами. Оптимальная добавка от 0,1 до 0,5%.
2.2 Обоснование выбора типа растворов
Тип бурового раствора выбирается в первую очередь из условия обеспечения устойчивости стенок скважины, определяемой физико-химическими свойствами слагающих горных пород и содержащихся в них флюидов, пластовым и горным давлениями, а так же забойной температурой. При этом следует руководствоваться накопленным опытом бурения в проектном районе с промывкой различными буровыми растворами. Критерием оптимальности применяемого типа бурового раствора являются затраты времени и средства на борьбу с осложнениями, связанными с типом бурового раствора. Если затраты времени на борьбу с подобными осложнениями отсутствуют, то применяемый тип бурового раствора следует считать оптимальным.
Необходимо помнить, что тип бурового раствора определяет не только осложнения при бурении, но и в большей мере эффективность разрушение долотом. Чем быстрее бурится скважина, тем меньше, как правило, наблюдается осложнений. Поэтому при решении этого вопроса следует анализировать и учитывать отечественный и зарубежный опыт бурения скважин в аналогичных разрезах. При прочих равных условиях всегда следует отдавать предпочтение буровым растворам с минимальным содержанием твердой фазы.
















