147907 (685550), страница 2
Текст из файла (страница 2)
В 1957 г. в Ленинграде была установлена первая автоматическая подстанция координатной системы емкостью 100 номеров. Позднее в ЛОНИИС под руководством профессора Б.С. Лившица совместно с заводом «Красная заря» была разработана АТС координатной системы большой емкости, и в 1967-1968 гг. на Калининском проспекте в Москве была смонтирована автоматическая телефонная станция координатной системы на 30 тыс. номеров. Координатные АТС разработки ЛОНИИС производились также в ГДР и Чехословакии.
Сегодня в эксплуатации на городских телефонных сетях Российской Федерации все еще находятся эти декадно-шаговые АТС (АТС-47 и АТС-54) и координатные АТС (АТСК, АТСКУ, АТСК-100/2000, ПСК-1000), составляющие порядка 25% и 60% емкости ГТС, соответственно. Оставшиеся 15% представляют собой квазиэлектронные и современные электронные цифровые станции. Общая монтированная емкость сельских телефонных сетей составляет 3.8 млн. номеров, обслуживаемых в основном АТС координатной системы типов АТСК 100/2000 и АТСК 50/200.
Типовая структура городской телефонной сети (ГТС) представлена на рис. 1.2. Здесь показана телефонная сеть крупных городов, например, Москвы или Санкт-Петербурга. Такая сеть характеризуется наличием 7-значной закрытой нумерации и обеспечивает включение до 8 миллионов абонентских линий. В рамках ГТС каждая местная АТС имеет связи, как минимум, с одной междугородной станцией и с несколькими местными АТС, а также, возможно, с транзитными узлами входящих и/или исходящих сообщений, узлом спецслужб УСС и др.
Рис. 1.2. Типовая структура ГТС
Телефонные сети очень сложны как с точки зрения организации обслуживания вызовов, так и с точки зрения других технологий, необходимых для предоставления разнообразных услуг абонентам. Для выполнения всех этих функций требуется наличие сигнализации между коммутационными узлами и станциями сети электросвязи. Сигнализация обеспечивает возможность передачи информации внутри сети, а также между абонентами и сетью электросвязи.
Так что же такое сигнализация? По образному выражению Р. Мангерфилда [121], сигнализация - это кровеносная система сетей электросвязи, которая поддерживает совместное существование коммутационных узлов и станций в сети для обеспечения функций обслуживания абонентов. Без сигнализации сети мертвы, а с введением эффективных систем сигнализации сеть становится мощным средством, с помощью которого абоненты могут общаться друг с другом и пользоваться все расширяющимся спектром услуг электросвязи. Характерной особенностью протоколов сигнализации является их быстрая эволюция. Существующие еще сегодня системы сигнализации, являющиеся просто механизмом передачи базовой информации, постепенно заменяются более мощными протоколами передачи данных, обеспечивающими беспрепятственную и эффективную передачу информации между коммутационными узлами и станциями в сети.
1.2. КЛАССИФИКАЦИЯ ПРОТОКОЛОВ СИГНАЛИЗАЦИИ
Межстанционная сигнальная информация передается различными способами, которые можно разделить на три основных класса.
Первый класс - это способы передачи сигналов непосредственно по телефонному каналу (разговорному тракту), называемые иногда «внутриполосными» системами сигнализации. По телефонным каналам (физическим цепям) сигналы могут передаваться постоянным током, токами тональной частоты, индуктивными импульсами и др.
Второй класс - сигнализация по индивидуальному выделенному сигнальному каналу (ВСК). Как правило, в таких системах обеспечиваются выделенные средства передачи сигнальной информации (выделенная емкость канала) для каждого разговорного канала в тракте передачи информации. Это может быть 16-й временной канал в ИКМ тракте, выделенный частотный канал вне разговорного спектра канала ТЧ на частоте 3825 Гц и др.
Третий класс - это системы общеканальной сигнализации (ОКС). В протоколах этого класса тракт передачи данных сигнализации предоставляется для целого пучка телефонных каналов по принципу адресно-группового использования, т.е. сигналы передаются в соответствии со своими адресами и размещаются в общем буфере для использования каждым телефонным каналом, как и когда это потребуется.
Системы сигнализации первых двух классов разработаны для применения в сетях со старыми технологиями, в которых коммутационные узлы и станции являются в основном аналоговыми и используют принцип замонтированной программы. Не только российские телефонные сети, но и большинство национальных сетей электросвязи во всем мире до сих пор включают значительную часть оборудования, использующего эти системы сигнализации. К тому же, даже при внедрении самых современных станций требуется взаимодействие с существующими системами сигнализации. Поэтому описание принципов и самих систем сигнализации первых двух классов составляет значительную часть объема данной книги. При этом описания наиболее распространенных на телефонных сетях России систем сигнализации доведены до уровня формализованных спецификаций и могут служить базой для их реализации в современных цифровых коммутационных узлах и станциях.
Протокол общеканальной сигнализации (ОКС) оптимален для использования в сетях с современными технологиями, основанными на цифровой коммутации и программном управлении, в связи с чем самая объемная глава книги посвящена этому протоколу. Данная книга не претендует на исчерпывающее рассмотрение систем ОКС на уровне спецификаций. Обязательно определяемые в спецификациях режимы функционирования в условиях неисправностей и ошибочных данных, другие технические подробности в значительной степени пропускаются в материалах главы 10 для того, чтобы читатель смог сконцентрировать внимание на принципах протокола ОКС. После объяснения этих принципов спецификации будут восприниматься гораздо легче.
Такой неравноправный подход к описаниям систем сигнализации различных классов объясняется след)тощими причинами. Детальные спецификации систем общеканальной сигнализации, включающие SDL-диаграммы, структуры данных, временные параметры сигналов, сценарии и т.п., разрабатываются и совершенствуются специалистами Исследовательской комиссии 11 Международного консультативного комитета по телеграфии и телефонии (МККТТ), преобразованного в настоящее время в Сектор стандартизации электросвязи Международного союза электросвязи (в английской аббревиатуре ITU-T), и регулярно публикуются в цветных книгах ITU-T, в частности, рекомендации Q.700 в выпусках Желтой, Красной и Голубой книг МККТТ (1981, 1985 и 1989 гг.) и Белой книги ITU-T(1993 г.). Эти спецификации могут быть доступны любознательному читателю наряду с другими книгами по общеканальной сигнализации [121,124]. В то же время SDL-диаграммы, таблицы тайм-аутов, сценарии обмена сигналов и т.п. для специфических российских систем сигнализации по телефонным каналам и ВСК, а также для уникальных процедур определения номера вызывающего абонента (АОН) создавались автором и его коллегами для собственных разработок программно-управляемой коммутационной техники, практически нигде не публиковались, и лишь резко усилившийся в последние годы интерес российских и зарубежных связистов к этой проблематике заставил автора задуматься о целесообразности написания этой книги.
Другой, не менее прагматической причиной такой разницы в уровне детализации описаний является относительная простота логики существующих систем сигнализации, позволяющая их спецификациям уместиться в ограниченном объеме книги и быть легко понятыми читателем.
1.3. ЭВОЛЮЦИЯ ПРОТОКОЛОВ СИГНАЛИЗАЦИИ
Одним из основных факторов, оказывающих влияние на существование описанных выше трех классов систем сигнализации, является обусловленность взаимосвязью систем сигнализации, поддерживаемых той или иной АТС, с используемым в этой АТС принципом управления обслуживания вызовов.
Так исторически сложившиеся системы сигнализации первого класса очевидным образом ассоциируются с аналоговыми декадно-шаговыми станциями, реализующими принципы непосредственного управления. Эти станции состоят из отдельных ступеней искания, каждая из которых имеет свой собственный механизм управления и совмещает тем самым функции управления и коммутации. Упрощенное представление межстанционной сигнализации первого класса показано на рисунке 1.3. Для этих станций в процессе обслуживания вызова линейные и разговорные сигналы проходят один и тот же путь внутри станции, и они также проходят одинаковый путь вне станции по межстанционным соединительным линиям.
Рис. 1.3. Упрощенное представление способов сигнализации непосредственно по телефонному каналу
Передача сигналов по телефонным каналам (физическим цепям) постоянным током может осуществляться гальваническим, шлейфным или батарейным способом.
При батарейном способе сигналы передаются по проводам а, Ь или c с использованием станционных батарей АТС и земли в качестве обратного провода. Более подробно этот способ рассмотрен в главе 4.
При шлейфном способе в отличие от батарейного сигналы передаются в шлейфе без использования земли в качестве обратного провода, т.е. от станционной батареи одной станции. В этом случае возможная разность потенциалов заземлений на передачу сигналов не оказывает влияния. Состояния шлейфа постоянного тока в разговорной цепи обозначают передаваемую информацию. Использование шлейфной сигнализации на межстанционных соединительных линиях ограничено возможной дальностью передачи сигналов постоянным током, необходимостью «обхода» усилителей, не пропускающих импульсы постоянного тока, а также невозможностью работы по каналам систем передачи с частотным разделением каналов (ЧРК). Тем не менее, эти способы нашли применение на городских и сельских телефонных сетях.
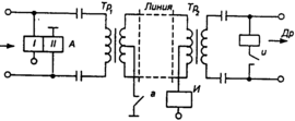
Гальванический способ (рис. 1.4) характеризуется тем, что цепи передачи сигналов даже при наличии на линии трансформаторов имеют гальваническую связь. Данный способ передачи сигнализации нашел применение на сельских телефонных сетях при связи сельских АТС с ручными телефонными станциями системы ЦБ, а также для ручных станций системы МБ при связи с АТС, когда станции МБ не оборудованы источниками электропитания напряжением 24 В. Недостатком способа является то, что сигналы управления проходят по обоим проводам линии в одном направлении и поэтому оказывают значительное индуктивное влияние на соседние цепи.
Рис. 1.4. Передача сигналов гальваническим способом
На сельских телефонных сетях нашел применение индуктивный способ передачи сигналов для связи центральной станции с узловыми и оконечными АТС, а также для связи узловой станции с оконечными по физическим двухпроводным соединительным линиям. В качестве приемника индуктивных импульсов используется поляризованное еле. Положительной стороной индуктивного способа является возможность образования "искусственных (фантомных) цепей, что для сельских телефонных сетей ^$ отдельных случаях могло иметь определенное значение. - Сегодняшнее состояние местных телефонных сетей Российской Федерации позволяет автору не рассматривать более подробно шлейфный, гальванический и индуктивный способы сигнализации по физическим линиям. Последний способ будет все же упомянут в главе 7 для объяснения сигнализации по одному выделенному сигнальному каналу (1ВСК) индуктивным кодом. Что же касается батарейного способа сигнализации по трехпроводным соединительным линиям, то ему посвящена целиком глава 4 книги, что обусловлено все еще значительным использованием этой сигнализации на местных телефонных сетях Российской Федерации.
Следующий этап развития коммутационных станций показан на рисунке 1.5. Здесь уже отдельные ступени искания шаговых станций заменяются коммутационными блоками, а для установления соединений и разъединений вводятся специальные управляющие устройства (регистры и маркеры), отделенные от коммутационных приборов. Такая технология позволяет добиться большей гибкости в управлении вызовами и является более экономичной.
Система сигнализации второго класса - сигнализация по выделенному сигнальному каналу (ВСК) - обычно ассоциируется с этим классом станций. Сигнальная информация проходит по тому же пути, что и соответствующий разговор, но они разделены внутри станции. Это представлено на рисунке 1.5, где разговорные телефонные цепи (обозначенные сплошными линиями) организуются коммутационным блоком, а сигнальная информация (обозначенная пунктирными линиями) передается и принимается управляющими устройствами станции.
















