95069 (682473)
Текст из файла
Микронизация ибупрофена методом RESS
Ибупрофен (хоральное нестероидное противовоспалительное лекарство) микронизировалась с помощью процесса Быстрого Расширения Сверхкритического Раствора СО2 (RESS). Эксперименты проводились для изучения влияний давления экстракции (130-180 бар), температуры предрасширения (76-104 оС), длины капилляра (8-12 мм), дистанции распыления (20-60 мм) и угла столкновения (45-90о) на размер и морфологию осаждённых частиц ибупрофена. Параметры (размер, морфологию и упорядоченность структуры) частиц изучались с помощью электронной сканирующей микроскопии (SEM) и рентгеновской дифракции (XRD). Первоначальный средний размер частиц составляет 45 мкм (±1,151) тогда, как средний размер частиц после микронизации методом RESS зависит от экспериментальных условий, и находится в пределах 2,85 мкм (±0,31) и 7,48 мкм (±0,54). После микронизации с помощью RESS степень упорядочности структуры слегка уменьшилось по сравнению с исходным материалом. В ходе наблюдений не удалось найти определённой зависимости размера частиц от давления расширения, тогда как увеличение дистанции распыления приводит к увеличению размера частиц. Однако, увеличение температуры предрасширения, длины капилляра и угла столкновения приводит к уменьшению среднего размера частиц.
Введение
Большинство лекарств, используемых в фармацевтической промышленности, не растворимы или слабо растворимы в воде. Биопригодность (доля абсорбированных лекарств по сравнению с первоначальной дозой) ограничивается нерастворимостью. Для того чтобы в конечном итоге абсорбироваться, лекарство должно растворяться. Степень растворения - это функция от поверхности и растворимости частиц. Площадь поверхности может быть определена посредством контроля над размерами частиц. Поэтому уменьшение размера частиц (увеличением площади поверхности) позволяет улучшить биопригодность, не растворимых в воде лекарств.
Таблетки всё ещё широко используются и выпускаются в удобной твёрдой дозировке. В состав таблеток входит несколько различных наполнителей таких как: набухающие и связывающие агенты, смазочные материалы, пластификаторы, а так же и другие ингредиенты. Производство таблеток при непосредственном сжатии требует хорошего смешения наполнителя и лекарства (уровень однородности). Меньшие по размеру частицы лекарств позволяют улучшить однородность таблеток.
В организме, таблетка распадается на наполнители и терапевтические агенты (лекарство). Поэтому размеры лекарственных частиц играют важную роль в биопригодности таблетированных форм. Размер частиц является важным как для внутривенного введения слаборастворимых в воде наносуспензий, так и для внутриротового применения. Кроме влияния размера частиц на степень растворения, размер частиц лекарств также важен при использовании прибора лёгочной доставки. Только частицы с диаметром 5 мкм смогут достичь дальней области альвеол в лёгких, которая состоит из большого количества кровеносных сосудов специализирующихся на доставке лекарств.
В фармацевтической промышленности были использованы некоторые традиционные методы для измельчения частиц такие как: дробление, размалывание, помол, сушка распылением, сублимационная сушка, перекристаллизация растворенных частиц из растворов, использующих жидкий антирастворитель. Непривлекательность этих методов обусловлена: термическим и химическим разрушением продуктов из-за высокой температуры; высокой энергозатратностью; большим количеством используемого раствора; проблемам удаления растворителя; широким диапазоном разбросов размера частиц (PSDs).
Быстрое расширение сверхкритических растворов (RESS) - это технология сверхкритических флюидов, которая исключает недостатки традиционных методов для производства мелких частиц с узким распределением разброса размеров. В процессе RESS ,чтобы получить вещество, сначала необходимо растворить его в сверхкритическом растворителе, обычно СО2, затем сверхкритический раствор расширяется через сопло или капилляр с малым диаметром. Отличительная черта процесса RESS это высокая степень пресыщения (отношение мольной фракции растворенного вещества при температуре и давлении экстракции к равновесной мольной фракции при данной температуре и давлении) и гомогенизации, полученного из-за быстрого расширения сильносжатой сверхкритической смеси. Высокое пресыщение введёт к образованию маленьких частиц, а гомогенизация, обеспечивает узкий диапазон распределения размера частиц. Эти Свойство RESS используется в производстве очень маленьких частиц различных неорганических (SiO2 /вода [1-3]; SiO2 /вода-NaCl [1]; SiO2/ вода-Kl [1-3]; SiO2 /NH3 [2]; Si /NH3[2]; GeO2/вода [2,3]; ферроцен, нейтрал-металлкарбонилы/ СО2 [4], органических (нафталин /СО2 [5-8]; фенантрен /СО2 [9-11]; антрацен/ СО2 [9,12]; кофеин / СО2 [12]), фармацевтических (ловастанин /СО2 [5]; салициловая кислота/СО » [10,1 1,13]; грицофулбин /СHF3 [14,15]; стероидные лекарства/ СО2 [16]; напраксин /СО2 [17]; аспирин/ СО2 [10]; бензольная кислота/СНF3 [15,18]; ибупрофен /СО2 [19]; холестрол/ СО2 [15,18]) и полимеров (поли (карбосиланом)/пентан[2,3]; поли - (метил-метакрилат)/пропан[2]; поли (фенилсульфон)/пропан[2,3]; полипропилен/пентан[2,3]; полистирол/пентан [2,3]; поли (винил-хлорид)/KI/этанола[2,3]; поли (метил-метакрилат)/CHClF2[20,21]; поли(этил-метакрилат)/CHClF2[21]; поли- капролактон/CHClF2[20,21]; стирол/метил-метакрилат- блок-сополимер/CHClF2[20,21]; поли (L-молочная кислота) / CHClF2 [21]; поли (L-молочная кислота) / CO2 [17,22]; поли (L-молочная кислота)/СО2 -ацетон [22]; поли (L-молочная кислота)/СО2/CHClF2 [23]; поли (L-молочная кислота)/CClF3 [22]; поли (D, L-молочная - кислота)/CO2 [22]; поли (гликолевая кислота)/CO2 [22]; поли (TA-N) / CO2 [24]; HYAFF-11/CO2. Хотя в большинстве трудов, посвященных RESS, целью было осаждение бинарных систем (растворенное вещество и растворитель), некоторые учёные [7,9,11,12,23] так же заинтересовались методом RESS для тройных систем (два растворённых вещества и растворитель) и изучали влияния второго растворенного вещества на сверхкритический растворитель, а также эффект соосаждения на параметры осаждаемых кристаллов. Кроме того, некоторые учёные [17,26,27] изучали возможности RESS для производства системы с контролируемым освобождением лекарства. Том(Tom) и Дебендетти (Debenedetti) [28] изучали теоретические основы, экспериментальные методы, опытные данные по процессу RESS. Кроме того, Джанг (Jung) и Перут (Perrut)[29] подготовили литературный и патентный обзор по сверхкритическим технологиям образования частиц, включающий метод антирастворителя.
Главное ограничение в использовании RESS состоит в низкой или полной нерастворимости высокомолекулярных соединений, полярных структур в нетоксичном, не воспламеняемом и недорогом СО2. В этой ситуации сверхкритический флюид может использоваться как антирастворитель для твёрдых материалов. Сверхкритическими флюидными технологиями, использующимися для производства мелких частиц, в которых сверхкритический растворитель действует как антирастворитель, являются методы перекристаллизация газового антирастворителя (GAS)[30-35], осаждения с сжатым антирастворителем (PCA) [36-39] и осаждение сверхкритического антирастворителя (SAS) [25,40].
В этих антирастворяющих процессах растворенное вещество, которое должно быть микронизировано, предварительно растворяют в жидком органическом растворителе. Затем сверхкритический антирастворитель, который характеризуется высоким коэффициентом диффузии, помещают в жидкий растворитель. Жидкий растворитель и сверхкритический флюид полностью смешиваются. Добавление сверхкритического антирастворителя в жидкий раствор ведёт к расширению объёма жидкого антирастворителя, таким образом, уменьшается сила растворения, что приводит к пресыщению и осаждению растворенного вещества. В литературе описаны различные компоновки экспериментальных установок, в которых используются принцип сверхкритического антирастворителя. Для того чтобы обозначить различные компоновки авторами используются различные названия (GAS,PCA,SAS).Сверхкритические флюидные технологии наиболее эффективны в лабораторных условиях, однако применение этих технологий в промышленном масштабе тоже достаточно интересно. Тиеринг(Thiering) и другие [41] обсуждает специфику в масштабировании процесса микронизации методом сверхкритического антирастворителя.
Ибупрофен – хиральное нестероидное противовоспалительное лекарство (NSAID) , которое проявляет слабую растворимость в воде и его биопригодность может быть улучшена уменьшением размера частиц лекарства. Чарунчатракул(Charoenchatrakool) и другие [19] изучали влияние давления предрасширения, дистанции распыления и длины сопла на размер и морфологию частиц ибупрофена полученных методом RESS. Они также изучали и сравнивали кинетику растворения исходного ибупрофена и частиц ибупрофена произведенного методом RESS. Джанг(Young) и другие [42] предложили вариант метода RESS, который называется метод быстрого расширение из сверхкритического раствора в жидкий раствор (RESAS) и применили этот метод для получения циклоспарина (не растворимое в воде лекарство). В RESAS методе вместо расширения в воздух сверхкритический раствор был расширен в жидкий раствор Tween-80 (полисорбат 80) . Целью исследования являлось минимилизация роста и агломерации (проблема в RESS процессе) частиц циклоспарина после расширения. Частицы, полученные методом RESSAS, были на порядок мельче, чем произведённые по методу RESS.
В этой работе, процесс RESS, применяется для микронизации ибупрофена. Исследуется влияние давления расширения, длины капилляра, дистанции распыления, а также влияния угла столкновения и температуры предрасширения на размер и морфологию осажденных частиц ибупрофена.
1. Экспериментальная часть
1.1 Установка
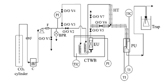
Схема экспериментальной установки, используемая для процесса RESS, показана на рис.1 [43]. Установка состоит главным образом из секции экстракции и секции осаждения, в которой собираются осажденные частицы.
Растворитель CO2, подавался в систему, при давлении экстракции, с помощью мембранного насос марки EK(Lewa). Регулятор обратного давления, который можно использовать при давлении до 170 бар, был установлен на выходе из насоса. Как изображено на рис. 1, СО2 после прохождения через регулятор обратного давления разделяется на два основных потока. Двухпозиционный клапан V2 направляет CO2 через подогревательную спираль, выполненную из трубопровода нержавеющей стали высокого давления с наружным диаметром 1\4 дюйма, погружённую в водяной термостат. После прохождения через нагревательную спираль CO2 попадает в секцию экстракции. Вторая линия, которая проходит через двухпозиционные клапаны V3 и V4, также попадает в нагревательную спираль, но в обход экстрактора. Эта линия также была изготовлена из трубопровода нержавеющей стали высокого давления с наружным диаметром 1\4 дюйма, и используется для достижения равновесного состояния системы.
Две нагревательные спирали и экстракционная колонна погружались водяной термостат постоянной температуры. Экстракционная колонна пригодна для использования при давлении до 250 бар. Её внутренний объём составляет 318 см3, внутренний диаметр 45 мм и глубина 200 мм. Внутри колонны расположена цилиндрическая проволочная сеть, наполненная стекловатой, с помощью которой удерживается раствор на месте. Трубопровод Swagelok с наружным диаметром 1\4 дюйма соединяет двухпозиционный клапан V5 с секцией осаждения. Линия до секции осаждения подогревается нагревательной лентой. Две основные линии системы соединяются до входа в подогревательную линию. Двухпозиционный клапан V6 позволяет сбросить давление из ячейки экстракции.
Рис. 1. Экспериментальная установка для RESS процесса (BPR, регулятор обратного давления; C, камера охлаждения; CTWB, водяной термостат постоянной температуры; EU, секции экстракции; F, фильтр; HT, нагревательная спираль; PI ,индикатор давления; PU, секция осаждения; О/О V, двухпозиционный клапан; TI, индикатор температуры; TIC, контроллер индикатора температуры).
Рис.2. Нагреваемое устройство расширения.
Характеристики
Тип файла документ
Документы такого типа открываются такими программами, как Microsoft Office Word на компьютерах Windows, Apple Pages на компьютерах Mac, Open Office - бесплатная альтернатива на различных платформах, в том числе Linux. Наиболее простым и современным решением будут Google документы, так как открываются онлайн без скачивания прямо в браузере на любой платформе. Существуют российские качественные аналоги, например от Яндекса.
Будьте внимательны на мобильных устройствах, так как там используются упрощённый функционал даже в официальном приложении от Microsoft, поэтому для просмотра скачивайте PDF-версию. А если нужно редактировать файл, то используйте оригинальный файл.
Файлы такого типа обычно разбиты на страницы, а текст может быть форматированным (жирный, курсив, выбор шрифта, таблицы и т.п.), а также в него можно добавлять изображения. Формат идеально подходит для рефератов, докладов и РПЗ курсовых проектов, которые необходимо распечатать. Кстати перед печатью также сохраняйте файл в PDF, так как принтер может начудить со шрифтами.















