92533 (680750), страница 2
Текст из файла (страница 2)
Рекомендуемые для биоэлектроуправления движениями параметры прямоугольных импульсов примерно соответствуют по длительности хронаксии большинства мышц человека в норме и при некоторых видах патологии двигательной функции, а по частоте — порогу суммации одиночных сокращений в тетанус. Рекомендуемые частоты синусоидальных сигналов (2—5 кГц), безусловно, выходят за рамки лабильности, однако они обладают меньшей (по сравнению с низкочастотными синусоидальными сигналами) болезненностью при стимуляции и обеспечивают лучшие функциональные показатели. Именно на частотах 2—5 кГц пределы комфортной зоны и связанная с ними точность дозирования сигнала управления максимальны. Немалую роль в таком благоприятном воздействии синусоидальных сигналов повышенных частот, по-видимому, играет то, что на этих частотах создаются наилучшие условия для прохождения электрического тока через живую ткань. Приведенные выше результаты исследований по измерению сопротивления прохождения тока при стимуляции мышц поверхностными электродами дают основание считать, что на низких частотах большая часть энергии стимула выделяется в виде тепла, приводя к раздражению болевых рецепторов. При увеличении и уменьшении частоты стимула по сравнению с областью 2—5 кГц превалирование активной составляющей сопротивления (см. рис. 3.49 по частотным зависимостям фазового угла) приводит к увеличению порога возбудимости мышц, поскольку непосредственно на возбуждение приходится меньшая доля энергии стимула.
Рассмотрим принцип построения различных типов электростимуляторов мышц человека. Простейший одкоканальный электростимулятор (рис. 7) должен состоять из задающего генератора, устройства позволяющего изменять параметры сигнала задающего генератора амплитуду, частоту, длительность), усилителя мощности, разделительного устройства.
Рисунок 7 – Блок-схема электрических стимуляторов.
Задающий генератор 1 предназначен для формирования стимулирующего сигнала определенной формы и частоты. С помощью регулируемого элемента 2 (в данном случае это -может быть переменное сопротивление) сигнал с задающего генератора изменяется по амплитуде (рис. 7, а). Если же уровень воздействия регулируется изменением длительности импульсов или частоты их повторения, то блок-схема такого стимулятора имеет вид, представленный на рис. 7, б.
Усилитель мощности 3 (рис. 7 а, б) предназначен для обеспечения необходимой мощности сигнала, поступающего на выход стимулятора. Усиленный сигнал стимуляции с выхода усилителя мощности через блок разделения 4 подается на стимулирующие электроды 6. Блок разделения 4 осуществляет гальваническую развязку стимулирующих электродов и пациента от поражения электрическим током сети в случае короткого замыкания цепи питания на корпус стимулятора. В качестве блока разделения чаще всего используется трансформатор. При отсутствии гальванической развязки должна быть предусмотрена защита, которая автоматически отключала бы стимулирующие электроды от выхода стимулятора в случае пробоя сетевой обмотки силового трансформатора на корпус стимулятора.
Следует помнить, что приборы, предназначенные для использования в медицинской практике, должны удовлетворять требованиям ГОСТ на электробезопасность, согласно которым изоляция между стимулирующими электродами и корпусом стимулятора должна выдерживать напряжение 4 кВ. Использование в усилителе выходного трансформатора дает возможность обеспечить выполнение этого требования. Одновременно наличие выходного трансформатора обеспечивает разрыв гальванической связи стимулирующих электродов с источником питания, что очень существенно, так как пропитанные физиологическим раствором чехлы электродов обеспечивают надежный контакт с кожей и при случайном прикосновении к корпусу прибора или заземленным частям оборудования ток может достигнуть значений, опасных для организма.
Сигнал с выхода стимулятора поступает на стимулирующие электроды через индикатор 5, который обычно измеряет среднее значение тока стимуляции. Индикация тока стимуляции в большинстве случаев производится с помощью стрелочного измерительного прибора. Многие перечисленные функции стимулятора могут реализоваться устройством, технически выполненным в едином узле.
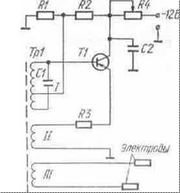
Так, например, в одном узле могут быть выполнены задающий генератор, усилитель мощности, а также гальваническая развязка (рис. 8).
Рисунок 8 – Принципиальная электрическая схема простейшего электростимулятора мышц человека.
Функции задающего генератора, усилителя мощности и схемы разделения может выполнять достаточно простая схема автогенератора (см. рис. 8). В этом случае амплитуда стимуляции регулируется путем изменения напряжения питания по постоянному току транзистора с помощью сопротивления К.4. Гальваническая развязка выхода генератора и стимулирующих электродов осуществляется с помощью трансформатора Тр1. Этот же трансформатор используется для создания положительной обратной связи (обмотка //), необходимой для нормальной работы схемы генератора. Элементы 1,2,3 создают необходимый режим питания схемы по переменному и постоянному току.
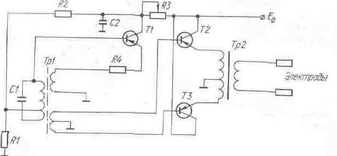
Представленная схема может быть использована для стимуляции отдельных мелких мышц. Максимальная выходная мощность зависит от типа применяемого транзистора Т1 и величины напряжения источника питания. К недостаткам данной схемы следует отнести малую выходную мощность, некоторую зависимость частоты стимулирующего сигнала от изменения величины нагрузки, а также наличие потерь мощности источника питания на регулировочном элементе. Для устранения перечисленных недостатков стимулирующие электроды нужно подключать через дополнительный усилитель мощности (рис. 9), благодаря чему устраняется влияние изменения величины нагрузки на параметры автогенератора. В этом случае налицо четкое разграничение функций задающего генератора, собранного на транзисторе Т1, регулирующего элемента выходной мощности (КЗ), усилителя мощности (Т2, ТЗ}. Выходной трансформатор Тр2 выполняет роль гальванической развязки.
Рисунок 9 – Принципиальная электрическая схема простейшего электростимулятора с усилителем мощности.
Одноканальные стимуляторы позволяют стимулировать одну нервно-мышечную группу. Для одновременной стимуляции нескольких нервно-мышечных групп необходимо применять многоканальные стимуляторы (рис. 9). В целях упрощения блок-схемы такого стимулятора задающий генератор выполняют общим для всех каналов стимуляции. В остальном каждый канал многоканального стимулятора должен состоять из таких же функциональных узлов, как л одноканальный стимулятор, приведенный на рис. 7, а, б.
Развитие электростимуляторов привело к переходу к программным электростимуляторам. Последние позволяют стимулировать группы мышц по заранее установленной программе, возбуждая заданные мышцы в определенной временной последовательности. Необходимым элементом программных стимуляторов является задатчик программ, на выходе которого вне зависимости от конкретного схемного решения должны появляться импульсы, определяющие длительность активной фазы сокращения стимулируемой нервно-мышечной группы, а частота повторения должна равняться частоте сокращения стимулируемой мышцы.
Блок-схема простейшего задатчика программ электростимулятора представлена на рис. 10. Он состоит из ждущих мультивибраторов М1, М2, МЗ, М4 и переключателей. Каждый из выходов мультимцпраторов с помощью переключателей П2, ПЗ, П4, П5 подключаемых к запускающему входу того или иного ждущего мультивибратора зависимости от очередности включения. Переключатель П1 выбирает номер канала, с которого должна начинаться программа управления. Переключатели П6,П7,П8,П9 задают длительность активной фазы сокращения. Представленная на рис. 10 схема является простейшей. В ней не предусмотрена возможность регулировки передних и задних фронтов импульсов активной фазы. Многоканальный программный электростимулятор позволяет создавать модель пространственно-временных соотношений работы нервно-мышечных групп, участвующих в реализации определенных двигательных актов живого организма.
Рисунок 10 – Блок-схема двухканального электростимулятора.
Рисунок 11 – Структурная схема простейшего задатчика программ электростимуляции.
В организме пространственно-временные соотношения работы отдельных нервно-мышечных групп при движении конечности выражаются функционалом, зависящим от многих функций с многими переменными. Поэтому искусственно синтезировать пространственно-временные соотношения участия различных нервно-мышечных групп в выполнении движения можно лишь весьма приблизительно. В этом отношении биоунравляемые электростимуляторы пропорционального типа, к которым относится и устройство «Миотон», обладают явными преимуществами по сравнению с электростимуляторами, в которых программа управления синтезируется искусственно в задатчике программ. В устройстве «Миотон» программой управления являются но существу те реальные пространственно-временные соотношения биоэлектрических активностей «донорных» мышц, которые участвуют в выполнении движения. Поэтому неотъемлемыми элементами блок-схемы брюуправляемых электростимуляторов является датчик / электрической активности «донорных» мышц и блок 2 выделения из этой активности информации о характеристиках сокращения донорных мышц (рис. 12). Датчик электрической активности «донорных» мышц может быть выполнен в виде электродов, подсоединенных к управляющим мышцам и подключенных к усилителю биопотенциалов, или в виде запоминающего устройства, например, магнитного регистратора биоэлектрической активности «донорных» мышц. Далее программный сигнал с помощью модулятора 3 управляет одним или несколькими параметрами стимулирующего сигнала, поступающего с генератора 4. Последний, как и в случае беспрограммных стимуляторов, поступает последовательно на предварительный усилитель 5, усилитель 6 мощности и стимулирующие электроды 7.
Рисунок 12 – Блок-схема одноканального биоэлектростимулятора.
ЛИТЕРАТУРА
-
Системы комплексной электромагнитотерапии: Учебное пособие для вузов/ Под ред А.М. Беркутова, В.И.Жулева, Г.А. Кураева, Е.М. Прошина. – М.: Лаборатория Базовых знаний, 2000г. – 376с.
-
Электронная аппаратура для стимуляции органов и тканей /Под ред Р.И.Утямышева и М.Враны - М.: Энергоатомиздат, 2003.384с..
-
Ливенсон А.Р. Электромедицинская аппаратура. :[Учебн. пособие] - Мн.: Медицина, 2001. - 344с.
-
Катона З. Электроника в медицине: Пер. с венг. / Под ред. Н.К.Розмахина - Мн.: Медицина 2002. - 140с.















