privod14 (675820), страница 2
Текст из файла (страница 2)
Поскольку
то формула (15) всегда дает
. В случае
реализуется наибольшее быстродействие контура ускорения. Если наряду с этим согласно (10) принимается
, то найденные параметры
обеспечивают предельное (по физическим возможностям) быстродействие контура обработки угловой скорости. В таком случае по (10) и (15) имеем
Итак, параметры алгоритма управления угловой скоростью вращения вала двигателя рассчитываются по формулам (10) и (15).
В нашем случае контур управления угловой скоростью может быть построен без измерения ускорения
. Для этого управляющую функцию
необходимо формировать не по (11), а учитывая что
и интегрируя обе части равенства по времени. В этом случае уравнения замкнутого контура будут
Построим теперь алгоритм управления углом поворота вала двигателя(угловым положением). Примем, что контур управления угловой скоростью синтезирован и его параметры
расчитываются из условия, чтобы процесс изменения
подчинялся (16.1). Получаем, что исходными уравнениями управляемого процесса будут
где
- угол поворота вала системы, связанного с валом двигателя через редуктор с передаточным отношением
. Требуется синтезировать алгоритм управления, который обеспечивает поворот вала двигателя на угол
таким образом, чтобы ошибка рассогласования
подчинялась кинематическому закону
Управляющей функцией в данном случае выступает величина
, которая является задающим воздействием для контура угловой скорости.
Запишем уравнение (18) в виде
Подставим вместо
выражение для
из (18.1). Получим программную управляющую функцию
и закон управления с обратной связью
Подставляя (18) в (20) получим
Потребуем, чтобы решение этого уравнения соответствовало процессу в эталонной системе
где
- постоянная времени по регулируемой переменной. Эта величина при проектировании задается. Для наилучшего переходного процесса
постоянная времени
примерно в 3 раза превосходит величину
. Поэтому для расчета параметров
, учитывая (21) и (22) будут справедливы соотношения
которые представляют собой уравнения относительно
. Следовательно, на основании (20) можно записать
Проведенное рассмотрение исчерпывает задачу построения алгоритмов управления угловой скоростью и углом поворота вала двигателя. Все необходимые уравнения для последующей работы были построены.
2.2Определение свойств системы
Определение свойств динамической системы - это нахождение особых точек системы и анализ устойчивости положения равновесия.
Для нахождения положений равновесия используем уравнение
Приравняем нулю
и подставим в наше уравнение, получим
Это уравнение подставим в формулу
Получившийся результат подставим в
В итоге имеем
Это равенство определяет угол поворота вала двигателя, на котором останавливается система. Для нашей задачи очевидно, что вал двигателя повернется на задаваемый нами угол, что подтверждает наш вывод.
Поскольку
для любых значений параметров системы, положение равновесия не является устойчивым.
-
построение Имитационной Модели
2.3 Построение имитационной модели в Simulink
Реализуем имитацию нашей математической модели. Для чего используем параметры модели как у двигателя постоянного тока с независимым возбуждением типа ДПМ-25:
J=6,2*10-6 Н*м*с2; km=0,023 Н*м*А-1; R=3,8 Ом; L=0,0057 Гн; kw=0,098 в*с*рад-1.
Механическая постоянная времени рассматриваемого объекта управления
Постоянная времени электрической цепи
Здесь отношение
. Что позволяет не учитывать электрические процессы при синтезе алгоритмов, поскольку они протекают существенно быстрее механических.
Уравнения исследуемой системы:
Законами управления по угловой скорости и угловому положению являются последние два соотношения.
Рассчитаем остальные параметры
,
и
. Примем постоянную времени по угловой скорости
Таким образом мы реализуем не наиболее быстрые переходные процессы. В этом случае
. Вычислим постоянную времени
Теперь можем вычислить
Назначим постоянную времени
Коэффициент передачи редуктора принят равным
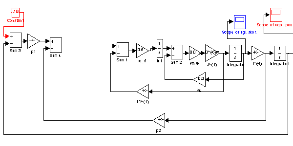
На ниже приведенном рисунке изображена модель электропривода, реализованная в MATLAB с помощью программы Simulink.
Рис 3.1 Имитационная модель в Simulink
Рис 3.2 Зависимость угловой скорости от времени
Рис 3.3 Зависимость угла поворота от времени
На , приведены результаты моделирования осуществлённого с помощью системы изображенной на
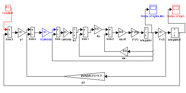
В процессе выполнения курсовой работы была также построена математическая модель электропривода по общей методике. Для этого применялись формулы:
Ниже приводится описанная модель
Рис 3.4 Имитационная модель в Simulink, построенная по общей методике
Результаты работы данной модели:
Рис 3.5 Зависимость угловой скорости от времени
Рис 3.6 Зависимость угла поворота от времени
2.4 Эксперименты с варьированием параметров модели
Для понимания поведения системы при различных значениях параметров проведем следующие эксперименты.
Рассмотрим реакцию системы при разных значениях параметра i.
Рис 3.7 Зависимость угловой скорости от времени при варьирование параметра i
На Рис 3.7 приведена реакция системы при различных значениях i (цифрами обозначены: 1 - i =10-2; 2 - i =10-3; 3 - i =10-4;). Динамика изменения угла поворота при варьировании параметра i практически не изменяется. Из эксперимента видно, что коэффициент передачи редуктора i природным образом влияет на динамику системы, и ,что увеличение коэффициента приводит к увеличению максимальной амплитуды угловой скорости.
Рассмотрим реакцию системы при разных значениях параметра J.
Рис 3.8 Зависимость угла поворота от времени при варьирование параметра J
На Рис 3 .8 приведена реакция системы при различных значениях J (цифрами обозначены: 1 - J =6,2*10-4,8; 2 - J =6,2*10-5; 3 - J =6,2*10-6;). Динамика изменения угловой скорости при варьировании параметра J соответствует динамике изменения угла поворота, в связи с чем здесь не приводится. Из эксперимента видно, что увеличение момента инерции J приводит к уменьшению времени переходного процесса, что соответствует использованной модели, так как в ней применяется блок со значением J-1.
Также был проведен эксперимент, задачей которого ставилось достичь наиболее быстрых переходных процессов. Для чего был осуществлен пересчет следующих переменных
Ниже приведены результаты работы данной модели:
Рис 3.9 Зависимость угловой скорости от времени
Рис 3.10 Зависимость угла поворота от времени
заключение
В процессе создания данной курсовой работы был проанализирован динамический процесс на примере электропривода. Представлена блок-схема данной приводной системы в Simulink, на основе которой был проделан ряд экспериментов, которые описывают физические свойства данной системы. На основе полученных результатов можно сделать вывод, что алгоритмы управления по ускорению придают системам выраженные свойства адаптивности.
Список используемой литературы
-
Савельев И. В. “Курс общей физики”, том 2, М., “Наука”,1988
-
Любчик Л.М. “Курс лекций”.
-
Крутько П.Д. "Обратные задачи динамики управляемых систем", М., “Наука”,1988















