Curs1 (664742), страница 3
Текст из файла (страница 3)
J3 = Q2*Q1*Q0 K3 = (Q2*Q1*Q0) * (Q1*Q0)
J
2 = Q1*Q0 K2 = (Q1*Q0)* (Q3*Q1)
J
1 = (Q3*Q0) * (Q2*Q0) K1 = Q0 * (Q3*Q2)
J
0 = Q1 * Q3 * (Q3*Q2) K0 = 1
По полученным выражениям можно построить схему заданного счётчика:
Задача№4
Синтез последовательного восьмиразрядного сумматора.
Решение
При сложении двоичных чисел на уровне I-го разряда необходимо учитывать двоичные цифры ai и bi, а также возможный перенос из соседнего младшего разряда. Элементарное устройство, выполняющее суммирование указанных двоичных цифр называется полным одноразрядным двоичным сумматором (ПОДС).
Синтез ПОДС выполняется классическим путём, то есть начинается с таблицы истинности. Функции, описывающие выходы Si и Ci зависят от 3-х переменных ai, bi и ci ; поэтому таблица истинности будет выглядеть следующим образом:
| ai | bi | Ci-1 | Si | Ci | OO | O1 | 11 | 1O | ||
| 0 | 0 | 0 | 0 | 0 | O | 1 | 1 | |||
| 0 | 1 | 0 | 1 | 0 | 1 | 1 |
| 1 |
| |
| 1 | 0 | 0 | 1 | 0 | ||||||
| 1 | 1 | 0 | 0 | 1 | S | |||||
| 0 | 0 | 1 | 1 | 0 | ||||||
| 0 | 1 | 1 | 0 | 1 | OO | O1 | 11 | 1O | ||
| 1 | 0 | 1 | 0 | 1 | O |
| 1 |
| ||
| 1 | 1 | 1 | 1 | 1 | 1 |
| 1 | 1 | 1 | |
| C | ||||||||||
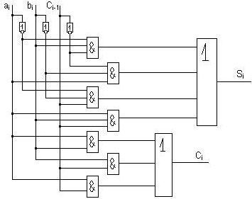
Логическая схема ПОДС в базисе И-ИЛИ-НЕ будет выглядеть следующим образом:
В общем случае нам необходимо складывать n-разрядные двоичные числа. Для сложения таких чисел необходимо взять n ПОДС.
Структура n-разрядного двоичного сумматора называется сумматором с последовательным распределением переноса.
Преимуществом такого сумматора является простота и низкая стоимость схемы. Недостатком является его низкое быстродействие, то есть большое время суммирования двоичных чисел.
Легко заметить, что время суммирования двоичных чисел на таком сумматоре возрастает с ростом разрядности складываемых чисел.
Если требуется быстрое суммирование двоичных чисел независимо от их разрядности, используют схему сумматора, в которой реализуется так называемый ускоренный перенос. В таком сумматоре, наряду с одноразрядными двоичными сумматорами, используется специальная схема ускоренного переноса. При этом одноразрядные сумматоры складывают двоичные цифры исходных чисел с учётом переносов вырабатываемых схемой ускоренного переноса. Так как подобная схема вычисляет все переносы одновременно (параллельно), то при суммировании чисел не приходится ждать последовательной генерации требуемых переносов.
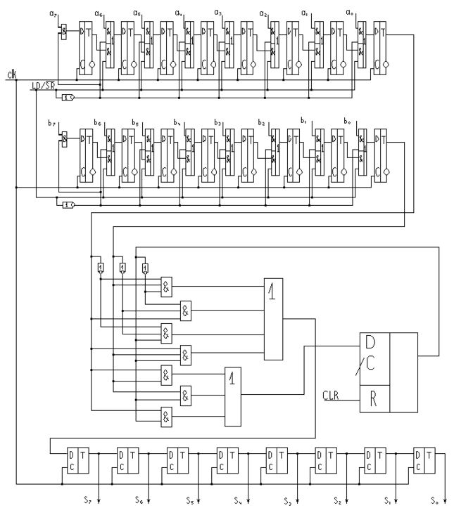
На базе полученной схемы одноразрядного двоичного сумматора можно построить заданный сумматор. При этом нужно осуществлять загрузку двух восьмиразрядных чисел, а также сдвиг результата вправо.
Таким образом схема заданного сумматора будет выглядеть следующим образом:
10
















