VADIM_2 (664676), страница 2
Текст из файла (страница 2)
3*182+52,82
Ударный ток КЗ находим по формуле :
Iу =2*Ку*Iк ( 4.5)
-0.01
Ta
Ку =( 1+е ) - ударный коэффициент; (4.6)
X 52,8
Ta = = = 0.009 с - постоянная времени
R 314*18
-0.01
Ta
Ку =( 1+е ) = 1.33;
Iy = 1,41*1,33*4,14=7,8 кА;
Для точки К2:
R = Rтр +Rав1+Rав2+Rкл1
активное сопротивление трансформатора.
Rав 1,2 =1,1 мОм - активное сопротивление АВ с учетом переходных сопротивлений контактов (табл.2.54[1])
Rкл1=4 мОм
R= 16,9+1,1+1,1+4 =23,1мOм
X = Хтр+Хав1+Хав2+Хкл1;
ГдеХав 1,2 = 0,5 мОм - реактивное сопротивление АВ (табл.2.54[1])
_____________
Xтp =Zmm2 –Rmn2 ;
10*Uк*Uнн2 10*5,5 *0.42
Zтp = ——-——— = ————— = 0,055 Ом = 55 мОм;
Smm 160
_________
Xтp =552 –16,92 = 52,3 мОм ;
-
реактивное сопротивление трансформатора;
X =52,3+0,5+0,5+0,828= 54,1 мОм
400
Iк= =3,08 кА
___________
3*23,12+54,12
Ударныг кок КЗ находим по формуле:
iy= 2*Ку*Iк;
-0.01
Ta
Ку =( 1+е ) -ударный коэффициент;
X 54,1
Ta = = = 0.0074 с - постоянная времени
R 314*23,1
-0.01
0.007
Ку =( 1+е ) = 1.26;
Iу = 1,41*1,26*3,08 = 7,740 кА;
Остальные результаты сводим в таблицу 4.1
| К1 | К2 | КЗ | К4 | К5 | Кб | К7 | К8 | К9 | К10 | |
| Iк | 4,14 | 3,08 | 3,05 | 3,05 | 3,70 | 3,20 | 3,25 | 3,40 | 3,60 | 3,40 |
| Iуд | 7,88 | 7,74 | 7,50 | 7,40 | 7,04 | 6,08 | 6,17 | 7,75 | 6,84 | 6,46 |
4.2. Расчет токов короткого замыкания и проверка на устойчивость. основного электрооборудования высоковольтной сети.
Расчет токов КЗ в сетях напряжением выше 1000В производится для выбора основного электрооборудования и для проверки оборудования и проводников электрической энергии на термическую и электродинамическую устойчивость.
Расчет токов КЗ в сетях напряжением выше 1000В и ниже 1000В имеют различия. В сетях напряжением выше 1000В обычно суммарное активное сопротивление цепи до точки КЗ меньше тройного реактнвного сопротивления цепи до той же точки КЗ.
Поэтому при расчете тока КЗ допускается учитывать только реактивное сопротивления элементов.
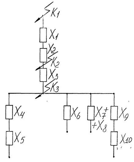
Расчет токов КЗ для сети напряжением выше 1000В производим в относительных единицах. Составляем схему замещения для схемы электроснабжения фабрики pис .4.2 нумеруем ее элементы в порядке расположения.
Приииг аю за базисные единицы номинальную мощность^ранс-форматор ^ 8б=8нач.тр=^МВА, принята но табл.2-1{101 и среднее напряжен •е ступени с точками короткого замыкания V6=Vcp==6,J кВ.
Опреде яем базисный ток:
16. - ____ » JSfL = о.9^ (4.7) УЗ*Уб ^*б^ \ /
Опреде.' яем сопротивление эяемеятов схемы замещения. Трансфер larop напряжением 63 кВ:
^ . Uk*Sb х1 ' 100^ (4»s)
где V . напряжение короткого замыкания трансформатора, принимас ся равным X^d тя^ 10,5 % ,<з табл.2-7{ 5 ]
XI « 103*10/100*^3 = 0,223 Воздушна i линия напряжением 63 кВ
Х? -Худ*1Ц; (4.9)
где X; i - удельное реактивное сопротивление линии, принято по таблице 2 Ц S ]; ff/i/кн где 1-д яна линии^ W
Х2 ^,4*1,36* 10. =0,137 6,3
Х5 ^4*е,Ш*-10 =0,0187;
б32
Хб ^,4*0,045*^. »= 0,0045;
б^
ХУ -0,4*0,652* ^-^ 0,066 6^
Х1> »0,4*0,ИО*^°-0.011 6,3
Кабельные линии:
ХЗ=Худ*1^;
где X} \ - удельное реактивное сопротивление линии, принимается по таб2-3|. ];
XJ = 0,0625*0,05* -^ = 0,0007
Х7=0,0625*0,03*-10^ = 0,00004 6,3
XI 1=0,0625*0,05* ю = 0,0004 6,3
Х13=0,0625*0,05*-110^ = 0,0007
achi tpoH'ibie двигатели:
X-^'d*-^- (4.10) ^<о» <<
где X"d- сверхпереходное сопротивление асинхронного двигателя и? табл 4-3[10];
S ном, д - номинальная мощность асинхронного двигателя;
Sиoм.дв=^w^)ff. (4.11) cos
где Рном дв - ном. активная мощность двигателя, из табл 4.3 [10] cos(p -коэффициент мощности двигателя, из табл 4-3 [10]
shom дв = —°- = 700/о9.4 0,9
Х4== 0,2*-10-= 2,86 0,7
Х8= 0,2*-10- =4,54 0,44
X12=X14=0,2*-10-=5,7
__________________ » 035 '___________________________________.——
Определи! s суммарное сопротивление до точки К1 Х15 -Х13+Х14== 0,0007+5,7=5,7 Х16 =ХП+Х12= 0,0007+5,7=5,7
S 7*^ 7
Х17 Х1511Х16= ' э» =2.85 5,7+5,7
Х18 = Х17 + Х9 +Х10 = 2,85+ 0,011+0,066 = 2,927 Х19 -Х7+Х8= 4,54+0,0004 =4,54 Х20 - Х19 + Х6 = 4,54 + 0,0045 = 4,5445
4 5445 * 7 927
Х21 - Х2011 X18 = ' ' = 1,78 4,5445+2.927
Х22 - Х21 + Х5 = 1,78 + 0,0187 = 1,799 Х23 = X3 + Х4 = 0,0004 + 2,86 = 2,86 Х24 = Х23 + Х2 = 2,86 + 0,137 = 2,997 Х25 - Х2411 X22 = 1,124
Х2(» - XI 11 Х25 == °'223*1'124 = о,186 0,223+1,124
Определи ток короткого замыкания в точке К1
1к1 -——^б, (4.12)
Л 20
где Х26- -уммарное сопротивление до точки К1
1к =1/0,86 * 0,9 = 5,82 kA
Для о ределения тока КЗ в точке К1, необходимо учитывать подпитку . I асинхронных двигателей.
В орие ггировочных расчетах можно принимать максимальный ток подпитки г асинхронных двигателей;
_______L , =6,5*1ном ^____________________(4ЛЗ)_______
Номиналы' ли ток асинхронного двигателя мощностью 630 кВт
т pu 630
iho' = - —— = -7=————— = 64/t
^l/HCOSip ^/3*6,3*0,9
Максимал! 1ый ток подпитки от всех асинхронных двигателей составит:
1^ ^2*6,5*64 =832 А;
Номиналы ли ток асинхронного двигателя мощностью 400 кВТ:
1но » = ——400——:= 36,66.4 ;
д/3*6,3*0,9
Номинальгилй ток асинхронного двигателя мощностью 315 кВТ;
ih^i = _ 315—— = 32^ ;
^/3*6,3*0,9
Максима. i.sibiH ток подпитки от всех асинхронных двигателей составит:
1^=3*32 =96 А;
Тогда ток Ю в точке К1 составит:
1к 1 - 4,84 +0,832 + 0,03666 + 0,096 = 5,8 кА;
Определи л суммарное сопротивление до точки КЗ:
О 223 * 1 799 Х?7 = XI 11 X22 = ' ' = 0,198;
0,223+1,799
Х2Н = Х27 + Х2 = ОД98 + ОД37 = 0,335;
Определи?, гок КЗ в точке КЗ:
1к..=-1—* 0,9 =2,69/^;
0,335
С учете тока подпитки асинхронного двигателя , ток КЗ в точке КЗ составит:
1к =2,69+0,832= 3,522 кА;
Результат! расчетов остальных точек кз сведены в таблицу 4.2
Д^ля оп| .-деления ударного тока нахожу ударный коэффициент для характерш х точек короткого замыкания по таблице 3-8 [7 ]:
iy; = л/2Куд * М = л/2 * 1,94 * 5,8 = 15,9кА; (4.14)
•
iy; I = л/2 * Куд * ikk = V2 * 1,369 * 3,49 = 6,76^,
Результат» расчетов остальных ударных токов кз сведены в таблицу 4.2
Определен (е периодической составляющей тока КЗ:
In =1к; (4.15)
In ,=5,8к^
In ,=3,49кЛ,
Результаты расчетов остальных значений периодической составляющей кз сведены в таблицу 4.2
Значение апериодичной составляющей тока КЗ в произвольный момент времени определяется по формуле:
-г
iat=-•^/2*/^c*f'u ; (4.16)
»де т - моменг времени определения тока КЗ, С;
ta - постоянная времени затухания апериодической составляющей тока КЗ, принимается для характеристики точек по табл.3-2[7]
°1 1 atl = <У2 * 5,8 * е°16 = 4,39^ ;
°1 •• V2*3,49"0'04 =0,4кА,
Резул i ' s расчетов остальных значений апериодической составляющее < -.с «ены в таблицу 4.2
Oi с шч интеграл джоуля тока КЗ, характеризующий количество
гепл( .-» .'• [еляющейся в аппарате за время КЗ:
I -^(toom+Ta); (4.17)
где ft . i емя от начала КЗ до его отключения, с.:
t - tp3 + 1вык;
где t > ^ мя действия релейной зашиты , с tp3==0,02|7];
к - плное время отключения выключателя, с,(1вык = 0,06[8];
(, ;j= 0,02+0,06= 0,08с;
То» и. од им интеграл Джоуля тока:
\82 (0,08 + 0,16) = г,\кА2 * с, \ » =-- 3,492 (0,08 + 0,04) = 1,46кЛ2 * с;2 (0,08 + 0,04) = 1,46кЛ2 * с;
Резу. 2 .ы расчетов остальных значений интеграла Джоуля кз свед» ,» таблицу 4.2
Таблица 4.2
| Kl | К2 | КЗ | К4 | К5 | К6 | |
| It | 5,82 | 2,71 | 3,53 | 3,33 | 3,32 | 3,23 |
| ^д | 15,8 | 6,83 | 6,8 | 7,8 | 7,8 | 7,8 |
| lit | 5,82 | 3,52 | 4,3 | 3,56 | 3,5 | 3,3 |
| at | 4,39 | 0,41 | 0,4 | 0,41 | 0,4 | 0,39 |
| »k | 8,1 | 1,5 | 1,46 | 1,47 | 1,47 | 1,49 |
4.3 Р счет токов короткого замыкания с применением ЭВМ.
асчет оков КЗ в сложных схемах электрических установок предс-TiBJi .т соб(. 1 трудоемкую задачу, и применение средств вычислительной 1 хн »н для е решения весьма целесообразно. Г'р01 )аммы »асчета токов КЗ на ЭВМ нашли самое широкое применение в пра^ икс пр ектирования электроустановок.
1Я р счета на ЭВМ начального значения периодической с »с 1. ияющ и токов КЗ в электроустановках применяются принцип нал<- .ения собственно аварийного режима на предшествующий наг|» гочны1 режим и принцип, использующий собственные и взаимные гопр гнвлен -.я и проводимости. Принцип наложения предполагает is »и пение математических методов решения систем линейных ) раь ^ний, аписанных в матричной форме ( методы Гаусса, Зейделя, ( бра чения к атрицы и т.д.).
^яже ра-сматривается метод расчета, базирующийся на принципе |"ал«1 <ения обственно аварийного режима на нагрузочный режим. ЭВМ 1 о и .одной реугольной матрице сопротивлений ветвей схемы замещения . 1ек рическ 1Й сети составляет матрицу узловых проводимостей Yy. С |юм<. цью ci «ндартной программы обращения матрицы Yy определяется матр ща узл *вых сопротивлений Zy. Затем рассчитываются нагрузочный к ав пийнь- i режимы электрической сети с использованием известного riaip очного /равнения:
\}=Zi (4.6)
где IJ и I - голбцовые матрицы узловых напряжений и узловых токов. Нап яжени т узла в нагрузочном режиме:
Uni= ^ Zyiklk, (4.7)
t-i
где N - 4HCJ о узлов в схеме замещения.
В аварийной режиме в схеме замещения имеется лишь один источник тока
a y3Jse КЗ (и 1еет обозначение "с":
Ic = Ui .c/Zcc, (4.8) при ном на фяжение в 1-м узле:
11ав!= iH.cZic/Zcc. (4.9) nocJ е опре; мления напряжений во всех узлах схемы замещения токи в















