kursovik (664624), страница 4
Текст из файла (страница 4)
7.3 ЧИСЛА С ФИКСИРОВАННОЙ ТОЧКОЙ
Такие числа могут быть как целыми, так и дробными. Точка мысленно фиксируется рядом с любым разрядом. Если она располагается справа от младшего бита, то число целое, если слева от старшего - число дробное. Далее будут рассматриваться только целые числа с фиксированной точкой, для нецелых чисел чаще применяется показательная форма, о которой пойдет речь дальше.
Естественным представлением целого неотрицательного числа является двоичная система счисления. Кодирование отрицательных чисел производится тремя наиболее употребительными способами, в каждом из которых крайний левый бит - знаковый. Отрицательному числу соответствует единичный бит, а положительному - нулевой. Каждый способ оценивается по скорости и затратам на выполнение сложения и изменения знака числа, т.к. вычитание есть сложение с измененным знаком одного операнда.
-
1.Прямой код. Изменение знака производится просто, путем инверсии бита знака. Пусть 00001001 = 9, тогда 10001001 = -9. Если при сложении двух чисел в этом коде знаки совпадают, то трудностей нет. Если знаки различаются необходимо найти наибольшее число, вычесть из него меньшее, а результату присвоить знак наибольшего слагаемого.
-
2.Обратный код, инверсный или дополнительный "до 1". Изменение знака производится просто - инверсией всех бит: 00001001 = 9, а 11110110 = -9. Сложение также выполняется просто, т.к. знаковые биты можно складывать. При переносе единицы из левого (старшего) бита, она должна складываться с правым (младшим). Например: 7 + (-5) = 2.
00000111 = 7
11111010 =-5 (инверсия 00000101 = 5)
1 00000001
1
00000010 = 2
Сложение в обратном коде происходит быстрее, т.к. не требуется принятие решения, как в предыдущем случае. Однако суммирование бита переноса требует дополнительных действий. Другим недостатком этого кода является представление нуля двумя способами, т.к. инверсия 0...00 равна 1. ..11 и сумма двух разных по знаку, но равных по значению чисел дает 1...11.Например: (00001001 = 9) + (11110110 = -9) = 11111111. Кстати, из этого примера понятно почему код называется дополнительным "до 1". Этих недостатков лишен ---
-
3.Дополнительный или дополнительный "до 2" код. Число с противоположным знаком находится инверсией исходного и добавлением к результату единицы. Например, найти код числа -9.
00001001 = 9 11110111 =-9
11110110 - инверсия 00001000 - инверсия
1 1
11110111 =-9 00001001 = 9
Проблемы двух нулей нет. +0 = 00000000, -0 = 11111111 + 1 = 00000000 (перенос из старшего бита не учитывается).Сложение производится по обычным для неотрицательных чисел правилам.
00001001 = 9
11110111 =-9
1 00000000
Из этого примера видно, что в каждом разряде двух равных по модулю чисел складываются две единицы, что и определило название способа. Этот метод применяется наиболее часто, и когда говорят о дополнительном коде, то имеется в виду дополнительный "до 2-х" код.
7.4 ДИАПАЗОН ЦЕЛЫХ ЧИСЕЛ С ФИКСИРОВАННОЙ ТОЧКОЙ
Беззнаковые числа: 0 <= D <= 2^n - 1. n - число разрядов
Байт: 0 - 255 (DEC) Слово: 0 - 65535
00..0 - 11..1 (BIN) 00..0 - 11..1
0 - FF (HEX) 0 - FFFF
Числа со знаком:-2^(n-1) <= D <= +2^(n-1)-1. n - число
разрядов.
Байт: -128 - +127 (DEC) Слово: -32768-+32767
10..0 - 01..1 (BIN) 10..0 - 01..1
80 - 7F (HEX) 8000 - 7FFF
7.5 ЧИСЛА С ПЛАВАЮЩЕЙ ТОЧКОЙ (ВЕЩЕСТВЕННЫЕ)
Вещественные числа хранятся и используются в ЭВМ в показательной форме, т.е. в виде двух составляющих: мантиссы и порядка. Различия в способах такого представления чисел заключаются в количестве байтов отводимых под порядок и мантиссу и небольших отличиях в форме их хранения. Например в четырехбайтовом формате под мантиссу отводится 3 байта и один байт для хранения порядка (КВ - короткий вещественный формат).
D = ±M * 2^(E-127)
Последовательность расположения байтов
в различных ЭВМ может быть разной. D - десятичный эквивалент числа , M - нормализованная мантисса, Е - смещенный порядок, SM - бит знака мантиссы.
7.6 ДИАПАЗОН ПРЕДСТАВЛЕНИЯ ВЕЩЕСТВЕННЫХ ЧИСЕЛ
У нормализованной мантиссы первая значащая цифра (единица) мысленно находится слева от запятой, а справа располагаются 23 разряда - 1,xx..xx. Поэтому Mmax = 1,111..11 = 1 +1/2 +1/4+ 1/8 +...= 2, а Mmin= 1,000..00 = 1 для положительных чисел (SM=0) и -1 и -2 для отрицательных, (SM=1). Порядок числа Emax = 11111110 = 254, а Emin = 00000001 = 1. Теперь нетрудно определить диапазон представления положительных чисел от +Dmax = Mmax * 2^(254-127) = 3,4 * 10^38 до +Dmin = Mmin * 2^(1-127) = 1,17 * 10^(-38). Точность определяется числом достоверных десятичных цифр. При 23 двоичных разрядах мантиссы 2^23 примерно равно 10^7, т.е. достоверными являются только 6-7 значащих десятичных знаков, а не 38. Необходимо отметить, что значения порядка 11111111 и 00000000 по международному стандарту IEEE 754 и 854 предназначены для кодирования денормализованных чисел, отрицательной и положительной бесконечностей, неопределенности и, так называемых Не-чисел.
7.7 ДВОИЧНО-ДЕСЯТИЧНЫЙ КОД
Двоично-десятичный код (ДДК) или Binary Coded Decimal (BCD) может быть упакованным, когда в одном байте хранятся две десятичные цифры, либо неупакованным - по одной цифре в байте.Упакованное число 1996 представляется в виде двух байтов: 0001 1001 и 1001 0110. Для знака числа отводится дополнительный байт, например в формате (ДД) девять байтов отводится для размещения 18-ти цифр, а в старшем бите десятого байта находится знак числа.
7.8 БУКВЕННО-ЦИФРОВОЙ КОД
Для вывода информации на устройства отображения, например дисплей или принтер, а также для ввода или передачи данных используются буквенно-цифровые коды. Буквы, цифры, математические символы, знаки препинания, символы для рисования линий, управляющие символы и некоторые другие кодируются однобайтовыми числами. Существует несколько разновидностей таких кодов, например: ASCII, КОИ-7, КОИ-8, альтернативный код ГОСТ, основной код ГОСТ и другие. ASCII и 7-ми битовый код для обмена информацией (КОИ-7) отображают первые 128 символов и входят в состав остальных кодировок. Дополнительные символы и русский алфавит входят в восьмибитовые расширенные коды (КОИ-8, альтернативный и основной). Общее число символов в этих кодах равно 256. Таблица некоторых кодов приведена ниже. Следует отметить, что нулевой код (NULL) не кодирует цифру ноль и вообще никак не отображается.
Символ ¦ Код(HEX) Символ ¦ Код(HEX) Символ ¦ Код(HEX)
--------+--------- -------+--------- -------+---------
"ничего"¦ 00 "A" ¦ 41 "А" ¦ 81
"0" ¦ 30 "B" ¦ 42 "Б" ¦ 82
"1" ¦ 31 "C" ¦ 43 "В" ¦ 83
.. ¦ .. .. ¦ .. .. ¦ ..
"9" ¦ 39 "Z" ¦ 5A "Я" ¦ 9F
":" ¦ 3A "[" ¦ 5B "а" ¦ A0
\_________ASCII кодировка___________/
\_______________альтернативная кодировка_______________/
В Internet для русского языка используется кодировка КОИ-8. В настоящее время разработан и используется 16-ти битовый Unicode с 65536 различными симвоволами.
7.9 ВОСЬМИСЕГМЕНТНЫЙ КОД
Служит для отображения образа BCD или HEX цифры высвечиваемой на индикаторе в виде набора 0 и 1. Может быть принято следующее соответствие между битами и сегментами:
Внизу приведен битовый набор для высвечивания цифры 4. Единицы обычно соответствуют светящимся сегментам.
7.10 НЕОДНОЗНАЧНОСТЬ ПРЕДСТАВЛЕНИЯ ДВОИЧНЫХ НАБОРОВ
Набор единиц и нулей хранящихся в регистре или ячейке памяти (двоичный набор) для микропроцессора ничего не означает. Пусть в регистре находится набор из восьми битов 10000110. Он может быть интерпретирован следующим образом, как:
1) двоичное число = 10000110, имеющее
а) шестнадцатиричный эквивалент = 86(HEX),
б) восьмиричный эквивалент = 206(OCT),
в) десятичный эквивалент числа без знака = 134(DEC),
2) дополнительный код отрицательного числа =-122(DEC),
3) двоично-десятичное упакованное число = 86(BCD),
4) альтернативный код буквы "Ж",
4') код КОИ-8 символа "¦",
5) восьмисегментный код цифры "1.",
6) часть вещественного числа,
7) реализация множества,включающего 3 элемента из 8-ми,
8) часть адреса ячейки памяти или внешнего устройства,
9) код операции и т.д.
Поэтому ответственность за интерпретацию двоичных наборов возлагается на программиста. Например, попытка сложить ASCII коды "1" + "2" не даст в сумме код "3", а даст 31(HEX) + 32(HEX) = 63(HEX), что соответствует коду латинской буквы "c".
Приложение № 2
СТРУКТУРНАЯ СХЕМА МИКРОПРОЦЕССОРА
Огромное количество микропроцессоров (МП) не позволяет рассмотреть их особенности, поэтому выбор пал на родоначальника семейства 80x86 : МП К1810ВМ86/88 (8086/8088). Такой выбор оправдан, во-первых преобладающим парком ЭВМ с этим МП, во-вторых тем, что все МП этого семейства при включении начинают работу в реальном режиме МП 8086, и в-третьих - программной совместимостью их ассемблеров снизу вверх. На рис 1. приведена структурная схема МП8086 и внешний вид типового микропроцессора.
Устройство управления декодирует байты программы и управляет работой операционного устройства и шинного интерфейса. Операционное устройство МП состоит из 4-х шестнадцатиразрядных регистров общего назначения: РОН (AX,BX,CX,DX), из 4-х регистров указателей (адресных регистров SP,BP,SI, DI) и арифметико-логического устройства (АЛУ) с регистром признаков операций (флагов F).
РОН служат для хранения промежуточных результатов операций, т.е. операндов. Помимо общих, каждый из этих регистров имеет и некоторые специальные функции, о которых будет сказано далее. Каждый РОН может раcсматриваться, как состоящий из двух независимых 8-ми разрядных регистров AH, AL, BH, BL, CH, CL и DH, DL.
Адресные регистры хранят 16-ти битовые указатели (адреса) на области памяти. В SP (StackPointer) находится текущий адрес "вершины стека" - специально организованной области памяти, которая будет описана далее. Регистр BP(Base Pointer) хранит любой базовый адрес в области стека. Два регистра SI и DI (Source и Destination Index) адресуют области памяти, называемые источником и приемником данных.
Шинный интерфейс, на рис.1 его узлы отмечены двойной чертой, выполняет операции обмена между МП и памятью или внешними устройствами. В сегментных регистрах CS,SS,DS,ES хранятся указатели на 64-х килобайтные области памяти называемые сегментами. Значения этих указателей могут перекрываться. Адрес байта в ячейке памяти получается суммированием содержимого одного из сегментных регистров и одного из регистров (SP,SI,DI,IP). Например адрес текущего байта программы, извлекаемого из памяти определяется суммой адресов, хранящихся в регистре кодового сегмента (CS) и указателе команд (IP). В регистре IP хранится 16-битовый адрес байта в кодовом сегменте к которому микропроцессор дожен обратиться. Подробнее об этом будет сказано далее. Связь с внешними устройствами осуществляется через специальные тристабильные схемы с повышенной нагрузочной способностью и называемые буферами.
Текущий байт программы направляется в очередь команд: шесть однобайтовых регистров расположенных конвейером (по принципу "первым вошел - первым вышел" или FIFO ). Конвейер позволяет одновременно выполнять команду из очереди и загружать следующую, повышая производительность МП. Буферные тристабильные элементы увеличивают мощность сигналов до стандартных значений ТТЛ.
8.2 РЕГИСТР ФЛАГОВ
По результатам операций АЛУ устанавливает либо сбрасывает отдельные биты в регистре флагов F.
x обозначает, что содержимое этого бита не имеет значения. Некоторые операции влияют только на отдельные флаги, а другие совсем на них не воздействуют, поэтому при описании флагов подразумевается выполнение тех команд (операций), которые влияют на эти флаги. В дальнейшем, в тексте, фраза "содержимое XX" будет обозначаться круглыми скобками - (XX).
-
ZF - флаг/признак нулевого результата (Zero), устанавливается в 1, если получен нулевой результат, иначе (ZF)=0.
-
CF - флаг переноса (Carry) устанавливается, если в результате выполнения операции из старшего бита переносится или занимается 1 при сложении или вычитании, иначе (CF)=0. На CF влияют также команды сдвига и умножения.
-
SF - флаг знака результата (Sign) равен единице, если результат отрицательный, т.е. он дублирует старший знаковый бит результата.
-
PF - флаг четности (Parity). (PF)=1, если сумма по модулю два всех битов результата равна нулю (число единичных битов - четное).
-
AF - флаг дополнительного переноса (Auxiliary) устанавливается, если есть перенос из старшего бита младшей тетрады (бит D3) в младший бит старшей тетрады (бит D4). Используется в операциях над упакованными BCD числами.
-
OF - флаг переполнения (Overflow) устанавливается, когда результат операции превысит одно- или двухбайтовый диапазон чисел со ЗНАКОМ, а также в некоторых других случаях. Другое определение: (OF)=1, если перенос/заем в старший бит результата не равен переносу/заему из старшего бита.
Рассмотрим в качестве примера сложение двух однобайтовых чисел: 125 + 4 = 129 выходит за пределы -128.. ..+127 чисел со знаком (для беззнаковых чисел 129 - корректный результат).
0 1 1 1 1 1 0 1 = +125
0 0 0 0 0 1 0 0 = +4
1 0 0 0 0 0 0 1 = +129 > +128 (или -127 ???)
/ / :
0 1 :
Перенос в бит D7 равен 1, а из бита D7 = 0, в результате сложения чисел (OF) = 1, (CF) = 0, (ZF) = 0, (SF) = 1, (PF) = 0, (AF) = 1. Остальные три флага будут рассмотрены далее. Содержимое регистра признаков называется также словом состояния процессора(программы) и обозначается PSW.
ОРГАНИЗАЦИЯ ПАМЯТИ И ВЫЧИСЛЕНИЕ АДРЕСА
МП 8086 имеет 20-ти разрядную шину адреса ША, позволяющую обращаться к 2^20 или примерно к одному миллиону ячеек памяти. 16-ти битовая шина данных ШД может пересылть информацию байтами или словами. Память обычно организована в виде линейного одномерного массива байтов, причем два соседних байта могут рассматриваться как слово. Все мегабайтное пространство памяти условно делится на 16 сегментов объемом по 64Kb. Микропроцессору доступны в каждый момент четыре - кодовый сегмент, где хранится программа, стековый сегмент, сегмент данных программы и дополнительный сегмент данных. Начальные адреса этих сегментов хранятся в регистрах CS,SS,DS и ES. Так как эти регистры 16-ти битовые, а все адресное пространство 20-ти битовое, то МП начальный сегментный адрес в 20-ти битовом сумматоре сдвигает на четыре бита влево (эквивалентно умножению на 16) и складывает с содержимым одного из регистров (IP,SP,DI,SI).
Полученное число называется физическим адресом. Например, извлекая из памяти очередной байт кода программы МП формирует физический адрес по формуле: Физический адрес = (IP) + (CS) * 16, где (IP) - смещение, эффективный или исполнительный адрес, (CS) - сегментный адрес, а (CS) * 16 - называется начальным сегментным адресом. Организация памяти приведена на рис.2.
8.4 ПРОЦЕССОРНЫЙ БЛОК (ПБ )
включает микропроцессор, стабилизируемый кварцем генератор импульсов, два устройства для формирования адресных и управляющих сигналов и двунаправленный буфер шины данных. Схема ПБ представлена на рис.3. Для уменьшения общего количества выводов МП, по некоторым из них в разные моменты передаются разные сигналы, поэтому младшие 16 линий адреса и шина данных совмещены (мультиплексированы).
Конденсатор C до включения питания разряжен. В начальный момент времени t0 подается напряжение питания на выводы (+). Начиная с этого момента времени на входе ~RES действует логический 0 до момента t1, когда напряжение на конденсаторе C достигнет порогового значения логической 1. В течение интервала t0..t1 выходной сигнал RESET имеет активный уровень лог.1. Микропроцессор переводится в исходное состояние. При этом в регистр CS записывается код FFFFh, а в регистр IP код 0000h.
Когда C зарядится и сигнал ~RES станет "1", на входе RESET микропроцессора сигнал снизится до пассивного уровня. Начинается основной цикл работы. МП извлекает из ячейки памяти с адресом FFFF:0000 первый байт команды, который чаще всего является кодом безусловного перехода к тому месту в памяти, где находится начало программы. В процессе работы можно перезапустить МП с помощью кнопки SW. Конденсатор C разряжается до нуля и процесс запуска повторяется. МП может работать в двух режимах в максимальном и минимальном. Минимальный режим ограничивает адресуемый объем памяти до 64Kb. В большинстве приложений в приборостроении такого объема достаточно, поэтому сигнал ~MX/MN = 1. Формирователи сигналов ШУ,ША и ШД (шины управления адреса и данных), выполнены на элементах ИЛИ, регистрах и шинных формирователях и служат также для увеличения мощности этих сигналов.
Генератор G формирует последовательность импульсов CLK, называемых тактовыми. Выполнение команды производится в течение интервалов времени, называемых циклами. Если в цикле есть обращение к памяти или к внешним устройствам, то он называется циклом шины. Цикл шины содержит 4 обязательных такта T1 ... T4.
В такте T1 микропроцессор передает по совмещенной шине адрес/данные адрес ячейки памяти или внешнего устройства (ВУ), подключенного к шинам ШУ,ША и ШД. В такте T2 производится выбор направления обмена данными с памятью или ВУ, а в тактах T3,T4 - передача данных. Если ЗУ (запоминающее устройство) или ВУ медленные, то на вход готовности RDY посылается сигнал RDY = 0, по которому МП вставляет циклы ожидания TW, до тех пор, пока не будет установлена готовность ВУ или ЗУ (RDY = 1). Если в цикле нет обращения к шине, то МП формирует холостые циклы TI.
Для разделения сигналов совмещенной шины адрес/данные ШАД(AD15..0) их необходимо "демультиплексировать" с помощью регистра защелки адреса RG и двунаправленного буфера BD. При обращении к памяти (в том числе при выборке команды) микропроцессор передает по ШАД адрес ячейки памяти. Этот адрес записывается в D-триггеры регистра RG сигналом ALE генерируемым микрпроцессором в этот момент и поступающим на синхровходы D-триггеров. Адрес в регистре сохраняется на время последующей передачи данных. Следом по ШАД передаются, либо данные от микропроцессора к ВУ или ЗУ, либо в обратном направлении. МП должен, во-первых, обеспечить правильное направление передачи буфера BD и , во-вторых, открыть (разрешить) тристабильные элементы буфера для передачи данных. Первую задачу решает сигнал МП ~DT/R (~DT/R=0 передача данных от МП - Transmit, ~DT/R=1 прием данных МП - Receive).
Вторая задача решается генерацией МП сигнала ~DEN (Data Enable). Чтение или ввод данных в один из регистров МП осуществляется с помощью инверсных сигналов шины управления (ШУ): ~MEMR (чтение из памяти),~IOR (ввод из ВУ), называемыми еще стробами чтения. Запись или вывод данных из МП по шине данных сопровождается стробами записи ~MEMW (запись в память (ЗУ)), или ~IOW (вывод во внешнее устройство (ВУ)). Четверка стробов, которые являются основными сигналами шины управления, формируется из сигналов чтения, записи (~RD,~WR) и сигнала M/~IO, определяющего к чему производится обращение : к ЗУ или ВУ. Формирование этих сигналов производится с помощью простой комбинационной схемы, содержащей 4 элемента ИЛИ и один инвертор.
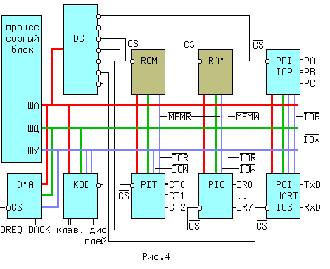
8.5 МИКРОПРОЦЕССОРНАЯ СИСТЕМА С ТРЕМЯ ШИНАМИ
Работой всех устройств подключаемых к процессорному блоку управляет дешифратор DC, к входам которого подводятся линии шины адреса. Обычно дешифраторов бывает несколько. Если используется не все адресное пространство для памяти и ВУ, то на дешифратор заводятся не все линии адреса, чаще всего несколько старших разрядов ША. Например, если на DC завести 4 линии A19..A16, то все адресное пространство будет разбито на неперекрывающиеся блоки по 2^20 / 2^4 = 64Кб, принадлежащие каждому из 16-ти (2^4 = 16) устройств ЗУ или ВУ, подключенных к шинам (на рис.4 показаны 7 устройств). Часть из них могут использовать все отводимое им адресное пространство, например ПЗУ и ОЗУ, другие только несколько адресов.
Типовая МПС, показанная на схеме содержит:
микросхему программируемого периферийного интерфейса ППИ (PPI или IOP), к которой через три 8-битовых независимых канала PA,PB и PC можно подключать периферийные устройства, например принтер, клавиатуру, 8-ми сегментный дисплей или ЦАП и АЦП. Через ППИ может производиться обмен данными с другими МПС или ЭВМ.
Ввод с клавиатуры и вывод на дисплей могут производиться специальными микросхемами.
Связь с удаленными устройствами или абонентами сетей может осуществляться с помощью универсального асинхронного последовательного приемо-передатчика УАПП-UART (программируемый связной интерфейс ПСИ-PCI или IOS). К выводам RxD - приемник и TxD - передатчик через линию связи подключаются передатчик и приемник другого абонента или устройства. Если связь производится через модем, то доступны любые сети.
Для формирования точных, различных по частоте и длительности сигналов, в т.ч. и звукового диапазона используется программируемый интервальный таймер ПИТ-PIT, имеющий три независимых 16-ти разрядных двоичных счетчика. Задержка, длительность или частота выходного сигнала каждого счетчика кратна 3..65535 периодам входного сигнала.
Если в системе используется режим прерывания выполнения основной программы внешними устройствами, требующими безотлагательного вмешательства микропроцессора, то может применяться программируемый контроллер прерываний ПКП - PIC (устройство собирающее заявки на обслуживание от ВУ с входов IRi). Подробно прерывания будут рассмотрены ниже.
Обмен данными между МП и ЗУ или одним из ВУ возможен только при появлении на выходе дешифратора DC единственного сигнала ~CS = 0, поступающего на то устройство с которым будет производиться запись или чтение байта данных. Остальные (невыбранные) устройства будут в пассивном состоянии, т.к. их сигналы ~CS = 1. Байт информации на ШД считывается ВУ, ЗУ или МП в строго ограниченном интервале времени во время действия одного из управляющих сигналов чтения/записи (~MEMR, ~MEMW) из памяти или в память, или во время действия одного из сигналов управления вводом/выводом (~IOR, ~IOW) в/из ВУ.
Быстрый обмен данными может производиться с помощью устройства прямого доступа к памяти ПДП (DMA).
8.6 СТЕК
Область памяти с упрощенной схемой адресации, к которой МП обращается по принципу "последним вошел - первым вышел" (LIFO). Байты программы в оперативной памяти располагаются последовательно по нарастающим адресам. Стек заполняется по последовательно убывающим адресам. Во избежание перекрытия этих двух областей памяти стек обычно располагается в старших адресах. Начальный адрес стека, называемый дном (bottom) записывается в регистр SP командой MOV SP,0fffeh. Вместо 0fffeh - адрес предпоследнего байта сегмента, может быть другое значение, но выравненное по двухбайтовым, т. е. четным адресам. Текущее значение содержимого SP называется, также адресом вершины стека (top). Если адрес вершины совпадает с адресом дна - стек считается пустым. Рассмотрим механизм помещения в стек и извлечения из него данных на примере команд PUSH AX и POP BX. Пусть начальное значение аккумулятора AX равно 874c.
Команда PUSH выполняется в четыре этапа:
-
Адрес в SP уменьшается на 1: (SP) <-- (SP) - 1.
-
По этому адресу помещается старший байт 87: ((SP)) <-- (AH).
-
Содержимое SP снова уменьшается на 1: (SP) <-- (SP) - 1.
-
По полученному адресу загружается младший байт 4c: ((SP)) <-- (AL).
Действие команды POP аналогично описанному процессу, но в происходит в обратном порядке:
-
(BL) <- ((SP)),
-
(SP) <- (SP) + 1,
-
(BH) <- ((SP)),
-
(SP) <- (SP) + 1.
Байты в стек помещаются по правилу "старший байт по старшему адресу" . На рис.7 показан пустой стек до выполнения команды PUSH AX и после ее выполнения, а на рис.8 после выполнения команды POP BX.
Преимущество стека в том, что программисту не нужно заботиться об абсолютных значениях адресов переменных, но в этом таится и опасность, если текущее содержимое указателя стека будет потеряно, при неаккуратных действиях программиста, то работа компъютера станет непредсказуемой и он, как говорят в таких случаях, "зависнет". В программах стек используется для:
1) сохранения и извлечения адреса возврата из подпрограмм командами ассемблера CALL и RET (IRET),
2) хранения локальных переменных,
3) передачи фактических параметров подпрограммам (трансляторами с языков высокого уровня),
4) временного хранения содержимого регистров фоновой программы при ее прерывании.
8.7 СПОСОБЫ ВВОДА-ВЫВОДА
Обмен данными между ЭВМ и ВУ или ЗУ называется вводом-выводом (ВВ). Существует четыре основных способа ВВ.
-
Программный ВВ
-
ВВ по прерываниям
-
Прямой доступ к памяти (ПДП) или DMA
-
Транзакции (MCS-96)
В первых двух случаях в обмене данными участвует микропроцессор. В режиме ПДП функции управления обменом берет на себя специальное устройство - контроллер ПДП, причем МП в это время в обмене данными не участвует. В 4-ом способе пересылки производятся параллельно с работой МП периферийным сервером транзакций.
8.7.1 ПРОГРАММНЫЙ ВВОД-ВЫВОД
Для внешних устрйств выделяеся адресное пространство, либо не входящее в состав ЗУ, либо являющееся его частью. Следовательно программный ВВ может быть двух типов:
-
с помощью команд ассемблера ввод (IN) и вывод (OUT)
-
с использованием всех команд пересылки ассемблера (MOV, LODSB,..).
В пределах 64K блока карта распределения памяти для первого случая показана на рис.5 слева.
В пределах интервала 0000 ...XXXX адреса ВУ и ЗУ пересекаются. Поэтому для однозначного обращения к ячейкам памяти или ВУ в процессорном блоке формируются управляющие пересылкой стробирующие импульсы - ~IOR,~IOW для ввода или вывода данных во внешнее устройство и ~MEMR,~MEMW для чтения или записи в память.Емкость ЗУ для размещения программ и данных не уменьшается.
Карта распределения памяти для второго случая показана на рис.5 справа. Под внешние устройства выделяется часть адресного пространства ЗУ. Емкость ЗУ уменьшается на количество адресов отводимых для ВУ. Второй способ позволяет адресоваться к ВУ с помощью всех команд оперирующих с памятью. Основное достоинство программного ВВ в простоте. Но при выполнении ввода, например с клавиатуры, МП затрачивает до 99,99..% времени на ожидание, не выполняя при этом другой полезной работы. Избавиться от этого недостатка позволяет ВВ по прерываниям.
8.7.2 ВВОД-ВЫВОД ПО ПРЕРЫВАНИЯЮ
В общем случае прерывания могут вызываться
-
внешнними устройствами (внешние прерывания),
-
командами прерываний (программные прерывания)
-
автоматически самим МП (внутренние прерывания), например при попытке деления на 0.
В этом разделе будут рассмотрены внешние прерывания. Работу МП можно разделить во времени между двумя независимыми программами: фоновой, которая выполняет основную задачу и программой ВВ данных. Когда ВУ подготовит данные для передачи, оно посылает сигнал запроса на прерывание непосредственно на вход МП INTR или в специальное устройство - контроллер прерываний. В процессе обслуживания прерывания выполняются следующие действия:
1. ВУ самостоятельно, либо через контроллер прерываний посылает сигнал прерывания INT(R) на одноименный вход МП;
2. МП завершает выполнение текущей команды и,если преывания разрешены командой ассемблера STI(EI для 8085), то подтверждает разрешение сигналом ШУ -INTA;
3. В МП по ШД передается тип(номер) прерывания - N;
4. Содержимое PSW, а также CS,IP (адрес возврата), скорректированное с учетом сброса очереди помещается в стек;
5. Сбрасываются флаги IF (флаг разрешения прерываний) и TF (флаг трассировки), причем т.к. (IF) = 0 дальнейшие прерывания запрещаются;
6. В IP загружается содержимое двух байтов с начальным адресом 4*N, а в CS - содержимое следующих двух байтов . Эти 4 байта называются вектором (указателем) прерывания.
7. Начинает выполняться подпрограмма - обработчик прерывания.
INT_SUBR:
STI
PUSH AX
....; здесь
....; команды
MOV AL,5; обработчика
....; прерывания
....
POP AX
IRET
Если допускаются вложенные прерывания, то вначале помещается команда STI- разрешение преываний, запрещенных в п.5. Инструкции push и pop сохраняют и восстанавливают содержимое регистров фоновой задачи, если эти же регистры используются и обработчиком прерывания (в примере регистр AX).
8. Команда IRET извлекает из стека адрес возврата - IP,CS и содержимое PSW;
9. МП прдолжает работу с адреса возврата. При выполнении программных прерываний по команде INT N действия выполняются с п.3. N находится в пределах 0 <= N <= 255, поэтому четырехбайтовые вектора прерываний занимают первые 1024 байта памяти.
8.7.3 ПРЯМОЙ ДОСТУП К ПАМЯТИ (ПДП) И ТРАНЗАКЦИИ
Обмен большим количеством байтов, между ВУ (например дисковым накопителем) и памятью с помощью предыдущих двух методов малоэффективен, т.к. обмен происходит по цепочке: ВУ - аккумулятор (AX или AL) - память или наоборот. В режиме ПДП при поступлении запроса от ВУ на вход HOLD, МП разрешает обмен выходным сигналом HLDA. Микропроцессор на время обмена отключается от ШУ,ШД и ША переводя их в третье состояние по входам ~OE буферных элементов сигналом ~BUSEN = 1 .Специальная микросхема (контроллер ПДП) использует освободившиеся шины для высокоскоростного прямого обмена ВУ - память. Скорость обмена достигает многих мегабит/сек.
На рис.6 показан процесс выполнения основной (фоновой) программы - интервалы времени (начало..t1, t2..конец) и выполнение процедуры передачи массива данных, на рисунке этот отрезок времени обозначен двойной линией. На диаграмме (А) ЭВМ задействована только для передачи (отрезок t1..t2), в остальное время компьютер бездействует. Во втором варианте - диаграмма (Б), код программы передачи жестко встроен в фоновую задачу. В третьем варианте (В) передача массива оформлена в виде подпрограммы прерывания, причем если запроса на прерывание не поступит,то суммарное время на выполнение фоновой программы уменьшится на t2-t1. При использовании режима ПДП сохраняются преимущества метода прерывания, время на передачу сокращается - диаграмма (Г), но фоновая задача по прежнему прерывается. В последнем случае передача данных производится почти без нарушения хода программы параллельно во времени (Д). Транзакции реализованы в некоторых семействах однокристальных микроЭВМ например в MCS-96.
ЗАДАЧИ И УПРАЖНЕНИЯ
Одна подпрограмма вызывает другую.Укажите короткий адрес возврата из вложенной прoцедуры.
Пояснение : Вложенная подпрограмма это подпрограмма, которая вызывается из другой подпрограммы. Вызов подпрограммы сопровождается помещением в стек адреса возврата. Стек заполняется начиная с дна. Короткий адрес - двухбайтовый адрес в пределах одного кодового сегмента. Байты в стек помещаются по правилу "старший байт по старшему адресу". Теперь нетрудно ответить на предложенный вопрос: 4dba.
В тексте программы следуют подряд команды: PUSH AX; PUSH CX; POP DX; POP BX. Чему будет равно содержимое регистра BH? Рисунок стека соответствует промежуточному состоянию (до выполнения команд POP).
Пояснение : В стек дважды что-то помещается и дважды что-то извлекается, причем последние два байта помещаются в регистр BX. Перефразируя правило "последним вошел - первым вышел" в "последним вышел - первым вошел", придем к выводу, что содержимое AX засылается в регистр BX. Команда PUSH AX помещает два байта в стек по правилу "старшая половина двухбайтового регистра - по старшему адресу". Ответ: c9
В тексте программы следуют подряд команды: POP AX; POP DX. Чему будет равно содержимое регистра DL?
Ответ: 4c
На временных диаграммах внизу приведены управляющие сигналы на выходах микропроцессора (без сохpанения точных вpеменных пpопоpций). Что осуществляется в момент времени отмеченный знаком + ? Чтение данных из памяти, запись данных в память вывод данных в порт, ввод данных из порта, ничего из указанного выше.
Пояснения : Если ~DEN=0 (разрешение данных) возможно 4 случая (для приведенных диаграмм): 1) M/~IO = 0, ~RD = 0 активны сигналы ввод/вывод (~IO) и чтение-ввод (~RD). 2) M/~IO = 0, ~WR = 0 активны сигналы ввод/вывод (~IO) и запись-вывод(~WR). 3) M/~IO = 1, ~RD = 0 активны сигналы обращения к памяти(M) и чтение-ввод(~RD). 4) M/~IO = 1, ~WR = 0 активны сигналы обращения к памяти(M) и запись-вывод(~WR).
Ответ: Вывод данных в порт.
Приложение № 3
ОСНОВНЫЕ ПОЛОЖЕНИЯ АЛГЕБРЫ ЛОГИКИ
В отличие от аналоговых электронных устройств, в цифровых устройствах (ЦУ) входные и выходные сигналы могут принимать ограниченное количество состояний. В соответствии с логическим соглашением (ГОСТ 2.743-82), в зависимости от конкретной физической реализации элементов ЦУ, более положительному значению физической величины, "H" - уровень, соответствует состояние "логическая 1", а менее положительному значению ,"L - уровень" - "логический 0". Такое соглашение называется положительной логикой. Обратное соотношение называется отрицательной логикой. В ГОСТ'е 19480 - 89 даны наименования, определения и условные обозначения основных параметров и характеристик цифровых микросхем.
Теоретической основой проектирования ЦУ является алгебра-логики или булева алгебра, оперирующая логическими переменными. Для логических переменных, принимающих только два значения,существуют 4 основных операции. Операция логическое "И" (AND) конъюнкция или логическое умножение, обозначается * или /\. Операция логическое "ИЛИ" (OR), дизъюнкция или логическое сложение, обозначается + или \/ . Операция логическое "НЕ" (NOT), изменение значения, инверсия или отрицание, обозначается чертой над логическим выражением. Инверсия иногда будет в тексте обозначаться знаком " ~ ". Операция эквивалентности обозначается "=" . Следующие соотношения являются аксиомами.
| (1) | 0 + 0 = 0 | 1 * 1 = 1 | (1') | |
| (2) | 1 + 1 = 1 | 0 * 0 = 0 | (2') | |
| (3) | 1 + 0 = 0 + 1 = 1 | 0 * 1 = 1 * 0 = 0 | (3') | |
| (4) | ~1 = 0 | ~0 = 1 | (4') |
Из (1, 2) и (1',2') следует: x + x = x и x * x = x. (5)
Из (1, 3) и (2',3') следует: x + 0 = x и 0 * x = 0. (6)
Из (2, 3) и (1',3') следует: 1 + x = 1 и x * 1 = x. (7)
Из (3) и (3') следует: x +~x = 1 и~x * x = 0. (8)
Из (4) и (4') следует: ~(~x) = x. (9)
И, наконец, из (1,1'), (2,2'), (3,3') и (4,4') следует:
~( x0+x1 ) = ~x0 * ~x1 и ~( x0 * x1) = ~x0 + ~x1 . (10)
Последние выражения (10) называют принципом двойственности или теоремой Де Моргана (инверсия логической суммы равна логическому произведению инверсий и наоборот). Соотношения двойственности для n переменных, часто записывают в виде:
~(x1 + .. + xn) = ~x1 * . .* ~xn и
~(x1 * .. * xn) = ~x1 + .. + ~xn (11)
На функции И и ИЛИ распространяются обычные алгебраические законы - переместительный, сочетательный и распределительный, которые легко доказываются методом перебора: x1 op x0 = x0 op x1 - переместительный, x2 op x1 op x0 = (x2 op x1) op x0 - сочетательный и x2*(x1+x0) = (x2*x1) + (x2*x0) и x2 + (x1*x0) = (x2+x1) * (x2+x0) - распределительный, где операция op может быть, либо И, либо ИЛИ. Наряду с тремя основными логическими функциями, называемыми также переключательными, существуют и другие.
1.2 ПЕРЕКЛЮЧАТЕЛЬНЫЕ ФУНКЦИИ
Для n - логических переменных (аргументов) существует 2n их комбинаций или двоичных наборов. На каждом таком наборе может быть определено значение функции 0 или 1. Если значения функции отличаются хотя бы на одном наборе, функции - разные. Общее число переключательных функций (ПФ) от n аргументов равно N=22n. Для n=2, N=16. При n=3, N=256 и далее очень быстро растет. Практическое значение имеют 16 функций от 2-х переменных, т.к. любое сложное выражение можно рассматривать как композицию из простейших. В таблице 1 приведены некоторые из ПФ для n=2. i-номер набора входных переменных x1 и x0.
ЗАПОМНИТЕ СЛЕДУЮЩИЕ ОПРЕДЕЛЕНИЯ. Функция "И" равна единице, если равны единице ВСЕ ее аргументы. Функция "ИЛИ" равна единице, если равен единице ХОТЯ БЫ один аргумент. Функция "ИСКЛЮЧАЮЩЕЕ ИЛИ" (XOR) равна единице, если равен единице ТОЛЬКО один ее аргумент.
1.3 УСЛОВНЫЕ ОБОЗНАЧЕНИЯ ЛОГИЧЕСКИХ ФУНКЦИЙ НА СХЕМАХ
Количество входов логического элемента, участвующих в формировании логической функции, называется коэффициентом объединения - Коб ( не путать с коэффициентом разветвления). У всех выше приведенных схем, за исключением инвертора, коэффициент объединения равен двум. Промышленностью выпускаются схемы с Коб=2,3,4,8. Для получения схем с другим числом входов основные элементы можно объединять. Например, если требуется пятивходовая схема И, то ее можно получить, используя сочетательный закон следующим способом: x0 * x1 * x2 * x3 * x4 = (x0*x1) * (x2*x3*x4) = (x0*x1) * x2 * x3 * x4, т.е. требуются две двухвходовые и одна трехвходовая схемы И, для первого варианта, либо одна двухвходовая и одна четырехвходовая - для второго (рис.1).
Можно использовать и восьмивходовую схему И, подав на незадействованные входы "1", либо некоторые из переменных, в соответствии с выражениями (5) или (7).
1.4 СПОСОБЫ ПРЕДСТАВЛЕНИЯ ЛОГИЧЕСКИХ ФУНКЦИЙ
Целью проектирования цифрового устройства является получение его логической функции (ЛФ) и соответствующей ей схемной реализации. ЛФ могут иметь различные формы представления: 1) словесное, 2) графическое, 3) табличное, 4) алгебраическое, 5) на алгоритмическом языке (например VHDL) и 6) схемное. В качестве примера, рассмотрим функцию Y от двух переменных x1 и x0, заданную словесным описанием: Y=1, если переменные НЕ РАВНЫ и Y=0, если x1=x0. Такую ЛФ удобно назвать функцией НЕРАВНОЗНАЧНОСТИ. Переходим к табличному представлению Y (таблица 2).
Табличное представление значений ЛФ для всех наборов входных переменных называется таблицей истинности. В общем виде переход от табличного представления к алгебраическому может осуществляться по формуле (12), одной из основных в алгебре логики.
Выражение (12) называется совершенной дизъюнктивной нормальной формой ЛФ (СДНФ). mi - минтерм или логическое произведение всех переменных i-го двоичного набора, входящих в прямом виде, если значение этой переменной в наборе равно 1, и в инверсном виде, если ее значение равно 0. fi - значение ЛФ на i - ом наборе. Доказательство (12) базируется на теореме разложения, в соответствии с которой любую ЛФ f(..) от n-переменных можно разложить по переменной xi в виде: f(x(n-1),...,xi,. ..,x0) = ~xi*f(x(n-1),...,0,..,x0) + xi*f(x(n-1),..,1,..,x0). Это выражение для xi=0 равно ~0*f(x(n-1),...,0,..,x0) + 0*f(x(n-1),..,1,..,x0) = f(x(n-1),...,0,..,x0). При xi=1 оно будет равно ~1*f(x(n-1),..,1,..,x0) + 1*f(x(n-1),..,1,..,x0) = f(x(n-1),...,1,..,x0), т.е. при любых значениях xi теорема разложения справедлива. Теорему разложения можно применить n раз и тогда ЛФ будет разложена по всем своим переменным.
В виде примера рассмотрим функцию F=f(x1,x0) от двух переменных. Разложение этой функции по переменной x1 даст: F= ~x1*f(0,x0) + x1*f(1,x0) . Продолжая эту операцию для переменной x0, получим:
F =~x1*(~x0*(f(0,0) + x0*(f(0,1)) + x1*(~x0*(f(1,0) + x0*(f(1,1)) = ~x1*~x0*f(0,0) + ~x1*x0*f(0,1) + x1*~x0*f(1,0) + x1*x0*f(1,1). (12.1)
Выражение (12.1) позволяет записать все переключательные функции от двух переменных, используя только три основных логических операции.
Рассмотрим разложение функций F7-"ИЛИ" и F1-"И", для чего необходимо обратиться к соответствующим строчкам таблицы 1. Функция И на двоичных наборах входных переменных x1 и x0 (00,01,10,11) принимает значения 0,0,0,1. Записывая выражение (12.1) для этих значений получим: F1(x1,x0 ) = ~x1*~x0*0 + ~x1*x0*0 + x1*~x0*0 + x1*x0*1 = x1*x0, что соогласуется с ее определением. Таким же образом, находим алгебраическое выражение функции F7-"ИЛИ", которая, соответственно, на тех же входных наборах принимает значения: 0,1,1,1. Тогда, в соответствии с (12.1), F7(x1,x0) = ~x1*~x0*0 + ~x1*x0*1 + x1*~x0*1 + x1*x0*1. Вынося за скобки в двух последних слагаемых x1, получим F7 = ~x1*x0*1 + x1*(~x0*1 + x0*1). На основании аксиомы (8), выражение в скобке равно "1" и F7 = ~x1*x0*1 + x1. Применяя распределительный закон, найдем (~x1+x1) * (x0+x1) = x1+x0.
Возвращаясь к таблице 2, получим Y = 0*~x1*~x0 + 1*~x1*x0 + 1*x1*~x0 + 0*x1*x0 = ~x1*x0 + x1*~x0 = x1 (+) x0 = F6 (функцияия неравнозначности).
С помощью формулы (12) любую, сколь угодно сложную, логическую функцию можно представить в виде трех основных ЛФ: "И", "ИЛИ", "НЕ", представляющих собой логический базис.
1.5 ЛОГИЧЕСКИЙ БАЗИС
Набор простейших ЛФ, позволяющих реализовать любую другую функцию называется логическим базисом (ЛБ). Функции И, ИЛИ, НЕ не являются минимальным ЛБ, т.к. сами могут быть представлены через другие функции, например через F8(ИЛИ -НЕ) или F14(И - НЕ).
Следовательно базис "И - НЕ" является минимальным. Реализацию НЕ,И,ИЛИ в базисе "ИЛИ - НЕ" произвести самостоятельно, используя перечисленные аксиомы.
1.6 СХЕМНЫЕ ОСОБЕННОСТИ ЛОГИЧЕСКИХ ЭЛЕМЕНТОВ
Приведенные выше логические элементы (ЛЭ) И, ИЛИ, НЕ, И-НЕ и другие могут иметь некоторые схемотехнические особенности.
1.6.1 БАЗОВЫЙ ЛОГИЧЕСКИЙ ЭЛЕМЕНТ
На рисунке приведена упрощенная схема И-НЕ и его условное обозначение.
Напряжения на базах транзисторов VT1 и VT2 находятся в противофазе и, если x0*x1=1, то нижний транзистор открыт, а верхний закрыт, так как ~(x0*x1)=0 . Потенциал коллектора VT2 в этом случае примерно равен нулю и следовательно y=0. При других значениях x0 и x1 нижний транзистор закрыт, а верхний открыт и на выходе схемы - высокий уровень, т.е. схема работает как элемент И-НЕ. Выходы нескольких БЛЭ категорически нельзя соединять вместе, потому что, если n-1 элементов находятся в состоянии "1", а n-ый в состоянии "0", то n-1 транзисторов VT1 будут "сливать" (sink) токи в единственный транзистор VT2 n-го элемента. Суммарный ток может превысить допустимое значение и VT2 выйдет из строя.
1.7 ЭЛЕМЕНТ С ОТКРЫТЫМ КОЛЛЕКТОРОМ
Логический элемент И-НЕ с открытым коллектором (ОК) (см.рис.2. слева) обозначается в поле элемента ромбом с чертой внизу.
К открытому коллектору снаружи могут подключаться резисторы, обмотки реле и двигателей, светодиоды и т.д. Открытые коллекторы нескольких элементов в отличие от базового логического элемента могут соединяться вместе, образуя "монтажное И" (рис.2 - справа) для прямых значений переменных т.к. y=y0*y1=1 при y0=y1=1. Иногда такую схему называют "монтажное ИЛИ", потому что y = ~(x0*x1) * ~(x2*x3) в соответствии с соотношением двойственности равно ~(x0*x1 + x2*x3) (рис.2). Логический элемент И с открытым эмиттером, обозначается ромбом, но с чертой сверху.
1.8 ЭЛЕМЕНТЫ "И - ИЛИ - НЕ" И РАСШИРИТЕЛИ
Такие схемы объединяют несколько элементов И, подключенных выходами к элементу ИЛИ-НЕ (рис.3). Если количества переменных a,b,..e недостаточно, используются элементы-расширители, подключаемые к входам расширения C и E (входы для открытых коллектора и эмиттера). Символ &1 обозначает функцию И, объединяемую по ИЛИ (рис.4). Здесь и далее символом * обозначаются вспомогательные входы у логических элементов.
В этих схемах, как и вообще в элементах ИЛИ, неиспользуемый вход ИЛИ д.б. подключен к 0. Поэтому, если одна из секций И незадействована, на один из ее входов необходимо подать 0. В противном случае Y всегда будет равен 0. Это особенность схем, выполненных по ТТЛ(Ш) технологии, т.к. неподключенный логический вход этих схем эквивалентен логической 1 (правда при этом ухудшаются некоторые характеристики микросхемы).
1.9 ТРИСТАБИЛЬНЫЕ ЭЛЕМЕНТЫ
Наряду с двумя логическими состояниями существует третье технологическое состояние, когда выход элемента отключается от внутренней схемы. При этом сопротивление между выходом и "землей" становится очень большим и выход микросхемы не оказывает никакого влияния на подключенные к нему выходы других микросхем. Выходы нескольких таких элементов также могут соединяться вместе. Такое включение , разновидность "монтажного И", применяется там, где несколько источников сигналов по очереди подключаются к входам одного или нескольких приемников, не мешая друг другу. Третье состояние называют также высокоимпедансным или Z - состоянием. Схема И-НЕ с Z-состоянием выхода приведена на рис.5. слева, а ее условное обозначение - справа.
Если сигнал ~OE=0, транзистор VT3 закрыт и включенные встречно диоды не оказывают влияния на логические выходы элемента И. Напряжения на базах транзисторов VT1 и VT2 находятся в противофазе и, если x0*x1=1, то верхний транзистор закрыт, а нижний открыт. Потенциал коллектора VT2 примерно равен нулю и следовательно y=0. При других значениях x0 и x1 нижний транзистор заперт, а верхний открыт и на выходе схемы - высокий уровень, т.е. при ~OE=0 схема работает как обычный элемент И-НЕ. Картина существенно изменится при ~OE=1. Транзистор VT3 откроется до насыщения и на базах транзисторов VT1 и VT2 потенциал опустится примерно до нуля, запирая их. Выход "y" окажется отключенным от внутренней логической схемы. На схемах тристабильные элементы обозначаются ромбом с поперечной чертой или буквой Z.
Такие элементы используются там, где необходима передача инфориации по одной линии от нескольких источников к одному или нескольким приемникам. Причем, так как линия одна, то чтобы выходы пассивных источников не искажали информацию на выходе активного источника, они должны переводиться в третье состояние. Z - состояние используется по этой причине в микросхемах памяти, шинных формирователях.
-
Дополнительный инверсный вход относится к категории управляющих или функциональных. Функция входа зашифрована в его обозначении (Output Enable - разрешение выхода (~OE)),а значение активного уровня на этом входе,при котором функция выполняется, равно 1, если вход прямой, и равно 0, если вход инверсный, как на схеме.
1.10 МИНИМИЗАЦИЯ ЛОГИЧЕСКИХ ФУНКЦИЙ
Полученные по формуле СДНФ (12) выражение может быть преобразовано (не всегда) к виду, имеющему меньшее число переменных и операций по сравнению с исходным. Такое преобразование называется минимизацией.
Рассмотрим пример. Имеется три двоичных датчика xi. Необходимо реализовать ЛФ Yмажор принимающую значение 1, когда равны 1 значения двух и более датчиков. Такая функция называется мажоритарной. Ее таблица истинности имеет вид:
По формуле (12): Yмажор = ~x2*x1*x0 + x2*~x1*x0 + x2*x1*~x0 + x2*x1*x0. (3,5,6,7 - строчки таблицы ). Полученному выражению соответствует схема на рис.6.
Схема содержит 4 трехвходовых элемента "И" и 1 четырехвходовый элемент "ИЛИ". Нахождение минимальной формы ЛФ производится методом алгебраических преобразова- ний, с помощью таблиц Карно или машинными методами для больших проектов.
1.11 ТАБЛИЦА КАРНО
Таблица Карно (ТК) это видоизмененная запись таблицы истинности. Для функции мажоритарности из последнего примера (ТК) выглядит следующим образом:
Правила построения ТК следующие: 1)Количество клеток ТК равно количеству строк таблицы истинности. 2)Слева и сверху располагаются значения аргументов. Порядок размещения аргументов таков, что в двух соседних по горизонтали и вертикали клетках отличается значение только одного аргумента (поэтому соседними считаются и клетки, находящиеся на противоположных краях таблицы). 3)В клетки заносятся соответствующие значения ЛФ. 4)Единичные клетки объединяются в прямоугольники (импликанты) по 2^i клеток. 5)Для каждого прямоугольника записывается произведение тех аргументов, которые в соседних клетках не изменяют своего значения. 6)Переменные входят в произведение в прямом виде, если их значение в соседних клетках равно 1, в противном случае в инверсном. 7)Полученные произведения складываются по ИЛИ в искомую ЛФ.
В примере имеется 3 прямоугольника - A,B,C, причем Ya = x2*x0 (x1 в соседних клетках меняет свое значение, поэтому в конъюнкцию не входит). Yb = x1*x0 и Yс = x2*x1.
Yмажор = Ya + Yb + Yc = x2*x0 + x1*x0 + x2*x1. (13)
Соответствующая схема (рис.7.) проще, чем на рис.6.
1.12 ПРЕОБРАЗОВАНИЕ ЛФ К БАЗИСУ "И-НЕ" И "И-ИЛИ-НЕ"
Применяя к выражению (13) аксиому двойного отрицания (9) получим:
Yмажор =~(~( x2*x0 + x1*x0 + x2*x1)) (14)
Формуле (14) соответствует схема (рис.8,слева) в базисе И-ИЛИ-НЕ.
Применяя к выражению (14) соотношение двойственности (11) получим ~( ~(x2*x0) * ~(x1*x0) * ~(x2*x1)) . Последнему выражению соответствует схема в базисе И-НЕ (рис.8, справа).
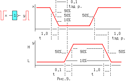
1.13 ВРЕМЕННЫЕ ПАРАМЕРЫ ЛОГИЧЕСКИХ ЭЛЕМЕНТОВ
Рассмотрим реакцию инвертора на изменение входного сигнала (рис.9). Инерционные свойства инвертора приводят к задержке сигнала при его прохождении от входа к выходу.
Процесс изменения напряжения от низкого уровня L к высокому H, называется фронтом сигнала (положительным перепадом, положительным фронтом), а обратный процесс - спадом (отрицательным перепадом, отрицательным фронтом). Если существенно их взаимное расположение, то фронт может быть передним и задним. Длительность фронтов на рис.9 обозначена t1,0 - отрицательный и t0,1 - положительный.
Величинами tзд.р.0,1 и tзд.р.1,0 обозначается время задержки распространения сигнала от входа до выхода при переходе из 0 в 1 и наоборот (рис.9). Минимальная длительность импульса на входе элемента tи.мин пропорциональна среднему значению tзд.р.ср. равному полусумме tзд.р.0,1 и tзд.р.1,0. Максимальная частота входных импульсов Fмакс обратно пропорциональна tзд.р.ср. Из сказанного следует, что быстродействие элемента тем выше, чем меньше tзд.р.ср.
Определения вышеуказанных величин с их отечественными и международными обозначениями приведены в разделе обозначения некоторых параметров микросхем.
Быстродействие схемы зависит также от алгебраической формы представления ЛФ. Пусть y = a*b + c*a + d = a*(b+c)+d. Первой форме (ДНФ) соответствует схема (A), а второй - схема (B) см. рис.10.
Если среднее время задержки сигнала в каждом элементе одинаково, то 2tзд.р.ср. < 3tзд.р.ср. и двухъярусные схемы (СДНФ) в общем случае быстрее. Правда в записи со скобками может уменьшиться количество элементов и/или проводников (в схеме (B) на один провод меньше).
1.14 ПЕРЕХОДНЫЕ ПРОЦЕССЫ В ЛОГИЧЕСКИХ СХЕМАХ
Отличие времени задержки tзд.р. от нуля при прохождении сигнала через логическую схему может приводить к возникновению помех в выходном сигнале. Эти помехи имеют вид коротких импульсов, и в некоторых случаях приводят к серьезным сбоям в работе схем. Рассмотрим устройство на рис.11. Если элементы схемы не вносят задержки сигнала, а x0 и x1 находятся в противофазе, т.е. x0 = ~x1, то y = ~(x1 * ~x1) = 1. Если же каждый из пяти ЛЭ имеет задержку tзд.р., тогда x0' запаздывает относительно x0 на 4tзд.р. и на выходе схемы возникает незапланированный "отрицательный" импульс (интервал 1..2), сдвинутый на tзд.р. элемента И-НЕ (интервал 0..1). Процесс прохождения входных сигналов до общего выхода называется состязаниями или "гонками".
Вредный эффект "гонок" может быть устранен несколькими способами, один из которых заключается в добавлении к ЛФ дополнительного слагаемого. Пусть некоторая ЛФ равна F = x1*x2 + ~x1*x0, тогда при x2=x0=1 может появиться помеха, вызванная тем, что сигнал ~x1 задержан относительно x1 на величину задержки инвертора (см. рис.12).
Добавление лишнего импликанта (в таблице обведен точками) устраняет проблему, т.к.при критической ситуации, когда x2=x0=1, дополнительная составляющая x0*x2=1 и функция F = x1*x2 + ~x1*x0 + x0*x2 равна всегда 1 при x2=x0=1.
В устройствах индикации такие короткие помехи можно игнорировать, так как они будут незаметны для глаз.
Список литературы
СА Майоров, ВВ Кириллов, АА Приблуда Введение в микро-ЭВМ
http://www.assembler.webservis.ru
http://www.kalashnikoff.ru
http://www.vlata.com
Начало формы
72
















