LecPu16 (663953)
Текст из файла
Лекция 16
Видеомониторы и видеоадаптеры
План
1. Типы видеосистем.
2. Видеоадаптеры.
2.1. Графические видеоадаптеры точечные.
2.2. Графические видеоадаптеры векторные.
2.3. Графические видеоадаптеры растровые.
3. Способы формирования цветного изображения.
1. Типы видеосистем
В общем случае видеосистема (дисплей) ПЭВМ включает монитор, преобразующий сигналы от ПЭВМ в изображение на экране в темпе их поступления без запоминания и обработки; и видеоконтроллер для обработки, передачи данных и согласования интерфейсов. В ПЭВМ применяются три основных типа построения видеосистемы:
1) ее электронные схемы без монитора входят в состав системного блока ПЭВМ и в качестве экранного ОЗУ используют основную память ПЭВМ;
2) ее электронные схемы без монитора входят в состав системного блока ПЭВМ и имеют отдельное экранное ОЗУ;
3) все ее электронные схемы и монитор выполняются в виде отдельного устройства, связанного с ПЭВМ стандартным интерфейсом.
Возможны также различные комбинации типов.
Дисплеи ПЭВМ классифицируются по ряду признаков:
по виду отображаемой информации: алфавитно-цифровые, графические и комбинированные;
по способу формирования изображения графические дисплеи ПЭВМ делятся на векторные и растровые;
по способу поддержания изображения: с регенерацией и запоминанием изображения в специальных электронных трубках;
по способу сопряжения монитора с адаптером: композитные и RGB-дисплеи. В RGB-дисплеях сигналы яркости основных цветов передаются от адаптера к монитору по трем отдельным проводам, а в композитных все три сигнала яркости подаются в монитор по одному проводу, где затем разделяются;
по виду управления: цифровые и аналоговые. В цифровых дисплеях по одному сигналу включается только один уровень яркости. В аналоговых дисплеях яркость и цвет любой точки пропорциональны уровню напряжения управляющего аналогового сигнала. Аналоговые дисплеи поддерживают больше цветов, чем цифровые.
В ПЭВМ обычно применяются растровые монохромные или цветные видеомониторы на электронно-лучевых трубках (ЭЛТ). По виду сигнала управления такие видеомониторы, как CGA и EGA, являются цифровыми, а видеомониторы PGA, VGA, SVGA - аналоговыми. Цветной универсальный монитор Multisync может настраиваться на цифровой или аналоговый сигнал управления.
2. Видеоадаптеры
Видеоадаптеры (дисплейные процессоры) представляют собой специализированные процессоры с собственным набором команд, специфическими форматами данных и собственным счетчиком команд.
Алфавитно-цифровые видеоадаптеры, так же как и принтеры, имеют ПЗУ для хранения постоянного знакогенератора и ОЗУ - для переменного знакогенератора. Страница текста, отображаемая на экране, записывается в видеопамять и координаты каждого символа однозначно определяются его местонахождением в видеопамяти.
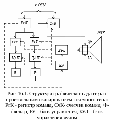
Графические видеоадаптеры разделяются на адаптеры с произвольным сканированием и адаптеры растрового типа.
2.1. Графические видеоадаптеры точечные
Графические видеоадаптеры с произвольным сканированием разделяются на точечные и векторные. В точечных дисплеях любая картинка рисуется из отдельных точек, координаты которых в произвольном порядке задаются в графическом файле. В векторных дисплеях изображение составляется из отдельных векторов, которые задаются в файле координатами начальных и конечных точек.
Для управления точечными дисплеями используются два типа команд: команда рисования точки и команда безусловного перехода. При выполнении каждой команды рисования луч перемещается от точки к точке по указанным в команде координатам, активизируя их. Последней командой графического файла является команда безусловного перехода на начало файла, что обеспечивает регенерацию изображения. При такой организации вычислений адаптер содержит два ЦАП, которые преобразует цифровые координаты точки в напряжения отклонения луча ЭЛТ по координатам X и Y (рис. 16.1).
О
сновным недостатком точечных графических адаптеров является то, что координаты каждой точки вычисляются ЦП. От этого недостатка свободны векторные адаптеры.
2.2. Графические видеоадаптеры векторные
В векторных графических адаптерах команды начальной и конечной точки вектора вычисляются ЦП, а рисование векторов осуществляется автоматически специальным блоком - генератором векторов или генератором напряжения развертки (рис. 16.2).
Для задания координат начала и конца вектора используются абсолютные или относительные координаты. Если используются относительные координаты, то в структуре адаптера добавляется сумматор для сложения базовых координат с относительными. В таких адаптерах используются команды следующего типа: загрузить Х; загрузить Y и переместить луч в позицию Х, Y; загрузить Y, переместить луч в позицию X,Y и нарисовать точку; загрузить Y и нарисовать вектор от начальной до конечной точки; безусловный переход.
Е
сли адаптер работает в абсолютных координатах, то ЦП сильно загружен в режиме редактирования или перемещения изображения.
2.3. Графические видеоадаптеры растровые
Графические адаптеры растрового типа позволяют создавать изображение с непрерывным уровнем яркости, т.к. вывод содержимого видео-ЗУ на экран всегда производится с постоянной частотой и обеспечивается одинаковая яркость для векторов разной длины. Адаптеры такого типа обладают отсутствием мерцания, возможностью наложения изображения из видео-ЗУ на стандартное телевизионное изображение от телекамеры или видеомагнитофона.
В растровых адаптерах каждая точка изображения вычисляется и записывается в видео-ЗУ. Такое ЗУ должно быть большой емкости и его быстродействие должно быть соизмеримо с работой монитора. Графический файл преобразуется сначала в векторный, где осуществляется масштабирование и перемещение изображения, а затем векторный файл преобразуется в растровую форму, где каждый вектор заменяется последовательностью пиксель, записываемых в видео-ЗУ. С учетом этого в структуре растровых адаптеров выделяют два процессора - векторный и растровый (рис. 16.3).
Р
астровый графический процессор работает под управлением своей программы. Входными данными для него являются команды, записанные в ОЗУ ДФ и описывающие вектора, которые программным или аппаратным способом должны быть преобразованы в пикселы. Вычисленные точки вектора между его начальными и конечными точками записываются в видео-ЗУ. Видеоконтроллер формирует видеосигналы на видеомонитор, для чего производится периодический опрос ячеек видео-ЗУ. РГП выполняет также кодирование изображения - вычисление пиксель по полученному списку векторов, определяющему небольшую часть изображения (окно), которое можно перемещать по экрану. В связи с этим РГП должны обладать большим быстродействием.
Для черно-белых адаптеров для задания атрибутов пиксела отводится один бит, если он установлен, то это означает черный цвет.
Для создания тонового черно-белого изображения видео-ЗУ имеет несколько плоскостей, число которых определяется количеством градаций черно-белого тона. Разрядность задания атрибутов пикселя n и число градаций тона L связаны между собой соотношением n=log2L. Считанный из видео-ЗУ двоичный код пикселя преобразуется на ЦАП в напряжение, соответствующее требуемому уровню тона.
3. Способы формирования цветного изображения
Цветные изображения могут быть получены двумя способами. Первый способ основывается на первичной форме изображения в графическом файле с постоянно заданным цветом. В ячейки видео-ЗУ записываются все атрибуты цвета, например, красный (R), синий (B) и зеленый (G) цвет. Затем двоичные коды интенсивности каждого цвета преобразуются ЦАП в уровни напряжения (рис. 16.4, а). Для простого изображения достаточно иметь три слоя атрибутов пиксела. Цвет изображения можно поменять, только изменив графический файл.
В
торой способ позволяет выводить цветные изображения с изменяемым цветом. В состав видеоконтроллера вводится специальное ЗУ, в котором записывается таблица цветов (рис. 16.4, б). Каждый пиксель содержит адрес этой таблицы. Меняя адреса таблицы цветов можно изменить цвет изображения.
Вопросы к лекции
1. От каких характеристик зависит формат дисплейной команды: для черно-белых тоновых графических адаптеров; для графических адаптеров с возможностью формирования цветных изображений по первому и второму способу?
2. Нарисуйте подробную схему взаимодействия программных и аппаратных компонент и блоков ПЭВМ при отображении информации: а) на алфавитно-цифровом мониторе с постоянным знакогенератором, б) на графическом мониторе с произвольным сканированием точечного; в) векторного типа и г) растрового типа.
________________________________________________________________________________________________
Курс «Периферийные устройства»
(лекции)
-8-
Характеристики
Тип файла документ
Документы такого типа открываются такими программами, как Microsoft Office Word на компьютерах Windows, Apple Pages на компьютерах Mac, Open Office - бесплатная альтернатива на различных платформах, в том числе Linux. Наиболее простым и современным решением будут Google документы, так как открываются онлайн без скачивания прямо в браузере на любой платформе. Существуют российские качественные аналоги, например от Яндекса.
Будьте внимательны на мобильных устройствах, так как там используются упрощённый функционал даже в официальном приложении от Microsoft, поэтому для просмотра скачивайте PDF-версию. А если нужно редактировать файл, то используйте оригинальный файл.
Файлы такого типа обычно разбиты на страницы, а текст может быть форматированным (жирный, курсив, выбор шрифта, таблицы и т.п.), а также в него можно добавлять изображения. Формат идеально подходит для рефератов, докладов и РПЗ курсовых проектов, которые необходимо распечатать. Кстати перед печатью также сохраняйте файл в PDF, так как принтер может начудить со шрифтами.
















