referat (663873)
Текст из файла
13
Министерство общего и профессионального образования
Российской Федерации
Новгородский государственный университет
им. Ярослава Мудрого
——————————————————————————————
Кафедра физики твёрдого тела и микроэлектроники
Контроль динамических параметров ЦАП
Реферат по дисциплине
“Испытания изделий электронной техники”
Выполнил
Студент гр.4031
Избачков Ю.С.
Проверил
Доцент каф. ФТТиМ
Крутяков Л.Н.
Новгород
1999
Введение
Цифро-аналоговые и аналого-цифровые преобразователи АЦП находят .широкое применение в различных областях современной науки и техники. Они являются неотъемлемой составной частью цифровых измерительных приборов, систем преобразования и отображения информации, программируемых источников питания, индикаторов на электронно-лучевых трубках, радиолокационных систем, установок для контроля элементов и микросхем, а также важными компонентами различных автоматических систем контроля и управления, устройств ввода-вывода информации ЭВМ.
В данной работе рассматриваются основные методы контроля динамических параметров ЦАП.
Динамические свойства ЦАП характеризуются временем установления (преобразования), которое является наиболее сложно контролируемым и трудно поддающимся автоматизации параметром быстродействующих многоразрядных ЦАП.
Это объясняется необходимостью совмещения высокого быстродействия измерителя времени установления с его высокой разрешающей способностью по амплитуде (такой же, как и при контроле статических параметров) для обеспечения фиксации момента достижения выходным сигналом ЦАП номинального значения с погрешностью ±'/2 значения младшего разряда. Кроме того, ограниченная полоса пропускания измерительного тракта и тепловые эффекты в сочетании с неизбежным присутствием шума могут вносить значительную неопределенность в измерение. Задачу можно существенно упростить, если установившееся значение выходного сигнала контролируемого преобразователя совместить с нулевым уровнем и анализировать переходный процесс вблизи нулевого потенциала. Это относится и к схемам, использующим в качестве индикатора осциллограф. Рассмотрим несколько возможных вариантов схем устройств контроля времени установления ЦАП с осциллографическим индикатором, нашедших применение в мелкосерийном и опытном производстве, в лабораторных исследованиях.
Рисунок 1 - Схема устройства контроля времени установления ЦАП с компенсацией установившегося значения его выходного сигнала
Одна из таких схем показана на рисунке 1. Прямоугольный эталонный сигнал, синхронный с прямоугольным сигналом цифрового входа ЦАП, но не совпадающий по фазе с выходным сигналом ЦАП, суммируется с последним. Амплитуда эталонного прямоугольного сигнала Uэ регулируется для точного совпадения с амплитудой Uп.ш выхода ЦАП по окончании переходных процессов. Это обеспечивает наблюдение переходного процесса на экране осциллографа относительно нулевого уровня. Фиксирующие диоды ограничивают отклонение напряжения в период переходных процессов, что существенно уменьшает время восстановления перегрузки осциллографа. При переключении цифрового входа младшего разряда из положения «динамический» в положение логической «1» или логического «0» на экране осциллографа будут наблюдаться импульсы с частотой генератора и амплитудой, равной значению младшего разряда Δ ЦАП относительно нулевого уровня. При этом время установления определяется как время, необходимое для того, чтобы напряжение отклонения от нулевого уровня не превышало (±'/2) Δ. Если требуется измерить только время установления напряжения полной шкалы, то напряжение эталонного прямоугольного сигнала Uэ на вход осциллографа не подается, что упрощает процесс измерения с помощью устройства, приведенного на рисунке 1.
Рисунок 2 - Схема устройства контроля времени установления ЦАП при «главном переносе»
Как отмечалось, если ЦАП работает в режиме слежения (со сменой смежных кодовых комбинаций), то его время установления имеет большее значение, чем время установления полной шкалы. При этом наибольший переходной процесс наблюдается в случае «главного переноса», когда все разряды меняют свое состояние (цифровое число меняется от 0111 ... 1 до 1000 ... О или наоборот). Процесс же измерения времени установления при смене смежных кодовых комбинаций на цифровых входах ЦАП существенно упрощается, поскольку при этом установившиеся значения выходного сигнала ЦАП для смежных кодов отличаются на значение младшего разряда.
На рисунке 2 показана схема устройства контроля времени установления ЦАП при кодовой комбинации главного переноса. Все разряды ЦАП, кроме старшего, возбуждаются параллельно с помощью генератора Г прямоугольных импульсов. Этот же сигнал после инвертора Ин подается на старший разряд, вызывая его включение в момент выключения всех остальных разрядов. Выходной сигнал ЦАП при этом представляет собой прямоугольный сигнал с амплитудой Δ относительно уровня, равного половине полной шкалы. Выход ЦАП связан со входом осциллографа только по переменному току, и постоянная составляющая выходного сигнала ЦАП на вход осциллографа не поступает. Переходный процесс в этом случае можно наблюдать при большой чувствительности осциллографа по амплитуде.
Время переходного процесса ЦАП большой разрядности можно определить с высокой степенью точности, поскольку практически устраняются перегрузки входного усилителя осциллографа или компаратора, обусловленные большим перепадом сигнала на выходе контролируемого ЦАП. Однако производительность осциллографических методов измерения невысока. Кроме того, этим методам присущи погрешности субъективного характера, что не позволяет использовать их для серийного производства преобразователей.
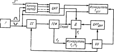
Рисунок 3 - Схема устройства контроля времени установления ЦАП с токовым выходом на туннельном диоде
Рассмотрим возможные варианты построения полностью автоматизированных измерителей времени установления ЦАП, обладающих значительно большим быстродействием и достоверностью контроля. На рисунке 3 приведена схема устройства контроля времени установления ЦАП с токовым выходом, где в качестве дискриминатора амплитуды выходного сигнала ЦАП применен туннельный диод. В устройстве используется стробоскопический метод измерения.
Формируемые с частотой генератора Г перепады (от нуля до установившегося уровня) выходного сигнала ЦАП попадают па дискриминатор уровня Д, который анализирует текущее (мгновенное) значение выходного сигнала преобразователя.
Анализ процесса начинают с участка заведомо установившегося переходного процесса, и анализируемую точку характеристики постепенно перемещают по временной оси к началу переходного процесса, т. е. справа налево (рисунок 4). Момент t1 превышения допустимого значения отклонения от установившегося уровня тока Iуст фиксируют дискриминатором уровня. Затем измеряют временной отрезок от начала исследуемого переходного процесса до зафиксированного дискриминатором момента времени, который и определяет время установления Iycт выходного сигнала ЦАП.
Рисунок 4 – Характер переходного процесса выходного сигнала ЦАП
Устройство работает таким образом. Выходные импульсы генератора Г поступают на вход схемы сдвига СС стробирующих импульсов и одновременно через многоканальный коммутатор — на цифровые входы контролируемого ЦАП, на которых он обеспечивает формирование требуемой комбинации сигналов. Исследуемый выходной сигнал ЦАП подается на первый вход схемы сравнения (дискриминатор Д), выполненной на туннельном диоде, на второй вход которой подаются стробирующие импульсы от генератора ГСИ, сдвигаемые по временной оси относительно исследуемого сигнала с помощью схемы СС. Уровень срабатывания схемы сравнения, работающей в режиме одновибратора, достигается в моменты прихода стробирующих импульсов вследствие суммирования на туннельном диоде тока контролируемого выходного сигнала ЦАП, стробирующего импульса и тока смещения, формируемого с помощью дополнительного ЦАП, управляемого выходным кодом устройства управления УУ.
Формируемый ток смещения соответствует установившемуся значению выходного сигнала контролируемого ЦАП. Каждую анализируемую точку переходного процесса стробируют п раз с частотой f 2 генератора Г. По мере приближения выходного тока контролируемого ЦАП к току смещения дополнительного ЦАП частота срабатывания f1 дискриминатора Д на туннельном диоде возрастает. Отношение частот f1/f2 анализируют устройством управления УУ. Если оно находится в допустимых пределах заданного значения, то стробирующий .импульс перемещают к началу переходного процесса и анализ следующих точек переходного процесса повторяют до момента, когда отношение частот f1/f2 превысит заданное (последнее определяется допустимым отклонением выходного тока контролируемого ЦАП от установившегося значения, а также характером шумовой помехи на туннельном диоде и видом зависимости частоты срабатывания схемы сравнения от тока смещения). После этого перемещение стробирующего импульса прекращают и измеряют временной отрезок между фронтами импульсов генератора и стробирующих импульсов ГСИ. Следует, однако, отметить, что вследствие большого уровня шумов, временной и температурной нестабильности параметров туннельного диода данная схема обеспечивает контроль ЦАП с разрядностью не более 8—9.
На рисунках 5 и 6 изображены схема и временные диаграммы работы измерителя времени установления ЦАП, который обеспечивает исследование выходного сигнала ЦАП более высокой разрядности. Это достигается в основном смешением выходного сигнала по амплитуде до совпадения его установившегося значения с нулевым уровнем. Тем самым обеспечивается работа дискриминатора уровня вблизи нулевого потенциала, что позволяет использовать дискриминаторы с высокой разрешающей способностью по амплитуде.
Устройство реализует также стробоскопический метод измерения. При определении tуст фактически решают две самостоятельные задачи:
1) выделение временного интервала, пропорционального длительности измеряемого времени установления;
2) преобразование выделенного интервала в форму, удобную для обработки.
Рисунок 5 - Схема автоматического измерителя времени установления ЦАП
Рисунок 6 - Временные диаграммы работы автоматического измерителя времени установления ЦАП
Принцип выделения временного интервала аналогичен рассмотренному. Установившееся значение переходного процесса контролируемого ЦАП совмещают с нулевым уровнем с помощью суммирующего усилителя СУ, ключа К и интегратора И.
В качестве устройств сравнения используются стробируемые компараторы напряжения KH1 и KH2, которые совместно со схемой ИЛИ, счетчиками импульсов Сч1 и Сч2, триггером Т1, схемой запрета СЗ и формирователем порогового напряжения ФПН перемещают стробирующий импульс по временной оси к началу переходного процесса. Триггер Т2 и преобразователь средних значений напряжения прямоугольных импульсов ПСЗ обеспечивают преобразование выделенного временного интервала tуст в пропорциональное напряжение постоянного тока.
Схема работает следующим образом. В исходном состоянии генератор Г заторможен и на одном из его выходов имеется напряжение, соответствующее логической «1» цифровых входов контролируемого ЦАП, а на другом — логическому «0». Многоканальный коммутатор позволяет сформировать произвольную комбинацию входного воздействия на цифровые входы, соответствующую любой точке характеристики контролируемого ЦАП, что обеспечивает контроль времени установления в любой точке характеристики ЦАП и при любых смежных кодовых комбинациях.
Так, например, если необходимо измерить время установления полной шкалы ЦАП, то его цифровые входы подключают к выходу генератора Г с напряжением, соответствующим логической «1».
Если требуется определить время установления ЦАП при включении, например, всех разрядов, кроме старшего, цифровой вход последнего подключают на все время измерения к шине, формирующей напряжение логического «0», входы остальных разрядов — к выходу генератора с напряжением логической «1».
Характеристики
Тип файла документ
Документы такого типа открываются такими программами, как Microsoft Office Word на компьютерах Windows, Apple Pages на компьютерах Mac, Open Office - бесплатная альтернатива на различных платформах, в том числе Linux. Наиболее простым и современным решением будут Google документы, так как открываются онлайн без скачивания прямо в браузере на любой платформе. Существуют российские качественные аналоги, например от Яндекса.
Будьте внимательны на мобильных устройствах, так как там используются упрощённый функционал даже в официальном приложении от Microsoft, поэтому для просмотра скачивайте PDF-версию. А если нужно редактировать файл, то используйте оригинальный файл.
Файлы такого типа обычно разбиты на страницы, а текст может быть форматированным (жирный, курсив, выбор шрифта, таблицы и т.п.), а также в него можно добавлять изображения. Формат идеально подходит для рефератов, докладов и РПЗ курсовых проектов, которые необходимо распечатать. Кстати перед печатью также сохраняйте файл в PDF, так как принтер может начудить со шрифтами.















