DIPLOM2 (663828), страница 6
Текст из файла (страница 6)
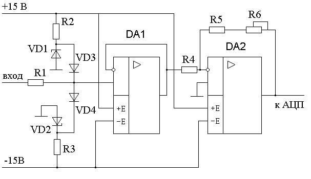
Рис.4.6 Двусторонний ограничитель уровня для защиты АЦП от
превышения уровня входного аналогового сигнала.
Стабилитроны VD1 и VD2 совместно с резисторами R1 и R2 для задания тока стабилизации образуют источники опорного напряжения. Диоды VD3 и VD4 используются для ограничения уровня аналогового сигнала.
В источниках напряжения, используемых для цепей защиты, будут используются два прецизионных стабилитрона марки 2С166В, с номинальным напряжением стабилизации 6,6 В. Этот кремниевый стабилитрон малой мощности предназначен для применения в качестве источника номинального опорного напряжения 6,6 В в цепях постоянного тока в диапазоне токов стабилизации 3...10 мА. Выпускается в стеклянном корпусе с гибкими выводами. Тип стабилитрона приводится на корпусе. Со стороны вывода, положительного для рабочего режима (анода) на корпусе наносится белая полоса. Масса стабилитрона не более 5 г. [8] Основные электрические параметры стабилитрона 2С166В приведены в табл. 4.2.
Табл. 4.2.
Основные электрические параметры стабилитронов 2С166В.
| Номинальное напряжение стабилизации*, В | 6,6 |
| Разброс напряжения стабилизации*, % | -5...0...5 |
| Температурный коэффициент напряжения стабилизации*, % на С | 0,0005% |
| Уход напряжения стабилизации*, мВ | -2...-0.5...+1,5 |
| Временная нестабильность*, мВ | 1,4 |
| Дифференциальное сопротивление при Т=25С*, Ом | 8...11...20 |
| Минимальный ток стабилизации, мА | 7,5 |
| Максимальный ток стабилизации, мА | 10 |
| Рассеиваемая мощность, мВт | 70 |
| Температура окружающей среды, С | -60...+125 |
* При токе стабилизации равном 7,5 мА.
Для обеспечения нормальной работы ограничителей напряжения, необходимо сигнал от датчика подавать через резистор. Номинал резистора должен быть таким, чтобы при срабатывании одного из ограничителей, ток через соответствующий стабилитрон не превышал установленного предела. Максимально возможный уровень сигнала, поступающий на схему при предельном повороте гантрии симулятора не превышает 9 В. Ограничение сигнала проводится на уровне 7,3 В. Значит падение напряжения на входном резисторе R3 не превысит 1,7 В. Выбрав номинал резистора R1 равным 5,1 кОм, максимальный ток ограничителя устанавливается на уровне 0,3 мА. Т.е. при срабатывании ограничителей, приращение тока через любой из стабилитронов не превысит 0,3 мА, что не выведет его из рабочего режима.
Определим номиналы резисторов R1 и R2, задающих ток через стабилитроны VD1, VD2. Т.к. стабилизированное напряжение 6,6 В будет получаться из 15 В, а номинальный ток стабилизации равный 7,5 мА, можно определить номиналы резисторов:
Выбрав ближайшее стандартное значение 1,1 кОм, и взяв резистор с допуском 5% ток стабилизации ограничиться в пределах 7,2...8,0 мА, что допустимо для выбранных стабилитронов.
Ограничение сигнала на уровне 7,3 В обеспечивается подключением сигнальной линии к источникам опорного напряжения через диоды VD3,VD4. Для этого используются германиевые диоды Д18, имеющие номинальное прямое падение напряжения 0,7 В. Выбор данных приборов обусловлен подходящим прямым падением напряжения, а также дешевизной и их малыми размерами. Максимальный постоянный прямой ток через диод равен 16 мА.
4.3 Преобразование аналогового сигнала
После устройств ограничения уровня входного сигнала необходимо этот сигнал уменьшить для того, чтобы он подходил под параметры АЦП. Это можно сделать несколькими способами. Самый простой и дешевый способ - использование резистивного делителя. Но это не очень хорошее решение: потребуется учитывать входное сопротивление АЦП, сопротивление, стоящее на входе (необходимое для ограничителей), а также параметры самого датчика. При этом схема потребует сложной настройки, и при изменении какого-либо параметра, произойдут нарушения в ее работе - изменения напряжений срабатывания ограничителей, уровня сигнала на входе АЦП. Приемлемым решением является использование операционного усилителя (ОУ) в качестве устройства преобразования напряжения сигнала для подачи на вход АЦП, а также в качестве буфера. Входные токи ОУ ничтожно малы, и поэтому ограничивающий резистор, стоящий на входе, не окажет влияния на уровень (напряжение) сигнала. Кроме того напряжение входного сигнала не будет зависеть от входного сопротивления АЦП. ОУ необходимо использовать в неинвертирующем режиме, для обеспечения максимального входного сопротивления. Но при таком включении нельзя добиться требуемого коэффициента усиления (<1). Поэтому после буферного неинвертирующего ОУ будет использоваться еще один ОУ, работающий в инвертирующем режиме с коэффициентом усиления <1. Применение для этой цели делителя вряд ли является приемлемым, т.к. при расчете делителя потребуется учитывать входное сопротивление АЦП. А это может привести к погрешности при изменении этого параметра.
Коэффициент усиления первого ОУ, работающего в неинвертирующем режиме и используемого в качестве буфера равен 1. Рассчитаем необходимый коэффициент усиления второго ОУ, работающего в инвертирующем режиме и используемого для уменьшения уровня сигнала. Т.к. сигнал, поступающий от датчика симметричен относительно земли, можно производить расчет, например, только для положительного его значения. Для этого разделим уровень, соответствующий полной шкале АЦП на максимальный уровень входного сигнала:
где K - необходимый коэффициент усиления; Uвх.АЦП - уровень сигнала, соответствующий полной шкале АЦП; Uвх.макс - максимальный уровень входного сигнала (соответствует 180 градусов поворота гантрии).
Таким образом необходимо уменьшить сигнал в 1,71 раза или, что эквивалентно, увеличить в 0,71 раза. Рассчитаем номиналы резисторов цепи обратной связи. Задавшись номиналом резистора R4=10 кОм (5 %) (см рис.4.6) и зная что коэффициент усиления должен быть равен -0,71 определим номинал резистора R5:
Но из-за неточности номиналов, а также отсутствия резисторов номиналом 7,1 кОм, необходимо предусмотреть возможность регулировки в некоторых пределах коэффициента усиления. Для этого номиналом R5 выбирается меньшее стандартное значение 6,2 кОм (5 %) , а последовательно с ним включается переменный резистор R6 сопротивлением 2 кОм. При этом обеспечивается необходимая регулировка коэффициента усиления для компенсации неточности номиналов резисторов R4 и R5. Так при их погрешностях изготовления резисторов, приводящих к максимальному коэффициенту усиления (R4 = 9500 Ом, R5 = 6510 Ом), с помощью уменьшения сопротивления R6 до 0, коэффициент усиления можно понизить до:
А при погрешностях, приводящих к минимальному усилению (R4 = 10500 Ом, R5 = 5890 Ом , коэффициент усиления можно повысить до:
Т.о. при любых допустимых отклонениях (5%), сопротивлений резисторов задающих коэффициент усиления, от номинальных значений, коэффициент усиления можно отрегулировать, и установить равным номинальному: -0,71.
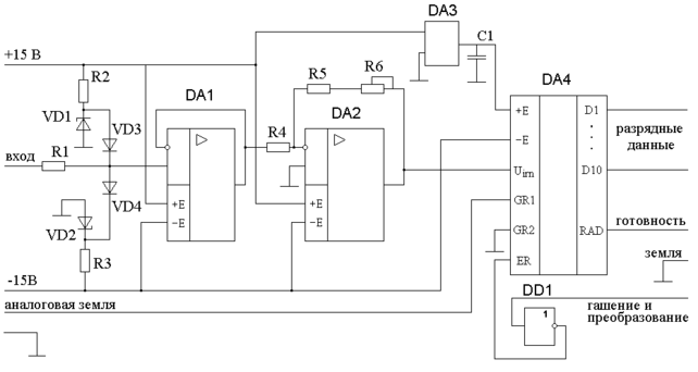
Схема преобразования входного сигнала, с цепями защиты представлена на рис. 4.7.
Рис. 4.7 Схема преобразования входного сигнала.
Как было сказано выше, резисторы задающие коэффициент усиления, а также входной резистор имеют допуски 5%, что вполне достаточно для обеспечения нормальной работы устройства.
Операционные усилители для устройства необходимо выбирать из соображений получения погрешностей, не выходящих за рамки допустимых. При использовании ОУ необходимо учитывать ряд ограничений и отличий идеального ОУ от реального которые могут в некоторых случаях привести к ощутимым погрешностям. [7] Определи предельные значения некоторых параметров ОУ, для использования в данном устройстве.
Напряжение сдвига. Благодаря входному напряжению сдвига, при нулевом напряжении на входе напряжение на выходе равно
. Максимальный коэффициент усиления, равный 1, имеет первый ОУ. Второй ОУ имеет коэффициент усиления 0,71. Если задаться максимальной погрешностью из-за напряжения сдвига равной 0,1 младшего разряда АЦП (т.е. 1 мВ), то очевидно требуется ОУ с максимальным напряжением сдвига не превышающем 1 мВ. Можно конечно применить ОУ и с большим напряжением сдвига, но тогда придется использовать схему регулировки смещения нуля, которая потребует настройки. Проще и эффективнее использовать ОУ с подходящим напряжением сдвига. В этом случае отпадает необходимость в настройке нуля. Кроме того, ОУ с низкими напряжениями сдвига как правило имеют и более низкий дрейф этого параметра.
Входной ток смещения. Если в инвертирующем усилителе один из входов заземлен, то даже при условии идеальной настройки (т.е. напряжение сдвига равно нулю), на выходе усилителя будет присутствовать отличное от нуля выходное напряжение. Это происходит из-за тока смещения, который создает падение напряжения на резисторах. Он порождает смещение выхода, определяемое как:
Для обеспечения погрешности за счет тока смещения, меньшей 1мВ необходим ОУ с током смещения:
Входной ток сдвига. Этот параметр обусловлен асимметрией входных токов ОУ. Но входной ток сдвига как правило меньше входного тока смещения в 10 - 20 раз, и в данном случае им можно пренебречь.
Скорость нарастания ОУ. Т.к. ОУ будут работать с низкочастотными сигналами, этот параметр не имеет в данном случае определяющего значения.
Выходной ток. В связи с тем, что выходной ток операционного усилителя ограничен, размах выходного напряжения на низкоомных нагрузках также ограничен, но это не приведет к появлению погрешностей, т.к. нагрузкой первого ОУ является второй ОУ с входным сопротивлением порядка 10 кОм, а нагрузкой второго ОУ является АЦП, входное сопротивление которого также составляет 10 кОм.
Коэффициент усиления при разомкнутой цепи обратной связи. Значение этого параметра нет необходимости учитывать, т.к. коэффициенты усиления
первого и второго ОУ равны соответственно 1 и 0,71, а частота обрабатываемого сигнала очень мала.
Исходя из вышеизложенных требований, следует вывод о необходимости применения прецизионного ОУ, т.к. только они могут обеспечить необходимые параметры (в основном - малое напряжение смещения). Существует довольно много ОУ, подходящих установленным критериям - отечественных и импортных. Но надо отметить, что нецелесообразно применять микросхемы с параметрами, намного превосходящие требуемые, т.к. это приведет лишь к неоправданным расходам.
Наиболее подходящим представляется ОУ К140УД25А. Это прецизионный усилитель со низким входным напряжением шума, внутренней частотной коррекцией и высоким коэффициентом усиления напряжения. [9] Особенностями данного ОУ являются: малое напряжение смещения, широкий диапазон напряжения питания, высокий коэффициент усиления (1млн.). Электрические параметры ОУ и предельные режимы эксплуатации приведены соответственно в таблицах 4.3 и 4.4.
Табл. 4.3
Электрические параметры ОУ К140УД25А.
(при Uп= 15 В, Rн = 2 кОм, Т = +25С)
| Параметр | не менее | не более |
| Максимальное выходное напряжение, В | 12 | - |
| Напряжение смещения, мкВ | - | 30 |
| Ток смещения (входной ток), нА | - | 40 |
| Ток сдвига (разность входных токов), нА | - | 25 |
| Ток потребления, мА | - | 4,7 |
| Коэффициент усиления напряжения, тыс. | 1000 | - |
| Макс. синфазное входное напряжение, В | 11 | - |
| Частота единичного усиления, МГц | 3 | - |
| Коэффициент ослабления синфазного сигнала, дБ | - | 114 |
Табл. 4.4.
Предельно допустимые значения параметров и режимов К140УД25А.
| Параметр | не менее | не более |
| Напряжение питания, В | 13,5 | 16,5 |
| Сопротивление нагрузки, кОм | 2 | - |
| Синфазное входное напряжение, В | - | 10 |
| Температура окружающей среды, С | -10 | +70 |
4.4 Защита АЦП
Использование микросхемы АЦП имеет некоторые особенности. Так сигналы на ее входы рекомендуется подавать в следующей последовательности: напряжения питания, сигналы на управляющие входы, входной аналоговый сигнал. Можно подавать вышеуказанные сигналы одновременно. [6] Т.к. во входной цепи используются ОУ, через которые проходит входной аналоговый сигнал, то проблема уже частично решена. Т.е. входной сигнал на АЦП поступит лишь после появления питания, т.к. для питания АЦП и ОУ используются одни и те же источники питания. Однако, необходимо еще защитить АЦП по входу "Гашение и преобразование". Для этого можно конечно использовать выключатель питания, с дополнительной группой контактов для разрыва этой линии цифрового входа управления. Но это не решает проблему, т.к. возможен выход АЦП из строя при отключении питающих напряжений, т.к. подача на его вход управляющего цифрового сигнала при этом не прекращается. Такая ситуация может возникнуть, например, если при работающем устройстве, происходит отключение питания симулятора, а на цифровой вход АЦП "Гашение и преобразование" поступает сигнал с ПК. Проблема решается подачей сигнала с ПК на вход АЦП "Гашение и преобразование" через логический вентиль НЕ (микросхема К1533ЛН1). [10] Выбор данной серии обусловлен ее пониженным энергопотреблением, что является существенным, т.к. при больших токах потребления на стабилизаторе напряжения К142ЕН5А будет выделяться большая мощность. Благодаря тому, что микросхема К1533ЛН1 питается от того же источника что и АЦП, при отключении этого источника произойдет и прекращение подачи цифрового сигнала на вход АЦП.
В результате, можно производить включение и выключение разработанного устройства независимо от включения симулятора и ПК.
4.5. Проектирование источника питания и устройства индикации
Согласно техническому заданию, питание проектируемого устройства необходимо осуществлять от источников питания симулятора напряжением 15 В. Для микросхем АЦП К1113ПВ1 и К1533ЛН1 требуется источник питания напряжением +5 В. Получение данного напряжения будет производится из напряжения +15 В. Для этого используется микросхема стабилизатора напряжения КР142ЕН5А, обеспечивающая выходное напряжение +50,1 В. Максимальное входное напряжение микросхемы составляет 15 В, максимальный выходной ток равен 2 А. [11]
На стабилизаторе напряжения КР142ЕН5А будет падать значительное напряжение равное 10 В. Поэтому необходимо проверить, не превышает ли рассеиваемая данной микросхемой мощность допустимую. Зная, что суммарный ток потребления АЦП и инвертора равен 10+4=14 мА, определим рассеиваемую мощность:
Это гораздо ниже максимально допустимой рассеиваемой мощности стабилизатора. С целью улучшения переходных процессов на выходе стабилизатора используется конденсатор емкостью 0,1 мкФ.
Для индикации включения питания в устройстве предусмотрен индикатор на светодиоде. В качестве светодиода используется прибор зеленого свечения АЛ336В. Определим номинал токозадающего резистора для светодиода. Можно было бы питать индикатор от +5В, но при этом возрастет рассеиваемая мощность на стабилизаторе напряжения. Поэтому питаться индикатор будет непосредственно от -15 В (выбор положительного источника обусловлен стремлением обеспечить равенство потребления тока от обоих источников питания. Т.к. падение напряжения на используемом светодиоде составляет 2,8 В, а номинальный ток потребления равен 10 мА, номинал резистора определяется как:
Выберем ближайшее значение равное 1200 Ом.
Мощность, выделяющаяся на данном резисторе определяется как:
Таким образом мощность резистора должна быть не менее 0,125 Вт. Однако, для обеспечения большей надежности, будет применяться резистор с рассеиваемой мощностью 0,25 Вт.
Окончательная электрическая принципиальная схема разработанного устройства сопряжения приведена на рис. 4.8. Перечень элементов к принципиальной схеме приведен в приложении 2.
Схема электрическая принципиальная представлена согласно
ВЛГУ. 466400.001.Э3.
Рис. 4.8. Принципиальная схема устройства сопряжения.
5. Разработка программного обеспечения
После преобразования аналогового сигнала в цифровую форму с помощью
АЦП возникает необходимость в программной обработке полученного цифрового сигнала.
Разрабатываемая программа служит для запуска и остановки программы захвата видеопоследовательности, которую та в свою очередь получает из изображения полученного симулятором. Далее, полученные видеоданные могут быть преобразованы в сведения о внутренней структуре сканируемого объекта (тела человека) с возможностью реконструкции в различных сечениях. Для получения этой возможности необходимо запустить и остановить программу захвата видеопоследовательности при достижении вращающейся гантрией симулятора определенных углов поворота. Это и должна осуществить разрабатываемая программа.
Исходя из этого можно сформулировать требования к программе. Программное обеспечение должно решать несколько задач:
1. Через определенные моменты времени производить считывание данных, выдаваемых аналого-цифровым преобразователем.
2. Преобразовывать эти данные (10 - разрядное двоичное число) в значение угла поворота гантрии симулятора.
4. В зависимости от угла поворота запускать, а затем останавливать программу, отвечающую за захват видеопоследовательности.
5. Допускать изменение углов начала и конца захвата.
6. Иметь возможность настройки под АЦП.
7. Допускать возможность начальной настройки схемы для полного использования динамического диапазона АЦП.
Обобщенная схема алгоритма программы представлена в приложении 1.
Главным требованием к программе является возможность работы в операционной системе Windows, т.к. именно под ней работает программа захвата видеопоследовательности. Кроме того, как будет показано ниже, только с помощью возможностей этой операционной системы можно достаточно просто осуществить запуск вышеуказанной программы.
Средой программирования была выбрана система Delphi3. Эта среда
использует язык Object Pascal. Достоинствами Delphi3, повлиявшими на выбор ее как среды программирования являются: тесная интеграция с программированием в среде Windows 95, подход, ориентированный на формы и объекты, сверхбыстрый компилятор и, собственно, сам язык программирования Object Pascal. [12]
5.1 Обмен данными с АЦП
Программа должна считывать данные, выработанные АЦП через определенные промежутки времени. Приемлемым способом обеспечения этого является опрос АЦП по таймеру. Взаимодействие с АЦП реализуется следующим образом. После приема программой сообщения от таймера, производится проверка готовности данных, получаемых от АЦП, путем проверки его сигнала "Готовность". Он поступает на пятый бит регистра состояния. Поэтому после считывания его значения происходит дальнейшая работа с АЦП лишь при равенстве этого бита единице. Необходимо отметить, что время преобразования АЦП намного меньше частоты его опроса, поэтому, при корректной работе АЦП, когда приходит сообщение от таймера, цикл преобразования АЦП должен быть закончен в любом случае. Поэтому, при обнаружении неготовности данных АЦП, выдается соответствующее диагностическое сообщение сигнализирующее о неисправности. При наличии готовности АЦП, программа производит считывание 8-ми старших разрядов кода из регистра данных и двух младших разрядов из регистра состояния параллельного порта.
Далее необходимо запустить АЦП на следующий цикл преобразования. Для этого программа устанавливает на втором бите регистра управления (он подключен ко входу АЦП "Гашение и преобразование") значение логической единицы путем записи во второй бит регистра управления нуля (т.к. этот бит является инверсным). Это действие вызывает гашение информации, содержащейся в регистре последовательного приближения АЦП, т.е. он становится готовым к приему и обработке данных. После необходимой задержки программа устанавливает этот бит в единицу, что приводит к появлению на линии "Гашение и преобразование" нуля, - АЦП начинает новый цикл преобразования.
Рассчитаем интервал опроса АЦП необходимый для обеспечения заданной точности. Так как гантри совершает полный оборот (360) градусов за 40 секунд, то время t необходимое для прохода 0,5 градуса вычисляется по формуле:
Из этого следует вывод о необходимости опроса АЦП через каждые 0,05с т.е. интервал таймера устанавливается равным 50 мс. Вообще, как было показано выше, выбранный 10-разрядный АЦП допускает точность до 0,35 градуса. Но, программно этой, и более высокой точности (при установленной скорости вращения гантрии) добиться не удастся, в связи с системным ограничением минимального интервала таймера, а также из-за задержек прибытия сообщений от таймера.
5.2 Преобразование полученных данных
После обмена данными с АЦП происходит преобразование считанных данных в одно целое число, характеризующее уровень сигнала на входе АЦП. Т.к. АЦП имеет 10 разрядов это число принимает значения от 0 до 1023. Вычисление его происходит по формуле:
где N - искомое число; data - двоичное 8-ми разрядное значение, полученное путем считывания 8-ми старших разрядов кода; data9 - значение девятого разряда кода; data10 - значение десятого разряда кода.
С целью максимальной гибкости программы, существует возможность ее настройки для возможности инверсной подачи сигнала на вход АЦП. При этом все в программе остается без изменений, кроме формулы вычисления N, которая изменяется следующим образом:
Фактически, в данном случае, инверсия подаваемого сигнала как бы компенсируется операцией инверсии выходного кода, а все остальное в программе работает так же, как если бы входной сигнал не инвертировался.
Затем необходимо преобразовать полученное число в значение угла поворота гантрии
. Этот угол преобразуется в угол
, удобный для сравнения с углами запуска и остановки программы захвата видеопоследовательности, которые также после их ввода преобразуются в удобный формат. Это действия осуществляются по следующим формулам.
где:
- определенное при настройке программы значение выходного кода, вырабатываемого АЦП, когда гантрия симулятора находится в положении 0 градусов;
- количество градусов в одном отсчете АЦП (этот параметр также определяется при настройке программы).
5.3 Запуск и остановка управляемой программы
Полученное по вышеприведенным формулам значение угла
сравнивается с заданными величинами запуска и остановки. Программа обеспечивает запуск сканирования при проходе установленного значения запуска в направлении установленного значения остановки. Например, если угол запуска равен 270 градусам, а угол остановки - 90 градусам, то стартовое сообщение управляемая программа примет при проходе гантрией угла 270 градусов в направлении 260 градусов; а сообщение об остановке будет сгенерировано при проходе угла 90 градусов в направлении к 80 градусам. В других случаях (другое направление вращения гантрии) ничего не произойдет. Для осуществления этих действий необходимо применение эффективного алгоритма, позволяющего производить все необходимые действия за кратчайшее время. Это нужно для сведения к минимуму времени захвата системных ресурсов разрабатываемой программой, с целью минимальных помех программе захватывающей видеопоследовательность.
Другая проблема заключалась в активизации и остановке программы захвата видеопоследовательности. Данная программа поставляется как программное обеспечение видеобластера, и, соответственно нет никакой возможности подогнать ее под разрабатываемую программу. Следовательно, необходимо подстраивать под нее разрабатываемую программу.
Программа захвата видеопоследовательности для запуска и остановки захвата выводит окно (см. рис. 5.1).
Рис.5.1. Диалоговое окно программы видеобластера.
В окне присутствуют две кнопки: "Ok" и "Cancel". При щелчке мышью на кнопке "Ok" происходит начало захвата видеопоследовательности, остановка захвата происходит при щелчке на кнопке "Cancel". Кроме того щелчок по кнопке "Ok" эквивалентен нажатию клавиши "Enter", а результат щелчка по кнопке "Cancel" соответствует результату при нажатии клавиши "Escape". Из этого следует вывод о единственно возможном решении поставленной задачи: необходимо каким-либо программным способом сэмулировать нажатие кнопок в окне или клавиш на клавиатуре. Кнопки в диалоговом окне возможно нажать лишь путем посылки им сообщений с помощью функции API Windows SendMessage. Эта функция имеет несколько следующие параметры: hWnd - дескриптор окна которому посылается сообщение; Msg - вид посылаемого сообщения, в данном случае он равен wm_KeyDown. [13] Однако применение этой функции представляет затруднения: необходимо определять дескриптор окна, которому посылается сообщение. Более простым и эффективным способом является эмуляция нажатия клавиш на клавиатуре. Единственным способом это сделать является использование слабо документированной функции Windows - keybd_event. Функция имеет четыре параметра: bVk - виртуальный код клавиши, bscan - скан код клавиши, dwFlags - значения, определяющие варианты использования функции, dwExtraInfo - дополнительные данные, ассоциированные с функцией. Эта функция непосредственно вызывается клавиатурным драйвером после нажатия на клавишу, при этом, а также при попытке применить данную функцию без параметров, она считывает необходимые ей данные из стека. При использовании функции в разрабатываемой программе ей передается единственный параметр - виртуальный код клавиши, а остальные параметры обнуляются. Виртуальный код клавиши устанавливается в значение vk_Return, при эмуляции нажатия на Enter, и vk_Escape, при эмуляции нажатия на Escape.
4.5 Настройка программы.
Известно, что любые элементы имеют разброс параметров. Поэтому, использование динамического диапазона АЦП может быть неполным или наоборот, может возникнуть перегрузка его аналогового входа. Для регулировки использования динамического диапазона АЦП служит резистор R6 (см. рис. 4.7). Меняя его сопротивление, можно менять максимальное напряжение на входе АЦП, и тем самым изменять коэффициент использования динамического диапазона преобразователя. Необходимость этого возникает при настройке изготовленной схемы. Обычным решением является установка гантрии симулятора в крайнее положение, (соответствующее максимально возможному входному аналоговому сигналу) и достижение напряжения полной шкалы на входе АЦП, путем изменения сопротивления регулировочного резистора с одновременным замером напряжения на входе АЦП. Однако зачем измерять напряжение, когда АЦП по сути уже сам его измерил. Поэтому настройка используемого динамического диапазона АЦП осуществляется анализом его выходного кода. Для этого запустив программу на выполнение необходимо выбрать в странице "Настройки" пункт "Диапазон АЦП" (см. рис. 5.2) и нажать кнопку настроить.
Рис. 5.2 Страница "Настройка" диалогового окна программы.
После этого гантри устанавливается в положение 190 градусов (действительно, нет никакой необходимости устанавливать ее в крайнее положение). На экране в это время отобразится коэффициент использования динамического диапазона АЦП в процентах AcpUsed, вычисление которого производится по формуле:
Далее, уменьшая сопротивление регулировочного резистора (изначально он должен находится в положении максимального сопротивления) надо добиться использования примерно 99 % диапазона АЦП. При уменьшении коэффициента использования возможностей АЦП, будет возрастать погрешность определения угла поворота гантрии. Однако, этот коэффициент, хоть он и запоминается программой (исключительно для информации), на процесс определения угла поворота гантрии не влияет, т.к. после настройки использования динамического диапазона, проводится настройка программы.
Для правильного функционирования программы необходимо настроить ее. Настройка осуществляется путем установки гантрии симулятора последовательно в два заданных положения, с считыванием и запоминанием кода, выдаваемого АЦП в этих положениях. Необходимость данной настройки определяется наличием напряжений сдвига у элементов схемы (операционных усилителей и аналого-цифрового преобразователя). Для уменьшения погрешностей, в качестве положений гантрии выбраны два угла: 170 и 190 градусов, хотя, в принципе это могли быть любые углы. Напрашивающиеся крайние положения в 180 градусов (при повороте гантрии в одну и затем в другую сторону) небыли выбраны исключительно для удобства настройки и исключения неоднозначности, которая могла бы привести к неправильной настройке. Настройка осуществляется следующим образом. Запустив программу, надо выбрать страницу блокнота "Настройки", затем опцию "170 градусов", и нажать кнопку "Настроить" (рис. 5.2). В это время программа начинает опрос АЦП по таймеру и постоянно отображает на экране код, вырабатываемый АЦП. Теперь необходимо установить гантрию симулятора в положение 170 градусов и нажать кнопку "Готово". Перед тем как сохранить настройку, программа попросит пользователя подтвердить выбор настройки. Выход из процесса настройки без сохранения настроек возможен и при нажатии на кнопку "Отмена". После подтверждения осуществленной настройки, программа сохраняет ее, в виде глобальной переменной. Аналогичным образом происходит процесс настройки в положении гантрии в 190 градусах.
Как было сказано, произведенные настройки сохраняются, в переменных программы. Собственно в переменных сохраняются значения кода, вырабатываемого АЦП, при углах поворота гантрии 170 и 190 градусов. Эти значения используются для вычисления действительного положения гантрии, выраженного непосредственно в градусах. Выше был показан способ определения положения гантрии, и в формулах фигурировали переменные
и
. Их значения определяются исходя из настроек следующим образом:
где:
- значение выходного кода, вырабатываемого АЦП, когда гантрия симулятора находится в положении 0 градусов;
- количество градусов в одном отсчете АЦП;
- код, выработанный АЦП, при положении гантрии 190 градусов.
- код, выработанный АЦП, при положении гантрии 170 градусов.
На странице "Дополнительно" окна программы, есть возможность дополнительных настроек (см. рис.5.3). Так программа допускает изменение интервала таймера и выбор адреса используемого параллельного порта. Возможность изменения интервала таймера позволяет, при необходимости, производить корректировку частоты опроса АЦП, для обеспечения нормального совместного функционирования данной программы и программного обеспечения видеобластера. Изменение адреса используемого параллельного порта позволяет подключать аппаратную часть устройства к любому параллельному порту (если на компьютере их несколько).
Рис. 5.3 Страница "Дополнительно" диалогового окна программы.
Необходимо отметить, что производить настройку программы необходимо после изменения настройки схемы на динамический диапазон АЦП. Данные о настройке программы, о использовании динамического диапазона АЦП, а также углы запуска и остановки программы захвата видеопоследовательности сохраняются в ini - файле.
5.6 Использование программы.
Программу обработки данных можно запускать как до, так и после включения устройства сопряжения. Перед первым использованием, а также после изменения используемого динамического диапазона АЦП (путем настройки аппаратной части) программа нуждается в настройке. Настройка производится при положениях гантрии 170 и 190 градусов (см. пункт "Настройка программы"). Необходимость в настройке может возникнуть и при утере файла настроек, хранящегося в каталоге Windows. Если файл с настройками отсутствует в данном каталоге, а также если настройки неверны (при загрузке файла происходит проверка их корректности) выдается предупреждающее сообщение, в котором оператору предлагается произвести настройку программы. Диалоговое окно программы на странице "Слежение" показано на рис. 5.3.
Рис. 5.3. Диалоговое окно программы на странице "Слежение".
После запуска страница блокнота Слежение является активной (см. рис. 5.3.). Она содержит два поля редактирования и две кнопки - "Старт " и "Стоп". Если программа настроена, то можно производить исследования. Моменты запуска и остановки программы захвата видеопоследовательности вводятся непосредственно в градусах в двух полях редактирования. После потери фокуса полем редактирования происходит проверка корректности введенного значения, в случае некорректного его ввода (например углы запуска и остановки равны) отображается соответствующее сообщение, и восстанавливается предыдущее значение. Запуск и остановка слежения за углом поворота гантрии производятся соответственно кнопками "Старт" и "Стоп". При активизации слежения (нажатие на кнопку "Старт"), происходит блокировка страницы настроек, для устранения возможности их изменения. Аналогично, и в процессе настройки невозможно выполнять слежение. В процессе слежения происходит непрерывное (по таймеру) считывание данных о положении гантрии симулятора и сравнение их с углами запуска и остановки захвата видеопоследовательности. При обнаружении превышения углом поворота гантри заданного угла начала захвата эмулируется нажатие на клавишу "Enter", а после прохода заданного угла конца захвата эмулируется нажатие на "Escape". В режиме сканирования в правой нижней части окна непрерывно отображается угол поворота гантри симулятора.
Необходимым условием правильного функционирования системы является наличие активного (!) диалогового окна программы захвата видеопоследовательности. Причем в фокусе должна находится кнопка, отвечающая за старт этой программы (это происходит автоматически при выводе окна). При выполнении данных условий сэмулированные нажатия на клавиши "Enter" и "Escape" приведут к запуску и остановке захвата видеопоследовательности при достижении гантри симулятора определенных (заданных) углов. Для обеспечения вышеуказанных событий необходимо после запуска слежения за углом поворота гантрии (нажатия на кнопку "Старт") произвести активизацию окна запуска и остановки программы захвата видеопоследовательности. Затем можно осуществлять рентгеноскопию объекта вращающимися источником и приемником рентгеновского излучения расположенными на противоположных концах гантри. Запись получаемого изображения начнется и закончится в заданные моменты, т.е. при заданных углах поворота гантри.
После окончания работы с программой, ее необходимо закрыть, при этом произойдет сохранение настроек, а также углов начала и конца записи изображения.
Как будет показано ниже, программу можно запускать и закрывать как до, так и после включения или выключения устройства. Однако можно порекомендовать сначала запускать программу, и лишь затем включать устройство, т.к. при запуске происходит инициализация порта с установкой в требуемые значения используемых разрядов.
Необходимо отметить, что разработанная программа имеет возможность правильно функционировать на компьютерах, параллельный порт которых может работать в двунаправленном режиме. Используя компьютер, у которого есть возможность работы параллельного порта в разных режимах, необходимо установить режим работы порта как EPP.
6. Конструкторский раздел
6.1. Расчет надежности
В общем случае при конструировании надежность оценивается показателями безотказности и долговечности. Нормируемыми показателями безотказности изделия являются вероятность безотказной работы, средняя наработка до первого отказа или наработка на отказ, параметр потока отказов или интенсивность отказов. Основные показатели долговечности - средний
(гамма - процентный) срок службы и средний (гамма - процентный) ресурс. При прогнозировании надежности изделия радиоэлектронных систем используют расчетные и экспериментально-статические методы. [14] Аналитические методы оценки надежности имеют ограниченные области применения в отношении различных групп изделий, компонентов, видов отказов.
Методы оценки показателей безотказности радиоэлектронных систем при внезапных отказах базируются на упрощенной логико-вероятностной модели независимых отказов компонентов и на наличии исходной справочной информации о - характеристиках комплектующих элементов. Такие методы наиболее применимы для оценки надежности изделий с типовой (унифицированной) базой.
При расчете показателей надежности принимаются следующие допущения : - элементы могут находиться в двух состояниях - работоспособности и неработоспособности;
- функция вероятности безотказной работы элементов подчиняется экспоненциальному закону.
Интенсивность отказов определяется по формуле :
где рэа - суммарная интенсивность отказов РЭА;
Кам - коэффициент, учитывающий наличие амортизации аппаратуры ( Кам = 0,85 при наличии амортизации, Кам = 1 без амортизации) ;
Кк обсл - коэффициент качества обслуживания аппаратуры ( Кк обсл = 1 для бытовой РЭА, Кк обсл = 0,5 для РЭА производственно-технического назначения );
эi - эксплуатационная интенсивность отказов i - го типа изделий ;
n - количество типов изделий в РЭА.
Расчетная модель эксплуатационной интенсивности отказов интегральных микросхем имеет вид :
= о Кэ Кпопр ,
Коэффициент, учитывающий условия эксплуатации для стационарной аппаратуры в лабораторных условиях равен 1, переносной аппаратуры - 1,7, подвижной - 1,5, применяемой на судах - 2. При эксплуатации интегральных микросхем в облегченных режимах, а также при условии проведения специальных мероприятий по облегчению надежности аппаратуры (проведения входного контроля, дополнительных отбраковочных испытаний плат, узлов, блоков и т. д.) рекомендуется для определения эксплуатационной интенсивности отказов дополнительно использовать поправочный коэффициент Кпопр, равный :
0,2 ... 0,4 - при эксплуатации микросхем в облегченных режимах ;
0,4 ... 0,7 - при проведении комплекса дополнительных мероприятий ;
0,1 ... 0,3 - при эксплуатации в облегченном режиме и проведении комплекса дополнительных мероприятий.
В случае отсутствия статических данных по о для ориентировочной оценки эксплуатационной интенсивности интегральных микросхем можно воспользоваться расчетной моделью :
э = осг Ксл Кэ ,
где осг - интенсивность отказов интегральных микросхем данной группы при нормальных условиях эксплуатации и номинальной электрической нагрузке; для аналоговых и цифровых полупроводниковых интегральных микросхем осг = 42 10-8 1/ч. Коэффициент учитывает степень интеграции и температуру кристалла (корпуса).
В проектируемом приборе используются компоненты со следующими интенсивностями отказов.
Микросхемы К140УД25, К1113ПВ1А имеют интенсивность отказов э = 0,00000042 1/ч
Значение интенсивности отказов полупроводниковых приборов в условиях эксплуатации расчитываются по следующим математическим моделям :
для диодов выпрямительных и импульсных
э = осг Кр Кф Кдн Кэ1 Кэ,
где Кф - коэффициент, учитывающий функциональное назначение прибора и зависит от группы изделия (диоды) и функционального режима работы
(линейный Кф = 1, выпрямительный Кф = 1,5 );
Кдн - коэффициент, зависящий от величины максимально допустимой по техническим условиям нагрузке по мощности рассеивания или среднему прямому току (для диодов выпрямительных и импульсных Кдн = 1);
Кэ1 - коэффициент, зависящий от величины отношения рабочего напряжения к напряжению максимально допустимому по техническим условиям ( Кэ1 = 0,75 ).
Математическая модель для расчета интенсивности отказов кнопок :
э = осг Кр Ккк Кэ,
где осг = 7 10-8 1/ч.
Коэффициент режима для коммутационных изделий зависит от температуры окружающей среды и от отношения рабочего тока к минимально допустимому току по техническим условиям ( Кр = 0,85 ).
Математическая модель для расчета значений эксплуатационной интенсивности отказов керамических конденсаторов следующая :
э = осг Кр Кс Кэ,
где Кр - для каждой группы конденсаторов зависит от температуры окружающей среды и отношения рабочего напряжения к номинальному напряжению;
коэффициент Кс определяется для соответствующей группы конденсаторов и зависит от величины номинальной емкости.
Математические модели для расчета значений эксплуатационной интенсивности отказов резисторов следующие :
для углеродистых интенсивность отказов
э = о Кр Кг Кэ,
где о - интенсивность отказов типа резистора, соответствующая номинальной электрической нагрузке и максимально допустимой по техническим условиям температуре окружающей среды.
Величина коэффициента Кэ зависит от группы аппаратуры. Величина коэффициента режима Кр определяется группой, к которой принадлежит данный резистор. температурой окружающей среды, отношением рабочей мощности к номинальной мощности Рн.
Коэффициент Кг зависит от группы резистора и величины номинального сопротивления :
при R 100 кОм , Кг = 0,5
при 1000 кОм R 1 МОм Кг = 2,7
при R 1 МОм Кг = 0,7
Для резисторов переменных непроволочных интенсивность отказов :
э = о Кр Кэ1 Кг Кэ.
Для оценки эксплуатационной интенсивности отказов трансформаторов применяется модель вида :
э = эсг Кт Кэ ,
где эсг - среднегрупповая интенсивность отказов трансформаторов в бытовой наземной стационарной аппаратуре в лабораторных условиях при температуре эксплуатации 20 градусов ( эсг = 0,0000017 1/ч ), Кт - коэффициент режима, являющийся функцией температуры окружающей среды ( при 20 градусах Кт = 11 ), Кэ - коэффициент, зависящий от условий эксплуатации.
Кроме этого, в расчетах необходимо учитывать интенсивность отказов проводов и паянных соединений :
для проводов соединительных э = 1,510-9 28 = 42 10-9 1/ч
для пайки печатного монтажа э = 110-8 80 = 80 10-8 1/ч
для пайки навесного монтажа э = 310-8 32 = 168 10-8 1/ч
Значение коэффициентов и интенсивности отказов радиоэлементов приведены в табл. 6.1.
Табл. 6.1.
Интенсивность отказа радиоэлементов.
| Наименование | Марка | Кол-во | Э10-6 1/ч | Эi10-6 1/ч |
| 1. Микросхемы | К140УД25А | 2 | 4,2 | 8,4 |
| К142ЕН5А | 1 | 4,2 | 4,2 | |
| К1113ПВ1А | 1 | 4,2 | 4,2 | |
| КР1533ЛН1 | 1 | 4,2 | 4,2 | |
| 2. Резисторы | МЛТ | 5 | 0,01 | 0,05 |
| СП-5 | 1 | 0,01 | 0,01 | |
| 3. Диоды | АЛ336В | 1 | 0,5 | 0,5 |
| Д18 | 1 | 0,5 | 0,5 | |
| 2С166В | 2 | 0,5 | 1 | |
| 4. Конденсаторы | КМ-5 | 1 | 0,8 | 0,8 |
| 5. Переключатель | П2К | 1 | 5,2 | 5,2 |
| 6. Пайка | 80 | 0,01 | 0,8 | |
| 7. Провода | ||||
Полная интенсивность определяется по формуле :
где Кам = 1, Кк.обсл = 1. Исходя из этого:
Средняя наработка до отказа :
Т = 1/ рэа 33489 ч.
6.2. Разработка конструкции
Конструкция разработанного устройства сопряжения, а также выбор используемых элементов и материалов обусловлен функциональными особенностями схемы и условиям эксплуатации устройства. Группа эксплуатации первая. Для данной группы диапазон рабочих температур находится в пределах от +5 до +40 градусов, влажность 80 %. Все используемые радиоэлементы имеют эксплутационные характеристики соответствующие указанному диапазону.
С экономической точки зрения целесообразно применять серию резисторов МЛТ, которые соответствуют условиям эксплуатации: предельное рабочее напряжение 250 В, температура окружающей среды от – 60 до +70 градусов Цельсия. В схеме используются резисторы МЛТ-0,125 и МЛТ-0,25.
В устройстве использован керамический конденсатор. Обусловлено это небольшими размерами и высокой надежностью керамических конденсаторов.
Для индикации работы устройства применяется арсенид – галлиевый светодиод зеленого свечения. Светодиоды данного типа имеют высокую яркость свечения, низкое рабочее напряжение, малую инерционность, большой срок службы, обладают высокой устойчивостью к механическим воздействиям.
В качестве включателя питания используется кнопочный переключатель П2К.
Устройство сопряжения выполняется на печатной плате, которая выполнена на основе стеклотекстолита. Стеклотекстолит по сравнению с также применяемым для этой цели гетинаксом обладает более высокой прочностью
при сжатии, а также теплостойкостью и минимальным водопоглощением. Несмотря на то, что гетинакс более дешев, целесообразнее использовать материл негигроскопичный и механически прочный. Поэтому печатную плату устройства предполагается выполнять на стеклотекстолите марки СФ-2-35-1,5.
Плата изготовляется фотохимическим методом. На первом этапе, после сверления отверстий, осуществляется их металлизация химико-гальваническим способом. Далее создается защитный рельеф с помощью трафаретной или фотопечати. И, после гальванического осаждения металлического слоя, устойчивого при травлении, осуществляется непосредственно травление. Метод обладает наивысшей точностью и разрешающей способностью, не требует сложного оборудования, позволяет осуществлять легкий переход от одной схемы к другой. Метод используется в серийном и опытном производстве двусторонних печатных плат. [15]
Пример разработки платы печатной представлен согласно ВлГУ.466400.001.
Корпус для устройства, состоящий из верхней и нижней крышек, предполагается выполнить литьем из пластмассы. Выбор данного материала обусловлен дешевизной пластмассовых корпусов, технологичностью изготовления, малым весом. А т.к. устройство отличается малыми размерами, применение пластмассы, позволяет достичь необходимой механической прочности. Для соединения двух крышек корпуса используются 4 винта М3, которые также осуществляют крепление платы в корпусе. Такое решение повышает технологичность производства и удешевляет конструкцию.
В верхней крышке корпуса находится отверстие для светодиода. На боковой поверхности крышки корпуса находится кнопка включения питания.
Внешний вид прибора представлен согласно ВлГУ.466400.001.ГЧ
7. Рекомендации по организации рабочего места врача топометриста
Разработанное устройство предполагается эксплуатировать совместно с рентгеновским симулятором SLS-9. При проведении исследований, врач будет работать с рентгеновским симулятором и персональным компьютером. Исходя из этого можно выделит следующие вредные факторы, возникающие при использовании устройства: воздействие ионизирующего излучения и факторы, обусловленные работой с персональным компьютером. Уровни воздействия рентгеновского излучения регламентируются документом НРБ - 96. [16] А при работе с персональным компьютером должны выполняться требования указанные в нормативном документе "Санитарные правила и нормы 2.2.2.542 - 96 Гигиенические требования к видеодисплейным терминалам, персональным электронно-вычислительным машинам и организации работы". [17]
Наиболее значимой опасностью является воздействие ионизирующего излучения. В соответствии с нормами НРБ-96 [13] , персонал, работающий с симулятором можно отнести к категории Б. К категории Б принадлежит персонал, т.е. лица, которые постоянно или временно работают с источниками ионизирующих излучений. В качестве основных дозовых пределов в зависимости от группы критических органов для категории А установлена предельно допустимая доза за год. Для групп критических органов 1,2 и 3 она составляет соответственно 5, 15 и 30 бэр за год.
Для защиты персонала от ионизирующих излучений предусмотрены специальные меры безопасности. Так, помещение для проведения исследований - процедурная сконструирована и оборудовано специальным образом. Пол в помещении покрыт специальным линолеумом, края которого подняты на высоту 20 см и тщательно заделаны. Стены для защиты от ионизирующих излучений покрыты барритом, специальным материалом в виде штукатурки. Двери в процедурную проложены листовым свинцом толщиной 1,5 мм. Смотровое окно из пультовой в процедурную сделано из просвинцованного стекла, толщиной 20 мм. Для контроля поглощенной дозы, каждый исследователь, работающей с рентгеновской аппаратурой имеет индивидуальный дозиметр. Вышеописанные, а также ряд других технических, санитарно-гигиенических и лечебно-профилактических мероприятий обеспечивают выполнение требований НРБ-96.
При проведении исследований взаимодействие врача топометриста с аппаратной частью комплекса будет заключаться лишь во включении устройства перед началом работы и в выключении его после ее окончания. Поэтому в основном врач работает с программной частью, используя персональный компьютер. В вышеуказанном нормативном документе определены следующие требования при работе с персональным компьютером. Требования к видеодисплейным терминалам и персональным электронно-вычислительным машинам, требования к помещениям, требования к микроклимату, содержанию аэроионов и вредных химических веществ в воздухе помещений, требования к шуму и вибрации, требования к освещению, требования к организации и оборудованию рабочих мест.
Используемый компьютер (включая ВДТ) имеет гигиенический сертификат, поэтому все требования и вредные факторы (напряженность электромагнитных и электростатических полей, поверхностный электростатический потенциал, визуальные параметры ВДТ) соответствуют нормативным документам.
Нормативные документы требуют чтобы в помещениях, в которых работа на ВДТ и ПЭВМ является вспомогательной (а именно такая работа и будет проводится врачом топометристом), уровни шума на рабочих местах не превышли значений, установленных для данных видов работ "Санитарными нормами допустимых уровней шума на рабочих местах" № 3223-85. Уровень вибрации не должен превышать допустимых значений согласно "Санитарным нормам вибрации рабочих мест" №3044-84.
Температура, относительная влажность и скорость движения воздуха на рабочем месте не должны соответствовать действующим санитарным нормам микроклимата производственных помещений № 4088-86.
Содержание вредных химических веществ в воздухе помещения не должно превышать "Предельно допустимых концентраций вредных веществ в воздухе рабочей зоны" № 4617-88.
Уровни положительных и отрицательных аэроионов в воздухе помещения с ВДТ и ПЭВМ должны соответствовать "Санитарно гигиеническим нормам допустимых уровней ионизации воздуха производственных и общественных помещений" № 2152-80.
ПЭВМ с которой предстоит работать врачу топометристу установлена в больничном помещении. Поэтому вышеперечисленные нормативные требования к микроклимату, содержанию аэроионов и вредных химических веществ, к шуму и вибрации, выполняются, т.к. требования к данной категории помещений гораздо выше.
Помещение, где предполагается работа врача топометриста с ПЭВМ имеет естественное и искусственное освещение, что соответствует требованиям СанПиН 2.2.2.542-96. Также выполнено требование и по площади и объему, приходящемуся на одно рабочее место - 6,0 кв.м. и 24,0 куб.м. соответственно (в помещении площадью размером 463 установлена одна ПЭВМ).
Искусственное освещение помещения осуществляется системой общего равномерного освещения с помощью люминесцентных ламп типа ЛБ. Нормы по освещению рабочего места выполнены при конструировании системы освещения Однако, для обеспечения нормируемых значений освещенности в помещении, следует проводить чистку стекол оконных рам и светильников не реже двух раз в год и проводить своевременную замену перегоревших ламп.
Согласно нормам, рабочие места с ВДТ и ПЭВМ по отношению к световым проемам должны располагаться так, чтобы естественный свет падал сбоку. Исходя из этого предлагается следующая схема расположения ПЭВМ в помещении представленная на рис.7.1.
Рис.7.1 Рекомендуемая схема установки ПЭВМ в помещении для
проведения исследований.
1 – симуляторная, 2 – лаборатория, 3 – оборудование, 4 – симулятор,
5 – пульт управления, 6 – рабочий стол, 7 – рабочий стул, 8 – монитор, 9 –
клавиатура.
Оконные проемы помещения необходимо снабдить устройствами регулирования света, типа жалюзи или занавеси.
Оборудование и организация рабочего места должно обеспечить соответствие конструкции всех элементов рабочего места и их взаимного расположения эргономическим требованиям с учетом характера выполняемой деятельности, комплексности технических средств, форм организации труда и основного рабочего положения пользователя. Конструкция рабочего стола должна обеспечивать оптимальное размещение на рабочей поверхности используемого оборудования с учетом его количества и конструктивных особенностей, характера выполняемой работы. При этом допускается использование рабочих столов различных конструкций отвечающих современным требованиям эргономики. Согласно нормативным требованиям, высоту рабочего стола предполагается установить равной 285 мм. Рабочий стол будет иметь пространство для ног высотой не менее 600 мм, шириной не менее 500 мм, глубиной на уровне колен - не менее 450 мм, и на уровне вытянутых ног не менее 650 мм.
Конструкция рабочего стула (кресла) должна обеспечивать поддержание рациональной рабочей позы при работе с ПЭВМ, позволять изменять позу с целью снижения статического напряжения мышц шейно-плечевой области и спины для предупреждения развития утомления. Рабочий стул (кресло) должен быть подъемно-поворотным и регулируемым по высоте и углам наклона спинки и сидения, а также расстоянию спинки от переднего края сиденья, при этом регулировка каждого параметра должна быть независимой, легко осуществляемой и иметь надежную фиксацию. Поверхность сиденья, спинки и других элементов стула (кресла) должна быть полумягкой, с нескользящим, неэлектризующимся и воздухопроницаемым покрытием, обеспечивающим легкую очистку от загрязнений. Конструкция его должна обеспечивать:
- поверхность сидения с закругленным передним краем;
- ширину и глубину поверхности сидения не менее 400 мм;
- регулировку высоты поверхности сидения в пределах 400-550 мм и углам наклона вперед до 15 град. и назад до 5 град.
- высоту опорной поверхности спинки 300 мм, ширину - не менее 380 мм и радиус кривизны горизонтальной плоскости в пределах 400 мм;
- угол наклона спинки в вертикальной плоскости в пределах 0 03 градусов;
- регулировку расстояния спинки от переднего края сиденья в пределах 260 -400 мм;
- стационарные или съемные подлокотники длиной не менее 250 мм и шириной - 50 -70 мм;
- регулировку подлокотников по высоте над сиденьем в пределах 230 30 мм и внутреннего расстояния между подлокотниками в пределах 350 - 500 мм.
Экран видеомонитора должен находится от глаз пользователя на оптимальном расстоянии 600-700 мм, но не ближе 500 мм с учетом размеров алфавитно-цифровых знаков и символов.
В помещении ежедневно должна проводится влажная уборка . Желательно также производить его проветривание, что обеспечивает улучшение качественного состава воздуха, в том числе и аэроионный режим. Помещение должно быть оснащено аптечкой первой помощи и углекислотными огнетушителями.
Продолжительность работы с ПЭВМ не должна превышать 6 часов в день. Для обеспечения оптимальной работоспособности и сохранения здоровья исследователя, на протяжении рабочей смены должны устанавливаться регламентированные перерывы, суммарное время которых для данной работы должно быть не менее 30 минут. Перерывы следует установить через 2 часа от начала рабочей смены и через 2 часа после обеденного перерыва продолжительностью 15 минут каждый. Во время регламентированных перерывов с целью снижения нервно-эмоционального напряжения, утомления зрительного анализатора, устранения влияния гиподинамии и гипокинезии, предотвращения развития утомления целесообразно выполнять комплексы специальных упражнений.
Согласно нормативным требованиям, к непосредственной работе с ВДТ и ПЭВМ допускаются лица, не имеющие противопоказаний. Они должны проходить периодические осмотры в порядке и в сроки, установленные Минздравмедпромом России и Госкомсанэпиднадзором России. Необходимо отметить что к выполнению любых видов работ с ВДТ и ПЭВМ не допускаются беременные и кормящие женщины.
Заключение.
В рамках данной дипломной работы была произведена разработка программно-аппаратного комплекса для мониторинга рентгеновского симулятора SLS-9. Это позволило осуществлять работу данного симулятора в режиме компьютерной томографии. С помощью программно-аппаратного комплекса, включающего в себя устройство сопряжения симулятора с персональным компьютером и программу, обслуживающую это устройство было осуществлено получение реконструируемого изображения, аналогичного компьютерной томограмме. Это позволяет использовать рентгеновский симулятор SLS-9 в качестве компьютерного томографа (томографы являются очень дорогостоящими приборами). Принцип работы системы следующий. Рентгеновское изображение, прошедшее через пациента, преобразуется в видеосигнал и непрерывно отображается на мониторе. Затем с помощью персонального компьютера и установленной на нем видео плате видеосигнал захватывается, и с определенными параметрами (такими как частота кадров) записывается в память. Благодаря непрерывному вращению источника и приемника излучения создается видеоряд изображений (рентгенограмм). Далее, путем применения специальных алгоритмов, происходит получение томограмм, аналогичные тем, которое получают с помощью обычных компьютерных томографов.
Разработанный комплекс отслеживает положение гантри симулятора, чтобы в определенный момент (по достижении гантри определенного угла) запустить и затем остановить запись видеоряда в память ЭВМ.
Устройство сопряжения построено на современной элементной базе. Оно осуществляет преобразование аналогового сигнала (от датчика поворота гантри) в цифровой, который затем через параллельный порт вводиться в ЭВМ. Оцифровка сигнала осуществляется с помощью функционально-завершенного аналого-цифрового преобразователя К1113ПВ1А. Подгонку аналогового сигнала под параметры аналого-цифрового преобразователя осуществляется с помощью двух прецизионных операционных усилителей К140УД25. Предусмотрены меры по защите дорогостоящей микросхемы аналого-цифрового преобразователя от превышения уровня входного аналогового сигнала, и от неодновременной подачи на нее входных сигналов. Питание устройства осуществляется от блока питания симулятора (используются напряжения 15 В).
Программная часть комплекса представляет собой программу, написанную в среде Delphi, и работающую под управлением операционной системы Windows-95. Программа получает данные от аналого-цифрового преобразователя и осуществляет управление его работой. Далее считанные данные преобразуются в значение угла поворота гантри. Программа опрашивает аналого-цифровой преобразователь примерно через каждые 50 мс. Одновременно через такой же интервал она сравнивает угол поворота гантри с заданными углами начала и конца записи видеосигнала. По достижении заданных углов происходит эмуляция нажатия на клавиши Enter или Escape, что соответственно запускает или останавливает программу захвата видеопоследовательности. Программа допускает настройку под аппаратную часть, а также задание произвольных углов начала и конца сканирования.
1>















