24798 (654473)
Текст из файла
КУРСОВОЙ ПРОЕКТ
Расчет и конструирование фундаментов.
Содержание
Введение
2. Фундаменты мелкого заложения на естественном основании
2.1 Анализ физико-механических свойств грунтов пятна застройки
2.2. Выбор глубины заложения подошвы фундамента
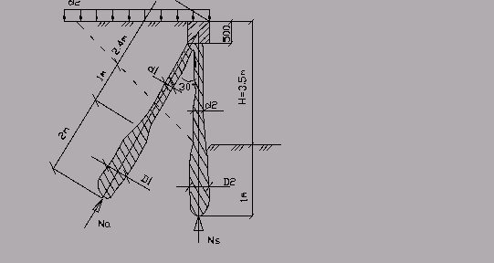
2.3. Выбор типа фундамента и определение его размеров
2.4. Вычисление вероятной осадки фундамента
3. Свайные фундаменты
3.1. Основные положения по расчету и проектированию свайных фундаментов
3.2. Расчет и конструирование свайных фундаментов
3.3. Расчет основания свайного фундамента по деформациям
3.4. Вычисление вероятной осадки свайного фундамента.
3.5. Устройство ограждающей стенки.
3.6. Последовательность выполнения работ на строительной площадке.
Введение
В данном курсовом проекте по дисциплине Механика грунтов, основания и фундаменты рассчитаны и запроектированы фундаменты мелкого заложения и свайные фундаменты. Приведены необходимые данные по инженерно-геологическим изысканиям, схемы сооружений и действующие нагрузки по расчетным сечениям. Расчет оснований и фундаментов произведен в соответствии с нормативными документами
СниП 2.02.01-83 Основания и фундаменты
СниП 2.02.03-85 Свайные фундаменты
СниП 2.03.01-84 Бетонные и железобетонные конструкции
2. Фундаменты мелкого заложения на естественном основании
2.1 Анализ физико-механических свойств грунтов пятна застройки
Исходные данные для каждого из пластов, вскрытых тремя скважинами:
Таблица 1
| Номер пласта | Мощность пласта по скважинам | Плотность частиц грунта s , т/м3 | Плотность грунта , т/м3 | Влаж-ность W,% | Пределы пластичности | Угол внутреннего трения | Удельное сцепление С , кПа | |||||||||
| 1 | 2 | 3 | Wl , % | Wp , % | ||||||||||||
| 1 | 5 | 6 | 4 | 2,67 | 2,10 | 8 | - | - | 40 | - | ||||||
| 2 | 4 | 5 | 6 | 2,68 | 2,03 | 22 | 25 | 15 | 27 | 13 | ||||||
| 3 | 13 | 12 | 12 | 2,65 | 2,08 | 17 | - | - | 29 | - | ||||||
Для каждого из пластов, вскрытого скважинами должны быть определены расчетные характеристики.
а) число пластичности: Jp=Wl-Wp ,
-
Для пласта 1 нет, т.к. песок
-
Для II пласта: Jp=Wl-Wp=25-15=10
-
Для III пласта: нет, т.к. песок
б) плотность сухого грунта:
Для I пласта:
т/м3
Для II пласта:
т/м3
Для III пласта:
т/м3
в) пористость и коэффициент пористости грунта:
,
Для I пласта:
,
Для II пласта:
,
Для III пласта:
,
г) показатель текучести для глинистых грунтов:
Для II пласта:
д) степень влажности грунта:
Где:
- пластичность грунта т/м3;
s - пластичность частиц грунта т/м3;
w - плотность воды, принимаем 1.0;
W - природная весовая влажность грунта, %;
Wl - влажность на границе текучести;
Wp - влажность на границе пластичности;
Для I пласта Для II пласта: Для III пласта: Полученные данные о свойствах грунтов вносим в Таблицу 2 ПОКАЗАТЕЛИ Значения показателей для слоев 1 2 3 Плотность частиц грунта s , т/м3 2.67 2,68 2,65 Плотность грунта , т/м3 2,1 2,03 2,08 Природная влажность W , % 8 22 17 Степень влажности Sr 0,55 0,97 0,92 Число пластичности Jp - 10 - Показатель текучести Jl - 0,7 - Коэффициент пористости е 0,39 0,61 0,49 Наименование грунта и его физическое состояние Песок гравелистый плотный Суглинок мягкопластичный Песок пылеватый плотный Угол внутреннего трения 40 27 29 Удельное сцепление С , кПа - 13 - - коэффициент зависящий от коэффициента Пуассона : Где e1 – начальный коэффициент пористости; cc – коэффициент сжимаемости; e1 – коэффициент пористости при P1=100 кПа e2 – коэффициент пористости при P2=200 кПа e3 – коэффициент пористости при P3=300 кПа 0,56-0,525 C 200 0,48-0,457 C 200 C 200 Минимальную глубины заложения подошвы фундамента предварительно назначают по конструктивным соображениям. Глубина заложения подошвы фундамента из условий возможного пучения грунтов при промерзании назначается в соответствии с табл.2 СНиП 2.02.01-83. Если пучение грунтов основания возможно, то глубина заложения фундаментов для наружных стен отапливаемых сооружений принимается не менее расчетной глубины промерзания df , определяемой по формуле: df=khdfn , где dfn – нормативная глубина промерзания kh - коэффициент влияния теплового режима здания Принимаем глубину заложения фундамента d=1,5м. Планировку выполняем подсыпкой грунта до отметки 209.000м и уплотнение его виброплащадкой до плотности =1,0т/м3. При расчете оснований по деформациям необходимо, чтобы среднее давление Р под подошвой центрально нагруженного фундамента не превышало расчетного сопротивления грунта R. Для внецентренно нагруженного фундамента предварительно проверяются три условия: PMAX1.2R ; P Расчетное сопротивление грунта основания R в кПа определяется по формуле: Где c1 и c2 - коэффициенты условий работы, принимаемые по табл.3 СНиП 2.02.01-83 или методическое пособие (прил14); K=1- коэффициент зависящий от прочностных характеристик грунта; M, Mq, Mc – коэффициенты принимаемые по табл.4 СНиП 2.02.01-83 или методическое пособие (прил.15); b - ширина подошвы фундамента, м; db – глубина подвала - расстояние от уровня планировки до пола подвала; d| - глубина заложения фундамента бесподвальных помещений KZ – коэффициент зависящий от прочностных характеристик грунта ( принимаем KZ=1 ); ’- осредненное расчетное значение удельного веса грунтов, залегающих выше подошвы фундамента; - то же для грунтов, залегающих ниже подошвы фундамента, кН/м3 ; c - расчетное значение удельного сцепления грунта, залегающего под подошвой фундамента, кПа. с1=1,4 с2=1,2; К=1; М=2,46; Мq=10,85; Mc=11,73; Kz=1 т.к. b<10м С||=0 кПа , т.к. песок. db=0 , т.к. нет подвала. d1=1.5 Удельный вес грунта - =g=10 =обр.зас=обр.зас.*10=18кН/м3; 1=2,1*10=21 кН/м3; 2=2,03*10=20,3 кН/м3; 3=20,8 кН/м3; Давление под подошвой фундамента: Г No, - расчетная нагрузка на уровне отреза фундамента, кН; Mo, - расчетный изгибающий момент, кНм; d - глубина заложения фундамента, м; m – осредненный удельный вес - 2022 кН/м3. A – площадь подошвы фундамента, м2 W – момент сопротивления площади подошвы фундамента в направлении действия момента, м3 Принимаем, что большая сторона фундамента равна a=1.1b, тогда А=1.1b*b=1.1b2 и Находим значения Pmax, 1.2R при b=1;1,5; 2; 3; 4; и строим график зависимости между b и Pmax,1.2R. Точка пересечения, дает нам искомую величину b. Pb=1.5max= 1.2Rb=1м=141,094*1+590,59кПа Условия соблюдаются при b=1,9; a=2,1; W=1,4; A=3,97 Pmax=378.423кН; < 1.2R=550кПа P=192.762кН; < R=458кПа Pmin=7,1кН; >0 Расчет осадки фундамента производится по формуле: S Где S – конечная осадка отдельного фундамента, определяемая расчетом; Su – предельная величина деформации основания фундамента зданий и сооружений, принимаемая по СниП 2.02.01-83; Определим осадку методом послойного суммирования. Расчет начинается с построения эпюр природного и дополнительного давлений. Ординаты эпюры природного давления грунта: n zg=ihi , i=1 где i – удельный вес грунта i-го слоя, Кн/м3; hi – толщина слоя грунта, м; =10 т/м3. Tак как в выделенной толще залегает горизонт подземных вод, то удельный вес грунта определяется с учетом гидростатического взвешивания: s=10s , s – плотность частиц грунта, т/м3; e – коэффициент пористости грунта; s – удельный вес частиц грунта, Кн/м3. sb|||=(26,7-10)(1-0,37)=10,521 Кн/м3 Ординаты эпюры природного давления откладываем влево от оси симметрии. Дополнительное вертикальное напряжение zр для любого сечения, расположенного на глубине z от подошвы фундамента, определяется по формуле: zр=P0 где - коэффициент, принимаемый по табл.1 СниП 2.02.01-83; P0 – Дополнительное вертикальное давление под подошвой фундамента определяется как разность между средним давлением по оси фундамента и вертикальным напряжением от собственного веса грунта на уровне подошвы фундамента: Давление непосредственно под подошвой фундамента: Расчет осадки отдельного фундамента на основании в виде упругого линейно деформируемого полупространства с условным ограничением величины сжимаемой зоны производится по формуле: где S – конечная осадка отдельного фундамента, см; hi – толщина i-го слоя грунта основания, см; Ei – модуль деформации i-го слоя грунта, кПа; - безразмерный коэффициент, равный 0.8; zpi – среднее значение дополнительного вертикального нормального напряжения в i-м слое грунта, равное полусумме напряжений на верхней Zi-1 и нижней Zi границах слоя, кПа. Условие соблюдается, т.к. S=4,8см Фундаменты из забивных свай рассчитываются в соответствии с требованиями СНиП 2.02.03-85 по двум предельным состояниям: - по предельному состоянию первой группы ( по несущей способности): по прочности – сваи и ростверки, по устойчивости – основания свайных фундаментов; - по предельному состоянию второй группы ( по деформациям ) – основания свайных фундаментов. Глубина заложения подошвы свайного ростверка назначается в зависимости от: наличия подвалов и подземных коммуникаций; геологических и гидрогеологических условий площадки строительства ( виды грунтов, их состояние, положение подземных вод и т. д. ); глубины заложения фундаментов прилегающих зданий и сооружений; возможности пучения грунтов при промерзании. Описание грунтов Мощность слоя, м Рыхлый насыпной грунт из мелкого песка с органическими примесями =1,3(0.9) т/м3, =12 3.0 Торф коричневый водонасыщенный, Jl=0.6,=(1,2)0.6 т/м3, =8 2,0 Слой суглинка Jl=0,3 =1,8(1,15) т/м3, Е=14000 кПа, =22, С=50 кПа 5,0 глина Jl=0,2 =2,1 т/м3, Е=20000 кПа, =20, С=100 кПа 14,0 Горизонт подземных вод от поверхности земли , м 1,5 В скобках указана плотность грунта во взвешанном состоянии. Мощность пласта в колонне изм-ся от кровли до его подошвы. Прежде всего необходимо выбрать тип сваи, назначить ее длину и размеры поперечного сечения. Длину сваи определяют как сумму L=L1+L2+L3. L1 – глубина заделки сваи в ростверк, которая принимается для свайных фундаментов с вертикальными нагрузками не менее 5 см. L2 – расстояние от подошвы плиты до кровли несущего слоя. L3 – заглубление в несущий слой. Принимаем железобетонные сваи, квадратного сечения размером 300х300 мм. L=0.15+7.3+1=8,45=9м. Несущая способность Fd ( в кН ) висячей сваи по грунту определяется как сумма сопротивления грунтов основания под нижним концом сваи и по боковой поверхности ее: Fd=c( crRA+Ucffili ), Где c –коэффициент условий работы сваи в грунте, принимаемый c=1.0. cr и cf - коэффициенты условий работы грунта соответственно под нижним концом и по боковой поверхности сваи ( табл. 3 СНиП 2.02.03-86 ); для свай, погруженных забивкой молотами, cr =1.0 и cf =1.0; А – площадь опирания на грунт сваи, в м2, принимаемый по площади поперечного сечения сваи; R – расчетное сопротивление грунта под нижним концом сваи, кПа; U – периметр поперечного сечения сваи, м; fi – расчетное сопротивление i-го слоя грунта основания по боковой поверхности сваи, кПа; li – толщина i-го слоя грунта, м. При определении fi пласты грунтов расчленяются на слои толщиной не более 2м. A=0.3*0.3=0.09 м. с=1; CR=1; сf=1; R=4825кПа U=0.3*4=1.2 м. № h z f 1 1,5 0,75 26,5 2 1,5 2,25 30 3 2,00 4 0 4 2,00 6 42 5 1,50 7,75 44 6 1,50 9,25 45 7 0,5 10,5 65 Fd=1( 148250,09+1,2(1,5*26,5+1,5*30+0+2*42+1,5*44+1,5*45+0,5*65))=835,95 кН Расчетная нагрузка Р, допускаемая на сваю, определяются из зависимости: где к – коэффициент надежности, принимаемый равным 1,4. Определим кол-во свай по формуле: где Проверка несущей способности сваи: N Для внецентренно нагруженого свайного фундамента необходима проверка нагрузки yi – расстояние от главной оси свайного поля до оси каждой сваи, м; Np, - расчетный вес ростверка, кН; n – количество свай в кусте. Определим отказ сваи, необходимый для контроля несущей способности сваи. - коэффициент, принимаемый равным 1500 кН/м2 ; А – площадь поперечного сечения сваи, м2 ; A=0.09 м2 ; Ed – расчетная энергия удара молота, кДж; Ed=32 кДж; m1 – полный вес молота, кН; m1=35,0 кН; m2 – вес сваи с наголовником, кН; m2=18.3 кН; m3 – вес подбабка, кН; m3=18 кН; - коэффициент восстановления энергии удара, 2=0,2; Ed=0,9GH, G – вес ударной части молота, кН; H - расчетная высота падения ударной части молота, м; При расчете осадки свайный фундамент рассматривается как условный массивный фундамент, в состав которого входят ростверк, сваи и грунт. h – длина сваи, м; Давление Р в кПа по подошве условного фундамента определяется с учетом веса условного массива: Где A1 – площадь подошвы условного фундамента, м2; Nd1 – суммарный вес условного массива и нагрузок, приложенных на уровне обреза ростверка, кН. Nd1=N0+G1+ G2+ G3 . Здесь N0 – нагрузка, приложенная на уровне обреза ростверка; G1 – вес ростверка; G2 – вес свай=4*(8,3*0,09)*25=75; G3 – вес грунта в объеме выделенного условного массива G3=13*3+6*2+11,5*5+21*1=129,5. Nd1=240+29+75+129,5=473,5 кН. Давление Р от расчетных нагрузок не должно превышать расчетного сопротивления грунта R, то есть необходимо соблюдение условий P Расчетное сопротивление грунтов R для свайных фундаментов будет представлено в следующей форме: с1=1,25; с2=1 ; К=1; М=0,51; Мq=3,06; Mc=5,66; Kz=1 т.к. b<10м С||=100 , т.к. грунт глина db=2 , глубина подвала – расстояние от уравня планировки до пола подвала (для сооружений с подвалом шириной В20м и глубиной более двух метров принимается db=2) . Удельный вес грунта - =g=10 1=1,3*10=13,0 кН/м3; 2=0,6*10=6кН/м3; 3=18 кН/м3; 4=21 кН/м3; P=169кПа Условия выполняются. Расчет осадки фундамента производится по формуле: S Где S – конечная осадка отдельного фундамента, определяемая расчетом; Su – предельная величина деформации основания фундамента зданий и сооружений, принимаемая по СниП 2.02.01-83; Определим осадку методом послойного суммирования. Расчет начинается с построения эпюр природного и дополнительного давлений. Ординаты эпюры природного давления грунта: n zg=ihi , i=1 где i – удельный вес грунта i-го слоя, Кн/м3; hi – толщина слоя грунта, м; =10 т/м3. по заданию для свайных фундаментов. Ординаты эпюры природного давления откладываем влево от оси симметрии. Дополнительное вертикальное напряжение zр для любого сечения, расположенного на глубине z от подошвы фундамента, определяется по формуле: zр=P0 где - коэффициент, принимаемый по табл.1 СниП 2.02.01-83; P0 – Дополнительное вертикальное давление под подошвой фундамента определяется : Давление непосредственно под подошвой фундамента: Расчет осадки отдельного фундамента на основании в виде упругого линейно деформируемого полупространства с условным ограничением величины сжимаемой зоны производится по формуле: где S – конечная осадка отдельного фундамента, см; hi – толщина i-го слоя грунта основания, см; Ei – модуль деформации i-го слоя грунта, кПа; - безразмерный коэффициент, равный 0.8; zpi – среднее значение дополнительного вертикального нормального напряжения в i-м слое грунта, равное полусумме напряжений на верхней Zi-1 и нижней Zi границах слоя, кПа. S=0,70см Расчет козловой системы в качестве ограждения котлована сводиться к определению давления грунта в состоянии покоя на глубине (Н+1м), т.е. примерно на 1м ниже уровня пола подвала (дно котлована): Это давление полностью воспринимается козловой системой из свай. При этом вертикальные сваи работают на сжатие, а наклонные, - анкерные, на выдергивание. Расчет устойчивости производиться на восприятие опрокидывающего момента на 1 погонный метр ограждения от бокового давления грунта в состоянии покоя и пригрузки на поверхности в 20кПа от веса механизмов(боковое давление от пригрузки – q=20кПа(1-sin). Опрокидывающий момент по глубине(Н+1) составит: Усилие в ряду вертикальных свай на 1 погонный метр ограждающей стены равно: Усилие на погонный метр ряда наклонных свай: 1
пески влажные (0,5
Пески насыщенные водой (Sr>0.8) Таблица
Определим модуль деформации:
кПа ,
кПа ,
кПа
с1= =0.000175 кПа
с2= =0.000115 кПа
с3= 0,349-0,327 =0.00011 кПа
2.2. Выбор глубины заложения подошвы фундамента
2.3. Выбор типа фундамента и определение его размеров
кПа
;
;
де: Р, Рmax, Pmin – соответственно среднее, максимальное и минимальное давление на грунт под подошвой фундамента
; m=21 кН/м3; d=1,5м.
к
Н;
принимая b=1,6м, считаем А, W, Pmax, Pmin, и проверяем условия.
2.4. Вычисление вероятной осадки фундамента
u ,
кПа
кПа
кПа
кПа
3. Свайные фундаменты
3.1. Основные положения по расчету и проектированию свайных фундаментов
3.2. Расчет и конструирование свайных фундаментов
кН;
,
кН; < P=597 кН
3.3. Расчет основания свайного фундамента по деформациям
,
кПа.
кН/м3;
кПа
кПа
Вычисление вероятной осадки свайного фундамента.
u ,
кПа
кПа
кПа
кПа
3.5. Устройство ограждающей стенки.
Что бы грунт между сваями не высыпался за счет арочного эффекта, расстояние между вертикальными сваями нужно принять по 0,6м. Анкерные сваи рассчитываем на трение по боковой поверхности:
cf – коэффициент надежности=1,6.
кН, т.к. стойки сваи расположены через 0,6м, то усилие на одну сваю
кН.
Несущая способность сваи будет
т.к. свая анкерная работает на растяжение, то дополнительно сваи армируют стержнем 10A III. Определим длину корня анкерной сваи исходя из того, что свая работает на трение по боковой поверхности: Fs=с*u**cf fi li
Принимаем длину корня ts=2,0м. Тогда несущая способность анкерной сваи: Fs=1.6*0.628*1*(36.5+38)=74кН > 53.6кН. т.к. свая работает на расстояние то её необходимо армировать стержнем, диаметр которого определили из условия:
Принимаем арматуру 14 А III с площадью сечения As=1.539 cм2.
3.6. Последовательность выполнения работ на строительной площадке.
В данном курсовом проекте рассматривается два фундамента:
столбчатый на естественном основании и ленточный свайный.
При проектировании столбчатого фундамента на естественном основании проанализировав физико-механические свойства грунтов и построив геолого-литологического разрез по линии 1-3 скважин определили, что после подготовительных работ таких как расчистка строительной площадки от мусора, деревьев и кустов, срезки и удаления растительного слоя производят планировку строительной площадки бульдозером с поворотным отвалом, до отметки 210.000м (от уровня моря). По контуру котлована выполняем приямки для сбора и удаления атмосферных осадков с помощью насосов. Последующий монтаж строительных конструкций таких как фундаменты, колонны, ограждающие конструкции, стропильные фермы и плиты покрытия выполняются бригадами монтажников с использованием монтажных кранов с телескопической стрелой на пневмоколесном ходу. Обратную подсыпку выполняют бульдозерами и последующую уплотнение грунта вибро-площадкой в частности в рассматриваемом варианте – песок плотности =1,0 т/м3.
По данным физико-механических свойств грунтов( вариант свайного фундамента). Мы сделали вывод, что верхние слои грунта не могут не смогут воспринимать нагрузку от тяжелой техники. Для монтажа конструкций рекомендуется выполнять строительство в зимний период времени, или если это невозможно то рекомендуется выполнить песчаную подсыпку, по ней ж/б плиты. Забивку свай выполняют с помощью трубчатого дизель-молота марки С-859. После проверки действительного отказа сваи выполняется ж/б ростверк по всем требованиям расчетов и последующее возведение кирпичных стен. Обратную подсыпку выполняют бульдозерами и последующую уплотнение грунта катками.
Характеристики
Тип файла документ
Документы такого типа открываются такими программами, как Microsoft Office Word на компьютерах Windows, Apple Pages на компьютерах Mac, Open Office - бесплатная альтернатива на различных платформах, в том числе Linux. Наиболее простым и современным решением будут Google документы, так как открываются онлайн без скачивания прямо в браузере на любой платформе. Существуют российские качественные аналоги, например от Яндекса.
Будьте внимательны на мобильных устройствах, так как там используются упрощённый функционал даже в официальном приложении от Microsoft, поэтому для просмотра скачивайте PDF-версию. А если нужно редактировать файл, то используйте оригинальный файл.
Файлы такого типа обычно разбиты на страницы, а текст может быть форматированным (жирный, курсив, выбор шрифта, таблицы и т.п.), а также в него можно добавлять изображения. Формат идеально подходит для рефератов, докладов и РПЗ курсовых проектов, которые необходимо распечатать. Кстати перед печатью также сохраняйте файл в PDF, так как принтер может начудить со шрифтами.
















