6365-1 (654280)
Текст из файла
Методы оперативного изучения геологического разреза нефтегазовых скважин
П.П. Муравьёв, С.Н. Сидорович
Отбор и оперативное изучение бурового шлама и керна – важная и неотъемлемая часть геолого-технологических исследований. Применяемый в настоящее время комплекс исследований каменного материала, включающий макро- и микроописание пород, карбонатометрию, люминесцентно-битуминологический анализ, а также определение плотности и пористости пород не всегда даёт полную геологическую характеристику разбуриваемого разреза скважин, особенно при исследовании сложнопостроенных карбонатных разрезов. Во ВНИИнефтепромгеофизике были проведены опытно-методические работы по оценке информативности новых методов исследования шлама и керна: электронного парамагнитного резонанса (ЭПР), термодесорбции и пиролиза (ТДП), и окислительно-восстановительного потенциала (ОВП) [5].
Метод электронного парамагнитного резонанса (ЭПР) основан на поглощении сверхвысокочастотной энергии переменного поля парамагнитным веществом, находящимся в сильном постоянном магнитном поле. Все горные породы, битумы и нефть в различной степени обладают парамагнетизмом. Форма ЭПР-спектра различна для каждого литотипа горных пород и нефтей отдельных пластов.
Как показали результаты проведённых опытно-методических работ, метод ЭПР позволяет решать следующие задачи: выделять опорные пласты в карбонатных разрезах и проводить корреляцию разрезов скважин по характеру ЭПР-спектра; идентифицировать литотипы пород; выделять нефтебитумосодержащие пласты в разрезе скважины; определять принадлежность нефти к пластовой или добавляемой в промывочную жидкость [3].
Выделение опорных пластов методом ЭПР основано на зависимости между величиной концентрации ионов двухвалентного марганца в карбонатных породах и условиями седиментогенеза. Присутствие ионов двухвалентного марганца в породе свидетельствует о наличии глубоководных фаций, образованных в условиях явного недостатка кислорода [2]. По концентрации Мn2+, измеренной методом ЭПР, можно судить об условиях осадконакопления, а по аномальным значениям этой концентрации выделять опорные пласты в разрезах скважин.
На рис.1 показан пример выделения опорных пластов методом ЭПР-спектроскопии по скв.83, 93, 99 Южно-Сергеевского месторождения (Башкортостан). Измерения проводились главным образом на пробах бурового шлама, которые отбирались в процессе бурения через 1 - 3 м проходки. Масса анализируемой навески составляла 0,2 г измельчённой породы. Время анализа - 5 мин. Всего по трём скважинам было проанализировано свыше 400 образцов. По аномально-высокой концентрации Мn2+ в разрезах скважин чётко выделяется аскинско-мендымский горизонт, причём наиболее высокие значения концентраций Мn2+ по всем скважинам отмечаются в кровле и подошве горизонта.
Рис.1. Выделение опорных пластов в разрезе методом ЭПР, Южно-Сергеевская площадь
Аномально-высокие концентрации Мn2+ в образцах горных пород аскинско-мендымского горизонта были выявлены и при исследовании разведочной скв.133 Иглинской площади (рис.2).
Рис.2. Решение геологических задач методами ЭПР и пиролиза, скв. 133, Иглинская площадь
Метод ЭПР-спектроскопии позволяет проводить литологическое расчленение вскрываемого разреза на основе идентификации спектральных характеристик горных пород различного литологического состава.
Нами установлено, что каждому литотипу пород данной площади присущ строго индивидуальный спектр. Имея базу данных ЭПР-спектров различных пород по исследуемой площади, можно, с использованием специальных программ, автоматизировать сложный и трудоёмкий процесс построения фактической литологической колонки по результатам анализа образцов керна и проб шлама в процессе бурения скважины.
Выделение нефтенасыщенных и битуминозных пластов в разрезе скважин методом ЭПР-спектроскопии основано на появлении на спектрограмме ванадия V4+ и свободных стабильных радикалов Rс. Экспериментальными исследованиями установлено, что парамагнетизм закономерно возрастает при увеличении содержания в нефти смолисто-асфальтеновых веществ [1].
Парамагнетизм нефтей даёт возможность выявлять в процессе бурения нефтенасыщенные породы путём анализа спиртобензольных или хлороформенных экстрактов из образцов горных пород, причём постоянство отношения V4+/Rс для отдельных залежей и пластов позволяет решать данную задачу даже в условиях добавок нефтепродуктов в буровой раствор. Как показали экспериментальные исследования, метод ЭПР-спектроскопии может использоваться и для оперативного определения открытой пористости (Кп) горных пород. Для этого исследуемый сухой образец горной породы насыщается парамагнитной жидкостью, после чего измеряется величина сигнала его парамагнетизма (Сп) и по эталонировочному графику определяется пористость образца.
Метод термодесорбции и пиролиза (ТДП) основан на программируемом разогреве образцов горной породы от 30 до 600°С. В интервале температур до 300°С происходит десорбция свободных углеводородов, входящих в состав попутных газов и нефтей (углеводороды метанового ряда, ароматические углеводороды и др.). В интервале температур 300 - 600 °С происходит собственно пиролиз, в результате которого происходит превращение органического вещества (ОВ) в газообразные углеводороды, преимущественно СН4.
Процесс десорбции УВ и пиролиза ОВ происходит в среде водорода , без доступа кислорода . Анализируемый образец горной породы (шлам или керн), отобранный в процессе бурения через 1 - 3 м проходки, тщательно отмывается от бурового раствора, с помощью фильтровальной бумаги удаляется видимая влага, истирается до фракции 0,5 - 0,25 мм и берется навеска величиной 100 мг. При высоком содержании УВ или ОВ в породе навеска может быть уменьшена до 50 мг.
Сигнал, регистрируемый пламенно-ионизационным детектором термодесорбера-пиролизера, характеризуется двумя пиками: пиком S, представляющим собой сумму двух сигналов Sо и S1, которые соответствуют свободным углеводородам – газу и нефти; пиком S2, соответствующим количеству углеводородов, образующихся при пиролизе ОВ (остаточного потенциала нефти). Фиксируется также значение максимальной температуры (Тmax ) пика S2, что служит оценочной шкалой для определения породы-источника. Установлены следующие значения Тmax [8] : Тmax < 430 °C – незрелая зона; 430 °C < Тmax 465 °C – газовая зона.
По результатам анализа рассчитывается показатель содержания углеводородов:
Рн = S/(S + S2).
Из этого следует, что нефтегазонасыщенному коллектору соответствуют высокие значения S, а нефтематеринским – высокие значения S2, поэтому значения Рн в интервалах развития коллекторов более высокие [6]. Величина общего углеводородного потенциала породы Р представляет собой сумму S и S2.
Метод ТДВ позволяет дифференцировать разрез на коллекторы и нефтематеринские породы, а также стратифицировать разрез по геохимическим признакам, когда использование метода литостратиграфии затруднено, либо невозможно [7]. Результаты исследований приведены на рис. 2, 3. Подробно результаты будут рассмотрены при комплексной интерпретации методов ЭПР, ТДП, ОВП.
Метод окислительно-восстановительного потенциала (ОВП) основан на способности химических элементов и соединений создавать окислительное или восстановительное состояние среды .
Обладая высокой восстановительной активностью, углеводороды нефтяного ряда характеризуются пониженными значениями потенциала Еh, что позволяет выявлять по этому принципу нефтенасыщенные породы-коллекторы [4].
При исследовании образцов горной породы производят измерения начальных (Ehнач) и конечных (Ehкон) значений ОВП и рассчитывается DEh = Ehкон – Ehнач.
Уменьшение величины Ehкон и изменение соотношения начальных и конечных значений Eh (Ehнач < Ehкон) указывает на вскрытие потенциального нефтенасыщенного пласта (см. рис.3).
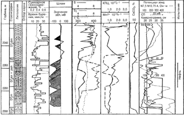
Рис.3. Решение геологических задач методами ЭПР, ТДП и ОВП, скв. 83, Южно-Сергеевская площадь
В процессе бурения скв.133 Иглинской площади методом ТДП были выявлены два интервала слабонефтенасыщенных коллекторов в турнейских отложениях и один интервал битуминозных горных пород доманикового возраста. Первый интервал (2118 - 2120 м) представлен известняками коричневато-серыми, кристаллическими, неравномерно-пористыми, с вкраплениями нефти. Интервал характеризуется повышенными значениями свободных углеводородов – S, низкими значениями остаточного потенциала S2 и высокими значениями показателя содержания углеводородов Рн (до 0,9).
Второй интервал (2156 – 2161 м) представлен известняками тёмно-серыми, кристаллическими, плотными, крепкими, доломитизированными, с включениями кальцита, участками слабопористыми, с запахом нефтяного газа. Этот интервал, как и предыдущий, характеризуется аналогичными геохимическими параметрами, высокими значениями S и Рн, низкими значениями S2 и Тmax.
Битуминозные породы выделены в интервале 2400 – 2432 м. Они представлены чередованием известняков от тёмно-серых до чёрных, глинистых, битуминизированных, с аргиллитами тёмно-серыми до чёрного, сланцеватыми, битуминозными. Интервал характеризуется повышенными значениями свободных углеводородов S и остаточного потенциала нефти S2. Показатель содержания углеводородов Рн характеризуется средними значениями (0,5 – 0.6). Температура пиролиза Тmax невысока, что свидетельствует о потенциальном наличии породы – источника нефти.
Интервалы, выделенные в процессе бурения методом ТДП, достаточно чётко выделяются методом ЭПР. Интервалы характеризуются возрастанием количества парамагнитных центров (КПЦ) в несколько раз относительно фоновых значений. На рис. 2 видно, что при прохождении доманиковых отложений, характеризующихся повышенной битуминозностью известняков, количество парамагнитных центров (КПЦ) возрастает в 8 – 12 раз. Аналогичной положительной аномалией парамагнетизма выделяются карбонатные битуминозные доманиковые отложения и по скв. 83 Южно-Сергеевской площади (интервал 2224 – 2250 м, см. рис.3). Интервал представлен известняками тёмно-серыми до чёрного, глинистыми, битуминизированными, с прослоями аргиллита тёмно-серого, сланцеватого, битуминозного. Интервал также чётко был выделен методами ТДП и ОВП. В разрезе этой же скважины по комплексу методов ЭПР-спектроскопии, термодесорбции и пиролиза ТДП и ОВП выделен нефтенасыщенный пласт в песчаниках кыновско-пашийского горизонта.
Опробование методов ЭПР, ТДП и ОВП проводилось на разведочных площадях Башкортостана, Прикаспия, Туркмении и показало их достаточно высокую эффективность, особенно при исследовании карбонатных коллекторов сложного строения.
Комплекс предлагаемых методов позволяет:
установить наличие и количество органических веществ в горной породе;
оценить степень зрелости ОВ;
выявить наличие и определить количество свободных углеводородов;
определять тип нефтенакопления: материнская порода или коллектор и характер насыщения пласта-коллектора;
проводить корреляцию разрезов скважин;
получать информацию об изменениях геохимических фаций;
локализовать интервалы коллекторов и нефтематеринских пород;
выделять опорные пласты в карбонатных разрезах;
осуществлять литологическое расчленение разреза;
определять пористость горных пород;
осуществлять выбор интервалов проведения более детальных работ;
корректировать интервалы отбора керна и испытания пластов.
Важным преимуществом методов ЭПР, ТДП и ОВП, по сравнению с применяемыми, является то, что они являются инструментальными методами. Это позволяет повысить достоверность получаемой информации и проводить её обработку по разработанным программам с использованием компьютера, то есть появляется возможность автоматизировать и компьютеризировать процесс проведения анализов и интерпретации их результатов с выдачей геологической информации в любом, удобном для дальнейшего использования виде.
Список литературы
Арбузов В.М., Жувагин И.Г. «Применение элементного анализа и ЭПР-спектроскопии добываемых нефтей для контроля за разработкой месторождений», Нефтяное хозяйство, 1985, № 5, с. 56-59.
Барташевич О.В. «Нефтегазопоисковая битуминология», М.:Недра, 1984, 244 с.
Характеристики
Тип файла документ
Документы такого типа открываются такими программами, как Microsoft Office Word на компьютерах Windows, Apple Pages на компьютерах Mac, Open Office - бесплатная альтернатива на различных платформах, в том числе Linux. Наиболее простым и современным решением будут Google документы, так как открываются онлайн без скачивания прямо в браузере на любой платформе. Существуют российские качественные аналоги, например от Яндекса.
Будьте внимательны на мобильных устройствах, так как там используются упрощённый функционал даже в официальном приложении от Microsoft, поэтому для просмотра скачивайте PDF-версию. А если нужно редактировать файл, то используйте оригинальный файл.
Файлы такого типа обычно разбиты на страницы, а текст может быть форматированным (жирный, курсив, выбор шрифта, таблицы и т.п.), а также в него можно добавлять изображения. Формат идеально подходит для рефератов, докладов и РПЗ курсовых проектов, которые необходимо распечатать. Кстати перед печатью также сохраняйте файл в PDF, так как принтер может начудить со шрифтами.















