12360 (647537), страница 4
Текст из файла (страница 4)
Рис. 3 Весовой кулонометр.
1 – пористый сосуд. 2 – катод.
3 – анод.
В медном кулонометре катод и анод изготавливают из меди. Раствор содержит 50 г/л серной кислоты (уд. в. 1,84), 150 г/л медного купороса и 50 г/л сахара. Сахар необходим для предотвращения реакции, происходящей в электролите:
Сu+ Cu2+ +Cu
Процесс ведут при плотности тока в электродах 0,002 – 0,02 А/см2. Медный кулонометр не обеспечивает высокой точности (ошибка ~0,2 процента), так как в электродах образуются ионы Cu+ и на катоде восстанавливается кислород, попадающий в раствор из воздуха.
В ртутном кулонометре анодом служит ртуть, катодом – графит, электролитом – раствор, содержащий 225 г/л йодистой ртути и750 г/л йодистого калия. При электролизе металл анода окисляется и переходит в раствор в виде ионов Hg2+. На катоде происходит их восстановление и накапливается металлическая ртуть, которая стекает в градуированную (в кулонах) трубку. Ртутный кулонометр дает большую ошибку (около 1 процента), но удобен при измерении больших количеств вещества и позволяет работать с большими плотностями тока (I < 0.1 А/см2).
В газовом кулонометре электродами служат никелевые пластинки. Электровводы, проходящие через стеклянную стенку кулонометра внутрь ячейки, делают из молибденовой проволоки, которая хорошо впаивается в стекло. Электролитом служит 15-процентный раствор сернокислого натрия или 20-процентный раствор едкого натра. Электролиз ведут при катодной плотности тока не выше 0,04 А/см2. Количество электричества рассчитывают по объёму водорода и кислорода в эвдиометре. Подставив значение g из уравнения Менделеева – Клапейрона в уравнение
g=N*э = (э*I*t)/F, получим
Q = I*t = (g*F)/э = (P*v*M)/R*T * (F/э) * 2/3 =
= 2.064074*(P –PH2O)*v/T (k)
В этом уравнении расчет ведется на водород. Поэтому в уравнении введен коэффициент 2/3, так как водород составляет 2/3 от объёма газовой смеси.
По количеству электричества, пошедшего через кулонометр (Qk), включенного последовательно в цепь с электролизёром, можно определить выход по току (), если известно количество вещества (g), выделившегося на катоде или аноде электролизера. Для этого из уравнения g=N*э = (э*I*t)/F рассчитывают количество электричества, пошедшего на данную электродную реакцию (Qэ).
Qэ = g*F/э.
И далее находят выход по току в процентах:
= Qэ / Qk*100
С помощью кулонометра по количеству электричества, которое необходимо для полного выделения вещества, для электродной реакции
Ох + neRed
или
Red - neOx,
Можно определить концентрацию этого вещества в растворе (если известна n) или величину n (если известна концентрация).
При проведении кулонометрического анализа побочные электродные реакции в электролизёре, снижающие выход по току, должны быть исключены.
Так как окислительно-восстановительные потенциалы для большинства веществ известны, то побочных реакций можно избежать, если процесс вести при строго определенном потенциале, при котором другие вещества ещё не выделяются. Непременным условием аналитического определения является обнаружение конца реакции. Если реакция ведется при постоянном потенциале, то на её завершение указывает падение силы тока в цепи до нуля.
А Б
рис. 4 Графики зависимости силы тока и потенциала от времени:
а – изменение силы тока при постоянном потенциале.
б – изменение потенциала при постоянной силе тока.
Однако для достижения полного выделения вещества требуется много времени, так как сила тока во времени уменьшается плавно (рис. 4-а).
При постоянной силе тока на завершение реакции указывает резкое изменение потенциала, например при анодном растворении цинкового покрытия с железного изделия (рис. 4-б).
9. Кулонометрический анализ при постоянном потенциале.
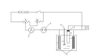
Схема электрической цепи для кулонометрического анализа при постоянном потенциале приведена на рисунке 5. Для поддержания потенциала электрода необходимо чтобы сила тока проходящего через сопротивление r1и r2 была в 10 – 100 раз больше, чем в боковой цепи. Этого можно достигнуть, если сопротивление r1 будет в 10 – 100 раз меньше суммарного сопротивления в боковой цепи, что устанавливается в каждом случае опытным путем.
В качестве источника постоянного тока можно взять батарею аккумуляторов на 12 в или селеновые выпрямители, чтобы ёмкость источника тока была большой. Зарядный потенциал поддерживается с помощью сопротивлений R1 и R2 и контролируется потенциометром. Лучше пользоваться показывающим потенциометром ЛПУ – 01. Можно пользоваться также и другими потенциометрами с высокоомным входом. Электродом сравнения может служить насыщенный каломельный электрод калом = 0,243 в. В тех случаях, когда перенос продуктов анодной реакции на катод или продуктов катодной реакции на анод снижает выход по току и недопустим, электрод, по которому не ведут расчет, помещают в пористый сосуд или стеклянную трубку, со стеклянным фильтром, заполненным растворами сернокислого натрия, азотнокислого калия или серной кислоты.
Влияние кислорода по катодному току исключают барбатированием водорода, азота или инертного газа. Мешалка необходима для выравнивания концентрации вещества в полном объеме. Тип кулонометра, включаемого в измерительную цепь, определяется допустимой погрешностью измерений.
рис. 5 Схема электрической цепи для кулонометрического анализа при постоянном потенциале.
П – потенциометр
1 – электрод сравнения 5 - миллиамперметр
2 – мешалка R1 и R2 – переменные
3 – электроды сопротивления
4 - кулонометр
Работа сводится к наложению на электрод потенциала (при котором возможна лишь одна реакция), к его поддержанию на заданном уровне, к установлению конца реакции и к определению количества протекшего электричества. Так как для достижения 100-процентного выделения вещества из раствора требуется много времени, то электролиз прекращают, когда сила тока уменьшится в 100 – 500 раз. Процесс заканчивается тем быстрее, чем больше площадь электрода, на котором происходит разряд вещества, и чем меньше объём электролита.
Катодное восстановление веществ с аналитической целью часто проводят на ртути. В этом случае перенапряжение водорода так высоко, что оно не мешает определению.
10. Заключение.
Теоретическое значение открытых закономерностей было очень велико. Они подтвердили атомистическую природу электричества. Законы, установленные Фарадеем, дали возможность применять процессы электролиза па практике и позволили делать количественные расчеты. Оказалось, что законы Фарадея в полной мере применимы к электродным процессам, происходящим в гальванических элементах при их работе.













