PZ45 (642505)
Текст из файла
Практическое задание №4,5
Выбор и расчет средств по пылегазоочистке воздуха
Вариант №16
1. Подобрать циклон, обеспечивающий степень эффективности очистки газа от пыли не менее = 0.87
Циклоны предназначены для сухой очистки газов от пыли со средним размером частиц 10…20 мкм. Все практические задачи по очистке газов от пыли с успехом решаются циклонами НИИОГАЗа: цилиндрическим серии ЦН и коническим серии СК. Избыточное давление газов, поступающих в циклон, не должно превышать 2500 Па. Температура газов во избежание конденсации паров жидкости выбирается на 30…500С выше температуры точки росы, а по условиям прочности конструкции – не выше 4000С. Производительность циклона зависит от его диаметра, увеличиваясь с ростом последнего. Цилиндрические циклоны серии ЦН предназначены для улавливания сухой пыли аспирационных систем. Их рекомендуется использовать для предварительной очистки газов при начальной запыленности до 400 г/м3 и устанавливать перед фильтрами и электрофильтрами.
Конические циклоны серии СК, предназначенные для очистки газов от сажи, обладают повышенной эффективностью по сравнению с циклонами типа ЦН за счет большего гидравлического сопротивления. Входная концентрация сажи не должна превышать 50 г/м3.
Исходные данные:
количество очищаемого газа - Q = 1.4 м3/с;
плотность газа при рабочих условиях - = 0,89 кг/м3;
вязкость газа - = 22,210-6 Нс/м2;
плотность частиц пыли - П = 1750 кг/м3;
плотность пыли – dП = 25 мкм;
дисперсность пыли - lgп = 0,6;
входная концентрация пыли – Свх = 80 г/м3.
Расчет: Задаёмся типом циклона и определяем оптимальную скорость газа опт, в сечении циклона диаметром Д:
Выберем циклон ЦН-15, оптимальная скорость газа, в котором опт = 3,5 м/с.
Определяем диаметр циклона, м
Ближайшим стандартным сечением является сечение в 700 мм.
По выбранному диаметру находим действительную скорость газа в циклоне, м/с
где n – число циклонов.
Вычисляем коэффициент гидравлического сопротивления одиночного циклона:
где К1 – поправочный коэффициент на диаметр циклона;
К2 - поправочный коэффициент на запыленность газа;
500 – коэффициент гидравлического сопротивления одиночного циклона диаметром 500 мм.
Определяем гидравлическое сопротивление циклона:
По таблице 2.4 определяем значение параметров пыли
и lg:
Для выбранного типа циклона -
=4.5 мкм lg=0.352
Ввиду того, что значения
, приведенные в таблице 2.4, определены по условиям работы типового циклона (Дт = 0,6 м; пт = 1930 кг/м3; т = 22,210-6; т = 3,5 м/с), необходимо учесть влияние отклонений условий работы от типовых на величину d50:
Рассчитываем параметр x:
по табл. 2.5 находим значение параметра Ф(x):
Ф(x)=0.8413
Определяем степень эффективности очистки газа в циклоне:
Расчетное значение = 0,92 больше необходимого условия = 0,87, таким образом циклон выбран верно.
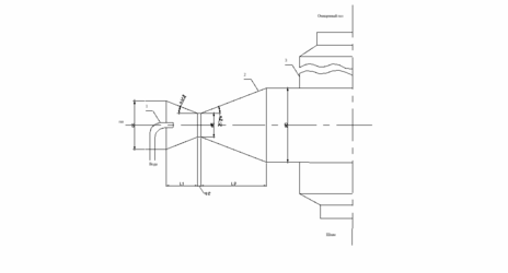
Р
ис. 4.1 Цилиндрический циклон
1 – корпус
2 – входная труба
3 – патрубок
4 – буннер
2. Рассчитать эффективность применения скруббера Вентури для очистки от пыли производственных выбросов.
Скрубберы Вентури нашли наибольшее применение среди аппаратов мокрой очистки газов с осаждением частиц пыли на поверхности капель жидкости. Они обеспечивают эффективность очистки 0.96…0.98 на пылях со средним размером частиц 1…2 мкм при начальной концентрации пыли до 100 г/м3 . Удельный расход воды на орошение при этом составляет 0.4…0.6 л/м3 .
Исходные данные:
Загрязнитель – конвекторная пыль В = 9,88 10-2; n = 0,4663
Плотность газа в горловине г = 0,9 кг/м3
Скорость газа в горловине Wг = 135 м/с
Массовый расход газа Мг = 0,9 кг/с
Массовый расход орошающей жидкости Мж = 0,865 кг/с
Удельный расход жидкости m = 1,5 л/м3
Давление жидкости ж = 300 кПа
Плотность жидкости ж = 1000 кг/м3
Коэффициент гидравлического сопротивления сухой трубы -
=0.15
Требуемая эффективность очистки от пыли не менее 0.9
Расчет:
Определяем гидравлическое сопротивление сухой трубы Вентури,
Рассчитываем гидравлическое сопротивление, обусловленное введением орошающей жидкости,
Н/ м2 , где
ж – коэффициент гидравлического сопротивления трубы, обусловленный вводом жидкости
Находим гидравлическое сопротивление трубы Вентури, Н/ м2
Находим суммарную энергию сопротивления Кт, Па
г
де Vж и Vг – объемные расходы жидкости и газа соответственно, м3/с
Vж = Мж/ж = 0,865/1000 = 8,65 10-4 м3/с
Vг = Мг/г = 0,9/0,9 = 1 м3/с
Кт = 10662855 + 300103(8,6510-4/1) = 10663114 Па
Определяем эффективность скруббера Вентури
Э
ффективность скруббера Вентури, полученная в результате расчетов (величина
), удовлетворяет заданному условию, т.е. обеспечивает очистку газов от пыли с эффективностью не менее 0.9.
Рис. 2.1 Скруббер Вентури
1 – форсунки
2 – сопло
3 – пылеуловитель
3. Определить размеры, энергозатраты и время защитного действия адсорбера для улавливания паров этилового спирта, удаляемых местным отсосом от установки обезжиривания при условии непрерывной работы в течение 8 часов.
Метод адсорбции основан на физических свойствах некоторых твердых тел с ультрамикроскопической структурой селективно извлекать и концентрировать на своей поверхности отдельные компоненты из газовой среды. При расчете определяют необходимое количество сорбента, продолжительность процесса поглощения, размеры адсорбционной аппаратуры и энергетические затраты.
Исходные данные:
Производительность местного отсоса - Lм=250 м3/ч
Начальная концентрация спирта - Со=11 г/м3
Температура в адсорбере - tр=20 оС
Давление в адсорбере - Р=9.8*104 Н/м2
Плотность паровоздушной смеси - г=1.2 кг/м3
Вязкость паровоздушной смеси - =0.15*10-4 м2/с
Диаметр гранул поглотителя (активированный уголь) - d=3 мм
Длина гранул - l=5мм
Насыпная плотность - н=500 кг/м3
Кажущаяся плотность - к=800 кг/м3
Эффективность процесса очистки = 0,99
По изотерме адсорбции (рис. 3.1) и заданной величине Со, г/м3, находим статическую емкость сорбента: 0=175 г/кг
Определяем весовое количество очищаемого газа:
Переводим весовую статическую емкость сорбента 0, в объемную 0’:
Определяем массу сорбента:
где К=1.1…1.2 – коэф. запаса;
- продолжительность процесса сорбции, с.
Выбираем скорость потока газа в адсорбере W, м/с. Обычно фиктивная скорость паровоздушной смеси или скорость, рассчитанная на полное сечение слоя, выбирается в пределах 0.1…0.25 м/с. Выберем W=0.2 м/с.
6. Определяем геометрические размеры адсорбера. Для цилиндрического аппарата:
-
длина (высота) слоя адсорбента
Рассчитываем эквивалентный диаметр зерна сорбента:
9. Коэффициент трения находим в зависимости от характера движения
при Re<50 =220/Re
при Re50 =11.6/Re0.25,
откуда: =220/Re=220/49 =4.5
Определяем гидравлическое сопротивление, оказываемое слоем зернистого поглотителя при прохождении через него потока очищаемого газа
, где Ф=0.9 – коэффициент формы
Определяем коэффициент молекулярной диффузии паров этилового спирта в воздухе при заданных условиях: Д0 = 0,101 10-4 при Т0 = 273 К и Р0 = 9,8 104 Па:
Находим диффузионный критерий Прантля
Для заданного режима течения газа (определяется значением Rе) вычисляем величину коэффициента массопередачи для единичной удельной поверхности, м/с
т.к. в нашем случае Re=49, то
По изотерме адсорбции (рис 2.1) находим:
- количество вещества, максимально сорбируемое поглотителем при данной температуре а=175 г/кг
- величину концентрации поглощаемого вещества на входе в адсорбер Сх= 2,5 г/м3
Рассчитываем удельную поверхность адсорбента:
Определяем концентрацию паров этилового спирта на выходе из аппарата:
, где - эффективность очистки
Находим продолжительность защитного действия адсорбера:
Полученные в результате расчета параметры обеспечивают заданный режим работы адсорбера в течении более чем 8 часов. В целях экономии адсорбента можно уменьшить высоту его слоя.
Р
ис. 3.1. Адсорбер вертикальный
-
труба для ввода газа
-
слой пористого сорбента
-
труба для удаления чистого газа
-
барбатер
5. труба для выхода пара
Список использованных источников
-
Безопасность жизнедеятельности: Уч. пособие под ред. Бережного С.А. и др. – Тверь: ТГТУ, 1996.
-
Бережной С.А., Седов Ю.С. Сборник типовых расчетов и заданий по экологии: Уч. пособие. - Тверь: ТГТУ, 1999.
Характеристики
Тип файла документ
Документы такого типа открываются такими программами, как Microsoft Office Word на компьютерах Windows, Apple Pages на компьютерах Mac, Open Office - бесплатная альтернатива на различных платформах, в том числе Linux. Наиболее простым и современным решением будут Google документы, так как открываются онлайн без скачивания прямо в браузере на любой платформе. Существуют российские качественные аналоги, например от Яндекса.
Будьте внимательны на мобильных устройствах, так как там используются упрощённый функционал даже в официальном приложении от Microsoft, поэтому для просмотра скачивайте PDF-версию. А если нужно редактировать файл, то используйте оригинальный файл.
Файлы такого типа обычно разбиты на страницы, а текст может быть форматированным (жирный, курсив, выбор шрифта, таблицы и т.п.), а также в него можно добавлять изображения. Формат идеально подходит для рефератов, докладов и РПЗ курсовых проектов, которые необходимо распечатать. Кстати перед печатью также сохраняйте файл в PDF, так как принтер может начудить со шрифтами.















