30349-1 (642431)
Текст из файла
ИССЛЕДОВАНИЕ ЭЛЕКТРООПАСНОСТИ ТРЕХФАЗНЫХ СЕТЕЙ
1. Цель работы
Изучить используемые в промышленности трехфазные схемы питания потребителей. Ознакомиться с возможными вариантами однофазных включении человека в электрическую сеть и методикой оценки опасности таких включений. Изучить критерии электробезопасности.
Расчетные выражения:
1.В сети с изолированной нейтралью в симметричном режиме, когда сопротивление изоляции и емкости всех трех фаз относительно земли
одинаковы.
а) Емкости проводов незначительны (Сф<>0 при малой длине проводов).
б) Сопротивление изоляции очень высокое
2. В сети с изолированной нейтралью в несимметричном режиме при прикосновении к фазе.
3. В сети с заземленной нейтралью
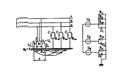
Схемы прохождения токов однофазного прикосновения в трехфазных сетях с изолированной (а) и заземленной (б) нейтралью источника питания.
В сети с заземленной нейтралью ток через человека протекает по цепи, создаваемой в основном сопротивлением рабочего заземлителя R0 рис б)
Rh=1kОм, Uф=200В, w=314,16с-1
| Сф, мкФ | 0 | ||||
| Rиз, кОм | 1 | 2 | 5 | 10 | 400 |
| Ih эксп, мA | 65 | 45 | 40 | 50 | 51 |
| Ih расч, мA | 165 | 132 | 82,5 | 50,8 | 1,6 |
| Rиз, кОм | | |||||
| Сф, мкФ | 0 | 0,1 | 0,2 | 0,5 | 1 | 1,5 |
| Ih эксп, мA | 2 | 20 | 37 | 45 | 50 | 50 |
| Ih расч, мA | 0 | 20,7 | 41,5 | 103,5 | 206,4 | 307,9 |
| Ra | Rb | Rc | Ih эксп, мA | Ih расч, мA |
| 2 | 5 | 10 | 42 | 56 |
| 10 | 2 | 5 | 51 | 132,2 |
| 5 | 10 | 2 | 39 | 117,9 |
| Rиз, кОм | 1 | 2 | 5 | 10 | 400 |
| Ih эксп, мA | 65 | 45 | 35 | 32 | 0 |
| Ih расч, мA | 220 | 110 | 44 | 22 | 0,55 |
ИССЛЕДОВАНИЕ ЭФФЕКТИВНОСТИ ЗАЩИТНОГО ЗАЗЕМЛЕНИЯ
1. Цель работы
1.1. Исследовать напряжения прикосновения и токи, проходящие через тело человека, прикоснувшегося к заземленным нетоковедущим металлическим частям электроустановки, оказавшимся под напряжением в зависимости от:
а) сопротивления изоляции Re;
б) емкости фазных проводов Сф относительно земли;
г) сопротивления тела человека Rh.
1.2. Ознакомиться с методикой расчета защитного заземления, исполнением, нормативными материалами.
1.3. Оценить эффективность защитного заземления сравнением токов и напряжений прикосновения при наличии и отсутствии заземлителя.
Расчетные выражения:
1.
2.
3.
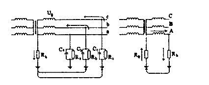
Схема прохождения токов однофазного замыкания на корпус Iз и однофазного прикосновения Ih в сети с изолированно нейтралью:
а) принципиальная;
б) схема замещения.
Rз=10Ом, Uф=220B
| Без заземления | С заземлением | ||||||||||||
| Опыт №№ | Rh, Ом | С, мкФ | Rиз, Ом | Ih, мA | Uпр, B | Ih, мA | Uпр, B | ||||||
| изм. | изм. | изм. | расч. | изм. | |||||||||
| 1 | 1000 | 0,1 | 1 | 175 | 95 | 75 | 66,0 | 40 | |||||
| 1000 | 0,1 | 2 | 135 | 70 | 45 | 33,0 | 25 | ||||||
| 1000 | 0,1 | 5 | 90 | 50 | 20 | 13,0 | 10 | ||||||
| 1000 | 0,1 | 10 | 70 | 40 | 10 | 6,0 | 7 | ||||||
| 1000 | 0,1 | 400 | 57 | 30 | 5 | 0,2 | 5 | ||||||
| 2 | 1000 | 0,1 | | 57 | 30 | 5 | 0,2 | 3 | |||||
| 1000 | 0,2 | | 82 | 45 | 10 | 4,0 | 7 | ||||||
| 1000 | 0,6 | | 137 | 72 | 25 | 1,0 | 15 | ||||||
| 1000 | 1 | | 180 | 95 | 47 | 2,0 | 26 | ||||||
| 1000 | 1,6 | | 200 | 110 | 75 | 3,0 | 40 | ||||||
| 3 | 1000 | 0 | 1 | 170 | 90 | 75 | 64,0 | 40 | |||||
| 1000 | 0 | 2 | 135 | 70 | 42 | 32,0 | 22 | ||||||
| 1000 | 0 | 5 | 83 | 45 | 15 | 13,0 | 10 | ||||||
| 1000 | 0 | 10 | 52 | 30 | 5 | 6,0 | 2 | ||||||
| 1000 | 0 | 400 | 1 | 0 | 0 | 0,1 | 0 | ||||||
ИССЛЕДОВАНИЕ ЭФФЕКТИВНОСТИ КОМПЕНСАЦИИ ЕМКОСТНЫХ ТОКОВ
1. Цель работы
1.1. Исследовать трехфазные сети с изолированной нейтралью с преобладающей долей емкостной составляющей проводимости изоляции.
1.2. Оценить степень снижения тока через тело человека при использовании в таких сетях компенсирующих устройств.
1.3. Определить влияние параметров электрической сети на эффективность компенсации.
Расчетные выражения:
1.
2. Значение остаточного тока определяется выражением
3. Эффективность компенсации оценивается коэффициентом Кэ
| Векторная диаграмма токов при однофазном прикосновении к сети с изолированной нейтралью | Векторная диаграмма токов при однофазном прикосновении к сети с компенсирующим устройством |
Принципиальная схема стенда лабораторной работы на лицевой панели которого изображена принципиальная схема и выведены органы управления.
Стенд моделирует трехфазную электрическую сеть с Uф=220В в двух режимах:
а) изолированной нейтрали
б) заземление нейтрали через компенсирующее устройство.
Rчел=1кОм, RL=15Oм, Uф=220B, R=50кОм, R0=4Ом
| Исследуемый параметр | Емкость фаз относительно земли, мкФ/ на фазу | ||||
| 0,1 | 0,5 | 0,75 | 1 | 1,25 | |
| Ток Ihкомп , измереный в опыте при наличии компенсации, mA | 11 | 16 | 22 | 30 | 36 |
| Ток Ihкомп расчитаный по формуле, mA | 12,5 | 19,8 | 14,2 | 15,7 | 17,5 |
| Ток Ihиз , измереный в опыте при отсутствии компенсации, mA | 10 | 23 | 31 | 50 | 53 |
| Коэффициент Kэ | 0,31 | 1,75 | 1,77 | 1,66 | 1,61 |
C=0,75мкФ
| Исследуемый параметр | Активное сопротивление изоляции относительно земли, Rиз, кОм/ на фазу | ||||
| 10 | 15 | 25 | 50 | 100 | |
| Ток Ihкомп , измереный в опыте, mA | 24 | 22 | 18 | 16 | 15 |
| Ток Ihкомп расчитаный по формуле, mA | 68 | 38 | 23 | 14 | 8 |
| Ток Ihиз , измереный в опыте при отсутствии компенсации, mA | 38 | 40 | 40 | 42 | 43 |
| Коэффициент Kэ | 1,58 | 1,81 | 2,22 | 2,62 | 3,31 |
Са=1мкФ, Сb=0,75мкФ, Сс=0,5мкФ, Rиз=100кОм
| Исследуемый параметр | Сопротивление заземления нейтрали источника, R0, Ом | |||
| 4 | 10 | 25 | 50 | |
| Ток Ihкомп , измереный в опыте, mA | 50 | 18 | 17 | 17 |
| Ток Ihкомп расчитаный по формуле, mA | 8,35 | 8,9 | 10,5 | 12,9 |
| Исследуемый параметр | Фазы | ||
| 1 | 0,75 | 0,5 | |
| Ток при отсутствии компенсации, mA | 52 | 45 | 35 |
| Ток при наличии компенсации, mA | 16 | 23 | 9 |
| Коэффициент Kэ | 3,25 | 1,95 | 3,88 |
Характеристики
Тип файла документ
Документы такого типа открываются такими программами, как Microsoft Office Word на компьютерах Windows, Apple Pages на компьютерах Mac, Open Office - бесплатная альтернатива на различных платформах, в том числе Linux. Наиболее простым и современным решением будут Google документы, так как открываются онлайн без скачивания прямо в браузере на любой платформе. Существуют российские качественные аналоги, например от Яндекса.
Будьте внимательны на мобильных устройствах, так как там используются упрощённый функционал даже в официальном приложении от Microsoft, поэтому для просмотра скачивайте PDF-версию. А если нужно редактировать файл, то используйте оригинальный файл.
Файлы такого типа обычно разбиты на страницы, а текст может быть форматированным (жирный, курсив, выбор шрифта, таблицы и т.п.), а также в него можно добавлять изображения. Формат идеально подходит для рефератов, докладов и РПЗ курсовых проектов, которые необходимо распечатать. Кстати перед печатью также сохраняйте файл в PDF, так как принтер может начудить со шрифтами.









