169555 (625358), страница 2
Текст из файла (страница 2)
Медленные фильтры используют для фильтрования некоагулированных сточных вод. Скорость фильтрования в них зависит от концентрации взвешенных частиц: до 25 мг/л принимают скорость фильтрования 0,2-0,33 м/ч; при 25-30 мг/л — 0,1-0,2 м/ч. Достоинством фильтров является высокая степень очистки сточных вод. Недостатки: большие размеры, высокая стоимость и сложная очистка от осадка. Скоростные фильтры могут быть двух типов: однослойные и многослойные. У однослойных фильтров фильтрующий слой состоит из одного и того же материала, у многослойных—из различных материалов.
Сточную воду подают внутрь фильтра, где она проходит через фильтрующий материал и дренаж и удаляется из фильтра. После засорения фильтрующего материала проводят промывку подачей промывных вод снизу вверх. Дренажное устройство выполняют из пористобетонных сборных плит. На нем размещают фильтрующий материал (в 2-4 слоя) одного гранулометрического состава. Общая высота слоя загрузки равняется 1,5-2 м. Скорость фильтрования принимается равной 12-20 м/ч.
Осветлители. Их применяют для очистки природных вод и для предварительного осветления сточных вод некоторых производств. Используют, в частности, осветлители со взвешенным слоем осадка, через который пропускают воду, предварительно обработанную коагулянтом.
Воду с коагулянтом подают в нижнюю часть осветлителя. Хлопья коагулянта и увлекаемые им частицы взвеси поднимаются восходящим потоком воды до тех пор, пока скорость выпадения их не станет равной скорости восходящего потока — сечение I-I.
Рисунок 4 – Блок осветлителя: 1 – осветлитель; 2 – желоб; 3 –осадкоуплотнитель
Выше этого сечения образуется слой взвешенного осадка, через который фильтруется осветленная вода. При этом наблюдается процесс прилипания частиц взвеси к хлопьям коагулянта, осадок удаляется в осадкоуплотнитель, а осветленная сода поступает в желоб, из которого ее направляют на дальнейшую очистку. Образование и уплотнение осадка в осадкоуплотнителе происходит в условиях непрерывного поступления взвеси [3].
2 Описание технологической схемы узла механической очистки сточных вод
Сточные воды завода «ИХЗК» поступают в водосборный бассейн. Здесь стоки со всего производства смешиваются аэрацией при помощи воздуходувки, а затем перекачиваются насосом и направляются в узел очистки сточных вод.
Сточная вода проходит через решетки, где происходит процеживание. Очищенная вода подается насосами дальше, а шлам, осевший на решетках, очищается граблями и направляется в шламосборник.
Вода, очищенная от крупных примесей, поступает в секцию отстаивания, где сначала в песколовке, затем в горизонтальных отстойниках происходит выделение минеральных и органических загрязнений из сточных вод под действием силы тяжести. Время пребывания стоков в них не менее 1,5 часа.
Очищенная вода направляется в осветлитель. Туда же подаётся сточная вода от производства катализаторов гидрокрекинга в качестве коагулянта. Осадок направляется в шламосборник.
Далее вода направляется на пресс-фильтр, где происходит отделение мелкодисперсной фазы. Шлам также направляется в емкость для сбора шлама.
Вода самотеком перетекает на следующие этапы очистки – на (например, на химическую или биологическую).
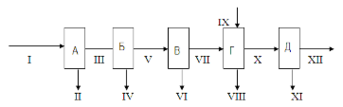
Принципиальная схема узла механической очистки сточных вод
Позиции:
А – решетка,
Б – песколовка,
В – горизонтальный отстойник,
Г – осветлитель,
Д – пресс-фильтр.
Потоки:
I – сточная вода от производства,
II – шлам, осевший на решётке,
III – вода на дальнейшую очистку,
IV – осадок песколовки,
V – вода на доочистку в отстойник,
VI – шлам отстойника,
VII – вода в фильтр,
VIII – шлам осветителя,
IX – сточные воды от производства катализатора гидрокрекинга в качестве коагулянта,
X – вода на фильтр,
XI – осадок фильтра,
XII – вода на дальнейшую доочистку.
3 Исходные данные
| Состав стоков | Расход, кг/час |
| Твердая фаза | 70 |
| Взвешенные вещества | 105 |
| Солесодержание | 70 |
| Вода | 69755 |
Общий расход – 70000 кг/ч [4].
4 Материальный баланс
Решетка.
Эффективность решётки по твёрдой фазе – 50%, по взвешенным веществам – 15%, по солям – 5%.
Влажность осадка – 30 %.
Материальный баланс решетки представлен в таблице 1.
Таблица 1 – Материальный баланс решетки
| Наименование | Приход, кг/час | Расход, кг/час | |
| I | II | III | |
| Твердая фаза | 70 | 35 | 35 |
| Взвешенные вещества | 105 | 15,75 | 89,25 |
| Солесодержание | 70 | 3,5 | 66,5 |
| Вода | 69 755 | 23,25 | 69 731,75 |
| Итого | 70 000 | 77,5 | 69 922,5 |
Песколовка.
Эффективность песколовки по твёрдой фазе – 60%, по взвешенным веществам – 55%, по солям – 10%.
Влажность осадка – 50 %.
Материальный баланс песколовки представлен в таблице 2.
Таблица 2 – Материальный баланс песколовки
| Наименование | Приход, кг/час | Расход, кг/час | |
| III | IV | V | |
| Твердая фаза | 35 | 21 | 14 |
| Взвешенные вещества | 89,25 | 49,09 | 40,16 |
| Солесодержание | 66,5 | 6,65 | 59,85 |
| Вода | 69 731,75 | 76,74 | 69 655,01 |
| Итого | 69 922,5 | 153,48 | 69 769,02 |
Горизонтальный отстойник
Эффективность отстойника по твёрдой фазе – 70%, по взвешенным веществам – 70%, по солям – 15%.
Влажность осадка – 50 %.
Материальный баланс отстойника представлен в таблице 3.
Таблица 3 – Материальный баланс отстойника
| Наименование | Приход, кг/час | Расход, кг/час | |
| V | VI | VII | |
| Твердая фаза | 14 | 9,8 | 4,2 |
| Взвешенные вещества | 40,16 | 28,11 | 12,05 |
| Солесодержание | 59,85 | 8,98 | 50,87 |
| Вода | 69 655,01 | 46,89 | 69 608,12 |
| Итого | 69 769,02 | 93,78 | 69 675,24 |
Осветлитель
Эффективность осветлителя по твёрдой фазе – 90%, по взвешенным веществам – 90%, по солям – 20%.
Влажность осадка – 40 %.
Материальный баланс осветлителя представлен в таблице 4.
Таблица 4 – Материальный баланс осветлителя
| Наименование | Приход, кг/час | Расход, кг/час | ||
| VII | IX | VIII | X | |
| Коагулянт | 10 | 10 | ||
| Твердая фаза | 4,2 | 3,78 | 0,42 | |
| Взвешенные вещества | 12,05 | 10,85 | 1,2 | |
| Солесодержание | 50,87 | 10,14 | 40,71 | |
| Вода | 69 608,12 | 90 | 34,77 | 69 663,35 |
| Итого | 69 775,24 | 69,54 | 69 705,7 | |
Пресс-фильтр
Эффективность пресс-фильтра по твёрдой фазе – 90%, по взвешенным веществам – 90%, по солям – 30%.
Влажность осадка – 50 %.
Материальный баланс осветлителя представлен в таблице 5.
Таблица 5 – Материальный баланс осветлителя
| Наименование | Приход, кг/час | Расход, кг/час | |
| Х | ХI | ХII | |
| Твердая фаза | 0,42 | 0,38 | 0,04 |
| Взвешенные вещества | 1,2 | 1,08 | 0,12 |
| Солесодержание | 40,71 | 12,21 | 28,5 |
| Вода | 69 663,35 | 13,67 | 69 649,68 |
| Итого | 69 705,7 | 27,34 | 69 678,34 |
6 Контроль производства
Под техническим контролем понимают область, автоматически охватывающую методы и средства наблюдения за тем или иным производственным процессом, за состоянием или за работой отдельных аппаратов.
















