168685 (625173), страница 2
Текст из файла (страница 2)
Особенно серьезную опасность породили изделия одноразового употребления, а также изделия с относительно небольшие сроком службы (одежда, мебель, игрушки, упаковка, бытовые предметы и т. д.). Около 2/3 из перечисленных изделий имеют срок службы 1—2 г., хотя отдельные виды пластмасс—более 10 лет.
Вышедшие из употребления изделия из пластмасс выбрасывают с прочими бытовыми отходами в окружающую среду, загрязняя почву и водоемы. Более половины отходов образуется в сфере быта и 10 - 12% создаются в сфере торговли. В высокоразвитых странах ежесуточно на душу населения образуется 12 - 35 г отходов из пластмассы.
В 1980 г. доля пластмасс в городских отходах составила (% по массе): Великобритании - 2%, СССР - 2%, США - 2 - 3%, ФРГ - 4 - 6%, скандинавских странах - 7,5%, Японии - 8 - 12%. В США, например, в 1976 г. из 4 млн. пластмасс, содержащихся в городских отходах, 60% составляли упаковочные материалы. В 1980 г. доля пластмассовых отходов в городском мусоре превысила 8,5 млн. т, однако содержание упаковочных материалов снизилось до 54% в результате использования пластмасс с большим сроком службы.
Существует множество различных типов отходов пластмасс, для простоты их делят на четыре категории по методам обработки:
-
односортовые пластмассы в виде отходов и лома, которые можно добавлять в процесс, с помощью которого они первоначально получены;
-
односортовые загрязненные пластмассы, которые должны пройти дополнительную обработку и не могут быть непосредственно введены в процесс их производства;
-
смешанные отходы пластмасс с известным составом, в основном не содержащие посторонних примесей;
-
разнообразные сорта пластмасс, содержащиеся в твердых городских отходах, загрязненные посторонними примесями.
Отходы пластмасс либо захоранивают (с предварительной обработкой или без нее), либо рециклизируют, добавляя их в качестве сырья. В зависимости от сорта получаемого продукта различают рециклизацию, в которой используются отходы пластмасс без примесей (так называемая «первичная рециклизация»), и такую, в которой в качестве сырья добавляют отходы пластмассы, в небольшой степени загрязненные примесями. Вторичная обработка («вторичная рециклизация») подразумевает использование отходов в производстве продуктов более низкого качества, чем продукты первого сорта. Сильно загрязненные отходы пластмасс перерабатывают в другие - масла, парафины, жиры, мономеры, синтез-газ (так называемая «третичная рециклизация»).
В процессе производства пластмасс стоимость сырья составляет 50—70% общей стоимости продукта и поэтому очень важно уменьшение выхода отхода и максимально возможное использование отходов и лома [2, 3].
2. Использование отходов пластмасс путем повторной переработки
При всем многообразии способов утилизации промышленных отходов пластмасс и применяемого при этом оборудования общая схема процесса может быть представлена следующим образом:
Предварительная сортировка и очистка измельчение отмывка и сепарация классификация по видам сушка конфекцирование и грануляция переработка в изделия
Первая стадия обычно включает сортировку отходов по внешнему виду, отделение непластмассовых компонентов. Вторая стадия — одна из наиболее ответственных в процессе. В результате одно- или двухстадийного измельчения материал достигает размеров, достаточных для того, чтобы можно было осуществлять его дальнейшую переработку.
На следующем этапе дробленый материал подвергают отмывке от загрязнений различными растворителями, моющими средствами и водой, а также отделяют от неметаллических примесей.
Четвертая стадия зависит от выбранного способа разделения отходов по видам пластмасс. В том случае, если отдается предпочтение мокрому способу, сначала производят разделение, а затем сушку. При использовании сухих способов вначале дробленные отходы сушат, а затем уже классифицируют. Высушенные дробленые отходы смешивают при необходимости со стабилизаторами, красителями, наполнителями и другими ингредиентами и гранулируют.
Заключительной стадией процесса использования отходов является переработка гранулята в изделия.
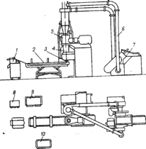
На установке в г. Фунабаси (рис. 1) пластмассовые отходы, содержащие до 10 % каучука, металла, стекла и других материалов, конвейером / подают на дробилку 2. Измельченные отходы промывают и пневматическим транспортом направляют в воздушный классификатор 3, где отделяется около 3 % тяжелых отходов. Далее отходы дополнительно измельчают в дробилке второй ступени и продувают через магнитный сепаратор 4 для удаления оставшихся металлов. Затем измельченные отходы промывают водой и детергентами и сушат в центробежной сушилке 7. Высушенные отходы перемешивают в турбинной мельнице 8 для предотвращения комкования и подают в экструдер 9, где с помощью таблетирующего устройства 10 материал превращается в таблетки [1,4].
На установках такого типа перерабатывают в основном отходы потребления. Что же касается производственных отходов, то схема процесса их переработки нередко упрощается за счет исключения ряда стадий (особенно 3, 4 и 5) и часто сводится к следующей: 1 2 6 7
Рис. 1. Схема регенерации пластмассовых отходов: 1 — конвейер для подачи мешков; 2 — дробилки; 3 — воздушный классификатор; 4 — магнитный сепаратор; 5 — промыватель; 6 — конвейер; 7 — центробежные сушилки; 8 — мельница; 9 — экструдер; 10 — таблетирующее устройство; 11 — бункер для таблеток.
2.1 Измельчение отходов пластмасс
Стадия измельчения отходов является практически обязательной и ответственной при переработке отходов. От качества измельчения зависит возможность дальнейшей переработки отходов в изделия и области их применения.
При выборе того или иного типа оборудования необходимо учитывать ряд факторов, главными из которых являются: вид и характер пластмассовых отходов, их размеры и количество, необходимая степень измельчения и конечный размер дробленого материала и др. Иногда отходы предварительно режут на более мелкие куски, которые далее измельчают на стандартном оборудовании.
Для повышения производительности стадии измельчения часто необходимо проводить предварительное уплотнение отходов, особенно тех, которые обладают низкой насыпной плотностью. Для уплотнения отходов используют дисковые уплотнители, представляющие собой грануляторы с фрикционными дисками, один из которых вращается, а другой неподвижен. Для переработки отходов полиэтиленовой пленки разработана отечественная комплексная линия производительностью 115 кг/ч, в состав которой входят узлы измельчения отходов, их уплотнения и последующей грануляции. Измельчение осуществляется в ножевой роторной дробилке с трехсекционным ротором, после чего измельченные отходы пневмотранспортом через дозирующий питатель подаются в уплотняющий конусно-шнековый экструдер с гранулирующей головкой и далее после охлаждения режутся на гранулы размером 3х4 мм (рис. 2).
Рис. 2. Линия для переработки отходов полиэтиленовой пленки: 1 — гранулятор; 2 — ванна охлаждения; 3 — гранулирующая головка; 4 — конусно-шнековый экструдер; 5 — дозирующий питатель; 6 — пневмотранспортер; 7 — измельчитель отходов; 8, 9 — шкафы управления; 10 — пульт управления.
Для уплотнения пеноматериалов часто используют автоклавный метод, позволяющий из пластмасс с кажущейся плотностью 15—20 кг/м3 получать полимеры нормальной плотности и не содержащие вспенивающего агента путем постепенного повышения температуры и использования вакуума.
Уплотнение также проводят в экструдерах, имеющих зоны вакуум-отсоса, где из полимерных отходов в расплаве удаляется вспенивающий агент и воздух. Регулируя температуры экструдера по зонам, производительность, вакуум, а также проводя многократную экструзию, можно добиться полного удаления летучих из экструдата, после чего гранулят подвергают измельчению.
Поскольку процесс измельчения сопровождается большим выделением теплоты, в ряде дробилок предусматривается водяное охлаждение. Это хотя и несколько усложняет конструкцию дробилок, однако способствует увеличению их производительности. Более высокая дисперсность в процессе измельчения может быть достигнута при использовании измельчителей других конструкций, которые основаны на ударном, ударно-режущем или ударно-импульсном действии.
Отечественной промышленностью выпускаются промышленные универсальные дезинтеграторы-активаторы (УДА), в которых благодаря высокой скорости удара (до 310 м/с) и многорядности расположения ударных элементов достигается высокая производительность при измельчении полимеров — от 20 кг/ч до 50 т/ч. Изучение процесса измельчения в УДА позволило расположить полимеры по измельчаемости в следующем порядке:
Полистирол > ПЭНД > Полиэтилентерефталат > Полипропилен > Полиамиды > ПЭВД > Полиуретаны > Фторопласт
В последние 15—20 лет все большее развитие находит техника криогенного измельчения, которая позволяет охлаждать материал ниже температуры хрупкости. В качестве охлаждающего агента используется жидкий азот, имеющий температуру —196 °С, что ниже температуры хрупкости большинства полимерных материалов.
Измельчение при пониженных температурах обладает рядом преимуществ: благодаря охлаждению и инертной среде исключается термодеструкция полимера, резко возрастает степень измельчения, повышается производительность процесса и снижаются удельные энергозатраты, предотвращается окисление продукта [1].
2.2 Сепарация, отмывка и разделение отходов
После измельчения, в том случае если отходы могут содержать металлические включения, их обычно пропускают через магнитный сепаратор. В магнитном поле, создаваемом с помощью электромагнитов, происходит отделение магнитных металлов от пластмассовой части отходов.
В случае, если отходы могут содержать примеси цветных металлов, обычно используют электросепарацию. На рис. 3 показана принципиальная схема электрического сепаратора с коронирующей системой. Смесь, подлежащая разделению, подается на заземленный электрод — барабан 4, который перемещает частицы в зону действия коронирующих электродов 6. В результате частичного пробоя воздуха в межэлектродном пространстве образуются ионы, которые передают заряд частицам металла и полимера. Металлические частицы быстро разряжаются, отрываются от барабана и попадают в бункер 8. Полимерные отходы сохраняют заряд длительное время и притягиваются к барабану до тех пор, пока не очищаются специальной щеткой 3, после чего попадают в бункер 7. При таком способе сепарации разделение происходит достаточно полно, а потери отходов пластмасс не превышают 1 %.
Разработаны также индуктивные приборы, позволяющие удалять немагнитные металлы в электромагнитном поле. В верхней части прибора расположена катушка индуктивности, создающая электромагнитное поле высокой частоты. Электропроводящие частицы изменяют это поле и возникающий сигнал через усилитель включает электромагнит управления заслонкой.
Рис. 3. Принципиальная схема электрического сепаратора с коронирующей системой: 1 - бункер; 2 - вибропитатель; 3 - щетка; 4 — вращающийся заземленный электрод (барабан); 5 — источник высокого напряжения; 6 — коронирующие электроды; 7—9 — бункеры.
Порция материала с посторонними металлическими включениями удаляется из общего массопотока, после чего заслонка возвращается в исходное положение.
Важной стадией предварительной обработки отходов является очистка их от загрязнений. Присутствие в отходах загрязнений приводит к заметному ухудшению внешнего вида деталей, получаемых из отходов, снижению качества поверхности и физико-механических показателей. Повышение содержания загрязнений от 0 до 20 % приводит к увеличению средней глубины шероховатости поверхности деталей от 0,3 до 0,55 мм.
Для очистки загрязненных отходов применяют обычно следующие методы: сухое удаление пыли, стирку в водных растворах ПАВ, растворение полимеров с последующим фильтрованием растворов, обработку поверхности растворителями. Выбор метода определяется совместимостью загрязнений с пластмассами и химической природой загрязнений.
В СССР разработана комбинированная установка производительностью около 150 кг/ч для измельчения и отмывки полиэтиленовой пленки, использовавшейся ранее в сельском хозяйстве. В дробилке роторного типа с системой подвижных и неподвижных ножей осуществляется мокрое измельчение отходов пленки с частичной отмывкой водой (рис. 4). Измельченный материал далее подается для промывки моющими растворами или водой в трехсекционный шнековый промыватель. Каждая секция представляет собой установленный под углом 6° цилиндр, внутри которого в разные стороны вращаются два шнека специальной конструкции.
Выделение из смеси отходов индивидуальных видов пластмасс также обычно осуществляют мокрым или сухим методом. Из мокрых методов наибольшее распространение получила флотационная сепарация, основанная на различии гидрофильно-гидрофобных свойств разных типов пластмасс.













