165794 (624875)
Текст из файла
Введение
В процессе удаления окалины или травления серной кислотой железных и стальных деталей, например листов, полос или проволоки, железо растворяется в сернокислом травильном растворе с образованием сульфата двухвалентного железа. При продолжительном использовании содержание серной кислоты в травильном растворе уменьшается, а концентрация двухвалентного железа возрастает и в какой-то момент скорость травления становится настолько малой, что отработанный травильный раствор приходится заменять.
1. Обработка промывных вод травильных агрегатов
Очистка поверхности металлоизделий от оксидов металлов (окалины) и иных налетов (SiO2, Cr2О3 и др.) – важнейшая технологическая операция, осуществляемая в основном путем травления в кислотных, щелочных и иных растворах, иногда – расплавах, часто с использованием предварительного механического воздействия (разрушения) на поверхностную пленку.
В России преимущественно продолжает применяться сернокислое травление, в то время как за рубежом широко используют соляную кислоту [1].
Для травления чугуна и кремнистых сталей применяют растворы, содержащие плавиковую кислоту, которая хорошо растворяет соединения кремния. При подготовке изделий к эмалированию, покрытию лаком или краской применяют фосфорнокислое травление, так как образующаяся при этом пленка фосфата железа обладает хорошей адгезией к покрытиям.
В последние годы российские предприятия продолжают постепенный переход на травление металлоизделий в соляной кислоте вместо серной. Крупнейшие металлургические предприятия – Магнитогорский (ММК), Новолипецкий металлургические комбинаты, Северсталь и др. завершили или завершают этот процесс, но остается еще огромное количество больших и малых (по расходу кислоты на травление) металлургических и металлообрабатывающих предприятий, использующих сернокислотное травление. Это – дань традиции и нежелание реконструировать свое кислотное хозяйство.
Кроме известных технологических преимуществ – высокой скорости травления, отличного качества протравленной поверхности, сравнительно малого расхода промывной воды (ПВ) и др. – в настоящее время на первое место выходят экологические факторы. Применение солянокислых травильных растворов позволяет обрабатывать все травильные стоки в одном регенерационном агрегате, при этом соляная кислота почти вся возвращается в производство, и в качестве побочных образуются полностью утилизируемые продукты – оксид железа, дистиллят, раствор хлорида натрия. Именно в этом – экологическом – смысле использование солянокислого травления с последующей регенерацией стоков служит образцом при всех способах травления. Такой безотходный метод получил название "травильно-регенерационный комплекс" [2].
В практике травления существенное значение имеет организация удаления остатков травильной жидкости (ОТР) с поверхности протравленных изделий. Протравленные металлоизделия обладают развитой поверхностью, поэтому удаление травильного раствора, необходимое для предотвращения коррозии металла, качественного нанесения какого-либо покрытия, всегда необходимо. В настоящее время при создании травильно-регенерационных комплексов количество ПВ для удаления травильного раствора является решающим фактором. Поэтому проблема уменьшения количества ПВ с одновременным уменьшением количества попадающей в нее травильной жидкости была и остается весьма актуальной. Практические приемы сокращения попадания ОТР в ПВ хорошо известны:
1) удаление избытка травильного раствора с поверхности протравленного изделия за счет стекания (выдержка над ванной, встряска); сдув раствора; механическое удаление с полосы (отжимными валиками, резиновыми пластинами и др.);
2) окунание изделия в непроточную ванну (ванну-ловушку);
3) создание промывочных каскадов для уменьшения объемов ПВ.
Для улучшения качества поверхности протравленного трансформаторного металла и сокращения количества стоков ВИЗом совместно с институтом "ВНИПИчерметэнергоочистка" разработана и внедрена технология противоточной каскадной водовоздушной промывки (рис. 1).
Рис.1. Схема противоточной каскадной водно-воздушной промывки протравленного рулонного металла: 1 – травильные ванны; 2 – ванны промывки холодной водой; 3 – ванны промывки горячей водой; 4 – сооружения очистки ПВ; 5 – выпарная установка; 6 – резервуар воды чистого оборотного цикла; I – протравленный рулонный металл; II – воздух; III – вода чистого оборотного цикла.
Вместо очищенной ПВ стали применять воду чистого оборотного цикла. Внедрение новой системы сократило расход воды в 4 раза, однако повысилась концентрация примесей в ней. Очищать такую воду чрезвычайно сложно. Потребовалось изменить схему: были введены, например, сгустители осадка. Всю очищенную воду стали подавать на выпарку.
Работа по усовершенствованию промывки травленой полосы была проведена на агрегате непрерывного солянокислого травления (НТА) цеха углеродистой ленты ММК, где применяют каскадную многоступенчатую промывку полосы. В проектной технологии была предусмотрена промывка полосы холодной водой в двух каскадных ступенях, нейтрализация остатков хлоридов железа на полосе в 2%-ном растворе щелочи (NaOH) и промывка полосы от щелочного раствора в двух каскадах горячей промывки. Каждая ступень имеет линии циркуляции с насосами для подачи воды в коллекторы. Вода удаляется с полосы отжимными роликами и стекает обратно в ванну. Свежую горячую и холодную воду подают соответственно в последнюю ступень горячей и холодной промывок, из первого отсека загрязненная холодная вода поступает в бак для дальнейшей переработки, а горячая вода вместе со щелочными стоками передается на установку грануляции шлака.
Основной недостаток, осложнивший работу участка промывки в процессе эксплуатации, – накопление значительного количества шлама в промывных отсеках ванны нейтрализации и горячей промывки. Скопление шлама приводило к образованию пробок в отверстиях коллекторов, загрязнению поверхности полосы, выходу из строя насосов, трубопроводов, что требовало систематических остановок агрегата на профилактические ремонты. Усовершенствованная схема промывки полосы включает в себя каскадные двухступенчатую холодную и трехступенчатую горячую промывки. В ванну холодной промывки подают вторичный конденсат выпарной установки, входящей в комплекс установок утилизации сточных вод травильного отделения. Температура конденсата – 30–50°С, количество – не менее 5 м3/ч. Применение технологии промывки полосы на НТА в течение года позволило практически полностью исключить образование шлама в промывных отсеках, обеспечить улучшение условий эксплуатации участка промывки и соответственно повысить эффективность промывки. В результате этого остаточная загрязненность полосы хлорном уменьшилась более чем в 3 раза (с 7–16 до 1–6 мг/м3), улучшилось качество поверхности полосы, уменьшились плановые простои НТА на 180 ч в год, увеличилась скорость прохождения металла через агрегат и, соответственно, производительность НТА на 1500 т в год, сэкономлено 90 т в год каустика, а также сократились затраты труда на ремонт и чистку оборудования [3].
В процессе травления образуются сточные воды, содержащие кислоту и продукты реакции. К сточным водам относятся отработанный травильный раствор, вода, использованная для промывки поверхности металла, вода из скрубберов после очистки воздуха, отсасываемого из ванн, кислотосодержащие воды после промывки оборудования и др. Сброс кислотосодержащих и железосодержащих вод без соответствующей очистки в городскую канализацию или в открытые водоемы невозможен.
Иногда следует отдельно рассматривать переработку ОТР и слабоконцентрированных промышленных, вентиляционных и других стоков - ПВ. На это есть две основные причины: методы переработки ОТР и ПВ не всегда совпадают; локальные установки переработки ОТР часто "принадлежат" основным цехам (например, купоросные установки чаще всего входят в состав прокатного цеха). Конечно, это не касается той удачной технологии, когда ОТР и ПВ перерабатываются вместе (например, при термической регенерации солянокислых железосодержащих стоков).
Основной способ переработки отработанных солянокислых травильных стоков – термический. При этом ОТР и ПВ перерабатываются на терморегенерационной установке с получением возвратной соляной кислоты и порошкообразного оксида железа. Вентиляционные выбросы от ванн травления очищаются "мокрым" способом с образованием солянокислого железосодержащего стока газоочистки. В принципе, система регенерации всех отработанных солянокислых стоков рассчитана таким образом, что не должно образовываться избытка стоков. Однако в процессе эксплуатации травильно-регенерационного комплекса появляются избыточные вентиляционные стоки, которые необходимо обрабатывать. Схема обработки осложняется тем обстоятельством, что в стоках кроме Fе2+ содержится значительное количество органических примесей-ингибиторов (окисляемость – 280 мгО2/дм3). И органические соединения, и Fе2+ необходимо окислять.
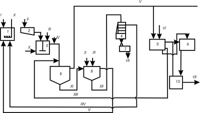
Рис. 2. Примерная технологическая схема очистки вентиляционных стоков ЛПЦ-5 ММК: 1 – смеситель; 2 – нейтрализатор; 3 – отстойник; 4 – зернистый фильтр; 5 – резервуар чистой воды; 6 – выпарная установка; 7 – сгуститель; 8 – вакуум-фильтр
Технологическая схема очистки такова (рис. 2). В узел окисления (бак-мешалку) 1 подаются вентиляционные стоки и раствор окислителя (NaOCl). Далее сток подается в узел нейтрализации 2, куда добавляется при перемешивании необходимое количество раствора NaOH. В нейтрализованный сток при необходимости добавляется флокулянт (Праестол 2540), после чего происходит его осветление в полочковом вертикальном отстойнике 3. Осветленная вода доочищается на зернистом фильтре 4, после чего подается на горизонтальнотрубную выпарную установку пленочного типа. Полученный концентрат с содержанием NaCl 60–80 г/дм после доочистки используется в качестве регенерационного раствора на химводоочистке ТЭС, а конденсат – для финишной промывки металлоизделий в травильном агрегате. Осадок из отстойника подается в сгуститель 7, при необходимости в него добавляется флокулянт, и из сгустителя подается на механическое обезвоживание (в данном случае — на вакуум-фильтр со сходящим полотном). Обезвоженный осадок высушивается и утилизируется. Таким образом, вентиляционный сток обрабатывается на локальной замкнутой системе с утилизацией всех образующихся продуктов [4]. При сернокислом травлении образуются высококонцентрированные ОТР и два вида слабо концентрированных ПВ: обычные, где концентрация Fe2+ и H2SO4 не превышает как правило 1 г/дм3, и промежуточные (при использовании ванн-ловушек, каскадной промывки и др.), где эти концентрации могут достигать величины 10–15 г/дм3. Чтобы сделать сернокислотный травильно-регенерационный комплекс безотходным, необходимо решать наиболее сложную проблему в нем - обработку, кондиционирование и повторное использование ПВ и утилизацию образующихся при этом осадков. При этом большое значение имеет структура осадка: крупные и плотные частицы взвеси быстрее оседают, весь осадок занимает меньший объем и легко поддается механическому обезвоживанию. Для лучшего обезжелезивания воды и получения более плотного осадка применяется принудительное окисление железа, что и было реализовано в так называемой технологии получения магнетитового осадка. При очистке и повторном использовании ПВ травильных отделений изучено введение добавок в целях увеличения скорости осаждения и получения осадка, который лучше поддается механическому обезвоживанию. Хорошие результаты получены при использовании флокулянтов, из которых наибольшее влияние оказывает гидролизованный ПАА. Тип отстойника выбирали в процессе исследования на опытно-промышленной установке, работающей на натурных стоках. В составе установки были два горизонтальных отстойника бункерного типа, вертикальный и радиальный. Лучшие результаты получены при использовании вертикального и радиального отстойников, которые устойчиво работали даже при повышении концентрации железа в воде до 2 г/ дм3 и более. При отстаивании нейтрализованных вод образуются сильнообводненные осадки, составляющие 3–10%, а в отдельных случаях – до 35% объема обрабатываемых сточных вод. Влажность свежевыпавшего осадка – 98–99,5%. По своим фильтрационным характеристикам они относятся к труднофильтруемым суспензиям; при их механическом обезвоживании образуются сильносжимаемые осадки с коэффициентом сжимаемости 0,3–0,7 и большим удельным сопротивлением.
Характеристики
Тип файла документ
Документы такого типа открываются такими программами, как Microsoft Office Word на компьютерах Windows, Apple Pages на компьютерах Mac, Open Office - бесплатная альтернатива на различных платформах, в том числе Linux. Наиболее простым и современным решением будут Google документы, так как открываются онлайн без скачивания прямо в браузере на любой платформе. Существуют российские качественные аналоги, например от Яндекса.
Будьте внимательны на мобильных устройствах, так как там используются упрощённый функционал даже в официальном приложении от Microsoft, поэтому для просмотра скачивайте PDF-версию. А если нужно редактировать файл, то используйте оригинальный файл.
Файлы такого типа обычно разбиты на страницы, а текст может быть форматированным (жирный, курсив, выбор шрифта, таблицы и т.п.), а также в него можно добавлять изображения. Формат идеально подходит для рефератов, докладов и РПЗ курсовых проектов, которые необходимо распечатать. Кстати перед печатью также сохраняйте файл в PDF, так как принтер может начудить со шрифтами.















