165639 (624853), страница 3
Текст из файла (страница 3)
Для снижения пределов обнаружения элементов и улучшения воспроизводимости результатов анализа при работе с дуговыми разрядами широко используются добавки некоторых реагентов в анализируемые пробы с целью инициирования различного рода термохимических реакций непосредственно в каналах электродов дуги. Эти реакции позволяют переводить определяемые примеси в легколетучие соединения, а элементы матрицы, мешающие определению примесей, в труднолетучие соединения.
2.2.3 Дуга в варианте просыпки
Кроме традиционного варианта дуги с вертикально расположенными электродами, при анализе порошковых проб (например, руд и минералов) применяется дуга в так называемом варианте просыпки (вдувания), когда мелкодисперсная проба не испаряется из канала угольного электрода, а просыпается (вдувается) через плазму дугового разряда между двумя (или тремя — при трехфазном питании) горизонтально расположенными угольными электродами.
Рис. 4. Принципиальная схема ввода порошковой пробы в дуговой разряд методом просыпки—вдувания: 1 — порошковая проба в вибрирующей воронке; 2 — электроды дуги; 3 — охлаждающий и плазмообразующий потоки воздуха; 4 — цилиндрический воздухопровод; 5 — плазма дуги; 6 — окно в воздухопроводе для наблюдения излучения из рабочей области дуговой плазмы.
Конструкция и принцип действия такой дуги показаны на рис. 4. По параметрам и характеристикам горизонтальная дуга мало отличается от вертикальной, однако благодаря тому, что проба вводится в дугу потоком газа (обычно—воздуха), он стабилизирует форму и положение дуговой плазмы, что само по себе уже способствует снижению случайных погрешностей анализа по сравнению с обычной пространственно нестабилизированной дугой между вертикальными электродами. Кроме того, при равномерном вдувании порошков состав облака дуги во времени остается неизменным, следовательно, основные параметры дуговой плазмы (концентрация атомов и электронов, температура) также остаются постоянными, что значительно упрощает выполнение анализа. Основные проблемы анализа методом вдувания связаны с неполным испарением частиц порошка вследствие кратковременности их пребывания в плазме (3* 10–3–5* 10–3 с), что обусловливает зависимость интенсивности спектральных линий от размеров и состава частиц порошкообразных проб.
2.3 Искра
2.3.1 Низковольтная искра
Увеличение емкости шунтирующего конденсатора приводит к тому, что запасенная в нем энергия будет играть заметную роль в общем балансе разряда. Такой тип разряда получил название низковольтной искры. В зависимости от параметров контура низковольтной искры можно получать различные режимы разряда: колебательный (CR2/4L<1), критический (CR2/4L>1), апериодический (CR2/4L≈1).
Напряжение на конденсаторах разрядного контура обычно варьируют в интервале 450–1000 В. Изменяя емкость конденсаторов, сопротивление реостатов в силовой цепи и индуктивность вторичной обмотки трансформатора, можно регулировать соотношение между силой тока разряда конденсаторов и силой тока, проходящей через силовую цепь, и тем самым плавно менять температуру разряда в нужном направлении (от мягкого дугового режима до чисто искрового). Современные электронные средства позволяют стабилизировать энергию единичных импульсов с точностью не хуже 0,1%.
2.3.2 Высоковольтная искра
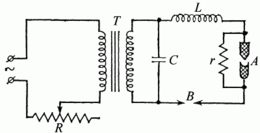
При спектральном анализе металлов и сплавов наиболее часто в качестве источника света используют высоковольтную конденсированную искру (рис. 5). Повышающий трансформатор заряжает конденсатор С до напряжения 10–15 кВ. Значение напряжения определяется сопротивлением вспомогательного промежутка В, которое в свою очередь выбирают всегда большим сопротивления рабочего промежутка А. В момент пробоя вспомогательного промежутка одновременно происходит также и пробой рабочего промежутка, конденсатор С разряжается, а затем заряжается. В зависимости от параметров схемы и скорости деионизации промежутка следующий пробой может произойти или в этом же, или в другом полупериоде. Простота и надежность этой схемы обеспечили ее успешную эксплуатацию.
Рис. 5. Схема управляемой конденсированной высоковольтной искры:
Т — повышающий трансформатор на 15000 В; С — конденсатор; L — переменная индуктивность; r — блокирующее сопротивление; А — рабочий промежуток; В — постоянный вспомогательный промежуток; R — регулируемое сопротивление
В момент пробоя в узком искровом канале происходит возбуждение, а также высвечивание атомов и молекул азота и кислорода воздуха; это бесполезное и даже мешающее излучение (фон). Однако его длительность невелика (10–8 с). В следующий момент ток (до 50 А), проходящий через канал, разогревает малую площадку (0,2 мм) электрода. Плотность тока достигает 104 А/см2, и материал электрода выбрасывается в разрядный промежуток в виде факела раскаленных паров, причем, как правило, не вдоль искрового канала, а под некоторым случайным углом к нему.
Каждый новый пробой воздействует на разные участки поверхности образца, и после обыскривания в течение всего выбранного времени экспозиции на образце возникает пятно обыскривания диаметром до 3–5 мм, но незначительной глубины (при работе с угольным противоэлектродом — всего 20–40 мкм). Общее количество испаряющейся за время экспозиции твердой пробы весьма невелико: например, для сталей оно обычно составляет около 3 мг.
Факел выброшенных паров имеет температуру порядка 10000 К, т.е. достаточную не только для возбуждения спектров металлов, но также неметаллов и ионов. Температура непосредственно в начале искры достигает 30000-40000 К.
2.4 Высокочастотная индуктивно-связанная плазма
Благодаря появлению нового способа возбуждения спектров с помощью источника высокочастотной индуктивно-связанной плазмы (ИСП), работающей при атмосферном давлении, произошел резкий скачок в развитии физики, техники и практики атомно-эмиссионного спектрального анализа. Данный источник представляет собой разновидность безэлектродного высокочастотного разряда, поддерживаемого в специальной горелке, состоящей из концентрически расположенных трех (реже — двух) кварцевых трубок (рис. 6). В зазор между внешней и промежуточной трубками подается внешний (охлаждающий) поток газа (аргон или молекулярный газ), по средней трубке — промежуточный поток (только аргон), по центральной трубке осуществляется транспорт аэрозоля анализируемого раствора в плазму. Открытый конец горелки окружен охлаждаемой водой индукционной катушкой, соединенной с ВЧ-генератором. Для получения плазмы используют ВЧ-генераторы с потребляемой мощностью 1,5–5 кВт и рабочей частотой в диапазоне от 27 до 50 МГц.
Рис. 6. Схема горелки для высокочастотного индукционного разряда:
1 — аналитическая зона; 2 — зона первичного излучения; 3 — зона разряда (скин-слой); 4 — центральный канал (зона предварительного нагрева); 5 — индуктор; 6 — защитная трубка, предотвращающая пробой на индуктор (устанавливается только на коротких горелках); 7, 8, 9 — внешняя, промежуточная, центральная трубки соответственно
Для возбуждения разряда необходима предварительная ионизация газа, поскольку напряжение на индукторе значительно меньше напряжения пробоя рабочего газа. С этой целью чаще всего используют высоковольтную искру (катушку Тесла). В ионизированном газе возникает разряд, питаемый магнитным полем. Ток высокой частоты, протекающий через катушку-соленоид, создает переменное магнитное поле. Под его воздействием внутри катушки индуцируется вихревое электрическое поле. Вихревой электрический ток нагревает и ионизирует поступающие снизу порции газа за счет джоулевого тепла. Токопроводящая плазма аналогична короткозамкнутой вторичной обмотке трансформатора, магнитное поле которой сжимает кольцевой ток в тор (скин-эффект).
Поток аргона, подаваемый в зазор между промежуточной и внешней трубками, с одной стороны, служит плазмообразующим газом, а с другой — отжимает раскаленную плазму от стенок горелки, предохраняя их от перегрева и разрушения. Аэрозоль анализируемой пробы распространяется вдоль центрального канала разряда, практически не задевая электропроводящего скин-слоя и не влияя на его характеристики; в этом заключается одна из главных особенностей ИСП-разряда, отличающая его, например, от дуговых плазмотронов.
Обычно в плазму вводят аэрозоль, образованный раствором пробы в водном или органическом растворителе. Наряду с этим применяется введение проб в виде конденсатов, образующихся при испарении пробы в электротермическом атомизаторе, дуге, искре, плазме лазерного факела, а также в виде тонкодисперсных порошков, взвешенных в потоке газа или жидкости. Для ввода жидких проб используются различные конструкции пневматических распылителей (концентрический распылитель Мейнхарда, уголковые распылители, распылитель Бабингтона, сетчатый распылитель Гильдебранда и др.), а также ультразвуковых распылителей. Во всех типах распылителей используется принудительная подача раствора пробы с помощью перистальтического насоса.
В ультразвуковых распылителях распыление происходит за счет энергии акустических колебаний, а газовый поток служит только для переноса аэрозоля в горелку. Эти распылители образуют тонкий аэрозоль с узким распределением частиц по размерам. Эффективность их генерации, по крайней мере, в 10–20 раз больше, чем у пневматических распылителей, что позволяет получать лучшее отношение сигнал /фон и снижать предел обнаружения.
Можно выделить следующие безусловные достоинства источника ИСП применительно к задачам атомно-эмиссионного спектрального анализа (АЭСА):
-
благодаря возможности эффективного возбуждения как легко-, так и трудновозбудимых линий ИСП является одним из наиболее универсальных источников света, в котором можно определять (детектировать) почти все элементы периодической системы. ИСП наиболее универсальный источник не только по числу определяемых элементов, но и по типу содержащих эти элементы соединений;
-
в ИСП можно анализировать как большие массы растворов, подавая их в плазмотрон непрерывным потоком, так и микрообъемы (порядка сотен микролитров) при их импульсном введении в транспортирующий газ и импульсной регистрации спектров;
-
диапазон определяемых концентраций для большинства элементов составляет 4–5 порядков, т.е. в ИСП можно определять как малые и средние, так и большие концентрации того или иного элемента, что затруднительно для других источников возбуждения спектров. Градуировочные графики для многих элементов прямолинейны, параллельны друг другу и имеют угол наклона около 45°, что упрощает градуировку и снижает вероятность появления систематических погрешностей анализа;
-
благодаря высокой эффективности возбуждения и малому фону, пределы обнаружения большинства элементов на 1–2 порядка ниже, чем в других источниках возбуждения спектров. Средний предел обнаружения при анализе растворов по всем элементам составляет примерно 0,01 мг/л, снижаясь для некоторых из них до 0,001–0,0001 мг/л;
-
при стабилизации и оптимизации всех рабочих условий факел ИСП обладает хорошей пространственно-временной стабильностью, что обеспечивает высокую инструментальную воспроизводимость аналитических сигналов, иногда на уровне 0,5–1%.
К недостаткам метода спектрометрии ИСП относится сравнительно высокая стоимость эксплуатации спектрометров, связанная с большим расходом аргона (15–20 л/мин). Определение следовых содержаний металлов вблизи предела обнаружения осложняется наличием в спектре молекулярных полос –NO и –ОН в области 200–260 и 280–340 нм, которые возникают на периферии разряда, в месте контакта его с атмосферой. Для снижения интенсивности этих полос применяют горелки с удлиненной на 40–50 мм внешней трубкой с прорезанным окном для вывода излучения.
Для ИСП-разряда характерны очень развитые спектры, с большим числом линий, принадлежащих атомам, а также одно- и двухзарядным ионам. В связи с этим применение данного источника возбуждения осложнено эффектами спектральных помех, что обусловливает более высокие требования к разрешающей силе спектральных приборов. Из-за меньшей яркости источника возрастает роль рассеянного света в приборе.
3. ГОМОЛОГИЧЕСКИЕ И АНАЛИТИЧЕСКИЕ ПАРЫ СПЕКТРАЛЬНЫХ ЛИНИЙ
При изменении температуры источника возбуждения спектра (ИВС) значительно изменяется интенсивность спектральных линий, поэтому в качестве аналитических пар спектральных линий используют гомологические спектральные линии.
Спектральные линии, которые с изменением параметров разряда изменяются одинаково, называют гомологическими спектральными линиями.
1>













