151812 (621966)
Текст из файла
Дисциплина: Электротехника и электроника
Курсовая работа на тему:
Усилитель с обратной связью
Содержание
Задание
Введение
Основная часть
1. Расчет усилителя
1.1 Нахождение параметров нагрузки и расчет количества каскадов
1.2 Статический режим работы выходного каскада
1.2.1 Выбор рабочей точки транзистора
1.2.2 Выбор сопротивлений Rк2, Rэ2, R3, R4 выходного каскада
1.3 Расчет значения коэффициента усиления выходного каскада
1.4 Переход от выходного каскада к входному
1.5 Статический режим работы входного каскада
1.5.1 Выбор рабочей точки транзистора
1.5.2 Выбор сопротивлений Rк1, Rэ1, R1, R2 входного каскада
1.6 Расчет значения коэффициента усиления входного каскада
1.7 Расчет емкостных элементов усилительных каскадов
1.8 Расчет значения реально достигнутого в схеме коэффициента усиления
1.9 Расчет элементов цепи ООС
1.10 Построение характеристики Мос(ω)
2. Моделирование усилителя на ЭВМ
Перечень элементов
Заключение
Библиографический список
Задание
Введение
Цели курсовой работы.
Целями курсовой работы являются:
-
Изучение методов проектирования и разработка электронных устройств в соответствии с данными технического задания;
-
Расчет статических и динамических параметров электронных устройств;
-
Практическое применение ЭВМ для схемотехнического проектирования электронных устройств.
Тематика курсовых работ.
В качестве объектов проектирования студентам предлагаются различные структуры многокаскадных усилительных устройств переменного тока с обратными связями.
Усилителем называется электронное устройство, предназначенное для усиления сигнала по мощности.
В общем случае усилитель может содержать несколько каскадов, соединенных между собой последовательно через цепи связи.
Основными параметрами и характеристиками усилителя являются:
-
Коэффициент усиления:
а) Коэффициент усиления по напряжению;
Ku=Uвых(p)/Uвх(p)
P=σ+jω – оператор Лапласа
б) Коэффициент усиления по току;
Ki=Iвых(p)/Iвх(p)
Ki(p)=Iвых(p)/Iвх(p)
Ki(jω)=Iвых(jω)/Iвх(jω)
в) Коэффициент усиления по мощности;
Kp=Pвых/Pвх
-
Входное и выходное сопротивление усилителя;
-
Частотные характеристики усилителей:
а) АЧХ – зависимость модуля коэффициента усиления от частоты усиливаемого сигнала;
б) ФЧХ – зависимость фазы комплексного коэффициента передачи от частоты или зависимость разности фаз выходного и входного сигнала от частоты;
-
Нелинейные искажения;
Нелинейные искажения – отклонение формы выходного сигнала от формы входного сигнала. Нелинейное искажение приводит к тому, что в выходном сигнале появляется дополнительная составляющая с частотой не равной основному частотному сигналу.
-
Динамический диапазон сигнала;
-
Искажение импульсных сигналов;
Основная часть
1. Расчет усилителя
1.1 Нахождение параметров нагрузки и расчет количества каскадов
Расчет количества каскадов усилителя начнем с нахождения параметров нагрузки: Pн, Iн, Uн, Rн. Как видно из задания, необходимо по значениям тока и мощности найти напряжение и сопротивление на нагрузке:
Uн = Pн/Iн = 0,019/0,01=1,9 B
Rн = Uн/Iн = 1,9/0,01 = 190 Ом
Найдем амплитуды напряжения и тока:
Uнм = (2) 1/2* Uн = (2)1/2* 1,9 В=2,69 В
Iнм = (2) 1/2* Iн = (2)1/2* 10 мА = 14,14 мА
Теперь можно определить значение коэффициента усиления замкнутого усилителя Кос:
Кос = Uнм / Uвхм
В нашем случае:
Кос = 2,69B/0,15B = 17,9
Усилителю с отрицательной обратной связью соответствует коэффициент передачи усилителя
Определим число каскадов усилителя. Для этого воспользуемся таблицей, где Mос(
) - коэффициент частоты каскадов:
Пусть число каскадов n = 1, тогда
из этой формулы составим квадратное уравнение, и решим его относительно Kβ.
тогда 2,14 = (1- Kβ)2 получим корни Kβ = 11,46, выбираем отрицательный корень Kβ= - 0,46, и подставляем в уравнение K=Koc(1- Kβ)=17,9*(1+0,46)=26,2. Т. к. K>10, необходимо увеличить число каскадов.
Пусть n = 2:
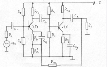
Решая данное уравнение относительно Kβ и выбирая отрицательное решение, получаем Kβ=-0,5. Тогда K=Koc(1- Kβ)=17,9*(1+0,5)=8,95. Так как K<100, то достаточно двух каскадов. Таким образом, для проектирования каскадного усилителя будем использовать два n-p-n транзистора:
Рис.1 Каскадный усилитель
1.2 Статический режим работы выходного каскада
1.2.1 Выбор рабочей точки транзистора
Рабочая схема каскада имеет вид:
Определим параметры рабочей точки транзистора. Выбор рабочей точки А транзистора в режиме покоя, когда входной сигнал отсутствует, сводится к выбору тока коллектора IкА и напряжения UкэA в схеме, в первоначальном предположении Rэ= 0.
Должны выполняться следующие соотношения:
-
|UкэА| Uнm + |Uкэmin|, где Uкэmin - напряжение на коллекторе соответствующее началу квазигоризонтального участка выходных ВАХ;
1. |Uкэmin| = 1В; UкэА = 2,9 В
-
IкАIнm/Kз, где KЗ = 0,7-0,95.
-
Если Кз = 0,7 то Iка = 20,23 мА
Iкдоп.расч. = 2* Iка = 40,46 мА; Uкдоп.расч. = 2* UкэА = 5,8 B;
Pкдоп. = Iкдоп.расч. * Uкдоп.расч.= 234,67 мВт
По величине мощности определим вид транзистора.
Выберем удобный для нас транзистор – КТ342A. Основные характеристики транзистора:
| Iкбо, мкА | Uкэ, В | Iк, мА | Pк, мВт | Uкб, В |
| 0.05 | 30 | 50 | 250 | ------ |
1.2.2 Выбор сопротивлений Rк2, Rэ2, R3, R4 выходного каскада.
Сначала предположим, что Rэ отсутствует, тогда уравнение линии нагрузки будет иметь вид:
Rэ2=(0,10,3) Rk2 , Rэ2 =60 Ом.
Теперь уравнение линии нагрузки будет Eп=Ik*Rk2+Uкэ+ Iэ*Rэ2 ; IkIэ.
Нагрузочная прямая и линия динамической нагрузки имеют вид:
Па графику ВАХ определяем Iба = 0.53 мА.
Через точку А проводим линию динамической нагрузки, под углом φ.
тогда
Фиксация рабочей точки A каскада на биполярном транзисторе осуществляется резистивным делителем R3 , R4 .
Величина R4 определяется из соотношения:
N = 1 + R4/ Rэ2 , N – коэффициент температурной нестабильности.
С другой стороны N = ∆Ik/∆Iko. Рассчитаем величину Iк0 по следующему эмпирическому соотношению:
∆T/10 (45-25)/10
Iк0(45)=| Iк0(T0)*(A - 1)|=|1*10-6*(2,5 -1)|=6,25*10-6 [A]
∆T/10 (27-25)/10
Iк0(27)=| Iк0(T0)*(A - 1)|=|1*10-6*(2,5 -1)|=1,2*10-6 [A] ,
где Iк0(T0) - тепловой ток коллекторного перехода, заданный в справочнике при температуре T0 ; А = 2,5 для кремниевых транзисторов.
∆Iк0 вычислим как
∆Iк0 = Iк0(45) - Iк0(27) = 6,25*10-6 - 1,2*10-6 = 5,05*10-6 [A].
Температурные изменения тока целесообразно ограничить диапазоном ∆Iк=(0,0010,01)*Iкm, выберем
∆Iк=7,07*10-6 [A].
Рекомендуемое значение N вычисленное как
N=∆Iк/∆Iк0=7,07*10-6 / 5,05*10-6 =3.
R4/Rэ2 = 1, R4 = 45 Ом.
Найдем R3 из:
R3 = (E – (Uбэа +Iкэа*Rэ2))/(Uбэа+Iэа*Rэ2+Iба*R4)*R4 (Uбэа находится ниже по входной ВАХ)
R3 = 230 Ом.
Проверим правильность выбора Rэ2:
Iд = (Е - Uба)/R3, Uба = Iэа*Rэ2+Uбэа*Iба = 0.479 В, Iд = 37 мА.
Должно выполняться неравенство:
Iд>=(5-10)*Iба; 37>=(5-10)0.53 – верно.
Из графика входной характеристики определим UБЭ по полученному из графика выходных характеристик IБА.
При таком значении IБА UБЭ=0,98 [B].
Из ВАХ транзистора найдём:
1.3 Расчет значения коэффициента усиления выходного каскада
В первом приближении коэффициент усиления может быть вычислен по следующей формуле:
K2 = -h21э*(Rк2||Rн)/(Rк2 + Rвх2)
Rвх2 = R3||R4||h11Э = 36,1 Ом;
Rк2||Rн = 235 Ом;
K2 = -20*235/(435 + 36) = 9,98
1.4 Переход от выходного каскада к входному
При переходе к входному каскаду справедливы следующие формулы:
Uвх2 = Uмн/К2 = Uмн1; Iвх2 = Uвх2/Rвх2 = Iмн1
Uмн1 = 3,6/10 = 0,36 В; Iмн1 = 0,36/36,1 = 10 мА
Таким образом, после расчета вышеописанных величин процедура нахождения элементов входного каскада повторяет расчет выходного каскада, поэтому приведем ниже лишь сокращенные расчеты без комментариев.
1.5 Статический режим работы входного каскада
1.5.1 Выбор рабочей точки транзистора
Рабочая схема каскада имеет вид:
|UкэА| Uнm + |Uкэmin|;
|Uкэmin| = 1В; UкэА = 1,36 В
IкАIнm/Kз, где KЗ = 0,7-0,95. Примем Iка = 10,5 мА
1.5.2 Выбор сопротивлений Rк1, Rэ1, R1, R2 входного каскада.
Теперь уравнение линии нагрузки будет Eп=Ik*Rk1+Uкэ+ Iэ*Rэ1 ; IkIэ.
Нагрузочная прямая имеет вид:
Па графику ВАХ определяем Iба = 0.6 мА.
N = 1 + R2/ Rэ1 , N – коэффициент температурной нестабильности.
С другой стороны N = ∆Ik/∆Iko. Ранее: ∆Iк0 = 5,05*10-6 [A].
∆Iк=(0,0010,01)*Iкm,
выберем ∆Iк=15*10-6 [A].
Рекомендуемое значение N вычисленное как
N=∆Iк/∆Iк0=15*10-6 / 5,05*10-6 =3.
R2/Rэ1 = 2, R2 = 300 Ом.
Найдем R1 из:
R1 = (E – (Uбэа +Iкэа*Rэ1))/(Uбэа+Iэа*Rэ1+Iба*R2)*R2
(Uбэа находится ниже по входной ВАХ)
R1 = 695 Ом.
Проверим правильность выбора Rэ1:
Iд = (Е - Uба)/R1, Uба = Iэа*Rэ1+Uбэа*Iба = 1,66 В, Iд = 10,5 мА.
Должно выполняться неравенство: Iд>=(5-10)*Iба; 10,5>=(5-10)*0,6 – верно.
Из графика входной характеристики определим UБЭ по полученному из графика выходных характеристик IБА.
При таком значении IБА UБЭ=0,95 [B].
Из ВАХ транзистора найдём:
1.6 Расчет значения коэффициента усиления входного каскада
Коэффициент усиления может быть вычислен по следующей формуле:
K1 = -h21э*(Rк1||Rвх2)/(Rг + Rвх1)
Rвх1 = R1||R2||h11Э = 163,8 Ом;
Rк1||Rвх2 = 34,4 Ом;
K2 = -20*34,4/(70 + 163,8) = 2,94
Уточним значение коэффициента усиления выходного каскада с известным Rк1:
К2 = - h21Э *(Rк2||Rн)/(Rк1 + Rвх2) = 6,1
1.7 Расчет емкостных элементов усилительных каскадов
Для каскадов на биполярном транзисторе значение емкостей конденсаторов С C1,C2, C3, CЭ1 , CЭ2 рассчитаем по следующим формулам:
1.8 Расчет значения реально достигнутого в схеме коэффициента усиления
В области средних частот реально развиваемый усилителем коэффициент усиления напряжения KРЕАЛ равен:
Где Ki – коэффициент усиления i-го каскада.
KРЕАЛ = K1 * K2 = 6,1 * 2,94 = 17,94
Так как KРЕАЛ > K (коэффициент, расчитанный при определении числа каскадов K = 17,4), то расчет каскадного усилителя можно считать законченным.
1.9 Расчет элементов цепи ООС
По вычисленным в п. 1.1 значениям kβ и K рассчитаем величину
Найдем величину сопротивления обратной связи из следующего соотношения:
Назначим Rэ1’’ =10 Ом
RОС = 375 [Ом].
1.10 Построение характеристики Мос(ω)
Построим частотную зависимость Moc(ω). В данном случае этой зависимостью будет
Выражения для Mосв(
) и Mосн(
) одинаковы по виду, но для различных частотных диапазонов предполагают подстановку разных значений X, а именно:
, для области средних и верхних частот и
для области нижних и средних частот.
Масштаб оси частот выбираем в десятичных логарифмах круговой частоты. На оси ч астот отметим точки ωн и ωв:
2. Моделирование усилителя на ЭВМ
Моделирование будем выполнять с помощью пакета схемотехнического моделирования Micro-Cap 3. В результате моделирования получим переходные и частотные характеристики как отдельных каскадов усилителя, так и всей структуры в целом. Целью моделирования является установление корректности расчета и степени соответствия расчетных параметров требованиям технического задания.
Для получения результатов, определяемых исходными данными, произведем корректировку значений сопротивлений резисторов и емкостей конденсаторов усилителя. Полученные после корректировки значения приведены в спецификации.
По графикам АЧХ и ФЧХ, полученным в результате моделирования определим значения K, а также значение нижней частоты
Реально достигнутый коэффициент K находим из графика переходной характеристики: K=12;
Значение нижней частоты fн=90 Гц.
Рис. 2 Анализ входного каскада по Transient
Рис.3 Анализ выходного каскада по Transient
Рис.4 Схема каскадного усилителя на транзисторах
Рис. 5 Анализ усилителя по АС
Рис. 6 Анализ усилителя по Transient
Перечень элементов
| Поз. обозначение | Наименование | Кол. | Примечание |
| Усилитель с обратной связью | Рис.1 | ||
| SINE50 | Генератор исходного сигнала | 1 | |
| Q0 | Биполярный транзистор КТ209Е | 2 | |
| Резисторы | |||
| R1 | 695 Ом | 1 | |
| R2 | 300 Ом | 1 | |
| R3 | 230 Ом | 1 | |
| R4 | 45 Ом | 1 | |
| Rк1 | 30 Ом | 1 | |
| Rк2 | 16 Ом | 1 | |
| Rэ1 | 3 Ом | 1 | |
| Rэ2 | 2 Ом | 1 | |
| Rос | 200 Ом | 1 | |
| Rн | 510 Ом | 1 | |
| Конденсаторы | |||
| С1 | 7,56 мФ | 1 | |
| С2 | 12 мкФ | 1 | |
| С3 | 1,87 мФ | 1 | |
| Сэ1 | 14,15 мФ | 1 | |
| Сэ2 | 12,13 мФ | 1 |
Заключение
Дадим описание всем основным ошибкам, погрешностям, допущениям, а также, проанализировав ход решения курсовой работы, попытаемся сделать выводы, позволяющие увеличить точность расчетов и минимизировать объем трудовой деятельности.
Произведем анализ решения. Первым значительным недостатком являются исходные данные, заранее не проверенные на соответствие друг другу, а так же расчетным величинам.
100>Характеристики
Тип файла документ
Документы такого типа открываются такими программами, как Microsoft Office Word на компьютерах Windows, Apple Pages на компьютерах Mac, Open Office - бесплатная альтернатива на различных платформах, в том числе Linux. Наиболее простым и современным решением будут Google документы, так как открываются онлайн без скачивания прямо в браузере на любой платформе. Существуют российские качественные аналоги, например от Яндекса.
Будьте внимательны на мобильных устройствах, так как там используются упрощённый функционал даже в официальном приложении от Microsoft, поэтому для просмотра скачивайте PDF-версию. А если нужно редактировать файл, то используйте оригинальный файл.
Файлы такого типа обычно разбиты на страницы, а текст может быть форматированным (жирный, курсив, выбор шрифта, таблицы и т.п.), а также в него можно добавлять изображения. Формат идеально подходит для рефератов, докладов и РПЗ курсовых проектов, которые необходимо распечатать. Кстати перед печатью также сохраняйте файл в PDF, так как принтер может начудить со шрифтами.















