151804 (621955)
Текст из файла
ФЕДЕРАЛЬНОЕ АГЕНТСТВО
ЖЕЛЕЗНОДОРОЖНОГО ТРАНСПОРТА
Иркутский государственный университет путей
сообщения
Кафедра: «ЭЖТ»
Дисциплина:
“Электронная техника и преобразователи”
Курсовая работа
Расчет параметров выпрямительно-инверторного преобразователя, выполненного по шестипульсовой мостовой схеме
Выполнил:
ст. гр. ЭНС-06-1-2
Черепанов А.В.
Проверил:
преподаватель кафедры
Ушаков В.А.
Иркутск 2008 г.
Оглавление
1.Задание. 3
2.Требуется. 5
3. Выбор типа вентилей. 6
4. Расчёт проектных параметров трансформатора. 10
4.1 Выпрямитель: 10
4.2. Инвертор. 11
5. Расчёт числа параллельно включенных вентилей плеча. 12
5.1. Выбираем неуправляемый вентиль для выпрямителя: В2-320. 12
5.2. Выбираем управляемый вентиль для инвертора: Т9-250. 12
5.3. Выпрямитель. 12
5.4. Инвертор: 13
6.Расчёт числа последовательно включенных вентилей. 14
6.1 Выпрямитель. 14
6.2 Расчет стоимости вентильного плеча выпрямителя 14
6.3. Инвертор. 15
6.4 Расчет числа вентилей в инверторном плече 15
7.Расчёт характеристик преобразователя. 16
7.1. Расчёт внешней характеристики выпрямителя. 16
7.2. Расчёт внешней характеристики инвертора. 16
7.3. Ограничительная характеристика инвертора. 16
7.4 Углы коммутации мостового ВИП (эл.град.) 16
7.5 Коэффициенты мощности мостового ВИП 17
7.6 Максимальные токи инвертора: 17
8. Расчет параметров устройства выравнивания напряжения 18
8.1. Выпрямитель на лавинных вентилях: В2-320 18
8.2. Инвертор на нелавинных вентилях.: Т9-250 18
9. Выбор схемы выравнивания тока в параллельно включенных ветвях вентильного плеча. 19
10. Моделирование выпрямительно-инверторного преобразователя в среде MATLAB 20
10.1. Моделирование работы выпрямителя в номинальном режиме и режиме короткого замыкания. 20
1.Задание
Трёхфазный мостовой выпрямительно-инверторный преобразователь (ВИП) питается от сети с номинальным напряжением Uс=U1л и заданными пределами колебания этого напряжения %Uс. Известна мощность короткого замыкания Sкз, характеризующая реактанс связи точки подключения ВИП и шин бесконечной мощности энергосистемы.
Заданы следующие параметры и соотношения для ВИП:
-
Напряжение короткого замыкания трансформатора Uк%;
-
Среднее значение выпрямленного напряжения и тока в номинальном режиме (Udн, Idн);
-
Соотношение числа витков вентильных обмоток инвертора и выпрямителя Ки=U2и/U2в;
-
коэффициенты повторяющихся и неповторяющихся перенапряжений Кп, Кнп.
Номинальные мощности выпрямителя и инвертора одинаковы S1в=S1и.
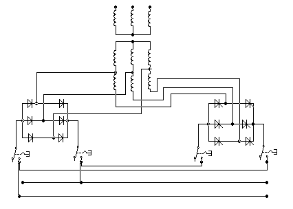
С
хема ВИП
2.Требуется
Расчитать проектные параметры трансформатора и выбрать его по стандартной шкале мощностей.
Выбрать типы вентилей с воздушным охлаждение для выпрямителя и инвертора и, варьируя класс вентилей К, расчитать параметры вентильных плеч, обеспечивающих номинальный режим и устойчивость к перенапряжениям заданой величины и токам аварийных режимов выпрямителя и инвертора.
Определить наиболее дешёвый комплект вентилей.
Расчитать параметры цепей выравнивания обратных напряжений последовательно соединённых вентилей и выбрать схему выравнивания токов в паралельных ветвях вентильных плеч соответственно для выпрямителя и инвертора. Нарисовать схему вентильного плеча.
Выполнить расчёты и построение внешней характеристики выпрямителя, внешних и ограничительной характеристики инвертора, коэффициентов мощности выпрямителя и инвертора.
Построить временные диаграммы фазных напряжений вентильных обмоток выпрямителя и инвертора с отображением коммутационных процессов, диаграммы токов в этих обмотках, мгновенных значений выпрямленного напряжения и напряжения инвертора, напряжения на одном из вентилей. Построить векторные диаграммы напряжения и первой гармоники сетевого тока для выпрямительного и инверторного напряжений.
3. Выбор типа вентилей
Используя данные таблицы подстановок и построенные на данных таблицы диаграммы, выберем тип и класс неуправляемого вентиля, обеспечивающего наилучшие технико-экономические показатели при разных значениях скорости охлаждающего воздуха (12; 6 и 0 м/сек).
Наилучшие технико-экономические показатели выпрямителя для неуправляемого вентиля типа В2-320 обеспечиваются при скорости охлаждающего воздуха 12 и 6 м/сек. По диаграммам определяем тип неуправляемого вентиля: В2-320, при скорости охлаждающего воздуха 6 м/сек. Стоимость плеча: 418 руб., число вентилей плеча:1. По таблицам для В2-320 выберем класс и индекс:
| СТОИМОСТЬ ПЛЕЧА ВЫПРЯМИТЕЛЯ | ЧИСЛО ВЕНТИЛЕЙ ПЛЕЧА ВЫПРЯМИТЕЛЯ | |||
| Класс | В2-320 | Класс | В2-320 | |
| 6 | 1671 | 6 | 70 | |
| 7 | 1465 | 7 | 60 | |
| 8 | 1367 | 8 | 55 | |
| 9 | 1271 | 9 | 50 | |
| 10 | 1158 | 10 | 45 | |
| 11 | 1056 | 11 | 40 | |
| 12 | 939 | 12 | 35 | |
| 13 | 959 | 13 | 35 | |
| 14 | 835 | 14 | 30 | |
| 16 | 865 | 16 | 30 | |
| 18 | 745 | 18 | 25 | |
| 20 | 770 | 20 | 25 | |
| 22 | 636 | 22 | 20 | |
| 24 | 656 | 24 | 20 | |
| 26 | 675 | 26 | 20 | |
| 28 | 521 | 28 | 15 | |
| 30 | 536 | 30 | 15 | |
| 32 | 553 | 32 | 15 | |
| 34 | 568 | 34 | 15 | |
| 36 | 582 | 36 | 15 | |
| 38 | 597 | 38 | 15 | |
| 40 | 612 | 40 | 15 | |
| 42 | 418 | 42 | 10 | |
| Минимальная стоимость плеча | 418 | Минимальное количество вентилей плеча | 10 | |
Для В2-320 класс: 32, стоимость плеча 332 руб., число вентилей 9.
Используя данные таблицы подстановок и построенные на данных таблицы диаграммы, выберем тип и класс управляемого вентиля, обеспечивающего наилучшие технико-экономические показатели инвертора при выбранном значении скорости охлаждающего воздуха 6 м/сек.
По диаграмме определяем тип управляемого вентиля: Т153-800, стоимостью 2470 руб., количество вентилей Т153-800 равно 22. Стоимость плеча Т9-250 меньше стоимости Т153-800, но количество вентилей Т9-250 равно 50
По таблицам для Т153-800 выберем класс и индекс:
| СТОИМОСТЬ ПЛЕЧА ИНВЕРТОРА | ЧИСЛО ВЕНТИЛЕЙ ПЛЕЧА ИНВЕРТОРА | ||
| Класс | Т9-250 | Класс | Т9-250 |
| 6 | 100000 | 6 | 100000 |
| 7 | 100000 | 7 | 100000 |
| 8 | 100000 | 8 | 100000 |
| 9 | 100000 | 9 | 100000 |
| 10 | 2661,12 | 10 | 28 |
| 11 | 2620,475 | 11 | 26 |
| 12 | 2556,84 | 12 | 24 |
| 13 | 2470,215 | 13 | 22 |
| Минимальная стоимость плеча | 2470,215 | Минимальное число вентилей плеча | 22 |
Для вентиля Т153-800 класс: 13, стоимость плеча 2470,215 руб., число вентилей плеча 22.
Для выпрямителя:
Тип неуправляемого вентиля: В2-320
Iуд = 7200,0 А
Iо max = 20,0 мА
Uo = 1,1 B
Rд = 0,00078 Ом
Скорость потока охлаждения воздухом V = 6 м/с:
Rт, град.С/Вт 2 0,21
(допуст. прев.темп.) 1 100
= 274 А
Для инвертора:
Тип управляемого вентиля: Т453-800
Iуд = 17500,0 А
Iо max = 50,0 мA
Uo = 1,2 B
Rд = 0,000340 Ом
Rт, град.С/Вт 0,1
(допуст. прев.темп.) 85
Характеристики
Тип файла документ
Документы такого типа открываются такими программами, как Microsoft Office Word на компьютерах Windows, Apple Pages на компьютерах Mac, Open Office - бесплатная альтернатива на различных платформах, в том числе Linux. Наиболее простым и современным решением будут Google документы, так как открываются онлайн без скачивания прямо в браузере на любой платформе. Существуют российские качественные аналоги, например от Яндекса.
Будьте внимательны на мобильных устройствах, так как там используются упрощённый функционал даже в официальном приложении от Microsoft, поэтому для просмотра скачивайте PDF-версию. А если нужно редактировать файл, то используйте оригинальный файл.
Файлы такого типа обычно разбиты на страницы, а текст может быть форматированным (жирный, курсив, выбор шрифта, таблицы и т.п.), а также в него можно добавлять изображения. Формат идеально подходит для рефератов, докладов и РПЗ курсовых проектов, которые необходимо распечатать. Кстати перед печатью также сохраняйте файл в PDF, так как принтер может начудить со шрифтами.















