151728 (621905), страница 2
Текст из файла (страница 2)
где: Lвыр – длина выработки, м
Nсв = 50/8 = 6 штук
Потребляемая лампами мощность в горизонтальной выработке :
Ргор = Рл×Nсв, Вт
Рл = 100Вт ; Ргор = 100 × 6 = 600 Вт.
Расчет освещения для камеры УПП.
Для определения количества светильников, расчет электрического освещения выполняют по методу коэффициента использования светового потока. При этом учитывают нормы освещенности для конкретной выработки.
Метод применяется при расчете общего освещения горизонтально расположенных рабочих поверхностей. Коэффициент использования светового потока зависит от коэффициента отражения стен Sст, коэффициента отражения потолка Sпот, от КПД светильника
Определим индекс камеры УПП. Предварительно измерим по плану участка геометрические размеры камеры, учитывая при этом, что высота типовой выработки Н = 4метра, длина по плану а = 15метров, ширина b = 10.
Индекс помещения определим по формуле :
i =
где a и b – длина и ширина помещения (м);
h – высота подвеса светильников, (м);
h = (Н – 0.8), м
где Н – высота помещения, (м)
h = (4 – 0.8) = 3.2м
i =
=1.87
По графику зависимости коэффициент использования светового потока от индекса помещения /М.У.приложение 1/ , определяем Кисп, при этом учитывая, что светильники с лампами накаливания , а потолки и стены светлые Кисп = 0,35
Учитывая Еmin = 15лк, найденного значения Кисп = 0,35, согласно требований ЕПБ и СН определяем суммарный световой поток всех светильников :
F∑ = Emin ×S × Kз × Z / k исп , лм
где S – площадь освещаемой поверхности (камеры УПП),м2
Z = 1.4 – коэффициент неравномерности освещения;
К.з = 1,5 – коэффициент запаса, принимаемый в соответствии с рекомендациями ПТЭ
S = a × b = 10 × 15 = 150м2
F∑ = 15 × 150 × 1,5 × 1,4 / 0,35 = 13 500 лм
По найденному суммарному световому потоку F∑ и световому потоку одного светильника Fсв, принятого к установке, определим необходимое количество светильников.
Nсв = F∑ / Fсв
где Fсв = Fл × КПДсв = 1380 × 0,6 = 828лм
Nсв = 13 500 / 828 = 16шт
Принимаем к установке 16 светильников.
Выполняем расстановку светильников на кровле камеры, что указываем на эскизе:
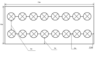
План – эскиз расстановки светильников в камере УПП
Расстановка в два ряда, с расстоянием между рядами 4метра,от торцов камеры отступаем 0,5метра, с шагом расстановки 2метра, длина камеры 15метров, ширина 10метров.
Потребляемая мощность светильников УПП:
P∑ = Pл × Nсв = 100 × 16 = 1600 Вт = 1,6кВт
Определим необходимое количество светильников для комплекса рудоспуска. Расчет освещения выполняем по методу коэффициента использования светового потока, аналогичный тому, как производили расчет для камеры УПП.
Определим индекс камеры рудоспуска, предварительно измерив по плану участка геометрические размеры. Высота камеры рудоспуска Н = 6метров, длина камеры a = 25метров, ширина b = 10метров.
h = (H – 0,8) = 6 – 0.8 = 5.2метра - высота подвеса светильников.
i =
=
= 1.37 - индекс комплекса рудоспуска
Определим Кисп - коэффициент использования светового потока, учитывая, что светильники с лампами накаливания, потолки и стены светлые.
Кисп = 0,31 Еmin = 10лм /М.У приложение 13/
Определим суммарный световой поток всех светильников:
F∑ = Emin × S × Kз × Z/ Kисп, лм
где
S = a × b = 250метров;
Z = 1.4 – коэффициент неравномерности освещения ;
К.з = 1,5 - коэффициент запаса.
F∑ = 10 × 250 × 1,5 × 1,4 / 0,31 = 16 935 лм
По суммарному световому потоку определим необходимое количество светильников.
Nсв = F∑ / Fсв , шт Fсв = Fл × КПДсв = 1380 × 0,6 = 826 лм;
Nсв = 16 935 / 826 = 20 шт.
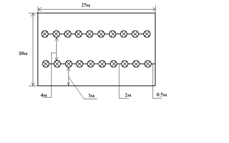
Выполним расстановку светильников на кровле комплекса рудоспуска, что укажем на эскизе / лист 16,рисунок 3 /. Расстановка в два ряда, с расстоянием между рядами 4метра, от торцов помещения отступаем 0,5метра, с шагом расстановки 2,5метра. Потребляемая мощность светильников рудоспуска Р ∑ = Рл × Nсв = 100 × 20 = 2000Вт = 2кВт.
План – эскиз расстановки светильников в комплексе рудоспуска
На проектируемом участке используется прожекторное освещение: для освещения скреперных дорожек и забоев где находится станок НКР.
Горизонтальная освещенность Еmin = 10лк. Для тупиковых выработок ,скреперных дорожек применяют прожекторное освещение ПЗС с Рл = 1000Вт. Стационарная сеть выполняется
20метров не доходя до тупика. Один прожектор ставим в тупике с НКР, второй у скреперной лебедки.
Потребляемая лампами мощность на каждом участке:
1 Горизонтальная выработка Ргор = Рл × Nсв =600Вт;
2 УПП Р∑ = Рл × Nсв = 1600Вт;
3 Комплекс рудоспуска Р∑ = 2000Вт;
4 Прожекторное освещение Рпрож = 2000Вт.
Суммарная нагрузка осветительной сети:
Р∑ осв.сети = Ргор + Рруд + Р∑ УПП + Рпрож = 6200Вт.
Согласно ЕПБ в участковых сетях для питания осветительных установок используют ступень напряжения U = 127B, которую можно получить от пусковых агрегатов типа АОШ, в которых установлены трансформаторы с Sном = 4кВА, и обеспечивающие U = 127B.
Кроме того, АОШ укомплектован набором защит: от т.к.з., от токов утечки, от самовключения при повышении напряжения до 1,5 Uном, от обрыва или увеличения сопротивления цепи заземления , нулевой защитой. Агрегат снабжён световой сигнализацией и блокировками.
Для определения количества источников питания определим расчётную мощность трансформатора Sтр.расч.осв., кВА, при использовании с лампами накаливания.
Sтр = Р∑ × 10-3/ К.П.Д.с, кВА
где Р∑ - суммарная мощность сети освещения
К.П.Д.с = 0,96 КПД сети.
Sтр = 6200 × 10-3 / 0,96 = 6,45кВА
Определим количество агрегатов : Sном = 4кВА,
N =
, шт
N = 6.45 / 4 = 1.6, шт
К установке принимаем 2 осветительных агрегата типа АОШ-4. Первая осветительная установка АОШ устанавливается в комплексе рудоспуска, вторая осветительная установка АОШ устанавливается в камере УПП.
Расчет осветительной сети заключается в выборе марки кабеля и расчете сечения токоведущих жил кабелей, в соответствии с определенной нагрузкой осветительной сети.(см.п.2.2).
На плане участка выполняем расстановку осветительных агрегатов, при этом предпочтение отдается электромашинной камере УПП и комплексу рудоспуска.
Определим сечение токоведущих жил магистрального осветительного кабеля. Сечение жил кабеля определяем из условия допустимой потери напряжения, которая в осветительных сетях , согласно ПУЭ , не должна превышать 4%Uном. По нагреву кабели осветительной сети не проверяют, т.к. даже наибольший ток нагрузки осветительного трансформатора, мощность которого составляет S = 4кВА, оказывается меньше допустимого по нагреву тока кабеля с минимальным сечением жил Smin = 2.5мм2. Включение осветительного агрегата осуществляем в конец линии, и тогда момент нагрузки на кабель составит :
М = Р ∑ × L, кВт × м
где L – длина кабеля освещения, м
Р∑ - суммарная нагрузка на кабель, кВт.
Принимая во внимание то, что по расчетам к установке приняты 2 агрегата, выполним распределение осветительной нагрузки между ними, в соответствии с местом установки агрегата. Определим длины кабелей с учетом их провисания 10%, плюс 2% на концевые разделки.
Sрасч =
, мм2
где Sрасч. – расчетное сечение силовой жилы кабеля, мм2;
С – коэффициент, учитывающий допустимую температуру нагрева токоведущих жил кабеля ; Для кабелей с медными жилами при Uном = 127В - С = 8,5 1/град;
∆Uдоп = 4% допустимая потеря напряжения в сети освещения;
М – момент нагрузки на кабель, кВт × м.
1) АОШ-4 для освещения: комплекса рудоспуска Р = 2000Вт, 2 светильника горизонта
Р = 200 Вт, один прожектор Р = 1000Вт. Р∑ = 3,2кВт L = 60метров + 12% = 67метров.
М = 3,2 × 67 = 214,4 кВт × м
Sрасч1 =
= 6.3мм2
2) АОШ -4 для освещения : камеры УПП Р = 1600Вт, 4 светильника горизонта Р = 400Вт, один прожектор Р = 1000Вт. Р∑ = 3кВт L = 70метров + 12% = 78метров.
М = 3 × 78 = 234 кВт × м
Sрасч2 =
= 6,8мм2
К прокладке принимаем кабель марки ГРШЭ 3 × 6 + 1 × 2,5 , с Smin = 6мм2.
Питание осветительной сети выполняется стандартным агрегатом , и загрузку его осуществляем практически на 100%, то ток уставки автоматического выключателя принимаем стандартный согласно паспорта Iу = 192А, Inom.авт = 16А.
3. Расчёт мощности силового трансформатора
Место установки УПП выбираем в центре нагрузок участка. Выбор места для УПП связан с тем, чтобы обеспечить качество электроэнергии по потере напряжения в соответствии с ГОСТ, т.к. для горно-добывающей промышленности не существует типовых графиков нагрузок. В то же время УПП не должно мешать нормальной работе транспорта и передвижению людей. Поэтому расчет осуществляем согласно инструкции по проектированию электроснабжения, по методу коэффициента спроса.
Расчётная мощность трансформатора:
Sрасч.тр. = kc × Pnom∑ / cosφсрв, кВА
где kc – коэффициент спроса, учитывающий К.П.Д. сети, одновременность работы электродвигателей, степень их нагрузки и их к.п.д.; Pnom∑ - суммарная установленная мощность эл.приемников участка, кВт; cosφср – средневзвешенный коэффициент мощности электроприемников при фактической их нагрузке. Принимаем cosφср = 0,86.
Определим коэффициент спроса для потребителей участка. Предварительно установили, что на проектируемом участке отсутствует автоматическая блокировка очередности пуска электродвигателей (п.1.1).
kc = 0,29 + (0,71 × Pnom.max / Pnom∑)
kc = 0.29 + (0.71 × 110 / 200.5) = 0.67
Для корректировки расчета учитывая загруженность трансформатора вводим коэффициент возможного использования: kисп = 1,25.
Определим расчетную мощность трансформатора:
Sрасч.тр = 0.67 × 200,5 / 0,86 = 156,2 кВА;
Sрасч. = Sрасч.тр / kисп = 156,2 / 1,25 = 124,9кВА;
Выбираем трансформатор с Snom ≥ Sрасч. т.е тип ТСШВ с Snom = 160/6кВА /М.У.приложение 6/. Действующими ПБ § 436 использование маслонаполненных трансформаторов в участковых подстанциях запрещено.Выбранный трансформатор проверим по нагрузочному току потребителей. При этом должно соблюдаться условие:
I2тр ≥ Iраб ;
Iраб. =
=
= 354А
I2 тр = Snom /
× U2 ном = 160 / 1,73 × 380 = 243А
Из расчета выяснилось, что условия по току не соблюдаются : I2 тр < I раб. Поэтому к расчёту принимаем силовой трансформатор большей стандартной мощности тип ТСШВ с Snom = 250/6 кВА.
Определим ток вторичной обмотки выбранного трансформатора :
I2 тр. = 250 / 1,73 × 0,38 = 380 А
Условия по току соблюдаются: I2 тр > I раб. Окончательно к установке принимаем трансформатор тип ТСШВ с Snom = 250/6 кВА.
Паспортные данные тр-ра ТСШВ:
Напряжение короткого замыкания 3,5% ;















